The Project Gutenberg EBook of Motion Picture Operation, Stage Electrics
and Illusions, by Henry C. Horstmann and Victor H. Tousley
This eBook is for the use of anyone anywhere at no cost and with
almost no restrictions whatsoever. You may copy it, give it away or
re-use it under the terms of the Project Gutenberg License included
with this eBook or online at www.gutenberg.org
Title: Motion Picture Operation, Stage Electrics and Illusions
A Practical Hand-book and Guide for Theater Electricians,
Motion Picture Operators and Managers of Theaters and
Productions
Author: Henry C. Horstmann
Victor H. Tousley
Release Date: March 27, 2014 [EBook #45231]
Language: English
Character set encoding: ISO-8859-1
*** START OF THIS PROJECT GUTENBERG EBOOK MOTION PICTURE OPERATION ***
Produced by Chris Curnow, Harry Lamé and the Online
Distributed Proofreading Team at http://www.pgdp.net (This
file was produced from images generously made available
by The Internet Archive)
Please see the Transcriber’s Notes at the end of this text.
Books by
Horstmann & Tousley
| Motion Picture Operation, Stage Electrics and Illusions. | $2.00 |
| (Ready July 1, 1914.) | |
| Alternating Current Theory, Practice and Diagrams. | $2.00 |
| Modern Electric Illumination. | $2.00 |
| Practical Armature and Magnet Winding. | $1.50 |
| Modern Electrical Construction. | $1.50 |
| Electrical Wiring and Construction Tables. | $1.50 |
| Dynamo Tending for Engineers. | $1.50 |
| Modern Wiring Diagrams and Descriptions. | $1.50 |
| Electricians’ Operating and Testing Manual. | $1.50 |
A Practical Hand-book and Guide for Theater
Electricians, Motion Picture Operators and
Managers of Theaters and
Productions
By
Henry C. Horstmann
and![]()
Victor H. Tousley
Authors of
“Alternating Current,” “Modern Wiring Diagrams,” “Modern
Electrical Construction,” “Electrical Wiring and Con-
struction
Tables,” “Practical Armature and Magnet
Winding,” “Electricians’ Operating and Test-
ing
Manual,” “Modern Illumination.”
ILLUSTRATED
Chicago
FREDERICK J. DRAKE & CO.
Publishers
Copyright 1914, by
HENRY C. HORSTMANN
and
VICTOR H. TOUSLEY
In this volume the authors have attempted to lay before the Motion-Picture Operators and Theatrical Employes generally, a reference and handbook making a specialty of electrical requirements about theaters.
A working knowledge of electricity in general is assumed, and therefore elementary ideas have been treated sparingly. A specialty, however, has been made of all matters peculiar to theaters, and it is thought that theater electricians will find in this volume everything that they need whether they be operating motion-picture machines or switchboards in first-class houses.
The two special chapters “Portable Stage Equipment” and “Theater Wiring” have been arranged so that they are particularly valuable for reference. They should be consulted before undertaking any electrical construction work, either for the stage or for the auditorium. These chapters embody all of the practical knowledge that has come to the notice of the authors in many years of actual experience with theatrical construction.
The aim of this volume has been to present in a simple and practical way the essential principles of Motion-Picture Work.
The Authors.
| PAGE | |
| Chapter I | |
| The Electrical Circuit and Electrical Hazards | 9 |
| Chapter II | |
| The Arc Lamp | 19 |
| Chapter III | |
| Projection | 31 |
| Chapter IV | |
| Motion Pictures | 55 |
| Chapter V | |
| The Motion-Picture Machine | 62 |
| Chapter VI | |
| The Film | 89 |
| Chapter VII | |
| General Hints on Installation, Operation and Care of Machines | 96 |
| Chapter VIII | |
| Light | 113 |
| Chapter IX | |
| Principles of Vision | 122 |
| Chapter X | |
| Reflection | 126 |
| Chapter XI | |
| Refraction | 137 |
| Chapter XII | |
| Optical Instruments | 147 |
| Chapter XIII | |
| Optical Illusions | 155 |
| Chapter XIV | |
| Theater Buildings | 163 |
| Chapter XV | |
| Operating Room Equipment | 176 |
| Chapter XVI | |
| Current Control for Arc Lamps | 190 |
| Chapter XVII | |
| Management of Generators and Motors | 213 |
| Chapter XVIII | |
| Theater Wiring | 218 |
| Chapter XIX | |
| Portable Stage Equipment | 311 |
| Chapter XX | |
| Useful Facts and Formulas | 353 |
| Chapter XXI | |
| Glossary of Electrical, Mechanical and Optical Words, Terms and Phrases | 358 |
| Index | 385 |
MOTION PICTURE OPERATION
STAGE ELECTRICS AND
ILLUSIONS
Two and Three-Wire Systems.—If the theater electrician will take the trouble to trace the circuits in the building to their supply, he will find them entering the building either as two-wire or three-wire circuits.
FIGURE 1.
A two-wire circuit is diagrammatically shown in Figure 1. The circuit, coming from 1, enters the building, passes through the fuses 2, and through switch 3 to the lights. A two-wire system will ordinarily be found operating at 110 volts, the current varying according to the number of lights turned on. In the drawing, for instance, only one light is shown with the switch closed, the other three switches being open. The current in the circuit is equal to that which passes through the single lamp. If another[10] switch be closed, another light will burn and the current will be increased, so that the more lights be turned on, the greater will be the current.
FIGURE 2.
The three-wire system, Figure 2, is almost universally used where the supply is from the outside and where any considerable number of lights are connected. The chief advantage of the three-wire system lies in its economy of copper. The middle or neutral wire ordinarily does not carry current, but it is a necessity whenever the number of lights burning on the two sides of the system are not equal.
With the neutral wire omitted, we have a straight two-wire system using double the voltage of the ordinary two-wire system and always operating two 110-volt lamps in series. Two lamps would always have to be turned on at the same time and if one of them should burn out, the other would be extinguished also.
A system using double voltage requires only half the current and consequently but half the copper. In order to obviate the necessity of always using two lamps together and at the same time economizing in copper, the neutral wire is provided. As long as the same number of lamps are burning on each side of the neutral wire, the same current always passes through two lamps in series and there is no current[11] in the neutral. Should, however, the group on one side be turned out, the other would still continue to burn; but the path of the current to the dynamo, or bank of transformers, would be through the neutral wire.
The system is thus seen to possess all the advantages of the ordinary two-wire system since each lamp can be operated by itself and at the low voltage, while the actual supply voltage for the whole system is double that which is actually used at any lamp. We have thus two voltages at our command; 110 and 220 being the voltages in common use.
Electrical Hazards.—Since this work is not intended for mere beginners, we shall not enter into elementary considerations, but shall take up the matter of fire and life hazard, both of which are important items to which attention cannot be too often called.
The electrical current may cause fire by overheating the wires. This overheating may be due to the willful overloading of circuits; and to prevent this, no wire should ever be used to carry more current than is allowed by the table of carrying capacities given on page 238.
The overheating may also be due to an unknown load which is caused by a “ground” or a partial short circuit. “Ground” is the technical term used to designate the connection of a wire to any substance over which electricity may be carried to the wire of opposite polarity. A ground may be caused by a bare wire coming in contact with the iron framework of a building, wet wood, or moist substances of any kind. One such ground on a circuit can do no harm; but, if one ground exists, in the course of time[12] another one may come on and, when the second one appears, if it is on the side of the circuit opposite to the first, there will be trouble at once.
If the two grounds are both “good”—that is, if they are of low resistance—we shall have a short circuit and probably blow a fuse; but if they are not “good,” we may have but a small current which may continue unnoticed for months. Such a current may eat away the copper of the positive pole and in time cause the wire to break, creating an electric arc and perhaps causing a fire. It may also cause wet wood through which it flows to become charred and finally ignited.
The ground is the bane of the electrical worker. If a system can be kept free of grounds, the chances of trouble are vastly reduced. The cause of most grounds is moisture. Nearly all substances except metals are fairly good insulators if dry; and nearly all of them are fairly good conductors if sufficiently wet.
Another very prolific source of fires is the electrical spark, large and small. The spark, due to the breaking of an incandescent lamp, often causes fires when it comes in contact with inflammable material or gases. The ordinary lamp cord also causes many fires because it is easily damaged and liable to short circuits which often result in arcing. Short circuiting two wires or breaking a wire carrying current may easily ignite inflammable material in the vicinity.
The best way to reduce the fire hazard to a minimum, is to install all electrical work carefully according to the rules laid down in the “National Electrical Code”.
The life hazard is one which concerns the operator[13] personally and is especially great to those traveling with shows. Traveling men are often obliged to get along with all sorts of make shifts, especially in the smaller towns where one-night stands are the rule. Here it is often necessary to connect to trolley circuits or power lines of different voltages, frequencies, etc.
A person may suffer injury directly from a current of electricity by making himself part of the circuit. If the system on which he is working is alive and grounded, he may easily cause injury to himself by touching a live wire with his hands while standing upon anything that is grounded. By so doing he completes a path for the current through his body.
He may also become part of a circuit by holding a wire with both hands while someone is cutting it between his two hands. As long as a wire so held is intact, no shock can be received except to ground, but when the wire is cut or breaks, a very high voltage may be produced for an instant which will cause a current through the body of the man holding the wire. The extra high voltage is produced only if the wire is carrying current at the time it is being cut. Under these circumstances there will often be a strong flash, due to the momentary increase in voltage, produced by the breaking of the circuit, which may be excessive, especially if there is considerable inductance in the circuit.
The most frequent cause of injury is due to making contact with the two opposite polarities of a system. As a rule circuits, with which operators ordinarily have to work, are low voltage, i.e., not over 220 volts. But many deaths have been caused by this voltage, sometimes directly and at other times indirectly as, for instance, by causing a fall. People whose hearts[14] are in any way defective should be careful about exposing themselves to shocks even at 110 volts.
It is true that many wiremen are in the habit of testing 220-volt circuits by allowing the current to pass through their bodies, but it will be noticed that they are very careful not to make a good contact. The current which passes through the body, when one touches two wires of opposite polarity very lightly with the finger tips, is but a fraction of what one would receive if he were unwittingly to grab two wires of opposite polarities with the hands, especially if the hands were moist.
Numerous cases are on record of persons having been killed by 110 volts under favorable circumstances; as, for instance, while in the bath receiving a shock from a so-called vibrator. The body partly immersed in water and perhaps a foot resting against a water pipe forms a conductor of very low resistance, and a comparatively strong current may pass through the body.
The most important precautions against injury while working on live circuits are:
(1) Insulate yourself from the ground.
(2) Handle only one side of a line at a time.
(3) If possible, work with only one hand at a time in contact with the wires.
(4) Use rubber gloves, or rubber boots where necessary, but bear in mind that they are of little value unless kept dry. Moisture will allow some current to pass over the surface of any substance no matter how good an insulator it may otherwise be.
(5) Always place yourself so that a slight shock which might cause you to lose your balance will not give you a bad fall.
(6) Remember that if once you make good contact with an alternating-current circuit, you cannot let go.
(7) Fix firmly in your mind the directions for resuscitation from electric shock, on pages 15-18.
When energy is obtained through transformers, there is another danger to be added to the above, viz., the possibility of the breaking down of the insulation between primary and secondary wires of the transformer. If this happens, we have suddenly and without warning, instead of the 110 or 220 volts supposed to exist between the wires forming the circuit, 2,000 or 3,000 volts. Such accidents are especially likely during thunder storms when lightning often breaks down transformers.
In order to reduce this danger to a minimum, the secondaries of transformers are grounded. It will be well for the electrician to assure himself that the secondaries of the transformers from which he is getting his supply are grounded. This can be tested by an incandescent lamp. Connect the lamp to ground with one wire and, with the other, try the two sides of the circuit. If the transformer secondaries are properly grounded, the lamp will burn at full candle power from one of the wires; this will show that the other wire is grounded.
A person working on such a circuit is of course more likely to receive a low voltage shock than if the secondaries were not grounded, but he is fairly well protected against the primary voltage or lightning.
Rules recommended by commission on resuscitation from electric shock, representing The American[16] Medical Association, The National Electric Light Association, The American Institute of Electrical Engineers: Dr. W. B. Cannon, chairman; professor of physiology, Harvard University. Dr. Yandell Henderson, professor of physiology, Yale University; Dr. S. J. Meltzer, head of department of physiology and pharmacology, Rockefeller Institute for Medical Research; Dr. Edw. Anthony Spitzka, director and professor of general anatomy, Daniel Baugh Institute of Anatomy, Jefferson Medical College; Dr. George W. Crile, professor of surgery, Western Reserve University; W. C. L. Eglin, past-president National Electric Light Association; Dr. A. E. Kennelly, professor of electrical engineering, Harvard University; Dr. Elihu Thomson, electrician, General Electric Company; W. D. Weaver, secretary, editor Electrical World. Issued and copyrighted by National Electric Light Association. Reprinted by permission. Follow these instructions even if victim appears dead.
With a single quick motion, free the victim from the current. Use any dry non-conductor (clothing, rope, board) to move either the victim or the wire. Beware of using metal or any moist material. While freeing the victim from the live conductor have every effort also made to shut off the current quickly.
1. As soon as the victim is clear of the conductor, rapidly feel with your finger in his mouth and throat and remove any foreign body (tobacco, false teeth, etc.) Then begin artificial respiration at once. Do not stop to loosen the victim’s clothing now; every moment of delay is serious. Proceed as follows:
a. Lay the subject on his belly, with arms extended as straightforward as possible and with face to one side, so that nose and mouth are free for breathing, see Figure on page 17. Let an assistant draw forward the subject’s tongue.
INSPIRATION—PRESSURE OFF.
b. Kneel straddling the subject’s thighs and facing his head; rest the palms of your hands on the loins (on the muscles of the small of the back), with fingers spread over the lowest ribs, as in Figure on page 17.
c. With arms held straight, swing forward slowly so that the weight of your body is gradually, but not violently, brought to bear upon the subject, see Figure on page 18. This act should take from two to three seconds.
Immediately swing backward so as to remove the pressure, thus returning to the position shown in the Figure on page 17.
d. Repeat deliberately twelve to fifteen times a[18] minute the swinging forward and back—a complete respiration in four or five seconds.
e. As soon as this artificial respiration has been started, and while it is being continued, an assistant should loosen any tight clothing about the subject’s neck, chest or waist.
EXPIRATION—PRESSURE ON.
2. Continue the artificial respiration (if necessary, at least an hour), without interruption, until natural breathing is restored, or until a physician arrives. If natural breathing stops after being restored, use artificial respiration again.
3. Do not give any liquid by mouth until the subject is fully conscious.
4. Give the subject fresh air, but keep him warm.
General Discussion of the Electrical Arc.—The name of the electrical arc lamp is derived from the arch-like appearance of the vapors which give out the light when the carbons are placed horizontally. The horizontal arc was the earliest form, hence the name which it carries to this day.
The arc proper is due to the vapors of volatilized carbon or other materials forming the electrodes, which may be consumed by the passage of an electrical current from one electrode to another through the intervening medium. In order that an arc may be formed, it is necessary first to bring the electrodes together. This, if the circuit is properly arranged, starts the current and when the circuit is partly interrupted, as by slowly separating the points of the electrodes, the current passes through the intervening space, with the result that a high degree of heat (about 3,500 centigrade) is produced. This results in volatilizing the carbon or any other material of which one or both electrodes may consist.
As long as the distance between the electrode points is small, the current will be quite strong and a hissing or frying sound will be given out. In order to keep the current within bounds during the time that the electrodes are together or while they are separated only a very short distance, some resistance, or reactance in the case of alternating-current arcs, is always connected in series in the circuit. If this were[20] not done, there would be a short circuit at the time of starting or striking the arc.
The arc formed with very short separation of electrodes is generally spoken of as a low tension arc and requires very hard carbons and about 25 volts. This type of arc is very little used for illuminating purposes.
If the distance between the electrodes is increased gradually, the light becomes very unsteady and flickers considerably until at a certain point it begins to improve and give the long quiet arc. This condition will occur when, with direct current, the electrodes are about one-eighth of an inch apart. It will then be found that the voltage across the arc is from 45 to 50 volts, which is the best voltage to use with open arcs. If the separation be carried still further, the arc will grow longer and become flaming until finally it breaks entirely.
The resistance of the arc is closely proportional to the cross section of the electrodes and increases with the distance of the arc gap. It acts, however, very much as though there were a small counter e. m. f. set up within it.
The color of the light given off varies with the length of the arc somewhat, but depends mainly upon the material of which the electrodes consist. In the so-called flaming arcs, the peculiar color is obtained by certain chemicals imbedded in the material composing the electrodes. Whenever an arc is allowed to burn down until it reaches the electrode holders, a greenish light is given off which is due to the volatilization of the metal—usually brass—in these holders.
The light of a strong arc is extremely injurious to[21] the eyes and should only be viewed through colored glass. Many very painful experiences have resulted from persons gazing upon arcs of 200 or 300 amperes, such as are used sometimes in cutting away metals of old buildings, etc.
The most powerful arcs known at the present time are those used in some steel mills for refining steel. These use upward of 10,000 amperes.
The length of the ordinary arc varies from one thirty-second of an inch to one inch. The light is not of much use and is rather unsteady until the electrodes have assumed a shape somewhat similar to that shown in Figure 3 for direct current, and Figure 4 for alternating current. With direct-current arcs, a crater is formed at the bottom of the positive electrode and, from this crater, about 80 per cent of the light is emitted. Where the light is wanted in a downward direction, the crater is always formed at the top and[22] for this purpose the top electrode must be made positive; that is, the electricity must flow from the top electrode into the lower one. In some cases, where special illumination effects are desired, the bottom electrode is made the positive with the result that most of the light is thrown upward. In such cases strong shadows are thrown against the ceiling and the lamp is said to be burning “upside down.”
The positive electrode can always be distinguished from the negative (a) by the shadows cast; (b) by the form of the electrodes; and (c) by the fact that since it is heated to a greater degree, it will, when the lamp is turned off, remain hot for some time after the negative electrode has cooled off.
In case the arc is drawn out very long and operated in this way for a considerable time, the crater will almost wholly disappear and the electrodes will appear rounded off.
In an alternating-current circuit, the positive and negative poles reverse generally about 120 times per second and both electrodes in the alternating-current arc are positive and negative to the same degree. They are therefore very nearly alike, except that the heat rising from the lower one increases slightly the volatilization of the upper. The positive electrode in the direct-current arc is consumed approximately twice as fast as the negative electrode. The consumption of the two electrodes in an alternating-current arc is about equal and a crater much smaller than the kind formed in a direct-current arc is, therefore, formed on each electrode, instead of only on the positive electrode as in the case of the direct-current arc.
The general form of alternating-current arc carbons is given in Figure 4. The small elevations shown in[23] the cuts are due to impurities and do not appear with first-class carbons.
When arc lamps are operated on alternating-current circuits, the best voltage for the arc is about 28; and consequently, for the same quantity of light, the current must be increased so that the amperage of alternating-current lamps is always much greater than that of direct-current lamps.
The alternating-current arc is much noisier than the direct-current arc, but with very high frequencies this noise ceases.
In general, arc lamps do not work very well on low frequencies. The time at which the current is practically zero is long enough to allow the vapor between the electrode points to cool off sufficiently to interfere with successful operation.
Any arc light is affected by draughts of air and can even be blown out. If this occurs often, there will be rapid feeding, a short arc, and great waste of electrode.
A magnet held close to an arc can be made to blow it out or force it to one side. This fact is made use of in some lightning arresters.
Generally speaking, arc lamps are of two kinds, open and enclosed. The enclosed arc operates at a much higher voltage and is but little used about theaters. The open arc is almost universally used for stage work and this is about the only place where it is still considered useful. This kind of arc lamp is, however, very hazardous in localities where inflammable material abounds and for this reason it is always enclosed with wire mesh when possible.
Lens lamps can be tightly enclosed since none of[24] the light is wanted except that which passes through the lens in front.
The so-called flood lamps are usually provided with wire gauze in front of the arc, which prevents the escape of pieces of the electrodes and also prevents parts of scenery, etc., from coming in contact with the arc.
The lamp houses should be of such dimensions that, with the highest amperage the lamp is capable[25] of using, the outer walls will not become excessively hot.
Illustrations of standard lens and flood lamps, as made by the Chicago Stage Lighting Company, are shown in Figures 5 and 6.
Operation of Arc Lamps.—From the standpoint of operation, arc lamps may be divided into two classes, viz.: hand-feed and automatic-feed. The hand-feed lamp is generally used in theaters and is practically the only kind admitted on the stage, or for stage illuminating purposes. Only a very few houses now use arc lamps for general illumination.
The operation of hand-feed lamps[1] is ordinarily quite simple and will be fully treated under the head of “Projection”, so that we may now consider only the automatic lamps. At the present time these are used mostly, if at all, for the illumination of the exterior of the theater.
[1] Full diagrams and descriptions are in another work of the authors’, entitled “Electricians’ Operating and Testing Manual,” so that no space need be given to these here, save in a very general way.
The operator should first familiarize himself with the construction and principles upon which the mechanism of his lamp is based. For this purpose he should remove the outer jacket, thus exposing the working mechanism; turn on the current; and endeavor to learn the significance of each part. It is of course necessary that the operator understand the hazards due to manipulating live wires and that he should be very careful not to make short circuits or grounds which might destroy parts of the lamp.
Automatic-feed lamps are usually trimmed in the following manner: Bring the lamp within reach; remove the globe; take out the lower electrode; let[26] down the upper electrode rod and thoroughly clean it with crocus cloth. This upper electrode rod is the principal thing that concerns the lamp trimmer; it must be perfectly straight and care must be exercised not to bend it accidentally; it must be clean so that the clutches may properly grip it; it must not be greasy. If it grows dirty or greasy, it will soon become pitted from the current that passes from the contacts to it.
The next operation is to remove the upper electrode and place it in the lower electrode holder. (The length of electrode necessary should be known. The lower one generally burns out first—it being shorter—and if the arc reaches the lower electrode holder, will begin to consume it; if the lower carbon is too long, the arc is liable to reach the upper electrode holder and destroy it.) The upper electrode may then be placed in position and aligned with the lower. To do this it is best to turn it about and try it until it aligns in all positions. The two electrodes should form a straight line, up and down, no matter which way the upper is turned.
In some forms of enclosed lamps, the clutch grips the electrode direct. In such a case all of the upper electrode must be carefully examined to see that it is straight and free from burs, and that it can pass freely into the opening at the top of the inner globe. The successful operation of enclosed arcs depends upon the confinement of the gas in the inner globe. This globe must, therefore, be kept as tight as possible without interfering with the operation of the electrodes which pass through it.
With enclosed arcs, the care of the inner globe is of great importance, because impurities are cast[27] off which soon coat the inner globe and absorb much of the light.
The care of the outer globes in general is also an important matter. A dirty globe looks very unsightly and absorbs much light.
The following points should be carefully considered in handling and trimming lamps:
(1) Be sure that you understand your system and know whether it is a constant-current or a constant-potential system of distribution. With constant-current systems, the current is constant and the voltage over the arc is regulated; while with constant-potential systems, the voltage is constant and the current through the arc is regulated.
(2) With constant-current or series lamps, the line must never be opened, but must be shunted around the lamp if a lamp is to be cut out.
(3) With constant-potential lamps, the lamp must never be shunted but the circuit must be opened.
(4) In all cases each lamp should be controlled by a double pole switch.
(5) Constant-potential lamps cannot be operated without resistance in the circuit; this resistance may be in the lamp itself or outside.
(6) Never handle high tension lamps without insulating yourself from the ground; and handle live wires only with one hand at a time.
(7) Provide spark arresters for all open-arc lamps in the vicinity of inflammable material.
(8) Never leave a lamp without globes where the wind can strike it. It will be blown out or feed often, thus consuming the electrodes very fast and at the same time yielding a very poor light.
Green light emitted by the lamp will indicate that[28] the electrode holders are burning. Strong shadows cast upwards indicate a lamp burning “upside down”. The positive electrode retains heat longer than the negative. The quality and size of electrodes has much to do with successful operation. Always use the kind of electrodes recommended by the maker of the lamp.
Direct-current arc lamps do not require much in the shape of reflectors as they naturally throw most of the light downward, when the upper electrode is positive. They should as a rule be suspended high.
Alternating-current arc lamps throw most of the light from the upper electrode slightly below the horizontal and that from the lower electrode somewhat above. If the light is wanted in a downward direction, suitable reflectors must be provided.
Testing of Arc Lamps.—The constant-potential arc lamp is usually designed for a certain current and voltage. The enclosed arcs as a rule operate singly on 110 volts, while open arcs are run two in series on the same voltage. In order to test and see that the voltage and current are right, an ammeter and a voltmeter are needed. The current and voltage can both be adjusted by altering the resistance, which is always in series with such lamps. To get the correct voltage over the arc, be sure to connect the voltmeter to the two electrode holders so as to eliminate any other potential drops that may affect the reading.
Testing Carbons.—The color of the light and the steadiness of it can of course only be determined by actual operation tests. The arc obtained by using large electrodes with low current density is liable to rotate around the electrodes, burn unsteadily, and[29] flicker. This is due to the fact that the arc tends to establish itself at the point of least resistance. In order that the arc may burn uniformly, the current density must be great enough to force all of the electrode points into use.
As a rule the best electrode is the one that has the longest range from the low voltage point of hissing to the high voltage point of flaming. With such an electrode the greatest range in light can be obtained without either the hissing or the flaming.
The same qualities that give an electrode long range, as above, also indicate its purity and if we make a test for range, we shall therefore at the same time make a test for purity.
The test for range can be carried out by any ordinary hand-feed lamp. To make it, the electrodes are inserted and allowed to burn until their points have assumed the proper shape. The arc can then be shortened until the familiar hissing sound is heard. Note the voltage at which this occurs, being careful to have the voltmeter connected so as to get the voltage across the arc only. Now separate the electrodes slowly until they begin to flame and note this voltage. Ordinarily the hissing voltage will be about 42 and the flaming voltage about 62. The greater the difference between the two, the better the carbons are assumed to be. In making comparative tests on electrodes in this manner, care should be taken that all of the conditions of current and size of electrodes be the same.
The test for comparative life of electrodes is best made by arranging the different electrodes so that the same current will pass through each for the same length of time. If this is done, all that is[30] necessary is to weigh the electrodes before and after burning. The approximate useful life of an electrode can be easily determined by burning it for a stated length of time, noting the length consumed and comparing it with the length available for burning.
Setting and Adjustment of Carbons.—To project a picture upon a screen properly is an art and requires close study and some knowledge of all the factors involved. The most important factor is that of the light. Electric light is so universally used at the present time that it is hardly necessary to mention the other sources of illumination.
FIGURE 7.
The electric current with which the operator has to deal may be either alternating or direct, and the kind is of great importance. The color of the light obtained from a direct-current arc is not only superior to that obtained from an alternating-current arc but is obtained at a much lower cost since, as we shall presently see, it is so much more efficient.
To project clear white light upon the screen is impossible, some color will always be in it. But by careful attention and by training himself to notice slight degrees of color, the operator can learn to render a light which will be clear enough to satisfy[32] the majority of the spectators. In order to obtain this light, the source from whence it comes should be located exactly in the optical axis of the lens system; that is, a straight line drawn through the center of all of the lenses should pass also directly through the center of the arc as indicated in Figure 7. (For comprehensive treatise on lenses, see Chapter XII.)
Most of the light, we have already seen, is emitted from the crater of an arc of which there is but one in a direct-current arc and two in an alternating current arc. In order to obtain the most light with the least expenditure of current and heat in the lamp house, the crater must be formed in such a manner as to face the center of the condensers as nearly as possible. Since, however, there are always two electrodes and the current must pass from one to the other, the crater always tends to face the lower electrode if the upper one is positive. It is, therefore, impossible to get the full benefit of the light for the condenser; we must be satisfied with getting a part of it, and to do this such settings of electrodes as are shown in Figures 8 to 13 are used. About the relative merits of these various settings there is considerable dispute and the best advice that can be given to any new comer in the operating line is to[33] make his own experiments and find out for himself. The fact that a certain point is much disputed, alone indicates that there is no exact knowledge available; for we very seldom have any differences of opinion about the things that we can prove.
In the operating line very much depends upon the judgment of the operator. Electrode setting like that of Figure 8 may be good for an operator who is extremely careful and has a reliable machine which requires a minimum of attention. But it can readily be seen that if the top electrode were fed a trifle too far forward, the crater would form underneath and the lenses would receive but a small part of the light. Each of the settings given has its peculiarities and it is best for any operator who has not done so, to try them all out and find which one best suits him and his conditions.
Figures 8 to 10 show the settings used with direct-current arcs; while those illustrated by Figures 11 to 13 are used with alternating-current arcs.
With alternating-current arcs the problem is even more difficult than with direct, for we have here two craters to deal with; and if we wish to use the light from both, we shall have to be very careful about it. If the electrodes are not set exactly right,[34] we may get a double spot and poor illumination at the center of the screen. Perhaps most operators will soon give up the idea of using the light of both craters and will settle down to an electrode setting something like that shown in A, Figure 7. In this setting both electrodes are angled and the lower one is set a little ahead of the upper. This has a tendency to draw the crater of the upper electrode forward, thus improving the light on the condenser; but if this be carried too far, the lower electrode will obstruct the lower part of the lens. The lower electrode must always be set so that it allows all parts of the condenser to receive direct rays of light from the crater of the upper. The electrode must align perfectly in the vertical plane as shown in B, Figure 7, or the arc will move while burning.
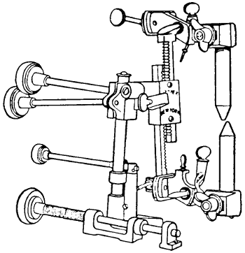
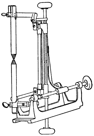
In order to enable the operator to arrange his electrodes at any angle and to bring them into the center of the optical system, arc lamps are made up in various ways as illustrated in Figures 14 to 19. The[35] simpler types are used only in stage lighting lamps where the centering is not so important. The more elaborate lamps are provided for motion picture arc lamps and allow of all necessary adjustments which are: feed electrodes; move lamps forward or back; up or down; sideways and angle electrodes.
Where direct current is used, the upper electrode must be fed approximately twice as fast as the lower; but with alternating current, they both feed at practically the same rate.
FIGURE 14.
Figure 14 shows a form of McIntosh stereopticon lamp.
FIGURE 15.
Figure 15 is a Kliegl lamp for open arc lamps.
FIGURE 16.
Figure 16 is an Edison lamp used for motion picture work.
FIGURE 17.
Figure 17 is a Kliegl lamp used for focusing purposes.
FIGURE 18.
Figure 18 shows the Powers lamp.
FIGURE 19.
Figure 19 shows one of the Motiograph Company lamps.
Optical System.—In Figure 20 we have the complete optical system of the moving picture or stereopticon outfit. The crater of the arc lamp and the center of the objective lens are at the conjugate focal points (see Optics) and must always be in this relation. The size of the picture projected upon the screen is governed entirely by the focal length of the objective lens and the distance of the screen from this lens. The shorter the focal length, the greater will be the bulging out or rounding of the lens, and the larger the picture projected. The objective lens is always fitted with an adjusting device of some kind by which it can be moved forward or back a little to focus the picture properly.
FIGURE 20.
In order to project a picture properly, it is necessary that the center of the arc or other illuminant, the center of the condensers, and the center of the objective, all fall in one straight line as indicated in Figure 20. The condensers are provided for the purpose of gathering and condensing as many of the scattering light rays of the arc lamp as possible and[39] bringing them to bear upon the slide and the objective.
The light used must come either from a reasonably small source or from a larger source far enough away so that the rays can be considered as parallel. The focal point for parallel rays would, however, differ somewhat from that of a point source and such illumination is seldom used; in fact, it is used only where special arrangements are made for it.
One of the principal points to be borne in mind in trying to project a good clear picture is to keep the arc down to as small a point as is practicable. A long arc can be tolerated only when it is absolutely impossible to obtain sufficient illumination from a short arc; as, for instance, in operating the Kinemacolor machines, in which from 80 to 100 amperes are used with a very long arc. The above expedient is imperative because the colored discs through which the light must pass absorb a great amount of it and the definition or outline of the picture is apt to be poor.
The position of the arc with reference to the condensers is also an important point to consider. The focal length of the condensers determines the point at which the arc must be maintained. The flatter the condensers are, the farther away the arc may be, and the less will be the heating; but this position is accompanied with considerable loss of light.
For the purpose of projection we can use only the light which strikes the condensers direct from the arc. Rays reflected by the lamp house do not pass through the condensers in the same direction as those coming directly from the crater and will not focus with them. Hence, the farther the arc is from the[40] condensers, the smaller will be the percentage of light used; the shorter the focal length of the condensers, the closer to them must the arc be maintained, and the greater will be the percentage of light used. But if the light is brought too close, there will be undue heating of the condensers and these, especially the one nearest the light, will be likely to break. So great is the heat produced that sometimes the two lenses are partially melted and welded together. This is a frequent occurrence in cases where very heavy currents are used. It must be recalled that the heat produced is proportional to the square of the current and that other things being equal, 80 amperes would produce four times the heat of 40 amperes.
Condenser breakage is quite an important subject and one upon which there is much argument among operators. Many of the theories held are, however, not plausible enough to merit mention. The principal cause is no doubt overheating without allowing sufficient room for expansion in the setting. No lens should ever be set so that it does not move freely even while it is hot. Even if free while cold, the expansion, where the heating is great, may be sufficient to tighten it in the casing, and this is likely to cause breakage. The best methods of preventing heating are: a large lamp house well ventilated and condensers of such focal length as to allow the arc to be maintained at some distance from them. Drafts of air are often given as the cause of breakage, but the truth of this is rather problematical. There is no doubt that sudden contraction, due to rapid cooling, would have a strong tendency to break them; but the air in operating rooms is not often cold and[41] is not likely to strike the lens anyway. It must be noted that it is usually the inner lens, which is ordinarily enclosed, that breaks.
FIGURE 21.
In the projection of moving pictures there are two important points that must always be considered. (1) the size of the spot on the gate at which the film appears, and (2) the clearness of the field or light on the screen. By properly adjusting the arc, we can make the spot any size we desire; and the smaller we make it, so long as it covers the whole aperture, the brighter the light will be. But if we make this spot too small, we shall bring in the fringe of color which always appears at the outer edge. Color of this kind is objectionable and must be avoided as much as possible; but it is not necessary to go to extremes. A little coloring will not be noticed by the audience and will therefore not be objectionable. With a given system there will thus be a certain size of spot which gives the best results obtainable. Considering that if the spot is increased in size, the light becomes clearer but also less intense; and that if the spot is decreased in size, the light on the screen, though more brilliant, is liable to show coloring, a good operator should practice distinguishing the coloring and make himself as proficient in this art as possible.[42] The customary proportions of spot and aperture are shown in Figure 21.
Coloring appears, however, from another cause also, viz., improper centering or adjustment of the arc lamp with reference to the condensers. If the arc is not properly adjusted, bands of color such as are indicated in Figure 22 may appear in any of the positions shown. This is commonly spoken of as the “ghost”, and it must be eliminated. It is not possible to get rid of it entirely, but by a little skill, patience, and experience, it can be reduced to a negligible amount. When the spot is right and the screen clear, the picture may be focused by adjusting the objective lens.
FIGURE 22.
To focus sharply, it is advisable to move the lens in one direction until the picture appears a trifle blurred; then move it in the opposite direction until at this point there is also a blurred picture. The[43] exact focus will be at a point half way between the two. To focus the lens in this manner is important where the slide or film has some play, as when the aperture plate on a machine is worn and allows the film some movement.
Current Required.—The measurement of the candle power of arc lamps has never been satisfactorily taken, and the difficulties encountered in determining it for a projecting arc are especially great because only a small part of the total light can be utilized and this is constantly varying. The light may, however, be assumed as proportional to the wattage of the arc, hence, we can best judge it by noting the volts and amperes. Where a very strong light is desirable, the arc is usually drawn out to some length; and as there is a rise in voltage, with a long arc, in such a case, the light increases at a greater rate than the amperage. In ordinary projection work, the arc is kept quite short because of the better definition obtainable by the use of such an arc; and we may assume that the light obtained is nearly directly proportional to the amperage. This relation of light and the current input to the lamp will be practically correct, especially if the size of the electrodes chosen is proportional to the amperage.
Current Required for Projecting.—The value of the current to be used for projection is a matter of some dispute among operators and probably much of this is caused by the absence of ammeters, most operators merely guessing at what they are using, or being guided by markings of rheostats or compensators. In most cases something like 40 amperes seems to be the rule.
In order to give the reader a clear understanding[44] of the theoretical requirements, Table I has been prepared. This table is not intended to act as an accurate guide, but merely to show the amperage theoretically required with different sized pictures, to bring about the same illumination in each case.
TABLE I.
CURRENT REQUIRED FOR DIFFERENT SIZE PICTURES.
| Greatest Dimension of Picture in feet. |
Area Illuminated. |
Amperes | |
|---|---|---|---|
| Direct Current. |
Alter- nating Current. |
||
| 5 | 39 | 8 | 12 |
| 6 | 56 | 11 | 16 |
| 7 | 77 | 15 | 22 |
| 8 | 100 | 20 | 30 |
| 9 | 127 | 25 | 37 |
| 10 | 157 | 31 | 45 |
| 11 | 189 | 38 | 57 |
| 12 | 224 | 45 | 67 |
| 13 | 260 | 52 | 78 |
| 14 | 307 | 60 | 90 |
Two errors are very common in the computation of the light intensity for a given picture: (1) the length of throw governs the amperage; and (2) the amperage depends upon the actual space to be illuminated. Apparently only an oblong square of exactly the proportions of the aperture in the machine is illuminated, but in reality the light must be spread out so that its total illumination covers a circle enclosing the actual visible picture. This is illustrated in Figure 23 where the enclosed oblong square represents the space illuminated on the screen and the circle represents the area over which the light must be spread. The portion shown by shading is nearly equal to the clear portion and shows that half of the light is wasted since it is blocked out by the cooling plate in the machine or the framework of the slides. With increasing size of picture, the light is, however,[45] diminished in proportion to the area of the circle and not in proportion to the area of the picture. If, for instance, the picture were to retain its width and be reduced in height by one half, or even more, there would still be about the same quantity of illumination required. For this reason we have, in Table I, given only the maximum dimension of the picture and have based the amperage calculation upon the area of the circle which encloses the picture.
FIGURE 23.
The values given are less than are generally used for small pictures and more than are generally used for large pictures. As a rule much light is wasted on small pictures because the apparatus is at hand to deliver it; with large pictures, the illumination is often poor because transformers and rheostats are seldom fitted to deliver more than 60 amperes. Much light can easily be wasted if the picture is made too bright. In such a case, much of the light is reflected back to the auditorium and this in turn makes the picture appear less bright.
In determining the amperage necessary to show a picture properly, the following conditions must be borne in mind, any one of which may appreciably affect the result:
(1) Nature of Screen.—A good screen will reflect more light than a poor one.
(2) Size of Picture.—The larger the picture, the more light will be required.
(3) Character of Film.—Some films are very dark and require extra illumination.
(4) House Illumination.—In some cities the law requires fairly bright illumination of auditoriums and this makes the picture appear less bright.
(5) Atmosphere.—Where the air is full of dust, or where smoking is allowed; much light will be absorbed.
(6) Lenses.—Some lenses are badly discolored and absorb much light.
(7) Electrodes and Electrode Setting.—This is a very important factor and one which a good operator will never neglect.
Selection of Lenses.—Upon the proper selection of lenses depends very much the quality of the picture. The size of the picture, under given circumstances, depends entirely upon the focal length of the objective. With a given distance between lens and screen there is practically but one size of picture obtainable. If we wish to obtain a picture of another size by the use of the same lens, this can be done only by sacrificing the definition and had better not be attempted.
Very large pictures are desirable only in large halls in which portions of the audience are very far from the screen. Such a picture requires very much light and, on account of its size, shows many imperfections to those who sit in the front rows. It is better to limit the size of the picture to one which can be easily illuminated, and thus avoid such imperfections.
TABLE II.
MOTION PICTURE LENSES.
TABLE SHOWING SIZE OF SCREEN IMAGE WHEN MOVING-PICTURE
FILMS ARE PROJECTED.
| Size of Mat opening 11-16 × 15-16 inch. | |||||||||||||||||||||||||||
| E.E. In. |
15 ft. |
20 ft. |
25 ft. |
30 ft. |
35 ft. |
40 ft. |
45 ft. |
50 ft. |
60 ft. |
70 ft. |
80 ft. |
90 ft. |
100 ft. |
||||||||||||||
|---|---|---|---|---|---|---|---|---|---|---|---|---|---|---|---|---|---|---|---|---|---|---|---|---|---|---|---|
| 2 | 1⁄8 | 4. | 8 | 6. | 4 | 8. | 0 | 9. | 6 | 11. | 3 | 12. | 9 | 14. | 5 | 16. | 1 | ... | ... | ... | ... | ... | |||||
| 6. | 5 | 8. | 7 | 11. | 0 | 13. | 2 | 15. | 4 | 17. | 6 | 19. | 8 | 22. | 0 | ... | ... | ... | ... | ... | |||||||
| 2 | 1⁄2 | ... | 5. | 4 | 6. | 8 | 8. | 2 | 9. | 6 | 10. | 9 | 12. | 3 | 13. | 7 | 16. | 4 | ... | ... | ... | ... | |||||
| ... | 7. | 4 | 9. | 3 | 11. | 2 | 13. | 1 | 14. | 9 | 16. | 8 | 18. | 7 | 22. | 4 | ... | ... | ... | ... | |||||||
| 3 | ... | 4. | 5 | 5. | 7 | 6. | 8 | 8. | 0 | 9. | 1 | 10. | 3 | 11. | 4 | 13. | 7 | 16. | 0 | ... | ... | ... | |||||
| ... | 6. | 2 | 7. | 7 | 9. | 3 | 10. | 9 | 12. | 4 | 14. | 0 | 15. | 6 | 18. | 7 | 21. | 8 | ... | ... | ... | ||||||
| 3 | 1⁄2 | ... | ... | 4. | 9 | 5. | 8 | 6. | 8 | 7. | 8 | 8. | 8 | 9. | 8 | 11. | 7 | 13. | 7 | 15. | 7 | ... | ... | ||||
| ... | ... | 6. | 6 | 8. | 0 | 9. | 3 | 10. | 6 | 12. | 0 | 13. | 3 | 16. | 0 | 18. | 7 | 21. | 4 | ... | ... | ||||||
| 4 | ... | ... | 4. | 2 | 5. | 1 | 6. | 0 | 6. | 8 | 7. | 7 | 8. | 5 | 10. | 3 | 12. | 0 | 13. | 7 | 15. | 4 | ... | ||||
| ... | ... | 5. | 8 | 7. | 0 | 8. | 1 | 9. | 3 | 10. | 5 | 11. | 6 | 14. | 0 | 16. | 3 | 18. | 7 | 21. | 0 | ... | |||||
| 4 | 1⁄2 | ... | ... | ... | 4. | 5 | 5. | 3 | 6. | 2 | 6. | 8 | 7. | 7 | 9. | 1 | 10. | 6 | 12. | 2 | 13. | 7 | 15. | 4 | |||
| ... | ... | ... | 6. | 2 | 7. | 2 | 8. | 4 | 9. | 3 | 10. | 5 | 12. | 4 | 14. | 5 | 16. | 6 | 18. | 7 | 21. | 0 | |||||
| 5 | ... | ... | ... | ... | 4. | 8 | 5. | 4 | 6. | 1 | 6. | 8 | 8. | 2 | 9. | 6 | 10. | 9 | 12. | 3 | 13. | 7 | |||||
| ... | ... | ... | ... | 6. | 5 | 7. | 4 | 8. | 4 | 9. | 3 | 11. | 2 | 13. | 0 | 14. | 9 | 16. | 8 | 18. | 7 | ||||||
| 5 | 1⁄2 | ... | ... | ... | ... | 4. | 3 | 4. | 9 | 5. | 6 | 6. | 2 | 7. | 4 | 8. | 7 | 9. | 9 | 11. | 2 | 12. | 4 | ||||
| ... | ... | ... | ... | 5. | 9 | 6. | 7 | 7. | 6 | 8. | 4 | 10. | 2 | 11. | 9 | 13. | 6 | 15. | 3 | 17. | 0 | ||||||
| 6 | ... | ... | ... | ... | ... | 4. | 5 | 5. | 1 | 5. | 7 | 6. | 8 | 8. | 0 | 9. | 1 | 10. | 3 | 11. | 4 | ||||||
| ... | ... | ... | ... | ... | 6. | 2 | 7. | 0 | 7. | 7 | 9. | 3 | 10. | 9 | 12. | 4 | 14. | 0 | 15. | 6 | |||||||
| 6 | 1⁄2 | ... | ... | ... | ... | ... | ... | 4. | 7 | 5. | 2 | 6. | 3 | 7. | 3 | 8. | 4 | 9. | 6 | 10. | 6 | ||||||
| ... | ... | ... | ... | ... | ... | 6. | 4 | 7. | 1 | 8. | 6 | 10. | 0 | 11. | 4 | 13. | 0 | 14. | 5 | ||||||||
| 7 | ... | ... | ... | ... | ... | ... | 4. | 4 | 4. | 9 | 5. | 8 | 6. | 8 | 7. | 8 | 8. | 8 | 9. | 8 | |||||||
| ... | ... | ... | ... | ... | ... | 6. | 0 | 6. | 6 | 8. | 0 | 9. | 3 | 10. | 6 | 12. | 0 | 13. | 3 | ||||||||
| 7 | 1⁄2 | ... | ... | ... | ... | ... | ... | ... | 4. | 5 | 5. | 4 | 6. | 4 | 7. | 3 | 8. | 2 | 9. | 1 | |||||||
| ... | ... | ... | ... | ... | ... | ... | 6. | 2 | 7. | 4 | 8. | 7 | 10. | 0 | 11. | 2 | 12. | 3 | |||||||||
| 8 | ... | ... | ... | ... | ... | ... | ... | ... | 5. | 1 | 6. | 0 | 6. | 8 | 7. | 7 | 8. | 5 | |||||||||
| ... | ... | ... | ... | ... | ... | ... | ... | 7. | 0 | 8. | 1 | 9. | 3 | 10. | 5 | 11. | 6 | ||||||||||
Example: With a lens of 51⁄2 inch focus at a distance of 35 ft. the screen image will be 4.3×5.9; at 40 ft., 4.9×6.7; at 45 ft., 5.6×7.6; etc.
Note: When ordering lenses, give size of picture wanted, and distance from machine to screen.
TABLE III.
STEREOPTICON LENSES.
TABLE SHOWING SIZE OF SCREEN IMAGE WHEN LANTERN
SLIDES ARE PROJECTED.
| Size of Mat opening 23⁄4 × 3 inches. | |||||||||||||||||||||||||||
| E.F. In. |
15 ft. |
20 ft. |
25 ft. |
30 ft. |
35 ft. |
40 ft. |
45 ft. |
50 ft. |
60 ft. |
70 ft. |
80 ft. |
90 ft. |
100 ft. |
||||||||||||||
|---|---|---|---|---|---|---|---|---|---|---|---|---|---|---|---|---|---|---|---|---|---|---|---|---|---|---|---|
| 5 | 8. | 0 | 10. | 8 | 13. | 5 | 16. | 3 | 19. | 0 | ... | ... | ... | ... | ... | ... | ... | ... | |||||||||
| 8. | 8 | 11. | 8 | 14. | 8 | 17. | 8 | 20. | 8 | ... | ... | ... | ... | ... | ... | ... | ... | ||||||||||
| 5 | 1⁄2 | 7. | 3 | 9. | 8 | 12. | 3 | 14. | 8 | 17. | 3 | 19. | 8 | ... | ... | ... | ... | ... | ... | ... | |||||||
| 7. | 9 | 10. | 7 | 13. | 4 | 16. | 1 | 18. | 8 | 21. | 6 | ... | ... | ... | ... | ... | ... | ... | |||||||||
| 6 | 6. | 6 | 8. | 9 | 11. | 2 | 13. | 5 | 15. | 8 | 18. | 1 | 20. | 4 | ... | ... | ... | ... | ... | ... | |||||||
| 7. | 3 | 9. | 8 | 12. | 3 | 14. | 8 | 17. | 3 | 19. | 8 | 22. | 3 | ... | ... | ... | ... | ... | ... | ||||||||
| 6 | 1⁄2 | 6. | 1 | 8. | 2 | 10. | 4 | 12. | 5 | 14. | 6 | 16. | 7 | 18. | 8 | ... | ... | ... | ... | ... | ... | ||||||
| 6. | 7 | 9. | 0 | 11. | 3 | 13. | 6 | 15. | 9 | 18. | 2 | 20. | 5 | ... | ... | ... | ... | ... | ... | ||||||||
| 7 | 5. | 7 | 7. | 6 | 9. | 6 | 11. | 6 | 13. | 5 | 15. | 5 | 17. | 5 | 19. | 4 | ... | ... | ... | ... | ... | ||||||
| 6. | 2 | 8. | 3 | 10. | 5 | 12. | 6 | 14. | 8 | 16. | 9 | 19. | 0 | 21. | 2 | ... | ... | ... | ... | ... | |||||||
| 7 | 1⁄2 | 5. | 3 | 7. | 1 | 8. | 9 | 10. | 8 | 12. | 6 | 14. | 4 | 16. | 3 | 18. | 1 | ... | ... | ... | ... | ... | |||||
| 5. | 8 | 7. | 8 | 9. | 8 | 11. | 8 | 13. | 8 | 15. | 8 | 17. | 8 | 19. | 8 | ... | ... | ... | ... | ... | |||||||
| 8 | ... | 6. | 6 | 8. | 4 | 10. | 1 | 11. | 8 | 13. | 5 | 15. | 2 | 17. | 0 | 20. | 4 | ... | ... | ... | ... | ||||||
| ... | 7. | 3 | 9. | 1 | 11. | 0 | 12. | 9 | 14. | 8 | 16. | 6 | 18. | 5 | 22. | 3 | ... | ... | ... | ... | |||||||
| 8 | 1⁄2 | ... | 6. | 2 | 7. | 9 | 9. | 5 | 11. | 1 | 12. | 7 | 14. | 3 | 16. | 0 | 19. | 2 | ... | ... | ... | ... | |||||
| ... | 6. | 8 | 8. | 6 | 10. | 3 | 12. | 1 | 13. | 9 | 15. | 6 | 17. | 4 | 20. | 9 | ... | ... | ... | ... | |||||||
| 9 | ... | 5. | 9 | 7. | 4 | 8. | 9 | 10. | 5 | 12. | 0 | 13. | 5 | 15. | 1 | 18. | 1 | 21. | 1 | ... | ... | ... | |||||
| ... | 6. | 4 | 8. | 1 | 9. | 8 | 11. | 4 | 13. | 1 | 14. | 8 | 16. | 4 | 19. | 8 | 23. | 1 | ... | ... | ... | ||||||
| 9 | 1⁄2 | ... | 5. | 6 | 7. | 0 | 8. | 5 | 9. | 9 | 11. | 4 | 12. | 8 | 14. | 2 | 17. | 1 | 20. | 0 | ... | ... | ... | ||||
| ... | 6. | 1 | 7. | 6 | 9. | 2 | 10. | 8 | 12. | 4 | 14. | 0 | 15. | 5 | 18. | 7 | 21. | 9 | ... | ... | ... | ||||||
| 10 | ... | 5. | 3 | 6. | 6 | 8. | 0 | 9. | 4 | 10. | 8 | 12. | 2 | 13. | 5 | 16. | 3 | 19. | 0 | 21. | 8 | ... | ... | ||||
| ... | 5. | 8 | 7. | 3 | 8. | 8 | 10. | 3 | 11. | 8 | 13. | 3 | 14. | 8 | 17. | 8 | 20. | 8 | 23. | 8 | ... | ... | |||||
| 12 | ... | ... | 5. | 5 | 6. | 6 | 7. | 8 | 8. | 9 | 10. | 1 | 11. | 2 | 13. | 5 | 15. | 8 | 18. | 1 | 20. | 4 | ... | ||||
| ... | ... | 6. | 0 | 7. | 3 | 8. | 5 | 9. | 8 | 11. | 0 | 12. | 3 | 14. | 8 | 17. | 3 | 19. | 8 | 22. | 3 | ... | |||||
| 14 | ... | ... | ... | 5. | 6 | 6. | 6 | 7. | 6 | 8. | 6 | 9. | 6 | 11. | 6 | 13. | 5 | 15. | 5 | 17. | 5 | 19. | 4 | ||||
| ... | ... | ... | 6. | 2 | 7. | 3 | 8. | 3 | 9. | 4 | 10. | 5 | 12. | 6 | 14. | 8 | 16. | 9 | 19. | 0 | 21. | 2 | |||||
| 16 | ... | ... | ... | ... | 5. | 8 | 6. | 6 | 7. | 5 | 8. | 4 | 10. | 1 | 11. | 8 | 12. | 5 | 15. | 2 | 17. | 0 | |||||
| ... | ... | ... | ... | 6. | 3 | 7. | 3 | 8. | 2 | 9. | 1 | 11. | 0 | 12. | 9 | 14. | 8 | 16. | 6 | 18. | 5 | ||||||
| 18 | ... | ... | ... | ... | 5. | 1 | 5. | 9 | 6. | 6 | 7. | 4 | 8. | 9 | 10. | 5 | 12. | 0 | 13. | 5 | 15. | 1 | |||||
| ... | ... | ... | ... | 5. | 6 | 6. | 4 | 7. | 3 | 8. | 1 | 9. | 8 | 11. | 4 | 13. | 1 | 14. | 8 | 16. | 4 | ||||||
| 20 | ... | ... | ... | ... | ... | 5. | 3 | 6. | 0 | 6. | 6 | 8. | 0 | 9. | 4 | 10. | 8 | 12. | 2 | 13. | 5 | ||||||
| ... | ... | ... | ... | ... | 5. | 8 | 6. | 5 | 7. | 3 | 8. | 8 | 10. | 3 | 11. | 8 | 13. | 3 | 14. | 8 | |||||||
| 22 | ... | ... | ... | ... | ... | ... | 5. | 4 | 6. | 0 | 7. | 3 | 8. | 5 | 9. | 8 | 11. | 0 | 12. | 3 | |||||||
| ... | ... | ... | ... | ... | ... | 5. | 9 | 6. | 6 | 7. | 9 | 9. | 3 | 10. | 7 | 12. | 0 | 13. | 4 | ||||||||
| 24 | ... | ... | ... | ... | ... | ... | ... | 5. | 5 | 6. | 6 | 7. | 8 | 8. | 9 | 10. | 1 | 11. | 2 | ||||||||
| ... | ... | ... | ... | ... | ... | ... | 6. | 0 | 7. | 3 | 8. | 5 | 9. | 8 | 11. | 0 | 12. | 3 | |||||||||
Example: With lens of 10-inch focus at a distance of 20 ft. the screen image will be 5.3×5.8; at 25 ft., 6.6×7.3; at 30 ft., 8.0×8.8; at 50 ft., 13.5×14.8.; etc.
Table II shows the size of picture obtainable from films, and Table III, the size obtainable from lantern slides. Since the slide pictures must be shown upon the same screen as the film, it can be seen from the tables that lenses of different focal length must be used for the two. The aim should be to get the two pictures to match as nearly as possible, but as they are not of the same proportions, it is impossible to match them exactly in both directions. The nearest approximation that can be brought about by standard lenses is illustrated in Figure 24. The heavy lines show the dimension of the picture projected through the film, and the light and dotted lines show the dimensions obtainable by the use of slides. If the slide picture is matched to the height of the film, it will be considerably narrower; if it is matched to the sides, it will be considerably higher. It would of course be possible to trim down slides so that the dimensions of the two pictures would be exactly alike; but as most all stereopticon slides belong to traveling actors this is not practicable.
FIGURE 24.
If the focal length of a lens is not known, it can easily be measured by focusing some distant object, an incandescent lamp for instance, against the wall of a room or against some screen placed upon a table[50] as shown in Figure 25. In the case of a single plano-convex lens, the measurements must be made from both sides—first one side turned toward the light, and then the other. There will always be some difference between the two measurements and we must take the mean of the two. To get the measurement accurately, place a rule upon a table and set up some suitable object upon which the picture can be projected. Turn the flat side of the lens toward the screen and focus some distant object by moving the lens to a point at which the object selected will appear clearly upon the screen. Note the distance of the flat side of the lens from the picture. Now turn the lens half way around and focus again in the same manner, noting this distance also. Add the two measurements and divide by two; this will give the focal length of the lens. In the case of an objective lens, we must turn the side which bulges out most toward the screen and focus in the same manner.
FIGURE 25.
With the objective lens we have two possible focal lengths to consider. If we measure from the center of the lens to the screen, we shall obtain what is called the equivalent focal length (usually abbreviated E.F. or e.f.). If, instead, we take measurements from the face of the lens nearest the screen, we shall obtain what is termed the back focus, or[51] b.f., of the lens. In all cases it is important, when ordering, to state which of the two is meant.
Lenses may also be tested for chromatic and spherical aberration. Chromatic aberration is the fault of showing colors unduly. It is impossible to avoid a fringe of color when using only a single lens, but where we have a complete optical system, consisting of two condensers and an objective, it must be possible to adjust the combination so that practically no color is visible. Spherical aberration is best tested for by laying out very accurately, as in Figure 26, a set of small squares upon some material that will not be damaged by the heat of the lamp—mica for instance—and projecting this upon the screen. If the lenses are all good, the lines will all appear square; if the lenses are poor, the lines will appear curved a little, or perhaps considerably.
FIGURE 26.
The diameter of the ordinary condenser lens is 41⁄2 inches. Smaller lenses than this cannot well be used because they would not cover the diagonal of lantern slides. A very common focal length of condenser is 61⁄2 inches. There is no very accurate relation necessary between the focal length of condenser and objective. There is considerable difference of opinion on this subject and much of it is induced by the possibility of condenser breakage which is increased[52] by using condensers of short focal length, but in this case, as in many others, the operator must find out by his own experiments.
A very good plan—since, on account of breakage, extra lenses must be carried anyway—is to carry two 71⁄2-inch and two 61⁄2-inch condensers and experiment with these. The two of the same diameters may be tried together and also those of different focal lengths, using the one of shorter focal length either in front of or behind the other.
Before starting to work about the lamp, be sure the switch is off.
See that the lamp house is clean and spark tight.
The gauze provided at the top must be kept free from dirt and carbon ash, or the house itself may get too hot.
The house should be of such dimensions, relative to the length of electrodes used, that the latter cannot touch either at the top or bottom and thus ground the circuit on the lamp house and possibly burn a hole in it.
See that your lamp mechanism is well aligned so that electrodes center at all positions.
All of the screws and adjustments should be well lubricated frequently. The heat in the lamp house soon evaporates all lubrication.
Where lamps are used much and carry heavy currents, the leading in wires will probably need reconnecting about once a week. It is best to reconnect them some time before they burn off rather than be obliged to do this during a show.
See that your polarity is right. With direct current,[53] the upper electrode will retain its heat longer than the lower if connections are made properly. With alternating current the polarity is immaterial.
Always point your electrodes, especially the lower. If the lower electrode is not pointed, it will interfere with the light of the crater.
The recommendations for sizes of upper and lower electrodes vary somewhat but run mostly to 5⁄8 inch for upper and 1⁄2 inch for lower. The size depends very much upon the current used. If the electrodes are too large, the arc will travel around the outside and yield a poor and uneven light.
Always use cored carbons for alternating current.
The best length for electrodes is about 6 inches, if they do not strike the lamp house.
Notch the carbon electrode a little before attempting to break it off.
Many operators are in the habit of watching the arc, opening the lamp-house door to look at it. Not only is this injurious to the eyes but it also interferes with proper judgment of the illumination of the picture. A better way is to punch a very small hole in the lamp house exactly opposite the arc. Over this opening a lens may be placed, and a picture of the arc may be thrown against a wall or screen set up for that purpose. A picture of the arc is also obtainable in another way: If the lamp is once set exactly right, a cross may be painted at the proper place on the screen which will indicate the exact point where the arc should be maintained. The arc will of course appear inverted. Another method of keeping the arc always in view without inconvenience consists in arranging a small mirror, at an angle to[54] the peep glass in the door, so that it will reflect the arc towards the operator.
An adjustable resistance should always be kept in reach so that the current may be varied to suit different films or stereopticon lamps.
Keep your hands as free from carbon dust as possible. This dust is responsible for much damage to films.
Strictly speaking there are no pictures of motion. What we see as such is simply an optical illusion. This illusion is produced by presenting a series of pictures of an object in a systematic manner, each picture showing some slight change from the preceding one. If these changes be all in a certain direction and brought before our eyes in regular order, we shall perceive the appearance of motion in that direction. Such pictures may be made by means of photography.
A very simple form of motion picture is made up in the form of a small book containing a number of leaves that may be run off under the finger of the holder. If these leaves contain such a series of pictures as is mentioned above, the holder, on manipulating them properly, will see motion reproduced quite naturally.
FIGURE 27.
The manner in which the illusion of motion is produced can perhaps best be illustrated by Figure 27. Here we have an ordinary film, or it may be any piece of white paper, upon which are drawn a series of black dots as shown. If this film—the observer being able to see only that part in the aperture A—be drawn downward the length of one section very quickly; allowed to rest a moment; then, in the same manner, be drawn down another section; and this process repeated at proper speed, until the full length of the film has passed the aperture, we shall have received the impression that the black dot moved from[56] the lower left-hand corner to the upper right-hand corner of the aperture. In order that such an illusion might be perfect, we should have to move the film so rapidly that the eye would not perceive the movement. This is not possible except with very weak illumination and we should actually, in the above experiment, receive a blurred impression, because we could not help seeing the dots while they were moving, and our eyes would behold a mixture of stationary and moving dots. In order to produce the impression of perfect motion, it is necessary to shut off the light during the time that the film is actually in motion. Thus, paradoxical as it may seem, in order to simulate motion, we must have the object which is to appear in motion always perfectly still before our eyes.
In order that we may not notice that the film is out of sight, it must be moved very quickly. The actual time during which the picture on the average film is hidden from view, and in which the picture is changed, is about 1⁄80th of a second and the time during which the picture is stationary is about 4⁄80th of a second.
The possibility of the illusion of motion pictures depends upon a faculty of the eye known as persistence of vision. The eye retains an impression for something like 1⁄25th of a second. When an object[57] is in motion, we see, therefore, not only one position of the object but all positions of it during the time of persistence of vision. This time varies somewhat with the intensity of the light or the impression made upon the eye. If it is equal to 1⁄25th of a second in the case of a ball thrown at the rate of one hundred feet per second, then we should see, instead of one ball, a large number of balls merging imperceptibly into one another, or, in other words, a streak of balls four feet long. Thus, in actual life, we obtain from the moving ball but a blurred impression.
We see thus that in order to produce the impression of motion, we must present the picture to the eye long enough to stimulate it properly; we must very quickly remove that picture and substitute another differing to a slight extent from the former; and we must repeat this process a number of times. The ordinary moving picture film contains 16 pictures per foot, and is run off at the rate of about 60 feet per minute, so that in one minute, we see 960 different pictures.
In order to make motion visible, we must bring it within a certain speed limit. Thus, to show the motion of a swiftly thrown ball in detail, we must make it appear to move more slowly than it really does; and to show the development of a growing plant, it must appear to grow much faster than it actually does. Both of these requirements can easily be fulfilled by the motion picture camera and the projecting machine.
A man, walking at the rate of three miles an hour, displaces himself about three inches during the time of the exposure of one picture, or 1⁄16th of a second. At this rate we obtain the impression of even[58] and continuous motion unless he be too close to the camera. In order to obtain pictures of other objects moving at faster or slower rates, we must take them at intervals in order that the displacement between pictures will be about the same or at least not any more. This means that pictures of rapidly moving objects must be taken at short intervals and those of slowly moving objects, at long intervals. A kernel of corn develops into a stalk six feet high in about ninety days. If a photograph of this is taken every day during its growth and these pictures arranged in proper order, they will be run off at normal speed in less than six seconds, thus showing us in six seconds the growth which actually takes place in ninety days.
The motion picture camera enables us not only to produce the illusion of motion, but to see in detail what actually takes place in connection with the moving object at any instant. If we take pictures of a running horse, for instance, at short enough intervals, we shall be able to see, on the films, just how he holds or places his feet or any other part of his body at any time.
In order to obtain a perfect picture simulating motion, we must present the first picture long enough to stimulate the eye; then we must shut off the light, remove the first picture, and substitute the second; remove the second and substitute the third, etc., as long as desired. During the time that the light is shut off, the first picture must persist in our vision until the new one has appeared. The two pictures thus mix until the first one has faded, and thus we obtain the illusion of motion.
If the bright picture remains too long, the pupil[59] contracts—as explained in the chapter on Optics—and when next the light is shut off, the darkness is noticeable and gives rise to the disagreeable phenomenon of flicker. In order to prevent this over-stimulation of the eye, the long period of exposure is interrupted by a shutter at least once and, in some cases, two times; and some machines are equipped with a three-blade shutter. This three-blade shutter has a wide blade which shuts off the light while the film is in motion and two narrower blades which pass across the light during the time that the film is stationary, to prevent the over-stimulation of the eye.
Colored Pictures.—There are two general methods of producing colored motion pictures: One is that of hand coloring or tinting, and the other is what is known as the Kinemacolor process. In the latter process, no color whatever is used on the film; the coloring is supplied by a shutter with a green and a red blade which are alternately thrust into the light by which the picture is projected upon the screen.
In order that this process may be used, the film pictures must first be taken through screens of corresponding color. The film in the Kinemacolor camera, or projecting machine, must run at more than double the speed of that which is used in the ordinary process; and each alternate picture must be photographed through a red screen; the others, through a green screen.
The red screen will allow only red light to pass; hence, any part of an object that contains no red will not affect the photographic emulsion. Similarly, the green screen will allow only green light to pass; and such parts of the objects as contain no green will not affect the emulsion. The alternate sections[60] of film will thus be entirely different from each other.
In order to reproduce the original color of the object upon the screen, it is but necessary to arrange that the pictures shall in turn be projected through the same or similar color screens. In order to accomplish this, the Kinemacolor machine has, in addition to the regular shutter which cuts off the light during the time the film is in motion, an additional two-wing shutter which inserts the properly colored screens before each picture, as it comes to a standstill in the film window. Thus we see in alternation, a red picture and a green. Persistence of vision, which is explained in Chapter IX, helps us to mix the two colors and we see the object approximately in its own colors.
The color effect is not very good, owing partly to the fact that only two colors are used. If the three primary colors—red, blue, and yellow—could be used, the effect would doubtless be better; but the complications would be multiplied.
In order to get the best results with the Kinemacolor process, colors of a certain shade are used and the size and depth of coloring in the two shutters is variable. One of the colors is adjustable and must be so arranged that when the machine is run without film, it will throw approximately white light upon the screen. The high speed with which the film must be run makes it impossible to turn the machine by hand and it is always motor-driven.
The colored shutters are constantly in the light and absorb a large portion of it and this must be compensated for by an extraordinary high amperage. This process requires more than two times as much current as the ordinary projection of black and[61] white pictures. In order to obtain the greatest possible amount of light, operators usually run a very long arc and this often results in imperfect definition.
In arranging for an exhibition, it is important that the film and the colored screens be correctly placed with reference to each other; to facilitate this, an identifying mark is placed on the side of one of the colors.
A diagrammatic sketch of the essentials of a good motion picture machine is given in Figure 28. This does not represent any machine in particular and no machine exactly like it will be found; it does, however, show the theoretical elements necessary to the projection of motion pictures and the usual safety devices with which standard machines are provided. As a variation from Figure 28, the exact method of threading the film through the Edison machine is given in Figure 29. In Figure 28, the parts are designated as follows:
FIGURE 28.
FIGURE 29.
In addition to the above, there are the gearing and the belting which transmit motion to the various sprockets and drums shown. The whole function of the machine, however, is the proper moving of the film along the lines indicated in the figure, the heavy black line representing the film. The film is unwound from the upper reel by the upper steady feed sprocket D. After forming the upper loop F, it passes over G, through the film gate H, to the intermittent sprocket L. This sprocket moves the film by an[65] intermittent motion allowing the film to remain stationary in the light for about four-eightieths of a second and shifting it during about one-eightieth of a second. After leaving the intermittent sprocket, the film forms the lower loop and then passes to the lower steady feed sprocket, which prevents the take-up from pulling the loop away from the intermittent sprocket. The object of the upper and lower loops is to lighten the work of the intermittent sprocket as much as possible by making it unnecessary to move anything but the film between the two loops.
FIGURE 30.
All of the sprockets and the shutter K are connected together by a train of gears (see Figure 30, which is the gearing of the Motiograph machine) and when properly adjusted they all work in proper relation[66] to each other. The upper steady-feed sprocket feeds just as much film into the upper loop as the intermittent sprocket takes away; while the lower steady-feed sprocket takes away just as much as the intermittent sprocket feeds to it. The film is unwound from the upper reel and rewound upon the lower; but before it is used again, it must be rewound from the lower reel upon another one. If it were to be exhibited from the lower reel without this rewinding, the pictures would be exhibited backwards.
A—Upper, or Feed Reel.—The feed reel is usually either 10 or 12 inches in diameter. A 10-inch reel accommodates 1,000 feet of film and a 12-inch reel, about 2,000 feet. The reel fits loosely upon bearings in the upper magazine and the film is unwound from the reel, which revolves, by the upper steady-feed sprocket. To prevent its unwinding more film than is wanted, a small spring is arranged to cause a slight friction. It is best to keep good reels in the operating room for use as feed reels. A reel to be used for this purpose should be perfectly true and in good order; reels sent out from the exchanges are often bent or have loose parts which cause trouble. A good operator will keep a supply of good reels always on hand.
B—Upper Magazine.—The upper magazine is a steel box made up without solder and fitted with a steel door on the crank side of the machine. It exists for the purpose of protecting the film against fire or injury from other causes. It is important that the door be kept closed for, without this precaution, there is no fire protection. In some cities, it is required[67] that the door be provided with spring hinges to keep it closed, but it is doubtful whether this is a wise provision; for since the door must be opened to change films and since there is nearly always great haste in making the change, it is likely that the operator will block the door open if the spring hinges interfere with him. All doors now swing to the side, but it seems as though it would be a great improvement if the doors were arranged to drop down. The door would then, even if open, prevent fire from below reaching the film. The magazine might as well be entirely missing as to be left with the side-swinging door open. Many operators have the habit of opening the door to watch the progress of the reel instead of noting it on the screen, or of preparing for a change of reel by opening the door long before necessary and starting the new run before closing the doors. Needless to say, this is highly reprehensible.
In order to put out a fire in case it should communicate to the reel, the magazines have been connected with water piping and a valve so arranged that the water could be turned on instantly thus filling the magazines. If the door of the magazine is kept closed, the progress of a fire will be comparatively slow.
C—Fire Traps.—The fire traps are an important adjunct. Their object is to prevent fire, which often occurs at the aperture, from reaching the film on the reel. All of the various makes of fire traps have been tested and will ordinarily prevent fire from passing through them. The larger the roller and the smaller the space around the film, the better the traps seem to be. The metal of the rollers has a cooling effect[68] upon the flame and this is undoubtedly one reason why they do their work so well. None of them, however, is absolutely sure.
If the opening through which the film passes is made too narrow, the film is likely to brush one side or the other and wear grooves in it, or cut entirely through it, with the result that a splice may be caught in the opening and the film torn. Fire traps, cut in this manner, have been the cause of many fires. This trouble is due mainly to improper alignment of the magazine with the fire traps. Examine them often and, if the least wear shows, improve the alignment.
It is advisable that every operator test his traps with pieces of film and assure himself that they will not, under ordinary circumstances, carry fire; but he must never rely too much upon them as safeguards, for although they will check a small blaze, such as would result from the burning of a few inches of film, they would probably not extinguish a fire occurring when there was much film crowded around them, as might be the case when a take-up reel or the intermittent sprocket failed to work. If the film catches fire and there is any possible chance to do so, the operator should tear it off at the upper and lower magazines, and thus break the communication. But if there happens to be a lot of film lying loosely about, it is advisable for the operator to get away as quick as possible.
D—Upper Steady-Feed Sprocket.—The office of the upper steady-feed sprocket is to unwind the film from the reel and feed it toward the intermittent sprocket. In order that it may do its work well and relieve the intermittent sprocket of all unnecessary[69] strain, there must be a loop F. The upper steady-feed sprocket is in continual steady motion and feeds just as much film to the loop as the intermittent sprocket takes from it by periodical jerks. The main trouble with all sprockets is in the wear of the teeth, as in time they wear away near the body of the sprocket and form hooks. The best sprockets have a number of teeth to engage the film. In some of the older machines, only two teeth catch the film, in which case, if two holes in the film are torn out, the film may stand still.
E—Presser or Friction Rollers.—The presser or friction rollers exist merely to hold the film in its proper place. They are sometimes spoken of as friction rollers although they have nothing to do with friction.
F—Upper Loop.—The upper loop is provided for the purpose of storing slack film which the intermittent sprocket may pull away with a very rapid jerk. It avoids placing unnecessary strain upon the film. The upper loop often causes trouble by enlarging; this occurs when the intermittent sprocket fails to work while the steady sprocket continues to feed. The most frequent cause of this is due to faulty films. In order to prevent the excess film in the upper loop from falling over in front of the light of the arc lamp (which would quickly set it on fire), the film shields Q are provided. In many machines they are too short or too narrow to be of much use.
G—Film-Steady Drum, or Film Steadier.—The film steadier is not found in all machines. If the upper portion of the machine head is properly arranged, the film may feed directly into the gate.
H—Film Gate.—The film gate is to hold the film[70] in position. In order that the picture may be properly projected, the film must lie perfectly flat and at a fixed distance from the lenses. If this distance varies, there will be improper focusing of the picture. The film must also be held in its proper position laterally and vertically. The film gate has nothing to do with the height of the film. This is taken care of by the framing device. The film gate wears quite rapidly and when badly worn allows the film too much play. In order to avoid the wobbling of the picture, a new gate must be provided. There should be considerable metal surrounding the aperture and there should also be an air space and some little ventilation. The metal surrounding the gate is subject to the heat from the arc lamp rays and, unless properly constructed, may overheat and damage the tension springs, if it does not set fire to the film.
I—Tension Springs.—The tension springs are provided to hold the film flat against the film gate and also to check its motion as soon as the intermittent sprocket has stopped pulling it. A certain intermittent movement is advertised to make the change from one picture to another in 1⁄96 of a second at normal operating speed. The film moved at this rate of speed acquires considerable momentum; and the office of the tension spring is to bring it to rest as quickly as possible. If the springs are set too tight, they will cause the machine to run hard and may also be the cause of tearing out splices. They should be set just tight enough to keep the picture steady; anything beyond this will merely cause unnecessary wear of the parts, besides calling for unnecessary exertions on the part of the operator.
J—Automatic Fire Shutter.—The automatic fire[71] shutter is provided for the purpose of shutting off the light when the machine is not in motion. It is required by most city ordinances. The ideal fire shutter would be one so controlled by the film that it would remain up only while the film is moving at operating speed. The shutters in use at the present time vary widely in details of construction. Some of them are raised and admit the light to the film the instant the handle is pressed sufficiently to start the machine. Other types are raised only after the machine has nearly attained its proper speed. Some operate as indicated in the figure and others operate from the side. All of them are liable to become deranged at times, and it is no unusual thing to find them tied up in some way because they failed to work properly. The shutter is a great convenience when in proper order and has probably prevented many fires; but it is good practice to consider it as entirely absent and not get into the habit of relying upon it. The operator should always push his lamp to the side whenever anything is out of order. This act is necessary in most houses at the end of every run of film showing stereopticon slides. It would inconvenience the operator but little to do this at all times, and then the habit would be formed and become second nature. On the machines now in use, there is no automatic shutter governed by the action of the film, which would give protection in case the film should come to rest, as old films often do when their sprocket holes are torn out, or, as often happens, when the film splits along the row of holes. In some machines the fire shutter is made up of such thin material and rests so close to the film that the light may heat it sufficiently to fire the film below it. Pieces of film[72] often become detached at the aperture and remain in the light long enough to be ignited. Against such occurrences as these there is no protection whatever except the watchfulness of the operator. If the film fits snugly into the gate and is well enclosed, such fires do not usually spread.
K—The Revolving Shutter.—The revolving shutter is sometimes arranged in front of the machine and often between the film and the lenses. The shutter K is of the “barrel” type and is further illustrated in Figure 31 at the left. The object of the shutter is to shut off the light during the time that the film is in motion so that the impressions made upon the eye by the succession of stationary pictures may not be blurred by the motion of the film when it is changed. The ideal shutter is one that shuts the light off instantly and, at the expiration of the necessary time, allows it as quickly to come to view again. The barrel-type shutter allows the light to pass through while it is in the position shown by solid lines, Figure 31, and has it entirely shut off when in the position indicated by broken lines. When it is in motion, the upper wing begins to shut off the light from the top and the lower from the bottom, thus causing the total eclipse of light in one-half of the time that a single wing shutter could do it.
FIGURE 31.
At the right of Figure 31, we have a cone shutter such as is used in the Motiograph. The stem and gearing of this shutter are set at an angle of forty-five degrees to the rays of light, for the purpose of arranging them inside of the mechanism without taking up too much room. There are two cones of the kind illustrated in Figures 32 and 33 and they move in opposite directions, thus shutting off the light in about the same time that a barrel shutter could be made to do it. These two figures show the positions of wings just before shutting off the last vestige of light and just as they are beginning to admit it again.
The disk type of shutter is much used. It may have either one, two, or three blades and may also be double, i.e., two disks revolving in opposite directions so as to shut off the light from two sides of the opening at once. Three types of disk shutters are shown in Figures 34 to 36. In order to obtain a flickerless picture, it is necessary to cut off the light not only during the time that the film is in motion, but also during part of the time that it is standing still. If the light were not interrupted during the[74] time of exposure, the light interval would be so long that the difference between the dark period, when it is shut off entirely, and the light period would be great enough to be noticed in the form of a flicker.
FIGURE 34. FIGURE 35. FIGURE 36.
If a single-blade shutter is used, it must make two revolutions during the time that a single picture is exposed; once to shut off the light while the film is being moved and once to interrupt the period of illumination. This shutter would thus have to run twice as fast as the two- or three-blade shutter, the three-blade shutter interrupting the light twice during the time the film is standing still.
The three-blade shutter has one wide blade which must be in front of the light while the film is moving and two narrower ones which interrupt the light during the time of exposure.
The two-blade shutter must have both blades of the same size and run one and one-half times as fast as the three-blade shutter to obtain the same effect, i.e., cause two interruptions of light during the time of exposure.
In order to shut the light off very rapidly with a blade, which approaches the opening from one side only, the disk shutter must be of sufficient size to produce great angular velocity. It can not well be[75] used, therefore, inside of the mechanism, but is usually placed in front of the machine; and it is much larger than the aperture which it must cover. The shutters must all be set so as to shut off the light during the time that the film is in motion. When the dividing line between two film pictures is in the center of the aperture, the shutter should have it entirely covered. It is possible, however, to arrange the shutter so that the film may move a trifle before the light is shut off and continue in motion also for a very short time after the light is again admitted. This is practicable with the “Geneva” intermittent movement which starts and stops the film gradually.
A shutter should be adapted to the speed of the film movement. There is no need of keeping the film covered any longer than it is in motion. A quick film movement and a narrow shutter will add considerably to the light obtained from a given lamp and a given current consumption. If the shutter is not properly adjusted, there will be what is known as “travel ghost”, “light rain”, or “halo”. These are due to the improper timing of the shutter, allowing a part of the picture to be seen while in motion. The travel ghost may be seen either at the top or the bottom, according to whether the shutter is set too fast or too slow.
L—Intermittent Sprocket.—The intermittent sprocket is a very important part of the machine. Owing to the swiftness with which it strikes the film, the teeth on it are more subject to wear than those on the other sprockets. The number of teeth that engage the film is also an important item. In order to obtain the best picture with the least expenditure of light, the film should be moved very rapidly so as to allow[76] the greatest possible length of time for the stationary picture. The film should, furthermore, be started slowly; then increased in speed; and the speed should decrease gradually until brought to rest, and thus avoid unnecessary jerking. It is also necessary to prevent all motion of the film during the time the mechanism which moves it is preparing for the next succeeding movement. All of these conditions are admirably fulfilled by the “Geneva” movement, Figure 37. The pin wheel W is in continuous motion and the pin is so placed upon it that it enters one slot of the cross and carries it along with it, thus causing a quarter revolution of the cross each time the pin wheel makes one revolution. The cam band P is cut away sufficiently to allow the cross to make a quarter revolution, but the remaining portion of it is made to fit the cross snugly, so that when the cross is not in motion it is held rigid. Figure 37 shows the movement just starting and Figure 38 shows it half completed. It can be seen that the motion begins very slowly; comes to a maximum when it is in the middle; and ends slowly; thus subjecting the film to the least possible strain. This movement is widely used and may be arranged with one pin, as shown, or with two. If the pin wheel is equipped with two pins, it will move only half as fast as with one pin[77] and thus the proportionate time that the film is in motion will be lengthened. By making the pin wheel large as compared with the cross or star, the time during which the motion takes place can be reduced as much as desired; but the characteristic feature of starting and stopping the film gradually will be lost directly in proportion as the relative size of the pin wheel is increased.
FIGURE 39.
The “Geneva” movement requires extremely accurate construction and careful management. If dusty or insufficiently lubricated, it wears very rapidly. It is often arranged so that it can be immersed in oil while running. Figure 39 shows a practical application of the “Geneva” as used in the Motiograph. The cover shown at the right entirely encloses it.
FIGURE 43.
A form of intermittent movement which has lately come out and is used on the Powers No. 6 Cameragraph is shown in Figures 40 to 42 inclusive. The moving element of this intermittent movement is a diamond-shaped projection on the surface of a revolving disk. The driven element is a cross carrying four pins—termed a “pin cross”—and is indicated by broken lines. The raised portion A of the diamond strikes one of the pins of the cross and starts it in[78] motion as indicated in Figure 41. The movement of the cross can be traced by the black dot indicating one of the pins. At every revolution of the driving disk, the cross makes one quarter of a revolution and when not in motion is held rigidly locked by the locking ring R, which fits snugly between the pins. This movement probably moves the film in the shortest[79] time of any. It is entirely encased, runs in oil, and is practically noiseless. The manner in which it is installed in the machine is indicated in Figure 43.
M—Lower Feed Loop.—The lower feed loop is provided to prevent the lower sprocket from pulling on the film and thus interfering with the work of the intermittent sprocket. The intermittent sprocket feeds the loop, by jerks, three-fourths of an inch of the film at a time; and the lower sprocket is geared to take away that much by steady motion. Thus, everything working properly, the loop remains of the same size. In case the lower sprocket is not working properly, the loop may become enlarged and the film may run onto the floor. Sometimes the intermittent sprocket does not work properly and the lower sprocket pulls away all of the loop.
N—Lower Steady-Feed Sprocket.—The lower steady-feed sprocket maintains the loop and restrains the film. If it were not for this sprocket, the take-up mechanism would pull directly on the intermittent sprocket and keep the film jiggling.
FIGURE 44.
O—Take-up Reel.—The take-up reel is identical with the upper reel and, in fact, the two are generally used interchangeably. In both cases, only perfect[80] reels should be used; and reels delivered by exchanges are very often untrustworthy.
The principle of the take-up mechanism is shown in Figure 44. When a run of film is started, the diameter of the roll of film being small, the reel must travel comparatively fast to take up the film as fast as it is unwound from the upper reel. As more and more film is gathered by the lower reel, the travel must become slower until finally, with a twelve-inch reel, the number of revolutions per minute are but about one-fourth as many as at the beginning.
In Figure 44, A is the reel which is fastened to the spindle B; C is a collar also fastened to the same spindle. D is a loose pulley capable of revolving around the spindle without imparting motion to it and arranged so that it can be driven by a belt. E is a spiral spring which is controlled by the small collar F, and it presses the loose pulley against the collar C. If the loose pulley is pressed against C with sufficient force, it will cause C to revolve with it; and the movement of C will impart motion to the reel and wind up the film which is fastened to it. D must revolve fast enough so that, even when the reel is empty, it will take up all of the film fed to it. As the film is wound up, the size of the roll of film increases and the speed must become less; thus D begins to slip a little on C and this slippage increases until the end of the run.
Friction in one form or another is the only method by which take-up reels are now operated; but in some of them this friction may be in a belt, as well as in the two disks as shown. Sometimes a fiber washer is interposed between the two friction disks. In the[81] Motiograph take-up, Figure 45, the necessary friction and slip are all in the belting.
FIGURE 45.
If the take-up is not handling the film properly, it is due to a loose belt or to insufficient tension on the spring. The take-up probably causes more trouble than any other part of the mechanism and it should be carefully watched. On account of the trouble incurred from it, there are still many operators who prefer to run films into a tank; although the take-up saves them much time. A careful operator who understands the care of machinery would have little trouble with a take-up; while the one who has not the faculty of keeping things in order would, perhaps, be better off (fire hazard neglected) with a tank. With most machines, the take-up magazine is located where it is very difficult for the operator to[82] watch its operation. Those machines in which it is located in easy sight of the operator have considerable advantage in this respect. A careless operator is often compelled to open the lower magazine door and turn the reel by hand when the take-up tension is out of order. Remember that the take-up can cause trouble only when it is out of order and that a good operator will never allow it to get out of order and he will inspect it carefully before every show.
P—Framing Device.—The aperture in the film gate is just large enough to fit the picture on the film. If the film is accurately placed, the whole picture will show upon the screen. In order to bring this about, the machine must either be provided with a means of adjustment, or a certain part of the film must be placed upon a certain sprocket tooth. This latter method causes considerable annoyance and waste of time; furthermore, every splice in a film would have to be made exactly right or the whole succeeding part of the show would be “out of frame”. In order to avoid these troubles, every machine is provided with a so-called framing device. Somewhere about the machine, convenient to the operator, will be found a lever by which, during the operation of the machine and without interruption, the position of the film with reference to the film window and the lens may be adjusted either up or down. The precise manner in which this is done varies with different machines. The framing device must be capable of adjusting the film to somewhat more than the width of one picture.
The splice should be so made that framing becomes unnecessary and this is accomplished by cutting out full pictures so as to leave each picture with[83] the full four holes. If a picture is left, for instance, with only two holes, it will appear upon the screen with the black line, which should be hidden in the center. If this happens, by moving the framing lever either up or down, the picture can again be centered upon the screen.
FIGURE 46.
Q—Film Shields.—The film shield is an important part of the machine; although it is often very much neglected and in many machines is so small as to be practically useless. It should prevent films from crowding out into the light when the loops enlarge.[84] Many operators do not take kindly to machines that enclose the film too tightly; for in case the take-up fails to work properly, it is often a convenience to be able to handle the film. This is also the case where very badly torn or old film is used. Many old films are so badly worn that they will not run properly on the sprockets and must be very closely watched.
FIGURE 47.
FIGURE 48.
It is not thought necessary or advisable to go into the details of construction of any particular machine[85] as changes are made nearly every year so that such description would not be of great value and might, in fact, be misleading. Any person possessing a little mechanical ingenuity and taking an interest in such matters can readily learn the peculiarities of any of the machines. They are, after all, when one has mastered the principles, quite simple affairs. All progressive manufacturers, furthermore, publish instruction books which are issued whenever a change[86] is made in any machine; and these are always obtainable.
FIGURE 49.
In Figure 46 we have a general view of the Edengraph machine. It will be noticed that the total length of film between the two magazines is exposed to view making threading of the film very easy; also that the revolving shutter works between the objective lens and the film gate.
The well-known Edison machine is shown in [87]Figure 47. This is one of the best known machines; and it is very compact and durable.
FIGURE 50.
The Motiograph is shown in Figure 48. The take-up, shown on the lower magazine, is different in this machine from what it is in the others. This machine also has a special rewind feature. By an adjustment of the operating handle, the film, after having been run off onto the take-up reel, can be rewound upon the upper reel without taking it out of the magazines.
Figure 49 shows a general view of the Powers No. 6 Cameragraph mechanism.
The Simplex mechanism is shown in Figure 50. In this machine the film is entirely enclosed between the two magazines.
Film Making and Characteristics.—All film is of celluloid. The commercial film used for the projection of motion pictures comes in long strips, is about one and three-eighths inches wide, and about one two-hundredths of an inch thick. Upon one side of this film is a photographic emulsion of gelatine impregnated with a solution of bromide of silver. This silver is sensitive to the light and has the property of turning black, during the process of developing, in proportion to the quantity of light that has struck the different parts of the emulsion. Wherever the light has been very intense or has been applied for a sufficiently long time, the film, after treatment with a proper developing fluid, becomes very black; where no light has reached it, it remains white; and in the intermediate portions, the shading is in proportion to the light that has reached those parts.
Film that has not been exposed and developed is of a creamy yellowish color and, if immersed in a solution of hyposulphite of soda, will turn perfectly clear and offer no obstruction to the light. If, on the other hand, it is completely exposed and developed, it will become solid black; such black pieces are sometimes used as leaders and tails in connection with motion pictures.
The emulsion on the film melts at a temperature of about 90 degrees Fahrenheit and will then run off the film. It is also soluble in warm water. The[90] celluloid of the film is very inflammable and bursts into flame at a temperature of 284 degrees Fahrenheit. If it is ignited while tightly wound upon a reel, it burns somewhat slowly; if it is ignited in a tank, the beginning of the fire is also slow; but as soon as the air in the tank attains the proper temperature, the whole of the film bursts into flame at once. It acts in this respect very much like gunpowder. In burning, the film gives off a dense brownish mass of poisonous smoke. Film will burn even when it has no access to the air and a film fire cannot be put out by smothering.
Before sending out their films, the manufacturers treat them with glycerine. This is for the purpose of keeping them pliable as long as possible. In time, however, a film dries out and there is then very little that can be done with it. At any rate, whatever is to be done should be done by the exchange, as no operator has facilities for handling it.
Some films are waterproofed and a little water will not damage them much; but other films must be kept dry. If by accident a roll of film should become wet, it can be saved by very quickly unrolling it and spreading it out to dry. If it can be spread out quickly enough, it will not be harmed; but if it is not spread out at once, the emulsion will stick to the celluloid and will come off when the film is finally unwound.
There is also a process of fireproofing film. This must not, however, be too thoroughly relied upon, especially if the film is old. Fireproof film is a valuable aid, but it is best to treat it exactly like other film in respect to the fire hazard.
On account of its inflammable character, film should always be kept in fireproof enclosures.
The film contains sixteen pictures to each foot and for every picture there are four sprocket holes on each side of the film. The size of the aperture plate and also the size of the actual picture on the film is 11⁄16 inch high by 15⁄16 inch wide. If the picture on the screen is enlarged to 18 feet 9 inches in width and 13 feet 9 inches high, every part of the picture on the film will appear 57,600 times as large on the screen as it is in the film. In viewing a 1000-foot film, the audience will see 16,000 separate pictures following each other so rapidly that the change from one to the other will be unnoticeable. If a three-blade shutter is used, the beholder will see the light shut off and turned on 48,000 times in the same run of film, but will not be able to notice it if the speed with which it is done is correct.
New film coming directly from the exchange is likely to be too moist and cause trouble from that condition; while old film is likely to be too dry and cause trouble by warping or bending out of shape.
Patching Film.—All reels of films contain patches and but little trouble will arise from them, provided they are properly made and reasonable care is exercised in watching them. In order to obtain a satisfactory splice, it should not be made more than 3⁄16 inch long; a greater length than this will reach two sprocket teeth and this is objectionable because the splice stiffens the film and will prevent it from fitting the teeth properly. The splice should be so made that it does not throw the pictures out of frame. If made properly, it will never be noticed in the running picture at all, unless a large quantity of[92] film is cut out. If however, the splice be made over part of a picture—as would be the case if an improper number of holes were cut out—the picture, when projected, would appear out of frame, i.e., the dividing line between two pictures would then appear on the screen and would continue to show until the framing lever had been adjusted to cover the dividing lines again. Care must also be taken that the film is straight after being spliced. If the ends are not fitted squarely to each other, there will be a bend in the film at the point the splice is made; and this may cause trouble.
Many operators have a plate of ground glass fitted into a work bench at the place where splices are to be made and a small lamp under this glass. This is very convenient for, as a rule, the illumination in an operating room is very poor although a good light is necessary to match film properly. If ground glass is used, the rough side must be at the bottom; otherwise it will be difficult to clean off the cement which adheres to the glass.
By making every splice in exactly the same order, the operator will acquire the habit of doing it nicely and quickly. Most splices are made in a hurry (before or after a show) and in this, as well as in all things that must be done hastily and at a moment’s notice, habit and practice are very important. One does not become expert until he has practiced it often enough to be able to do it mechanically.
FIGURE 51.
Proceed as follows and as outlined in Figure 51: Cut exactly along the dividing line of one picture and save this to become the top piece. (The emulsion side of the two sections of film must always be either up or down, and for convenience it is well to[93] form the habit of having them always one way or the other.) Now, with a sharp knife, scrape the celluloid side of this piece until all of the gloss is removed for a width of a little more than 3⁄16 inch. Do not scrape any more than necessary, but be sure that all dirt and oil are removed. Now take up the other part of the film and cut off the bad portion, leaving a strip a trifle less than 3⁄16 inch beyond the dividing line. This strip need not be scraped on the back, but all of the emulsion must be scraped from the front side of it. To scrape the front side nicely, lay a short ruler across it to act as a guide for the knife and scrape up to this ruler. Scrape only to the dividing line, but give particular attention to the sprocket holes and the edges, for it is at the edges and sprocket holes that film first begins to work loose and where it is most difficult to secure proper adhesion. Both parts of the film should be so scraped that, when finished, each will furnish half of the dividing line. Now apply a liberal coating of cement to the latter section and carefully lay the first upon it, taking great care that the sprocket holes in the two sections overlap and match perfectly. It is for this matching purpose that the glass in the table (with a small lamp underneath it)[94] is valuable. The sprocket holes must match accurately and the films must line up straight. After the upper film is placed, it must be pressed down for a few seconds until the cement has set. Wipe off all superfluous cement before it has time to set. Be sure that there are four sprocket holes for each picture. Keep a knife on hand and use it for no other purpose. Keep also a suitable stone on which to sharpen this knife, for, unless the knife is very sharp, it will do only poor work and the edge on it will not last long at any rate. Ordinary cement will not hold non-inflammable film, and water-proof film must be more thoroughly scraped than ordinary film. In the bench, provide a recess into which the cement vessel may be set and where it will always remain. Provide also a pair of scissors for cutting the film.
FIGURE 52.
The Edison film mender is shown in Figure 52. This is made with three gates or hinges. Those on the right and left clamp down to hold the film, while the narrower one in the center clamps down on the[95] cemented edge. To mend a film, place one of the pieces to be joined in the mender. Place that part of the gage marked “cut” in position, cutting between first and second perforations above the floor line separating the picture. The remaining piece of film should be placed in the other side of the mender and cut exactly on the line. Set the opposite end of the gage marked “scrape” on the first section; remove the emulsion; cut to the floor line with a sharp pen knife, moistening it so that the emulsion will come off easily. After applying the cement with a brush to the scraped piece, lay the other piece over it in the mender, clamping it down; and leave it for an instant to adhere.
Tools.—First of all provide a suitable and sufficient set of tools. There should be an assortment of screw drivers, large and small, to fit the different sizes of screws used not only with the machine but about the operating room and with other devices as well. Keep these screw drivers filed or ground to proper shapes. A screw driver rounded off, or too small, or bent, will ruin the heads of the screws. There should also be a collection of pliers (especially such as are commonly termed “gas pliers”), files, raps, chisels (for wood and metal), punchers, drills, and monkey wrenches; a hack saw, a blow torch, and a vise will also come in handy. Tools, however, depend upon the man who uses them. There are men who would be no better off with such a collection at their disposal; on the other hand, a clever man would be able to make use of all these tools and show his skill thereby.
Aligning the Machine.—The first thing to do in setting up a new machine, after it has been unpacked and put together, is to line it up properly. This can be done by stretching a string from the lamp house, through the center of the condenser opening, film gate, and objective lenses. These must all be in such a position relative to one another that a taut string will pass through the center of each. The center can be determined by measurement either with a suitable rule or a pair of calipers.
Anchoring the Machine.—The next step is to anchor the machine so as to reduce vibration to a minimum. Vibration is often due to a flimsy floor which will not stand the strain of the unavoidable vibration and thus helps to increase it. Often, however, the vibration is due to some part of the running gear of the machine, such as the revolving shutter, for instance, being out of balance. If there is undue vibration, the machinery should be looked after first, for it is much better to prevent the vibration by removing the cause than to seek to restrain it by bolts and braces. If the machine runs very badly, it cannot be bolted down with any satisfactory results.
Inspection.—After the machine is lined up and running smoothly, the next step should be to inspect every part of it thoroughly for loose screws, pins, gears, or other parts. It is best to do this by beginning at one end and continuing to the other so that no part may be overlooked.
Upper Magazine.—See that the spring in the upper magazine, or on the door of it, which prevents the momentum of the upper reel from running off film after the sprocket has ceased pulling, is in good order and the reel true. A crooked reel will generally cause trouble and force the operator to keep the magazine door open so as to be able to aid the movement of the film.
Fire Trap.—The fire trap must next be looked after. The upper magazine, the fire trap, and the sprockets must all be in perfect alignment and the film must run through the trap without touching either side. Film wears the metal very fast and a day’s run with the film brushing one side of a valve will show decided wear. If it is allowed to run this[98] way, it will soon cut through the side of the valve, forming an opening in which the film will run and in which it will often catch and tear splices. Special care must be exercised to see that the traps are kept clean and, when not in use, they should always be covered. The film is drawn through the traps very rapidly and any kind of dirt accumulating on them is apt to scratch it. After a fire, burned film is likely to be found in the trap, and this, when cold, becomes hard and is difficult to remove.
Cleaning Machine.—After the machine has been used for a considerable time, it is advisable to wash out the gears thoroughly. Not only the gearing, but the bearings also, should be reached by this process. If one has plenty of gasoline and a suitable receptacle, the quickest way is to take out the lenses and immerse the whole machine for a while in a vessel filled with gasoline. It can then be taken out, worked a little, and immersed again; this process being repeated until all of the old and hardened grease is worked out. If facilities for immersing the machine are not at hand, the bearings may easily be cleaned by using kerosene or gasoline to oil them and then running the machine a little; this will work all of the old grease out of the bearings. The gearing can be cleaned in the same way. If gasoline is used, it will quickly evaporate and leave the machine in good order.
Oiling Machine.—After the machine is thoroughly cleaned, it may be oiled again. The best lubricants to be used range all the way from sewing-machine oil to beeswax. Beeswax is used only for the gearing and only where that is somewhat worn. It is solid enough to compensate for some of the wear.[99] That part of it which works out on the sides should be wiped off at once. There are many lubricants to be recommended; in general, however, the particular kind to be chosen depends upon the parts to be lubricated. A part moving rapidly with no great friction can be well served with a light lubricant, but heavier parts, or parts that fit so closely as to cause much friction are best served by some lubricant that has more body. If a light oil is used, it will of course have to be applied oftener than a heavy oil. None of the extremely light oils should be used because they run off too fast.
Care of Sprockets.—Having thus cleaned and oiled the machine, the next step is to look after the sprockets. In an old machine it is likely that the sprocket teeth will be so worn as somewhat to resemble hooks. A little wear of this kind will do no great harm, but beyond a certain point of wear, the sprocket teeth tend to carry the film farther than is necessary and in so doing tear out the holes. Some sprockets are made reversible and the trouble can be remedied by turning the sprocket wheel around. In most cases it will, however, be advisable, when the old teeth are badly worn, to get a new set of sprockets.
The sprockets must also be examined for accumulation of dirt, for in case there is much dirt on a sprocket, it will not guide the film properly. The dirt will cause it to jump, and thus bring about an unsteady picture; or, if the accumulation of dirt is sufficient, it may even cause the film to jump off the sprocket. Hundreds of feet of film have been ruined in this way. The sprockets should be cleaned every day with a suitable brush. An operator too[100] careless to clean his machine properly, is also as a rule too careless to watch the picture properly; and he suddenly finds himself with a length of film ruined by sprocket teeth which have cut a row of holes through the center of it.
The sprocket should be made to align perfectly with the upper and lower magazines, the fire valves, the film gate, and the path of the film. They may be aligned with a straight edge made of a flexible piece of steel or, if nothing else is available, a piece of film may be placed upon the sprockets. Be sure to examine the film carefully before using it for this purpose; old film is apt to be warped. The film must fit perfectly in the aperture and on the different sprockets. The sprockets must have little or no end play, especially the intermittent, or it may cause the picture to wiggle sideways. The idlers, or presser rollers, should not fit tight enough to bind, but must fit closely enough to hold the film securely. In the adjustment of these and all other parts of a moving picture machine, considerable practice and judgment are necessary to estimate how much freedom of movement is permissible.
Adjusting Intermittent Sprocket.—The “Geneva” wears rapidly when it is not well oiled or protected; and it becomes necessary to adjust it. There are other ways of doing this but generally it is done by means of an eccentric bushing which must be set to compensate for the wear. In many operating rooms, there is a wide range of temperature and, as heat expands the metals, they will bind unduly when they become warmed up, if the star and cam wheel are set too close while cold. In many machines the[101] heat from the lamp warms them up irrespective of the temperature in the operating room.
Automatic Fire Shutter.—Some means of adjusting and regulating the automatic fire shutter is usually provided; this should be adjusted so that it will not rise before the machine is in motion and will fall before it has come to rest. Under no conditions should the stationary film be allowed in the path of the light. There are fire shutters that do not depend upon the motion of the machine, but are raised as soon as the handle is pressed to give motion to the machine. This type of shutter is raised as soon as the handle is pressed and may expose the stationary film to the light. Such a shutter should not be tolerated at all. The fire shutter should be carefully tested to see that it operates properly under all conditions. If one is not acquainted with the particular type of fire shutter in use, it is advisable for him to test it with the lamp turned on it for some time. Some shutters are so thin and are placed so close to the film they are supposed to protect, that it is possible to fire the film through them.
The Revolving Shutter.—In some machines the light is shut off before the film begins to move, and in others a very slight movement of the film is permitted before the shutter closes out the light entirely. The general object of the shutter is to shut off the light while the film is moving and to interrupt the long period of light so that it may not affect the eye too strongly and give rise to the sensation of flicker. The exact manner of setting the shutter varies with different machines, but in general the above consideration must be kept in view. Where a[102] shutter has several blades, it is always the larger one that shuts off the light while the film is moving and this is the only one to which any attention must be paid while setting.
The best test for the setting of the shutter is the appearance of the picture. The best kind of picture with which to judge a shutter is one that has strong contrasts of light and darkness. If a picture contains a very bright object, the travel ghost will appear if there is any motion while the light is on the film. If the shutter is set too late, the travel ghost will be in the lower part of the screen; and if too soon, in the upper. If the shutter is made too small, the travel ghost cannot be entirely eliminated but must be divided half on the lower and half on the upper side of the picture. The travel ghost and other imperfections of a picture are much more noticeable to persons close to the screen than to those far away. As the operator himself is the farthest away of all spectators, he is likely to miss many imperfections that are plainly visible to the audience. For this reason many operators have opera glasses through which they view their pictures.
Framing.—When the machine is finally threaded, the film should be so placed on the upper sprocket that, with a proper loop, the picture will be in frame when the framing lever is about in the middle position. This position will allow the operator to frame either up or down without seriously affecting the loop. The framing is best done by looking at the picture thrown upon the screen.
Film Gate.—The film gate needs special attention when new film is being used. Very often new film is so damp that some of the emulsion sticks to the gate.[103] Wet film running through a machine makes it work hard and is likely to cause much trouble. With such film it is often necessary to stop during a run and clean off the gate and it is always necessary to do so after each run. Never use a sharp tool or anything that may scratch the gate or roughen the bearing surfaces where the film runs. The gate must be watched closely for wear; if worn too much, the picture may be out of focus or jump in all directions.
Tension Springs.—The tension springs will repay careful study by the operator. The object of the springs is twofold: First, to hold the film flat, and second, to introduce sufficient friction to overcome quickly the slight momentum which the film has acquired while in motion. The springs should be just tight enough to do this. The pressure of the springs necessary to overcome the momentum of the film is proportional to the speed at which the film moves. If the film is to be run at a high rate of speed—as is often the case when a crowd is waiting outside the doors—the tension must be increased, unless it was originally great enough to hold the film at this rate of speed.
As the film varies in thickness, the adjustment cannot be made too close; but the springs must be made tight enough so that they will hold the film at the highest rate of speed when the thinnest part of the film is passing through. If the springs are not sufficiently tight, the picture will seem to move a trifle. They must be just tight enough to prevent this at the highest rate of speed at which the machine is to operate.
The Take-Up.—The lower sprocket exists for the[104] purpose of restraining the take-up from pulling on the intermittent sprocket. There is thus actually always a strain that the one puts on the other. For this reason the tension on the take-up should be no greater than necessary. Excessive tension will increase the wear on the machine; may cause the tearing of many splices; and will cause the machine to run hard, thus imposing extra labor on the operator. While the lower reel is nearly empty, the strain is small; but as it fills up, the strain becomes greater. The driving wheel or belt must move at a fixed rate of speed while the slip of the driven wheel becomes greater with every turn. Thus the energy expended in friction becomes greater as the picture progresses. Defective belting, crooked reels, or poor adjustment of tension are the most frequent cause of annoyance in the take-up and the take-up as a whole gives probably more trouble than any other part of the equipment.
Cover.—Every machine should be covered when not in use and the cover should be dust tight.
Getting Ready for the Show.—The first thing for the operator to do before entering the operating room is to put away all smoking paraphernalia he may have about him. No smoking tobacco or matches should ever be found inside of any operating room. After taking this precaution the next thing will be to rewind and inspect the films to be used for the next performance. If the reel happens to be properly wound when received, it is not absolutely necessary to rewind it and, in an emergency, one may take a chance and run it through without previous inspection. When possible, however, the operator should[105] always inspect his film before using and also familiarize himself with its contents.
A film is best inspected by rewinding it slowly from one reel onto another, gripping it with a gentle pressure, and allowing it to run between the fingers. This method will catch all splices and also all split films. Films are frequently split along the line of the sprocket holes. The film should be run through the fingers in this manner twice: once to catch such irregularities as make themselves manifest along the outer edge and again to catch the defects that exist only in the middle of the film. Every splice should be carefully inspected to note how the sprocket holes match and whether the splice will throw the picture out of frame. All splices that are not properly made should be re-made as directed in Chapter VI.
If there is sufficient time, it would be well to run the film through the machine in the regular way. Thus the operator can familiarize himself with the picture and note every place where improvements can be made by adjusting the speed, for very often a picture may be improved by slowing down or increasing the speed in certain scenes. The flicker varies with the illumination; the brighter the light the greater will be the tendency to flicker, if the machine is not run at proper speed. The operator should know before hand just when his brightest scenes will come on so as to adjust the speed or, in case he must run slowly, so as to reduce the flicker by reducing the illumination. Running the film through will also show every place where the picture goes out of frame and all such places can be corrected. All bad places should be cut out of the film, but not more than necessary. Every additional[106] section cut out of a film will increase the jerkiness of the motion. A few are not noticed, but one often sees in old reels, scenes that are simply ridiculous because too much film has been cut out. Such effects are especially noticeable if a picture is run slowly.
The operator must always be prepared to run pictures at abnormal speeds. It is bad practice to do so but often unavoidable; for instance, if the next number on the program is delayed, it is desirable to extend the picture until it is ready in order that the audience may not be dissatisfied; or if all the seats are filled and people are waiting outside, the manager may demand extra speed so as to make room for the outsiders.
The operator who is wise and has had experience will provide himself with a receptacle in which he can store the pieces he cuts out of films. Saving such pieces and taking them to the exchange will often make an impression upon the exchange management and induce greater care in the inspection of films at the exchange. Such pieces will sometimes be good evidence in the hands of an operator, too, in case he is charged with having damaged a film. While the film is being run through the machine, it can also be measured. Every turn of the crank means one foot of film.
Before the film is wound upon the reel from which it is to be exhibited, an opaque piece of film about two feet in length should be attached to the tail end of the film. This piece of film will in some cases serve a double purpose. With some machines the film can be rewound from the lower magazine into the upper without taking it out of either, if this tail piece is long enough to remain fast to the upper[107] reel after the whole film is run off the upper reel. Thus the operator when through running the picture may immediately change his crank and, without delay, begin to rewind. The main purpose of this tail piece, however, is to shut off the light immediately after the last section of the picture has been exhibited. If the light is left on the screen while the operator slows down the machine, it will cause a disagreeable flicker to appear before the eyes of the audience immediately after the picture is over, and thus leave an unpleasant impression.
The beginning of the film should be provided with a leader from three to five feet long. The purpose of this leader is to allow the operator time to frame his picture and get his lamp adjusted before the title appears, or is finished, so that when the picture actually begins, everything will be running smoothly.
The film must be rewound upon the reel in such a manner that when threaded, the emulsion side will face the lamp. If this is not done, the titles will read from right to left instead of from left to right as they should. It will be well for the operator to form the habit of regularly testing his film by the actual projection to see that his titles are right. There are often many other things to think of and cases of absent-mindedness are not uncommon. If the title shows wrong, the reel may be taken out and turned around; this will reverse it, but ordinarily it is best to wind it in one certain way.
Every operator should have a full supply of good reels for use in the machine and should never let these get out of his house. The reels furnished by the exchanges are often very bad and if perchance[108] a real good one is sent out, some wide-awake operator will surely keep it.
Although it is best to rewind a reel as slowly as your time will permit, it is necessary sometimes to do it very rapidly. The reel from which the film is being unwound should be under a steady tension and some form of brake is often provided. The practice of “pulling down,” which is indulged in by so many operators, is highly reprehensible. It causes the emulsion side of the film to slide over the other and any dirt or dust that may be between the two is thus ground into them. The scratches thus caused soon fill up with dirt and cause streaks in the picture which are commonly termed “rain.” The dirt—especially the carbon dust, which is so plentiful in an operating room and which is very sharp and cuts badly into the emulsion or the celluloid—disfigures the picture very much.
A good film box should be located in every operating room and it should be so conveniently located that the operator will use it in preference to anything else. Such a box should be provided with automatic self-closing covers and should be near the floor, as the film is less liable to dry out there than if placed near the ceiling where the heat is greater. Nothing whatever should be placed upon the floor itself and it should be kept absolutely clean. Although it is very bad practice to run film on the floor and it should not be done, there are occasions when it will be done and, if the floor is clear of all obstruction, the hazard of doing so is much reduced. An operator who, having trouble with his take-up and having run the film on the floor, has had it entangled, will appreciate this fact. The spasmodic bursts of applause[109] which an impatient audience is apt to offer while the show is being delayed are not especially comforting to any one in such a position.
Under no circumstances should film ever be left exposed. Occasional small fires at the aperture plate are unavoidable and in such cases the operator will seek to tear off the burning film and throw it on the floor, and it may then ignite the film lying about. Form the habit of keeping your film under cover; and make up your mind that it is absolutely necessary. Keeping films under cover will also tend to save them from drying out and prevent accumulation of dust.
A slide with the words “Just a moment please,” or some equivalent expression, will reassure the audience; one should always be kept in place and when any trouble causes an interruption of the show, the lamp should be pushed over thus exhibiting this sign. The habit of pushing the lamp over in case of interruption is also a very good one. It is the simplest and most natural way of taking the light off the film and satisfying the audience at the same time. This practice should become a habit. It will be a great protection against fire in addition to the other safety devices. All the work of making ready should if possible be done before a considerable part of the audience is in the house. It is best to let none of them see the process of getting the show in readiness.
As has been stated before, an occasional fire at the aperture is unavoidable. Sometimes pieces of film are torn loose, stick where they are subject to the light, and in time catch fire. A fire thus started may easily consume all of the film between the two magazines and will progress slowly toward the lower one,[110] but towards the upper one very rapidly. If the doors of the magazines are tightly closed and fit tight and if the fire traps are in good order, there will be but a small chance of fire getting at the rolls of film that may be in either magazine. Every effort should, however, be made to extinguish it before it reaches the fire traps. Just what can be done depends upon the design of the machine. In order to be prepared for such an emergency, the operator should study his machine and decide what would be best to do. In many cases the film can be torn off before the fire extends to the magazine and thus break the connection. In some machines the film runs in such a narrow groove that the fire is generally extinguished there without any outside help. Some operators have been known to open their magazines and attempt to remove the film after a fire had started, resulting in burning all their film. It is far better to leave the film in the magazine and trust to the fire traps than to attempt to remove it.
No visitors should be allowed in any operating room during the time that the audience is in the house, more especially when the time for opening the show approaches. There should be nothing to distract the operator’s attention from his duties. The arc lamp should be started a few minutes before the show is to begin so that the electrodes may burn to their proper shape and the light be adjusted. Before the show begins, the house should be made dark for a few minutes. This will make the picture appear brighter.
In case the film tears during a run, some operators have the habit of pinning the pieces together with the intention of making the splice after the picture[111] is run. This practice is well enough for an operator who feels sure that he will not forget about the pin, but with one who is forgetful or absent-minded, or who has a lot of other duties which might take his mind off the film, it is a bad practice. The film may be rewound with the pin remaining in position and cause very serious trouble. It is safer to put the film on the take-up without pinning.
In a general way the points alluded to in the following list should be carefully looked after. This is a list which is used by the Electrical Inspection Bureau of the City of Chicago in checking up operators and their equipment.
| Theatre address................................................................................................ | |||||
| Operator’s namePerm.Temp................................................................................... | |||||
| Address............................................. | Lic. No............................................ | ||||
| MOVING PICTURE MACHINE INSPECTION. | |||||
| An x indicates defect; a check, satisfactory condition. | |||||
| 1 | Smoking? | 25 | Fan Motor? | ||
| 2 | Matches? | 26 | Guards on inc. lights? | ||
| 3 | Condition of Films? | 27 | Unauthorized persons? | ||
| 4 | Magazine closed? | 28 | Rewind approved? | ||
| 5 | Film exposed? | 29 | Rewind location? | ||
| 6 | Arc enclosed? | 30 | Rheostat, 5 ft. above floor? | ||
| 7 | Guard fastened? | 31 | Rheostat, contacts enclosed? | ||
| 8 | Upper fire guard? | 32 | Rheostat, safe location? | ||
| 9 | Lower fire guard? | 33 | Box for films, approved? | ||
| 10 | Upper magazine approved? | 34 | Box for films, cover? | ||
| 11 | Lower magazine approved? | 35 | Shutters, guides? | ||
| 12 | Upper magazine, lock well? | 36 | Shutt’s selfclosing, supports? | ||
| 13 | Lower magazine, lock well? | 37 | Booth lining? | ||
| 14 | Light shutter? | 38 | Floor? | ||
| 15 | Fuses enclosed? | 39 | Shelving? | ||
| 16 | Fuses, proper size? | 40 | General appearance? | ||
| 17 | Inc. circuit? | 41 | Door, selfclosing? | ||
| 18 | Arc switches, enclosed? | 42 | Box office? | ||
| 19 | Arc switches, control rheostat? | 43 | Unapproved display? | ||
| 20 | Arc switches, condition? | 44 | Main cutout cabinet? | ||
| 21 | How much open arc wire? | 45 | Emergency cutout cabinet? | ||
| 22 | How much open inc. wiring? | 46 | Number emergency lights? | ||
| 23 | Open contacts? | 47 | Fan motors auditorium? | ||
| 24 | Flexible or BX cord? | 48 | Rheostat in base.cond.? | ||
| 49 Exits........? Gas........? Sperm Oil........? Electric........? | |||||
| .................................................................... | |||||
| Inspector. | |||||
| These defects must be corrected within...........................................................................days. | |||||
| The Electrical Inspection Bureau must be notified as soon as repairs are made. | |||||
Light is emitted from a luminous body. A luminous body is one in which all of the particles are conceived to be in violent motion, which motion is transmitted to a supposed ether. The existence of such ether cannot be demonstrated, but it is supposed to exist because it is impossible to think of anything being transmitted except through some medium. This ether is a rather imponderable substance; it is supposed to pervade all space; and it exists in all matter and in every vacuum. It is supposed to be elastic without weight and capable of transmitting motion without loss of energy or friction. It is, however, assumed to be modified to some extent by the matter in connection with which it exists. Thus the rate of transmission of light waves is different for air, glass, water, and other substances through which they may pass and such bodies as are entirely opaque are supposed to suppress the ether vibrations, resulting in light entirely.
Light is then a mode of motion of this universal ether which pervades all space even to the farthest star. The motion of this ether is conceived to be about as illustrated in Figure 53. If we take a heavy string or a small rope and, stretching it reasonably taut, jerk it forward and back quickly a few times, it will be seen to move and assume the appearance shown in the figure; and that portion[114] shown between the two vertical lines represents one complete wave.
FIGURE 53.
The assumption of this ether and the vibratory motions of it form the only explanation that is capable of accounting for all of the phenomena of light. All other theories advanced have failed to stand the test; sooner or later some phenomena have appeared which could not be explained by them.
Light waves are known to travel through space in straight lines until they meet with some medium which is capable either of reflecting, refracting, or absorbing them. The rectilinear propagation of light, consisting of vibratory motion, is one of the most difficult parts of the theory to explain. It involves rather deep study and more mathematics than the scope of this work will warrant. Suffice it to say that the rectilinear propagation is brought about through the interference of light waves. An analogy of this can be found in a stream of water. It is well known that a stream of water issuing from the nozzle of a garden hose moves in a straight line until gradually forced into a spray by the resistance of the air. Yet the water passing through the hose is interfered with on all sides and on all sides there is a tendency to deflect it. If the water were to move along slowly so that we could observe the action on one side independently of the balance of the stream, we should see a series of waves being formed[115] by every particle of the hose which offers resistance to the flow. The waves formed in the interior of the hose on all sides are interfered with by waves from all other directions and the result is motion in a straight line. In a similar way it may be conceived that the millions of light waves emitted from a luminous body interfere with each other and thus cause light rays to move in a straight line.
Light is a form of energy and can be converted into other forms of energy. It can be converted into heat, for instance, or can be used to produce chemical effects. Light differs from heat only in the rate of vibration and the length of the ether waves. Heat can be reflected in the same manner as light, as the following experiment will show: Arrange two ordinary reflectors as shown in Figure 54. In the focal point of one, place a heated iron ball or something of the kind; if this be hot enough, it will ignite paper suspended in the focal point of the other reflector, although a thermometer placed anywhere between the two reflectors will give only a small indication of a rise in temperature.
FIGURE 54.
All light rays as well as heat rays are in themselves invisible; we can see only the object which[116] emits or reflects them. If a beam of light be allowed to enter a darkened room, as shown in Figure 55, we shall probably be able to see the whole path of the rays illuminated, as well as the spot on the floor. But this will be because of particles of dust in the air which reflect the rays to our eyes. If we introduce some smoke into the room, we shall see the light much more plainly because there are now more particles of matter to reflect it. On the other hand, if special precautions are taken to have the air absolutely clear of dust, we shall be able to see nothing but the spot on the floor.
FIGURE 55.
Light travels through space at the rate of about 186,000 miles per second. White light is a combination of light of many colors, but the speed of transmission is the same for all colors. The length of waves and the rate of vibrations, however, vary. The red rays have the longest waves and the slowest rate of vibration; they vibrate about three hundred ninety-five billion times per second and the wave length is about 0.0008 millimeters. The violet rays possess a wave length of about seven hundred sixty-three billion per second. There are light waves[117] which are longer than the red rays and these are known as infra red. They are not visible to the eye but their existence can be proved in many ways. Light waves shorter than the violet are also invisible and are known as ultra violet. These have much importance in photography and to this class belong the X ray.
FIGURE 56.
We have mentioned above that white light is a combination of light rays of many colors. This can be proved by the following experiments: If we arrange to have a beam of sunlight pass through a small hole into a darkened room, it will pass to the wall on the opposite side in a straight line and give us white illumination upon a small spot. If we now arrange a prism in the path of this ray or beam of light, we shall find that the light no longer passes straight to the wall but that instead, it is bent in a certain direction and furthermore shows us a brilliant array of colors. This is illustrated in Figure 56. The rays are thus shown to be separated into their constituent colors; red is shown at the top and the following colors merge imperceptibly into one another—orange, yellow, green, blue, indigo, and finally violet at the bottom.
The reason for this change is that the rays of light on entering the glass are slowed down—those of the higher rate of vibration more than the others. The violet rays are thus said to be more refrangible than the red, for instance. The colors thus produced are simple colors. This is proved by the fact that if the light is passed on through another prism, it will be again reflected but will not be resolved into other colors; although whichever color is carried to the next prism will spread out and show finer gradations in its color.
FIGURE 57.
The colors given above are those obtainable from the decomposition of sunlight and make up what is known as the solar spectrum. If instead of sunlight some other illuminant be used, the arrangement of colors will be different; and it has been found possible to tell from the colors of the spectrum what substances are burning, or heated to a luminous degree, in the source from which the light comes. This method is known as spectrum analysis.
There are several ways in which light, which has thus been separated into its fundamental colors, can be re-composed so as to give us white light again. One of these methods consists in arranging an inverted prism to receive the light, as shown in Figure 57. The rays leave the second prism parallel and produce the effect of white light. Another method consists in gathering the rays from the prism by a[119] lens, as shown in Figure 58. Furthermore, if we take a disc and paint the colors of the solar spectrum upon it in the proper proportions, as indicated in Figure 59, and cause this disc to be rapidly revolved, we shall see it as almost white.
FIGURE 58.
FIGURE 59.
Another fact which goes to prove the undulatory, or motion, theory of light is that two sources of light arranged to oppose each other can actually be made to produce darkness. To do this, the waves of one source of light must be made so that they exactly oppose those of the other; thus they destroy each other and destroy what light there is in either. There are other methods, but this can be partially accomplished in the following manner: Two small mirrors of black glass or of metal are placed,[120] as shown in Figure 60, very close together and so that they form an angle of nearly 180 degrees. A beam of light arranged to fall upon both of the mirrors will be reflected in such a manner that the two halves interfere with each other and cause bands of light and darkness to appear. The dark lines are due to the opposition and nullification of certain of the light waves.
FIGURE 60.
FIGURE 61.
The intensity of light diminishes directly as the square of the distance through which it is transmitted. This is illustrated in Figure 61. The light, starting from a point, is limited by the size of the first square at the left; it spreads out more and more, and illuminates larger and larger spaces. Exact measurement will show that the spaces illuminated by a ray of light are always exactly proportional to the square of the distance from the point of light. This law, however, applies strictly only if[121] the distances considered are long compared to the source of light, so that the light may be considered as being a mathematical point, that is, having no physical dimensions. If the source of light, for instance, were of the same size as the first opening and of uniform intensity there would result the same intensity of illumination of a similar space at all distances. There would, however, be an outer fringe of light which would be proportional to the law of inverse squares. Many reflectors are arranged to throw very nearly parallel rays; and with these the intensity remains the same except for absorption, which is ordinarily not very great.
We see things only through the rays of light they reflect. All colored bodies have this peculiarity, viz., that they are capable of reflecting only such rays as make up the color the body is said to possess. A red body, for instance, absorbs all colors except red and reflects red only. A black body absorbs all rays and a perfectly dull black body is visible only by contrast; that is, we do not see it but we are aware that there is something invisible before our eyes. When we are in a perfectly dark room, we see nothing but we have blackness before our eyes. A perfectly white body is one which reflects all of the rays of light and absorbs none.
When we view things through colored glasses, we see them only in the colors which the glass will transmit. If we view a red body through a green glass or under a green light, it will appear black because it is capable of reflecting only red rays and in the green light there are no red rays; hence there is nothing to be reflected and the red appears black.
Through the medium of our eyes we see objects by means of the light which is reflected from them. This light enters the eye and forms an inverted image of the object upon the retina, just as an inverted image is formed upon the ground glass of a camera. This impression made upon the eye is corrected automatically, so that, although we see everything upside down, we are not at all aware of so doing. The proof of this peculiarity of the eye is found in cases where persons born blind have later through operations acquired sight. In the eyes of slaughtered cattle also the image can be seen inverted. A further proof that we are able thus to adjust ourselves is found in the experience of persons using cameras with ground glass screens. The image on these screens is always inverted both horizontally and vertically. The user soon learns to see his object, although inverted, in the natural way, that is, vertically, because this is so plain that he must take it into account at every focusing. He does not, however, accommodate himself to the reversal from right to left because this is of no consequence ordinarily and is not noticed. Many photographers, who have been accustomed to the vertical inversion, still find themselves confused when trying to locate the right and left of a view seen through the lens.
Unless a special arrangement of lenses is provided,[123] all images cast upon screens through small openings appear inverted. The reason for this can be seen from Figure 62. It is obvious that no other light can reach the bottom of the screen through the pin hole O, at the left of the figure, except that coming from the flame of the candle; also that no other light can reach the top of the screen except that reflected from the bottom of the candle at the right. Hence the image of the candle appears inverted.
FIGURE 62.
FIGURE 63.
A general understanding of the structure of the eye can be had from Figure 63. W indicates a watery substance in the front of the eye; I is the iris which has power to contract or expand and thus regulate the quantity of light admitted to the eye;[124] P is the pupil; L is the lens; and R is the retina which connects with the optic nerve and the brain. The lens is made up of several parts having different indexes of refraction. The whole resembles an ordinary convex lens but has considerable power of adjustment. When looking at objects close by, for instance, the pupil can often be seen to bulge out which is its method of accommodating itself to objects close at hand.
To the iris falls the duty of regulating the quantity of light which is to reach the retina. If confronted by a bright light, it closes partially; in a dim light, it opens out wide. When subject to a flickering light, there is a tendency to follow the flickerings by rapid opening and closing, which causes pain. If subject to flickerings long enough, however, the pain becomes somewhat less, probably because the iris has come to rest on an intermediate point.
An image formed upon the retina remains for some time, the time varying with the intensity of the light. Very intense impressions are supposed to last about one twenty-fifth of a second; milder ones as long as one-tenth of a second. This tendency to retain images is known as the persistence of vision and can be noticed in many ways. A twenty-five cycle alternating current falls to zero fifty times in one second; and fifty times in each second there is a slight cooling off of the incandescent filament. Yet the variation in the intensity of the light is noticeable. Many of the sleight-of-hand tricks depend upon this persistence of vision and the projection of moving pictures would be impossible without it.
We are able to judge distance principally through the fact that we have two eyes. If our eyes were[125] immovable, we should see two images for every object. But as they are movable and as both normally point directly at the object we are looking at, their axes form angles with each other and in this way we are enabled to judge the distance, as well as other qualities of objects.
When both eyes are centered upon an object, the impressions received by the brain from both sources are mixed, and the picture we become conscious of is a composite of the two images in the eyes.
This is verified by the fact that many persons with defective vision can see much more clearly with one eye than with both. They are not able to focus both eyes upon the same point and thus the perfectly clear picture which may exist in one eye is mixed with an uncertain picture in the other.
In youth normal eyes are able to adjust themselves to different intensities of light and different distances very rapidly. This power is largely curtailed as age advances. Where a young person can almost instantly, after gazing at some distant object, turn to a newspaper and read, the eyes of a person of advanced age generally require considerable time before they can adjust themselves in the same way. Quite frequently, however, very old people regain their powers of vision and become able to do without the glasses formerly used.
All of the above facts should be thoroughly understood by those having to do with illumination used by a mixed audience. Light that may seem perfectly satisfactory to one may be entirely unsuitable for another.
Light may be reflected from opaque or transparent bodies such as glass. In the case of transparent bodies, the reflected rays are not noticeable unless the ground behind the reflecting body is dark. If there is much light behind a pane of glass, for instance, the pupil of the eye will be partially closed and not be able to see the faint light which is reflected. As we gradually darken the space behind the glass, the image begins to appear more and more distinct, partly from contrast with the dark background and partly on account of the increased opening of the pupil. This can be readily noticed if some evening out of a dimly-lighted room we look at some object just discernible. If we then turn on the light suddenly, the object will at once disappear but reflections will appear in the glass where there were none before.
The reflections from clear glass are much stronger at an angle than when the rays are thrown straight back. This can be seen by placing any object directly in front of a pane of glass with a dark background. If we place the eye so as to receive only those rays which are reflected directly back, we shall obtain but a weak reflection. If, however, we place the object a little to one side and stand close to the glass, we shall see the object almost as plainly as in a regular mirror.
A ray of light is always reflected at exactly the[127] same angle at which it strikes, the reflecting body; that is, the angle of incidence is equal and opposite to the angle of reflection. This can be illustrated by Figure 64. If a mirror be attached to the pointer in the position shown at an angle of exactly ninety degrees and a beam of light be allowed to enter through the slit at the top, it will be reflected back exactly to the spot at which it entered. If we then turn the pointer slightly, we shall notice that the reflection of the beam of light moves twice as fast as the pointer and, when the pointer occupies the position indicated by broken lines, the light will be reflected at right angles to the line along which it enters. If the mirror is turned still more, the same law will hold; so that, if the mirror were turned through an angle of nearly ninety degrees, the reflected beam of light would in the same space of time make an angle of nearly one hundred eighty degrees.
FIGURE 64.
Reflected light results in the formation of images in mirrors and other reflecting bodies and, by bearing in mind the law of reflection given above, we can readily explain how these images are formed and the manner in which they appear to us.
FIGURE 65.
Let N, Figure 65 be an object in front of the mirror. The only rays that are reflected back to the eye are those that strike the mirror at the proper[128] angle. All others are wasted with reference to the particular position of the eye. If the eye and the object reflected are equally distant from the mirror, we need but draw a line at right angles to the mirror and half way between the eye and the object and, from these two, draw lines to the point at which the perpendicular line strikes the mirror. The two lines thus drawn will give us the path of the incident and the reflected rays. The image will appear to lie in the direction from which the reflected ray comes and as far behind the mirror as the object is in front of it. If the eye and the object to be reflected are not equally distant from the mirror, it is more difficult to find the paths of the rays and it simplifies matters very much to use the following construction: Draw a line from the object before the mirror at right angles to the mirror and extend it behind the mirror as far as the object is in front of it. From this point behind the mirror, draw another line to the eye. By drawing a third line from the object to the point in the mirror where this line, from back of the mirror to the eye, crosses it, we shall obtain the paths of the rays and the position of the image in the mirror. The image will exist in the mirror at the point where the reflected and[129] incident rays meet but will have the appearance of lying some distance behind the mirror. This is illustrated in Figure 65, N being the object reflected and M the apparent position of the image to the eyes as located in the cut.
FIGURE 68.
In Figures 66 and 67 the same construction is used to show the appearance of arrows as they are reflected from a mirror to the eye. Objects standing erect over horizontal mirrors or arranged at right angles to mirrors and looked at, as in Figure 68, always appear inverted. This can be noticed in quiet ponds of clear water which give reflections of trees and other objects. Figure 68 shows two arrows, one horizontal, the other vertical; by the construction[130] in the figure one appears inverted, the other not. If the arrow were placed in the position indicated by broken lines, the eye would see only the butt. If the arrow were placed a little nearer the horizontal, it would appear in its natural position; if a little more vertical, it would appear inverted in the mirror.
FIGURE 69.
All objects seen in mirrors are reversed with reference to right and left. A pocket on the left side of a person facing a mirror will appear to be on the right side. Printed matter held before a mirror will appear just as it would if seen through the paper from the back side and will have to be read from right to left.
FIGURE 70.
If an object be placed between two parallel mirrors as B, Figure 69, there will be a vast number of reflections visible at the point D. Several reflections of B will come to the eye in the manner indicated but there will be a large number of additional reflections. If the mirrors are exactly parallel and absolutely smooth, the number of reflections would[131] theoretically be infinite. At each reflection, however, some light is absorbed and some diffused so that many of the reflections are not discernible. Two mirrors set opposite each other will also give many reflections of each other as indicated in Figure 70. The images seen in parallel mirrors all appear arranged in straight lines on both sides, as indicated in Figure 69. If now one of the mirrors be inclined so as to form an angle with the other, the long line of images will seem to become curved and finally lie in a circle. If the mirrors be placed at right angles to each other, as in Figure 71, there will be three reflections[132] of the object C visible and these will reach the eye by the paths shown. If the mirrors be placed at an angle of sixty degrees to each other, five images will appear as shown in Figure 72, in which A is the object being reflected.
The following tabulation shows the number of images obtainable at different angles between the mirrors.
| Angle between mirrors |
Number of images |
|---|---|
| 90 degrees | 3 |
| 72 degrees | 4 |
| 60 degrees | 5 |
| 45 degrees | 7 |
| 30 degrees | 11 |
FIGURE 73.
Instead of being plain, mirrors may be either concave or convex. A concave mirror is hollowed out in conformity with a small section of the surface of a sphere. If a piece of glass be cut out of a hollow sphere, the inner side of it will show the surface of a concave, and the outer side, the surface of a convex mirror. A section of a concave mirror is shown in Figure 73. C is the center of curvature and any line drawn from the surface of the mirror to this center is at right angles, or normal, to the curvature of the mirror. A ray of light emanating[133] from this center will be reflected straight back to it. If the source of light be moved a little nearer to the mirror, the light reflected will be spread out more and come to a focus farther back from the glass; if it be moved farther back from the glass, the rays will be focused nearer the mirror. Thus if a light be placed at A, its rays will be focused at D and a light placed at D will focus at A. This can be seen by the lines which represent the rays of light. The two points at which a source of light will thus focus are known as the conjugate foci of the mirror.
If such a mirror receives parallel rays of light, they will be reflected and come to a focus at a point midway between the mirror and the center of curvature. This point is known as the principal focus of the mirror, and the distance between it and the mirror is called the focal length of the mirror. A source of light placed at this point will throw out parallel rays from the mirror. If the light be moved closer to the mirror, the reflected rays will spread out; while if moved farther away, the light will come to a focus at some distant point, as shown above.
Figure 74 can be used to illustrate the manner in which a concave mirror reflects the light from an object placed before it. From the upper point of the large arrow, rays of light emanate in all directions. All that strike the face of the mirror are thrown to a certain point which can be found by tracing out the lines, using the small arrows as guides. At this point will appear the image of the top of the arrow. It will be noted that it is inverted.[134] The rays from the lower part of the arrow are of course all reflected in the same manner.
FIGURE 74.
With mirrors of this kind, the position of the object with reference to the focal length and center of curvature is of great importance. If the object be placed in the position shown as the image in Figure 74, the image will appear as though it were in place of the object; it will be much enlarged and also inverted. If the object is placed between the principal focus and the mirror, it will appear to lie behind the mirror as shown in Figure 75. In this case it will not be inverted.
FIGURE 75.
When concave mirrors forming large sections of spheres are used, the rays reflected from the outer edges will not all meet exactly at the focal point.[135] There will then be a somewhat fuzzy image formed. This is illustrated in Figure 76. In order to obtain a perfectly clear and distinct image, only the central part of concave mirrors should be used.
FIGURE 76.
Convex mirrors are not much used. Sometimes glass spheres are set up to show miniature reflections of scenery; convex mirrors are also found in the lobbies of theaters and in places of amusement to amuse the patrons with the caricatures of themselves reflected in them.
FIGURE 77.
All of the rays that strike a convex mirror are reflected back in such a manner that they seem to come from a common point behind the mirror. This is shown in Figure 77. The center of curvature here is behind the mirror but the paths of the various[136] rays can be determined as before explained. Thus we shall find that every ray, striking the mirror from a certain point, is reflected back in a direction which gives it the appearance of coming from a certain point behind the mirror. Two such points are shown in Figure 77.
FIGURE 78.
In Figure 78 we have drawn the arrow and the image it would produce in the mirror. If the mirror forms a section of a sphere, the object reflected will appear reduced in size in all directions. If the mirror forms merely a section of a cylinder, a person standing in front of it will appear very much shorter than natural but of full width thus presenting a ridiculous appearance. Convex and concave mirrors are often combined and if properly set, a person standing in front of one may see himself either very much elongated or shortened.
If a straight stick or pencil be plunged into a vessel containing water, it will appear to be bent. The reason for this appearance is given in detail in Figure 79. The only light which can reach the eye from the lower extremity of the stick must reach it by a path similar to that of the bended ray at the left. According to this, the rays of light leaving the bottom of the stick at E bend at the water’s edge and meet the eye as shown. To the eye the rays, by which it sees the end of the stick, appear to come from the direction F; hence the stick is seen crooked. When a ray of light passes from air into a denser medium such as water or glass, the ray appears to be bent somewhat, as illustrated at the left of Figure 79. This bending of the rays of light is called refraction.
FIGURE 79.
The fact of refraction can be further verified by placing an object G into an empty vessel in the position shown. In this position the object is not visible to the eye. By slowly filling the vessel with water, the object will gradually appear and will seem to lie in the direction of the straight dotted line.
FIGURE 80.
The bending or refraction of light rays is governed by a law which holds in all cases. The bending differs with different kinds of glass, with water, with oils, or even with water mixed with chemicals; but no matter how much the bending may differ with different materials, for each material there is a fixed ratio between the angle at which the light enters and the angle at which it continues in the material. This ratio is known as the index of refraction. For water it is about 1.33; for glass about 1.5; for the diamond about 2.5; etc. This can perhaps be most easily explained by reference to Figure 80. Here the top of the shaded space represents the surface of the glass at which the light enters. The line E is drawn at right angles to this surface and the various lines, meeting in the center of the circle,[139] represent different rays of light falling upon the glass at different angles. The heavy line shows the ray of light striking the glass and passing through it. Similarly each line is drawn differently and the nature of the lines will act as a guide by which the angle of incidence upon the glass and the angle at which the rays continue through the glass can be traced.
When it is said that glass has an index of refraction of 1.5, or 3⁄2, it means that the sine of the angle of incidence is 1.5 times as great as the sine of the angle of refraction. The sine of the angle of incidence is proportional to the length of a line drawn from the vertical E to the periphery of a circle, outside of the glass or other substance, to where it meets the ray; and the sine of the angle of refraction is proportional to the length of a line drawn from the same vertical to the periphery of the same circle, inside of the glass or other substance, where it meets the ray.
In order to lay out the path of a ray through the material, its angle of incidence being known, we may resort to the construction shown in Figure 80. Draw the incident ray at its proper angle and the vertical line at right angles to the surface of the material. From the point A, where the ray enters the circle, and at right angles to the vertical line, draw the line 1. Measure the distance from A to the vertical line and divide it by the index of refraction; and on a continuation of the line 1, lay off the distance as found. From the point so located, draw a line parallel to the vertical until it intersects the circle at the bottom. From the point at which the ray enters the medium, draw another line to where the[140] last line drawn strikes the circle. This line will give the direction in which the ray is propagated in the medium. For glass, the index of refraction is taken as 3⁄2; hence the line 1 must contain three parts, while the continuation contains two of the same length. Upon leaving the medium, the ray is bent back again so that it continues in a direction parallel to that at which it entered, as shown in Fig. 81; and thus the case is reversed.
Figure 82 is an illustration of how both refracted and reflected rays may be several times reflected. If one will hold a match close to a mirror, looking at it somewhat from the side, there will be visible six or eight distinct reflections of it. These will be of different intensity.
If a source of light has its origin in a medium denser than air, it will be bent as shown in Figure 83. In such a case some of the rays do not leave the medium at all but are reflected back into it, as indicated at the right. The heavy line indicates what is commonly known as the critical angle. This angle varies with different substances and is the angle at which the refracted ray of light skims along the surface and does not pass out. All rays emitted at a lower angle are returned back into the medium.[141] If an electric light were immersed in water, only the rays of light at the left of the black line would be visible to an eye outside.
FIGURE 83.
Figure 84 is an illustration of an equilateral prism. Here we have refraction on both surfaces and a light placed at A would be seen by the eye as located at B. With prisms it is easily possible to locate a light so that it may be seen in two positions at the same time.
FIGURE 84.
Figure 85 shows a double convex lens. Both sides of it are segments of circles or sections of a sphere. The center of curvature or the radius of one side is at A and that of the other at B. Each minute particle on the surface of such a part of a sphere[142] may be looked upon as the surface of a prism, the inclination of it being indicated by a line drawn at right angles to a line passing from the point through the center of curvature. This is illustrated in the figure by the short heavy lines at right angles to the broken lines centering at A and B.
FIGURE 85.
By using the construction explained with Figure 80 and using for the left-hand surface the circle of broken lines and for the surface at E the circle of solid lines, we find the path of the ray coming from C to cross the principal optical axis at A. A similar construction for a ray at the lower side of the lens would bring it to the same point and furthermore all parallel rays would focus at this point. This point is thus known as the principal focus of the lens, and the distance between this point and the lens is called the focal length of the lens. Every lens has two principal foci, one on either side and at equal distances from the lens.
FIGURE 86.
FIGURE 87.
If, instead of subjecting the lens to parallel rays, we use rays emanating from a central point on the optical axis, they will come to a focus at some different[143] point on the other side of the lens, as illustrated in Figure 86. If the light be placed at the principal focus of the lens, the rays leaving the lens will be parallel. If the light be brought nearer the lens, the rays leaving it will spread out as shown in Figure 87; they will leave the lens in a direction such as to make upon an observer from in front the impression that they are coming from the point C behind the lens. If the light be placed beyond the principal focus of the lens, the rays will converge to a point some distance ahead of it. This distance varies with the position of the light and the two points (light on one side and focus on the other) are known as conjugate foci of the lens[144].
FIGURE 88.
If an object be projected through a lens as, for instance, the arrow at the right of Figure 88, it will appear upon a screen placed on the opposite side, but will be inverted. The reason for this is that the rays of light striking the lens from the top of the arrow will be refracted as shown, cross the focal point F, and meet those which come from the same point and pass through the center of the lens in a straight line; and thus the image of the arrow head will appear at the bottom; in a similar manner the image of the tail of the arrow will appear at the top. The flatter the lens, the farther away will be the point at which the image is formed.
FIGURE 89.
If such a lens be placed over an object, the light[145] will come to the eye as shown in Figure 89. The solid lines show the rays by which the eye receives the light and the broken lines show the direction from which it appears to come. Thus we see the object much enlarged. A lens used in this manner is spoken of as a reading glass, and the greater the curvature, the greater its magnifying power.
FIGURE 90.
FIGURE 91.
In Figure 90 is illustrated a double concave lens. Parallel rays entering this lens are scattered by it, as shown. Therefore, if such a lens be placed over an object, the light from the extremity of the object will come to the eye as indicated in Figure 91, but will give the appearance of coming along the lines H and I. Thus the object will be seen much reduced[146] in size. Such lenses are sometimes used by artists to bring landscapes to a reduced size so that they may be viewed as a whole more easily.
FIGURE 92.
The general forms of lenses are shown in Figure 92,
In most optical instruments, lenses are used for the purpose of gathering a large number of rays of light and altering the apparent direction of the rays so that an enlarged picture may be presented to the eye. In order to accomplish this, it is necessary that the rays of light be bent or refracted. This refraction, we have already seen, is always accompanied by a dispersion which causes the light to be dissolved into its original colors more or less. This has been illustrated by means of prisms.
Wherever a single lens is used, the light around the edges of the illuminated space is always more or less colored, varying with the illuminant used. Such coloring is most noticeable along the edges of projected pictures but it also exists, though to a less noticeable degree, over the whole field, showing least in the center.
The light which is thus refracted and dispersed by one prism may be gathered again by another, as shown in Figure 93, but the light rays after passing through the second prism will be exactly parallel to[148] the ray striking the first. The light coming out of the second prism will appear white but it will be impossible either to enlarge or diminish the size of a picture in this way; hence lenses, corrected to give white light in this manner, would be of no use.
Fortunately it has been found that, with different kinds of glass, the ratio of refraction to dispersion is different; and by combining two pieces of glass of different nature, it is possible to recombine the colors without causing the emergent ray to become parallel to the incident ray. Consider, for instance, Figure 94 in which we have drawn a prism made up of two different kinds of glass. If the right half were of a glass having the same index of refraction as the left, for the red rays for instance, these would continue through both in a straight line. If the dispersion were less in the right half, i.e., if the violet rays were refracted less—sufficiently less to cause them to approach the red—they would meet the latter at some point outside of the prism and combine into white light again, thus eliminating the colors ordinarily visible through single glass lenses.
FIGURE 95.
Whenever it is necessary to project especially good pictures upon a screen, lenses corrected in some such manner as outlined above are always used and the lenses are often combined as shown in Figure 95. In this figure, R indicates the line, through the principal[149] axis, at which the red rays refracted by lens 1 alone would strike; and V, the line where the violet rays would be projected. The addition of lens 2 brings the red and violet together again at W. A combination of two such lenses, placed the proper distance apart and the surfaces properly proportioned, may be made to combine any two of the colors of the spectrum. Hence even with these corrected lenses there is always some coloring on the screen although it is hardly noticeable.
Figures 96, 97, and 98 are drawings showing the manner in which objective lenses are usually made up. The types at the right and left are used for camera work, while the one shown in the center is used mostly for moving picture and stereopticon projection. The end having the separate lenses is turned towards the[150] light. Those shown in contact are glued together by the use of Canadian balsam.
FIGURE 99.
The optical system of the ordinary telescope is shown in Figure 99. Light from the distant object A is gathered by the large lens B and an image is formed as indicated by the small arrow. This image acts as the object to lens C and is projected to lens D where the rays of light are strongly refracted, entering the eye by angles which cause an enlarged view of the object at E, as indicated. There must of course be some means by which the lenses may be adjusted to each other for focusing.
FIGURE 100.
The arrangement of the opera glass in Figure 100 is quite different from the above because of the reduced size of the instrument and for the reason that an erect picture is desired, whereas the telescope above gives an inverted one. The principal difference between the two is in the eyepiece. In the opera glass this is a concave lens while in the other it is a convex lens. In this case it is necessary to have the eye very close to the lens to catch the rays of light. The opera glass, as well as the telescope, must be provided with means of varying the distance between the lenses[151] according to the distance of the object viewed, for the purpose of focusing. In some telescopes and also opera glasses, prisms are used for the purpose of obtaining erect images. Figure 101 will show how the rays of light entering a prism are reflected and the image reversed thereby.
FIGURE 101.
Figure 102 is an explanation of the reflecting stereoscope. Let the black circles represent the eyes of the observer and let M represent two mirrors placed as shown. If two pictures taken by a stereoscopic camera are placed as indicated by the arrows at the right and the left, they will appear superimposed in the position of the arrow in the rear.
The refracting stereoscope is the one mostly used and the plan of it is shown in Figure 103. Pictures for use with stereoscopes are taken by special cameras provided with two lenses placed about as far apart as the human eyes and mounted together. Stereoscopic effects may, however, be produced even[152] without this precaution and it is possible to obtain some queer results by combining certain pictures.
In the so-called “Camera Lucida”, prisms of the type shown in Figures 104 and 105 are used. At the left is a combination lens and reflecting prism which gives an erect image, and Figure 105 is a prism also designed to give erect images. Such instruments are used for sketching. They may be made to throw an image upon a small screen where its lines may be traced out by the artist.
The most important optical instrument with which we have to deal is the projecting arc lamp and its optical system. The passage of light through this system of lenses is altogether different from that passing through a camera lens for instance. In a camera lens the picture is formed upon the ground glass screen by the light reflected from the object. From any single point of the object, rays of light strike all parts of the lens, pass through it, and are recombined or focused at some point behind it. Under these conditions, focus can be obtained only at a certain distance behind the lens, this distance varying with the distance of the object whose light is being received by the lens.
FIGURE 106.
With our projecting lens we have no reflected light leaving the object in all directions, but instead we have rays of light having definite directions. This can be seen from Figure 106. The light used must come from a point source, the smaller and the more intense it is the better. This light is gathered by condensers, as shown at C, which are so arranged as to focus the light in the center of the objective lens D. In the moving-picture machine the light, before reaching the objective lens, is passed through the film as indicated, the arrows representing sections of film. The picture projected in this manner can be made to appear upon a screen in front of the object lenses at any distance, but the farther away it is, the larger it will be and the less bright the illumination of it. A[154] picture projected in this manner is always inverted, and, in order to have it appear right side up, it must be placed in position upside down. Figures 107 and 108 show arrangement of lenses frequently used as condensers.
FIGURE 112.
The eye is easily deceived and is also very inaccurate in its judgment. In Figures 109 to 111, all of the lines are of precisely the same length, yet they appear to differ considerably. The reason for this error in the estimation of objects is not known. It is especially noticeable with such objects as a high hat; almost any one will estimate the height of a silk hat as much greater than it really is. In general, white objects also appear to be much larger than black objects. This can be seen by the two inscribed squares one black and the other white in Figure 112; both of these are of exactly the same size. Probably the fact that more light reaches the eye from a light-colored[156] object than from a dark-colored one of equal proportions causes the impression of greater size.
That the mind has the power of mixing contradictory or conflicting impressions made upon it is proved by many facts. If a star, Figure 113, be pinned to the center of a wheel and rapidly revolved, the center of it will appear jet black; while the outer portions, made up of the points and the white background, will appear grey which will gradually fade to a lighter shade from the center black spot outward.
If a card be provided with a picture of a bird on one side and a ring on the other, Figure 114, and this be rapidly spun on one corner, after the manner of a top, the bird will appear to be in the center of the ring. This effect is due to the persistence of vision; an image formed upon the retina requires some time before it can be eliminated so that both images appear together.
This persistence of vision and the power of suggestion are made use of in a well-known act which consists of apparently throwing something, for instance a guinea pig, into the air and causing it to vanish. To perform this trick, the operator holds the pig in[157] his hand and makes a few motions suggestive of tossing it into the air. Then, with a final more extreme motion on the downward swing of his hand, he drops the pig and swiftly moves his empty hand upward. Due to the persistence of vision, the audience actually still sees the pig and due to the suggestion of tossing the eyes look upward, and thus the persistence of vision and the power of suggestion create the illusion.
FIGURE 115.
Dissolving Views of Living Pictures.—This act requires a large glass plate of good clear quality arranged upon the stage, as shown in Figure 115. One of the poses is arranged as at the black circle behind the glass and when illuminated is seen by the audience. The other is arranged at one side. The lighting of both is connected to the same dimmers in such a manner that when the light of one is increasing, that of the other is diminishing. Thus the two figures are dissolved into one another. The paths of the various rays of light to different parts of the auditorium are shown in the drawing and it is possible to procure perfect registry.
Human Figure Floating or Performing in Air.—This act is arranged by means of a large mirror[158] placed upon the stage as shown in Figure 116. In the pit out of sight of the audience is a revolving table draped in dull black and all of the pit is draped in the same manner. A figure lying upon this table dressed in light clothes will appear erect in the mirror as indicated by the arrow. If now the table is revolved, the figure will be seen as turning over in the mirror. The figure upon the table may perform a number of evolutions suggestive of floating, flying, etc. The black cloth of the pit will reflect no light and only the figure will be visible. If a glass plate is used instead of a mirror, suitable scenery may be arranged back of it. The figure must of course be brightly illuminated. By moving the table upon which the figure rests across the pit, the figure will appear to move along.
FIGURE 116.
Head Suspended in Air.—This act is worked out in bright light. It requires a mirror with a hole in the center of it large enough to admit the head of a person, as shown in Figure 117. Above the mirror suitable decorations are provided which cause one looking at the mirror to imagine seeing the back wall of a room. The ceiling must of course be kept out[159] of view as much as possible. A person looking on sees the head and the mirror gives him the impression of vacant space about it. The head must be surrounded by a collar or drapery of some kind so that no reflection of it will be visible.
FIGURE 117.
FIGURE 118.
Magic Cabinet.—In this act a person enters the cabinet, Figure 118. The outer doors are closed for an instant and then opened. The person has disappeared! The disappearance is brought about by pulling the two mirrors, arranged inside of the cabinet, into the position indicated by the dotted lines. When the cabinet is open for inspection, these are swung to the side and are invisible. The backs are of the same design as the rest of the interior cabinet. When they are pulled together and hide the person behind them, they reflect the side walls of the cabinet and are not[160] noticed. If the cabinet is well made and the act skilfully performed, the outer doors may even be omitted.
Head Resting on Table.—For this act a hole large enough to allow a person’s head to project through is cut in the top of a table, Figure 119. This table has only two legs and is fitted up with mirrors, as indicated by shading. The reflection of the two legs in the mirror causes the observer to see four and imagine that the space below the table is vacant.
FIGURE 119.
Multiplication of Images.—If three large mirrors be arranged in the form of an equilateral triangle, as indicated in Figure 120, a person standing in the center will see his image reflected so many times that he will receive the impression of being in the midst of a crowd. He will see the reflections of reflections repeated until by absorption so much light is lost that they finally become invisible.
FIGURE 120.
FIGURE 121.
Trick Mirror.—Rather startling effects can be produced by a thinly coated mirror A, Figure 121, behind which an electric light is arranged so that it[161] may be easily turned on. The space behind the mirror being dark, no one suspects that it is anything but a common looking glass. It is, however, quite transparent when the light behind it is turned on. The person in front viewing himself may thus suddenly be brought to see anything that is behind the mirror. If another set of mirrors is arranged, as shown by shaded lines, the person in front of the mirror may suddenly be made to see a head floating in the air in front of him.
FIGURE 122.
The manner in which one can see through a brick is illustrated in Figure 122. Four mirrors reflect the light around it. If the mirrors are properly arranged, the person will imagine he is looking through the brick.
FIGURE 123.
The face of a person may be thrown upon a screen among clouds or other pictures in the manner shown in Figure 123. The face occupies the space marked by a half circle and two arc lamps with condensers are trained upon it at very close range. The face itself acts as a reflector projecting itself through the[162] object lens in the center. This act is very trying on the person whose face is reflected.
At a certain distance from a concave mirror, an object will be seen inverted. If the mirror be brought closer, the image will gradually go out of focus and, by bringing the mirror still closer, it will gradually come into focus again but this time erect. Properly arranged such a mirror can be made to give weird effects, for instance a skeleton, rushing at the observer; and the image will appear to step out of the mirror.
General Requirements.—In most cities it is required that theaters be built in locations which give free space for exits on two or more sides. A common requirement is that two sides adjoin public streets or alleys and one or both the other sides be provided with an open court allowing space for fire escapes and connections to street or alley. The buildings are also, as a rule, required to be of fireproof construction and divided practically into two parts by strong fire walls; one of these parts being the auditorium, that portion of the building used by the public, and the other, the stage and its belongings.
The main fire hazard of course is on the stage and every possible precaution should be taken, first to keep a fire from starting, and second, to keep it, should it start, from communicating to the auditorium. In order to protect the audience in case a fire starts doing damage on the stage, a steel and asbestos fireproof curtain is generally provided, large enough to cover the whole proscenium opening and equipped with the necessary apparatus to lower it instantly in case of necessity. In order to keep this curtain in first-class working order it is lowered at the end of every act and in the case of continuous vaudeville performances, which are not divided into acts, at least once or twice during each performance.
This curtain must be strong enough to withstand the strain of air pressure which would exist in case[164] of a fire raging behind it. This strain, when one considers the quantity of oil-painted scenery carried by many of the large shows, is apt to be considerable, in case of fire.
In order further to protect the audience, a large vent flue is required above the stage. The purpose of this vent is to carry off the smoke and gases. The Chicago law requires the vent to be equal in area to one-twentieth of the area of the stage and to extend fifteen feet above the highest point of the roof.
The hazard to the audience is not so much that of the actual fire, as of the rapid consumption of oxygen by the flames. This causes strangling. In the case of the Iroquois Theater fire the death of many was due almost entirely to this cause. The flames spreading rapidly consumed all of the oxygen in the tightly closed theater; at the same time the smoke and gases were spreading and hundreds of the audience inhaled this heated and vitiated air with almost instantly fatal results.
As a further precaution against fire, it is now required in all large cities, that all scenery be fireproofed to such an extent that it will not carry fire. The usual test for this is, to hold a match to a part of the cloth long enough to burn a hole through it. The fire must go out as soon as the match is withdrawn.
The following are extracts from the Chicago ordinances governing theaters of the larger class:
The building must be of fireproof construction. It must adjoin two public highways one of which may be an alley.
There must be an open space on both sides of the audience room and in front.
All balconies, galleries, main floor, and stage must connect with this open space by means of doors or fire escapes.
There must be an opening into this free space also from both sides of stage.
The floor level of the highest bank of seats on the main floor shall not be more than three feet above the sidewalk level and the lowest bank of seats not more than eight feet below this level.
All stairways must have a width of twenty inches for each one hundred seats in the room, but no stairway shall be less than four feet in width.
An iron stairway must lead from the stage to the fly floor, rigging loft, and out onto the roof.
All openings leading from the stage to the outside must be vestibuled.
Above the stage there must be a ventilating flue which must extend fifteen feet above the highest point of the roof and must equal in area one-twentieth of the area of the stage.
No seat must be less than twenty inches wide and thirty-four inches from back to back.
Every aisle must lead directly to an exit.
Between the stage and the auditorium there must be a wall of masonry and all openings in this wall must be equipped with self-closing doors.
There must be a steel curtain provided to close the main stage opening and the lowering of this curtain must be controlled at two different places.
The use of wood is allowed only for the stage floor and this must be at least two and three-fourths inches thick.
Automatic sprinklers must be provided in paint room, storeroom, property room, scene storage room, carpenter shop, and dressing rooms.
A special fire alarm system must be provided on the stage.
All scenery must be treated with a suitable fireproofing compound.
All parts of the building used by the audience must be equipped with two separate lighting systems, one[167] of which is known as the “Emergency Lighting” and must be kept lighted at all times while the audience is in the building.
A suitable supply of axes, pike poles, and fire extinguishers must be kept on hand.
There must be regular drills of employes on the use of these appliances and in the operations of doors and vents.
All doors must swing to the outside.
FIGURE 124.
The Stage.—Figure 124 is a floor plan of a typical stage, showing the orchestra pit O, foot lights F, steel curtain C, switchboard S, stage pockets Q, proscenium side lights P, and general arrangement of scenery. The foot lights are not always curved but it seems advantageous to arrange them in this way. The rows of seats are of necessity curved so as to face each patron squarely toward the stage. If then the stage and foot lights are curved in the same way, the actors will be able to come that much closer to the audience and can thus make themselves more easily heard. The curving of the foot lights will have the further advantage of illuminating the sides of an actor more than would be the case if they were laid out in a straight line.
At each side of the steel curtain are the proscenium side lights. In some cases these lights are arranged on the audience side of the curtain, the object being to arrange them as far in front of the stage as possible. The location of these lights is awkward and it is difficult to get light from them in a useful direction.
In most theaters the switchboard is located on the right-hand side of the stage, facing the audience. This is the side from which the stage manager prefers to work and the operating electrician should be[168] close to him. In most well-arranged theaters, the switchboard is raised above the stage level so that it may not obstruct the exits of the actors. Where practicable, the board should be let into the proscenium wall so as to allow the operator to stand as close to the proscenium opening as possible. He should have a full view of the stage at all times, since many of his cues are given by movements of the actors.
The stage pockets are laid out far enough from the center of the stage to insure their being always behind the scenery. If they are brought in too close, it is possible that, in a panorama setting, for instance, they would be visible to the audience.
Doors leading from the stage to the outside are always vestibuled in good houses. The vestibule prevents the wind from blowing the drapery about unduly and also shields the actors from unpleasant drafts.
Dressing rooms are arranged wherever the conditions of the building allow suitable space. Many of them are under the stage and others are arranged on one or both sides of the stage, sometimes very high up.
A view of the stage looking from the rear is shown in Figure 125. This figure shows the vent, the method of border light suspension, bridges for support of arc lamps or other sources of illumination, the fly floor, and the rigging loft, or “grid”.
The rigging loft is generally constructed entirely of iron slats with open spaces between them. This is necessary to insure ventilation in case of fire.
FIGURE 125.
In most theaters the height from stage to ceiling is about seventy feet or more. The height must be great enough to allow the scenery to be hoisted out[169] of sight above the proscenium opening. There must also be sufficient space above the rigging loft to allow men to walk about straightening out ropes, etc. The[170] total height should, therefore, be nearly two and one-half times that of the proscenium opening.
FIGURE 126.
As a rule no openings of any kind are arranged in any of the enclosing walls of the stage, except those that are necessary as entrances. In houses which[171] are likely to originate shows, a paint bridge is generally provided along the back wall.
FIGURE 127.
Moving-Picture Theater.—Figure 126 is a plan of a typical small moving-picture theater. A spacious[172] lobby is an important adjunct to any such theater and this space is often as valuable as the seating space inside. It affords shelter to those who cannot be seated at the moment. It is especially convenient in localities where race suicide is not yet very noticeable and where it forms a repository for many baby carriages.
A view showing the location of a picture-machine booth is given in Figure 127. This is the arrangement most in use although there are localities where it is required that the operating room be at the end of the theater opposite the main entrance, the object being to avoid the necessity of the audience passing under the fire to the outside in case a fire should occur in the operating room. This plan has so many disadvantages that it is never followed except where the law requires it. If a properly arranged operating room is provided, there is no necessity whatever for it.
FIGURE 128.
The chief use of Figure 127 is to illustrate the importance of adjusting the height at which the picture is thrown upon the curtain to the pitch of the floor.[173] The curved lines in the upper part of the picture indicate the floor conditions which would give each seat the same clearance over-the-one-in-front-of-it to a view at the bottom of the picture. The upper line shows the bottom of the picture, level with highest seat, the other with the same point somewhat below it.
FIGURE 129.
Figures 128 and 129 show the plan and the elevation of a large operating room. Every operating room should be of ample size to allow the operator to walk on all sides of the machine. It should be strictly fireproof, well-ventilated, and provided with a door giving easy exit to a floor outside, level with the floor of the room. In altogether too many rooms the only means of getting in or out is by a ladder which leads directly into the room through a small trap door. Such an arrangement is extremely dangerous in case of fire. The fumes of burning film are poisonous if inhaled and spread very fast. If two men should happen to be in such a room at the time the film is[174] ignited, it is likely that they would wedge each other into the narrow opening and both perish. The door to the operating room should open outward and be self-closing. All openings in the operating room must be fitted with fireproof shutters by which they can be instantly closed in case of fire. There should also be suitable ventilation to the outside to carry off all smoke from burning film.
The Screen.—The screen upon which the picture is projected should be a clear white but of a dull finish. All glare should be avoided and wherever there is a polished surface, this glare is always conspicuous.
There are a number of patent or special makes of screens on the market, but it is not the purpose at this time to discuss any of them. It will be sufficient to point out some of the simpler methods by which screens may be made.
A simple plaster wall is often used and is very serviceable, but it must not be polished and must be coated in some way to allow of washing off occasionally.
Perhaps, all things considered, a muslin screen is the best of all. Such a screen, if well stretched, gives a good flat surface entirely without glare and has the further advantage that it can easily be taken down and laundered as often as necessary. It is best to provide duplicate sets so that there may be one for use while the other is in the wash.
The only real objection to a muslin screen is the loss of light which it entails. It is not only a poor reflector of light, but it allows much of the light to pass through it. With many such screens, the picture is as well visible behind the screen as it is in front of it. This indicates a great loss of light and it[175] is to prevent this loss of light that the other forms of screens have been devised. The most noticeable of these is the mirror screen, which is a mirror of ground glass. It is very economical in light but expensive in first cost and hard to keep clean. It must be washed quite frequently and careless men are apt to use too much water and get some of it on the back where it will soon begin to loosen the silver coating and ruin the mirror.
The screen should be surrounded so that no other light except that coming from the picture can reach the audience. To this end there should be a black frame around it and this black frame must also be a dull black and without glare. Velvet drapery is the very best thing that can be provided and should be brought in so close from all sides that no white rim around the picture will be visible, as such a white rim would detract greatly from the illumination of the picture.
The decorations around the proscenium should preferably be of a dark color and kept dull, especially in cities where it is necessary to maintain emergency illumination. If the front is light in color, there will be considerable reflection which will detract from the picture and require a higher illumination of it.
Wherever there is an opportunity to do so, the screen should be set well away from the nearest row of seats. This will not affect the view of those in the rear, and it will very much improve the view of those in front. It must of course be seen to that a clear view from both sides is possible.
Construction and Ventilation.—The operating room should be built of fireproof material, such as cement, brick, or tile. If it is of wood, it may be made nearly fireproof by lining the inside with heavy sheet iron. It will be well if asbestos is placed between the sheet iron and the wood which it covers. All woodwork, whether window frames, doors, or shelving should be thus lined. It may be taken as practically certain that sooner or later one or more reels of film will be burned in the room and every precaution should be taken to prevent the fire from spreading. If this is done there will probably be no serious results, for in the past there have been so many film fires which have been successfully confined to the operating room that audiences have become pretty well accustomed to them. If all operating rooms are strongly built and of ample dimensions, with all openings as small as practicable, it will help to inspire confidence in the audience and there will be but little likelihood of a panic.
The chief danger is to the operator. It is true that he is generally to blame, but it is not always possible even with the utmost care to prevent a fire. Above all the operator should be given every possible chance to get away in case of fire. An operator who feels that he can get away at the last moment is far more likely to stay and fight a fire than one who is penned up in a coop from which it[177] is difficult to get out rapidly. There are in existence, at the present time, operating rooms where it is necessary to crawl on hands and knees some twelve or fifteen feet to get from the machine to the exit, and where the exit is by means of a trap door at the head of a ladder. Such operating rooms are an abomination and no self respecting operator would work in one of them.
The entrance and exit from the booth should be by means of a door at the right hand or crank side of the machine. The door should be self closing and should open into a space having a floor level with the floor of the operating room. The door should preferably be kept closed but if the provision illustrated in Figure 128 is made there can be no serious objection to leaving the door open for ventilation. A thin bar of iron is fastened to the door by a screw eye and is used to block the door open. A person rushing out will naturally knock this away and the door will close. The door could also be arranged to be held open by means of the strings, to be described later, which hold the shutters in place.
The ventilation of the operating room should be by means of a fireproof duct leading to the outer air. This flue should preferably extend above the highest point of the roof and should be of good size. The smoke from burning film is heavy and does not rise very fast but it is generated with extreme rapidity. Film burns at a temperature of 284 degrees Fahrenheit. If it is incased in a tank and fire communicates with it, the whole body of the film will be raised to this temperature in a very short time and will burn with the rapidity of an[178] explosion. In the magazines, which are in general use in the newer houses, the combustion will be slower but nevertheless will take not more than about one minute.
It has often been suggested that a motor be provided in the ventilating flue, this motor to be kept running during the time the machine is in operation. This would no doubt help clear away all smoke very quickly but there is no assurance that it will be running at the time when it is most needed. A simple way to help out the ventilation without the expense and noise of a motor, would be to arrange the ventilating flue directly above the arc lamps so that heat rising from these would cause a draft. This can be further helped out by locating all resistances in this flue. They will then be out of the way in a safe place and assist in ventilating the room. The ventilating flue will need to be fitted with a damper for use in cold weather. This damper should be arranged to open by gravity and be held closed by a string connected to the shutter strings so that the damper may open when the shutters close.
The floor of the operating room is a very important part of it. It should, above all, be extremely rigid so that the machine may be fastened solid and thus obviate any vibration which will cause movement of the picture. All floors that are constructed of wood are somewhat elastic and aid this vibration. Movement of the picture is especially noticeable and annoying to those compelled to sit close to it. Floors must furthermore be lined with fireproof material and the only material used is sheet iron which, upon the floor, is very noisy and can[179] hardly be nailed sufficiently to eliminate the noise. A metal floor lining has the further disadvantage of affording a good “ground,” so that any one standing upon it and touching a live part of the lamp is liable to receive a severe electrical shock. It will also soon wear through, make pockets to catch dirt, and allow a fire to communicate with the woodwork beneath it. The best floor material is cement, but this, when wet, also becomes a fairly good conductor and shocks may easily be obtained while standing upon it. There is no reason, however, why it should ever be wet in an operating room and it is therefore advisable to use cement.
The floor of the operating room should be kept clear as far as possible. Careless operators often allow their take-up magazines to become deranged and when they fail to work, allow the film to run on the floor. A thousand feet of film scattered loosely about occupies considerable space and is very likely to become badly tangled in case there is anything on the floor for it to tangle with. The writer has witnessed cases where it was necessary to take some of the film outside of the booth in order to get it straightened out. Any operator who has been in a similar predicament will appreciate the advantage of having every possible obstacle to a speedy re-adjustment removed. Above all, resistances and other sources of heat should be kept off the floor.
Every moving-picture machine requires at least two openings; one through which the picture is projected, which need not be very large; another through which the operator must view his picture, and this must be large enough to allow him to sit[180] in comfort while watching the picture. In some operating rooms the opening through which the picture is projected is closed by a metal funnel which covers the opening and extends back enclosing the front of the projecting lens. This arrangement is very simple in the case of machines in which the revolving shutter is behind the lens. With many machines, however, this shutter works in front of the lens and the funnel would have to be extended so as to enclose the revolving shutter.
There is no reason why strong clear glass could not be used in the operator’s peep hole. This would of course interfere slightly with the clearness of his vision for focusing, but every operator should be provided with an opera glass for this purpose anyway, so that this objection would be easily overcome.
The same considerations which apply to motion-picture machines also applies to stereopticon lamps.
In the more pretentious houses a spot light is generally maintained. This is for the purpose of illuminating vaudeville performers. The opening, provided for this lamp, must be large enough to allow the light to follow an actor about the stage, and glass cannot well be used in it.
The best color for the operating room is green but it must be a dull dark green. Every vestige of light maintained in the room helps dull the vision of the operator to the light upon the screen. There is, furthermore, much light reflected from the film where the light strikes it and it is unavoidable that the operator should be bothered by this at times. All other light should be kept away from his eyes while the picture is running.
All of the openings in the room must be equipped with fire shutters. These are generally made of heavy iron and are arranged so that, if necessary, they can be instantly released and made to close all the openings, thus preventing the escape of fire and smoke into the auditorium.
FIGURE 130.
The best arrangement of such a shutter is illustrated in Figure 130 at A. The shaded portion shows the opening; above is the iron slide, preferably one-sixteenth inch metal held up by a string. At the top is a step which will prevent the shutter from being pulled up out of the guides, for many operators would do this if the step were not there.
It is best to mount the shutter on a large piece of heavy metal which can then be bolted to the wall of the room. The hole in the wall can then be cut to the right proportions. When the machine is in place the shutter can be placed very accurately. In this way it will be possible to arrange for the smallest possible opening through which the machine can work.
Making up the shutter, as suggested above, is further of great advantage in old operating rooms of flimsy wood construction. If the guides in such places are fastened independently to the wall it is possible that they will not always remain in line with each other. A slight giving of the flimsy wall on one side may cause them to bind the shutter and prevent its free descent. If the metal on which the shutter guides are mounted is strong and heavy and the guides themselves substantially made, there will be but little chance to get them askew.
In that part of the guides in which the shutter runs there must be no screws, rivets, or anything else that could work loose and obstruct the shutters. Good methods of making up the guides are shown in Figure 130, at B and C. They should be loose enough to work without lubrication. At the bottom there should be a bumper to stop the fall at the proper place. This bumper should be padded with some fireproof or slow-burning material and should be narrow. If it is made wide the operator is apt to use it as a shelf for tools or other things and this would prevent it from closing properly in case of fire.
All of the shutters must be normally self-closing and must be held open by some arrangement which can readily be worked by the operator; or, in case he fails to close them, they should be arranged so that the flames will cause them to close automatically. This is often arranged for by simply attaching a light strong string to each shutter, running it through a hook eye directly above and attaching it to a master string which is led over every place at which there is thought to be a likelihood of[183] fire. The idea is, that the first spread of flames shall strike this string and by burning it, release all of the shutters. In order to enable the operator to drop the shutter perhaps before the flames have spread at all, the string is carried to the door and fastened so that he, on leaving the room, may quickly release it. It is even better to carry it still farther so that one can release it from the outside.
Some people have recommended that these strings be soaked in oil to make them more inflammable and tarred rope has even been made mandatory for similar purposes in ordinances. This might make the string more readily inflammable, but it would at the same time make it last longer. A string or rope so treated would act like a lamp wick and the better soaked or tarred it might be, the longer would it last and thus fail to its purpose.
FIGURE 131.
The principle of the arrangement of strings is shown in Figure 131. The string is fastened at the door in a manner allowing of easy and quick removal. Instead of the strings, light chains may be used provided that at a sufficient number of places fusible links are inserted. Such links are made up of an alloy which melts at a low temperature and allows the shutters to drop just as they would in the case of a string burning in two.
In many cases the strings are run over grooved pulleys. This is, however, inadvisable. Experience has proved that very often the string has come out of the groove and is wedged in between the shaft of the pulley and the side so that it will not allow the shutter to descend at all. A substantial hook eye is much better than any pulley. The strain being taken off the string when it separates, there is no friction and it slides through the eyes very readily. The door and the vent flue may all be brought under control of the same string so that all will operate together, the vent of course opening while the others close.
Where there is but one door there is little need of connecting it with the shutters, since, if it is provided with spring hinges it will naturally close after the operator has passed through it. In some operating rooms, however, there are two doors and both are often found open. In case of fire in such a booth it is extremely likely that one of the doors would be left open unless it is provided with some automatic manner of closing.
At D, Figure 130 is shown a shutter, provided with strong spring hinges, which closes over the opening from the outside. Such shutters should not be used where there is room for the drop shutters. Where it is necessary to have them, they should always be arranged on the outside of the booth; if on the inside there is too much chance of obstacles being in the way to prevent their closing.
It is very desirable that all of the shutters be closed after each show. If this is done there will be strong assurance that they will be in working order in case of need and this is about the only way[185] in which they can be kept in order. The string arrangement above described is, however, not well suited to this purpose unless each shutter string be detachable from the main string. There are also various other ways of accomplishing this which will readily suggest themselves to the operator.
In every operating room there should be ample provision for keeping tools but it is advisable to have all tools, that are not kept in the lockers, on hooks instead of shelves. It is best to limit the amount of shelving to what is actually necessary. Shelving offers great temptation for the accumulation of rubbish. There must be a shelf upon which to locate the rewinding apparatus and upon which to place the machine while looking it over or making repairs, also a shelf to hold a small vise, etc. But this is all; any additional shelving will be inexpedient. A locker for tools can easily be arranged under the rewind shelf. A good safe place is an encouragement to an operator to keep a supply of good tools and nothing is more essential to the proper management of a machine than good tools.
If the operating room is large enough, it may also contain a locker for clothes but this should be fireproof. Preferably, however, the clothes locker should be outside of the room, since a film fire gives one but little time to pick up clothes or anything else.
There should, further, be a metal pail or receptacle of some kind for hot carbons taken from the lamps from time to time. A wise operator will also provide himself with a small receptacle in which he can keep the pieces of film which he finds it is necessary to cut out of films received from the exchanges.[186] The inspection of films in the exchange is often very perfunctory and many lengths are left in that should be cut out. Cutting them out and saving them for a time will often help an operator to win out in disputes with his film exchange. There are operating rooms which have film boxes built into the wall in fireproof manner, some of them even surrounded by water. At the present time there are a number of good portable boxes on the market so that this is unnecessary.
Wiring of Operating Room.—Every operating room must have at least two circuits run into it; one for the arc lamp and another for one or more incandescent lights. In the larger cities an emergency lighting system is required for all parts of the house used by the audience. This system is always entirely independent of the main service and is supposed to furnish sufficient light for the audience in case the other lighting system should fail. It will be well if one light connected to the emergency system is arranged in the operating room. If this is done, there must be special provisions that no cords, fan motors, or portables be connected to it. A short circuit, or trouble of any kind on this light might put the whole emergency system out of operation. If such a light is installed, it should be at the ceiling and protected by a strong wire guard fastened to the outlet box. All wires carried into the operating room should be in conduit, with the exception of the asbestos covered wires used with arc lamps and resistances.
In addition to the incandescent light above mentioned, there should be several other lights so arranged that good light can be obtained in any part[187] of the room. The color of walls being dark there is but little reflection and a single light will only illuminate a small space. One light should be arranged above the rewind reel and there is often another arranged under a piece of glass in a shelf above which films are patched. Only the best reinforced cord should be used and all work that is stationary should be in conduit. Several outlets should be arranged for portable cords so that one may have a light to bring down to the take-up reel or close to the floor if necessary. Every incandescent lamp in the operating room should be protected by a substantial wire guard fastened to the socket.
Fan motors should be provided with strong brackets located near the ceiling and close to the outlet from which the motor is to be run. Fan motors should never be allowed upon the floor.
Where rewinding is to be done by motor, it will be well to arrange a separate circuit for this motor independent of all lights. The commutator part of the motor should be enclosed so that there may be no possibility of a spark igniting the film.
FIGURE 132.
Figure 132 is a sketch illustrating the arrangement of wiring by which two arc lamps may be connected to mains of sufficient carrying capacity for one only. F is the fuse box in which the arc lamp fuses are enclosed and may be large enough to accommodate a set of fuses for the incandescent-lamp circuit also. In many cases these are, however, taken from the house circuit since the meter rate for arc lamps is usually different from that for incandescent lamps. S is the main arc-lamp switch by which the whole installation in the room can be[188] cut off. This is necessary especially if so-called compensarcs, economy coils, or transformers are used, for these always take some current if left alive even if the arc lamp be not burning. At C is the resistance or economy coil which serves for both lamps and at S is the throw-over switch. This switch is provided to make it impossible to burn the two arcs at the same time as this would overload the small capacity mains. The above is a cheap arrangement and is installed only where a set of mains exists which is too small to supply more than one arc at a time. It is not to be advised for a new installation because it is of great advantage to be able to burn both arcs at the same time. When changing rapidly from one machine to[189] the other it is of advantage to have the second one on for a short time before the first is off, not only to save a little time, but also for bringing electrode points to the proper shape. Wherever it is possible to do so always provide mains of sufficient size to feed all of the arcs and give each lamp its own fuse, switch, and resistance or transformer.
FIGURE 133.
Figure 133 shows a method by which it is possible to arrange for either one of two arcs to be run from a rectifier R, indicated by the square at the left, or transformer T, at the right. In case rectifiers, heavy transformers that cannot well be raised to the ceiling, or motor generators are to be installed, they should be located in a separate enclosure which must be fireproof.
In general, all of the wiring in the operating rooms must be installed in accordance with the rules given in the chapter on Theater and Stage Wiring. These are the rules of The National Board of Fire Underwriters and are familiarly known as the “National Electrical Code,” or “N.E.C.”
Voltages Required.—The commercial distribution of electrical energy is at voltages of 110 or 220, in most cases, and occasionally runs as high as 550. The direct-current arc requires for its best operation a voltage of from 45 to 50, while the alternating-current arc uses from 30 to 40. In order to secure satisfactory operation of arc lamps, it becomes necessary to provide some means of reducing the voltage at the arc to the proper amount.
Resistance Control.—The simplest method and the one universally applicable is that of inserting resistance in series with the arc. The drop in voltage is equal to the current multiplied by the resistance; hence, if we wish to decrease our voltage, say 65 volts, as would be the case in connection with a 110-volt circuit and a 45-volt arc, using 25 amperes, we should need a resistance of 2.6 ohms. Twenty-five times 2.6 equals 65 volts lost, which leaves 45 volts to operate the arc with. In connection with arc lamps, however, it is not only necessary to lower the voltage but some provision must be made so that the current, when the electrodes are brought together, will not become excessive. At the time the arc is struck, i.e., at the time the electrodes are brought in contact with each other, the current is limited only by the extra resistance in the circuit, for the electrodes then form a short circuit. In the above case, 110 volts and a rheostat with 2.6 ohms resistance we should obtain,[191] during the time the electrodes are together, a current equal to 110 divided by 2.6 which equals about 43 amperes. If it were not for this resistance the current would rise to several times this value and blow out any fuse we might provide. It is not necessary that this resistance be in any particular place; if we have a very long run of small wire from the service to the arc, there may be sufficient resistance in this so that very little extra resistance is required. Somewhere, however, there must be some provision inserted in the circuit to prevent the current from becoming too great at the time the electrodes are brought together. In passing it may be noted at this point that an arc can be started without any resistance in the circuit by bridging the space between the electrodes with a small fuse wire which will melt the instant the current is turned on and establish the arc.
The resistance method is very wasteful of energy, as the following tabulation will show; but with direct currents it is the only method available, unless we are willing to provide a motor generator to give us the proper voltage. For alternating currents, resistances are not much used, except with traveling shows where the portability of the control as well as its fitness for all possible conditions is an important consideration.
TABLE IV.
SHOWING WASTE OF ENERGY WITH USE OF RESISTANCES
FOR VARIOUS VOLTAGES.
| Volts | Current | Watts Lost |
Useful Watts |
|---|---|---|---|
| 110 | 30 | 1950 | 1350 |
| 220 | 30 | 5250 | 1350 |
| 550 | 30 | 15150 | 1350 |
The tabulation in Table IV shows that the higher our voltage the greater the loss of energy caused by the use of resistances. The figures apply, as given, only to cases where only a single arc lamp is used. Where several can be used in series the loss due to high voltage need not be greater than with lower voltage.
FIGURE 134.
In Figure 134 we have shown diagrammatically the usual representation of a resistance. The more wire there is in circuit, the higher will be the resistance and the greater the drop caused by a given current. If we lengthen the arc, the current will be somewhat decreased and the drop in voltage over the resistance will be less, thus allowing a rise in the voltage at the terminals of the lamp. The energy lost in resistances takes the form of heat and all resistances, used for the control of arc lamps, give off much heat and must be located in safe places. The heating also makes them objectionable in small operating rooms in summer, but somewhat welcome in winter. The heat generated in a wire is proportional to the square of the current; hence if we double the current through a certain resistance we shall have four times the heat.
If several resistances are connected in series the total resistance will be equal to the sum of the individual resistances, and the current will be correspondingly decreased. If we wish to get more current than can be obtained with the use of one resistance[193] we may connect up two or more in parallel. Two equal resistances connected in parallel will give approximately double the current that can be obtained through one of them.
FIGURE 135.
Reactance Control.—A reactance, shown diagrammatically in Figure 135, may take the place of the resistance in alternating-current circuits and is preferable because it wastes comparatively little energy. It lowers the voltage over the arc but its operation depends upon a counter e.m.f. which opposes the impressed e.m.f. of the circuit and must be subtracted from the latter. The nature of reactances as well as of transformation, etc., has been fully treated in another work of the authors’, entitled, “Alternating Current Theory, Practice and Diagrams” and would carry us too far were it to be discussed in this work. Every reactive coil is made up of copper wire wound upon an iron core and contains both resistance and reactance. So far as the resistance in it is concerned, this causes a waste of energy, but it is always very small. There is also a waste of energy due to the hysteresis and eddy-current losses in the iron, but this is also small.
The reactance is proportional to the square of the number of turns of wire, if the iron core is fixed, and may be controlled either by adjusting the position of an iron core in a helix, or by adjusting the number of turns of wire around a fixed iron core. The light obtainable through a reactance is not of the best quality and reactances are not much used.
Transformation Control.—Another method of lowering the voltage is by means of the transformer. A diagram of an ordinary transformer winding is given in Figure 136. The fine-wire winding is the primary winding or coil, if the transformer is used to lower the voltage; and the other is known as the secondary winding or coil. The energy in both coils of the transformer, neglecting the iron and copper losses, is always exactly equal. The ratio of voltage between the primary and secondary terminals is in direct proportion to the number of turns of wire in each. If there are half as many turns in the secondary winding as in the primary, the voltage will be just one-half, but the current will be double. The transformer is self-regulating, within the limits of its capacity, and whatever energy is taken from the secondary, the primary will automatically supply.
FIGURE 136.
A transformer must be specially built for the voltage and frequency, at which it is to be used; but many of them are provided with taps, such as shown in Figure 136, by which small adjustments of voltage or current can be made. A transformer must always be connected so that the switch, when open, will disconnect the primary wires. If these remain closed[195] there will be a small current through the primary winding which will mean a considerable waste of energy.
Auto-transformer Control.—The auto-transformer is a special type of transformer used to obtain reduced voltage and increased current. Its principle may be gathered from Figure 137. There is an iron core and two coils of wire as in ordinary transformers but the two coils are connected in series, as shown in the figure. It will also be noted that the arc is connected directly across one of the coils. The lower portion of the winding or coil is traversed by the alternating current from the mains at all times and this current also passes through the arc lamp when the circuit through it is closed. The current passing through the lower coil and the arc induces a current in the upper portion of the winding and these two currents then pass in parallel through the lamp.
When the arc circuit is open, both coils are in series and act as choke coils so that but very little current is used. The auto-transformer may be designed to reduce the voltage to any desirable amount and the current will be correspondingly increased, neglecting all losses.
FIGURE 139.
If the reduced voltage were to be obtained from an ordinary transformer, the secondary coil would be called upon to carry the full current used by the lamp, while with this connection it carries much less. If the two coils are equal, the voltage will be reduced one-half, the current will be doubled, and only half of the current will pass through the secondary coil. The nearer equal the primary and secondary voltages are, the greater the saving in copper in the secondary coil. If it were intended to transform from 110 to 100 volts, the capacity of the secondary winding would need to be only one-eleventh of the total capacity. The auto-transformer is a very useful device but on account of the fact that the high voltage[197] exists in all of its parts, it is not safe to use with the high commercial voltages outside.
FIGURE 140.
If the auto-transformer is connected as shown in Figure 138, it can be used to raise the voltage; but in this case the current will be decreased. These auto-transformers, as well as the ordinary transformer, must always be connected to the source of energy by means of a switch so that they may be disconnected when not in use; otherwise there will be a small current in the primary circuit all the time which will show up quite strong on the watt hour meter. Transformers and auto-transformers are arranged to be portable. A general view is given in Figures 139 and[198] 140; the former being the Edison and the latter the Fort Wayne.
Motor-Generator Control.—The proper voltage for the operation of arc lamps can be obtained by the use of motor-generators. A motor-generator is a generator driven by a motor, the two armatures being placed upon one shaft or belted together. The motor may be driven by a current of any voltage desired. The diagram of such an outfit for direct current is shown in Figure 141. This type of machine is used, as a rule, only where the supply voltage is much higher than that used at the arc. Resistance must be used at each arc lamp.
FIGURE 141.
Figure 142 shows the connections of an alternating-current to a direct-current motor-generator of the Fort Wayne Electric Company. The switch A is used to start it and is shown connected to a three-phase line. Aside from the field winding there are three wires leading to the generator. The wire B[199] carries a compound winding inside of the generator which opposes the magnetization of the shunt winding. The wire C carries another compound winding which is arranged to strengthen the shunt field. D is a box containing two resistances, one for each arc lamp shown.
If only one lamp is to burn, the switch E is closed and the arc started in the usual way. When ready to change to the other arc lamp, switch E must be opened, the switch on the second arc lamp closed, and the arc struck. Then extinguish the first arc and close the switch E again. If both lamps are to be used continually, switch E must be left open.
FIGURE 142.
As long as current is used through wire B, there is no loss of energy in any resistance and should the current in the arc rise, as when the electrodes are brought together, the increased current in the series winding, cut into this wire, would weaken the field and thus keep the current down. When current[200] is used through the wire C, the series field winding strengthens the field and builds up the voltage sufficiently so that the lamps may be operated through the resistances. The field strength may be further regulated by the rheostat R.
Another connection of the Fort Wayne motor-generator is shown in Figure 143. In this case the lamps may be operated either from the compensarc C or the generator. By throwing either one of the switches connected to the arc lamps up, the corresponding arc lamp is connected to the compensarc. By throwing the switch down it is fed from the generator. The lamp, by which the picture is being projected, should be fed from the generator and when nearly ready to change, the other may be started on the compensarc. This lamp will burn with a short arc and when it is connected in parallel with the one on the generator, it will immediately extinguish the latter. No attempt must be made to burn both arcs from either the compensarc or the generator. This generator is also wound to protect itself against an overload.
FIGURE 143.
Where these connections are to be installed, it will be best to consult the local inspection departments concerning the necessary fusing for the compensarc and the generator. In some localities the possibility of throwing both arcs on either compensarc or generator, where these have capacity for but one arc at a time, will be considered very objectionable.
FIGURE 144.
Another combination of motor and generator sometimes used is shown in Figure 144. By tracing out the circuits it will be seen that the armatures of both are in series and that the electrodes, when they come together, form a shunt about B. With the electrodes separated, if current is turned on, it must pass through both armatures in series. Thus the counter e.m.f. of both armatures opposes that of the line and they operate at a certain speed. Each motor has a natural tendency to send current in opposition to that impressed upon it by the line. If then the electrodes are brought together, they at once form a short circuit around the armature of B. The current in B reverses and it then begins to act as a generator and sends current through the arc lamp. The current which passes through the armature of A also passes through the arc lamp. A is then a motor and operates B as a generator.
The voltage at the arc is less than the line voltage by as much as the counter e.m.f. of motor A amounts to, neglecting the drop in voltage due to resistance. No resistance is needed if the winding is properly arranged and there is not the less in heat which goes with the use of resistances. This arrangement can be used with direct-current circuits only. It is not suitable where the supply voltage is very much higher than the voltage used at the arc. A field rheostat is provided to adjust the field strength of B. A is equipped with the ordinary motor-starting rheostat only.
Rotary Converter Control.—This is a machine used only where the supply is alternating current. The voltage delivered to the converter must be the same as that desired at the direct-current terminals. This machine has an armature essentially similar to that of a direct-current dynamo. Alternating current is supplied to it at one set of terminals and direct current is taken from the others. This armature acts as motor and generator at the same time. Whatever voltage regulating is necessary with this machine must be done on the alternating-current side. Changing the field strength does not materially affect the voltage so that no means for regulating the field strength is provided.
The polarity of the direct-current terminals depends upon the position the armature happens to be in when the alternating current is applied to it and is very apt to come in wrong when the machine is started. It is therefore necessary to have a polarity indicating voltmeter in the circuit and to watch it when starting the machine. If the polarity is wrong, the switch must be opened and in a moment thrown[203] in again; and if still wrong, this process must be repeated until the polarity comes right. Each arc lamp fed from a converter must be equipped with resistance.
FIGURE 145.
The Martin rotary converter is especially designed for motion-picture work and may be provided with the proper connections for either single-phase, two-phase, or three-phase work. There is a stator ring[204] which entirely surrounds the armature. This ring is made up of laminated disks with squirrel-cage bars and slots alternating. The squirrel-cage bars are joined at the end to a copper bar and it is by the aid of this squirrel-cage that the motor may be started and brought into step. The squirrel-cage also prevents “hunting” which is one of the common troubles experienced with synchronous motors or converters. Into the slots are wound special compensating coils to balance the armature reaction and keep the neutral point in constant position from no load to full load. This prevents sparking at the brushes. On the outside of this damper ring or squirrel-cage winding is the regular shunt-field winding used with direct-current motors or generators.
Figure 145 is a diagram showing the connections of the Martin Rotary Converter as installed by the Northwestern Electric Company of Chicago. This switchboard is equipped to operate two moving-picture arcs, two dissolving stereopticon lamps, and one spot light. Each lamp is provided with a throw-over switch so that current may be used, either from the alternating-current mains direct or from the direct-current side of the converter.
Figure 146 is another panel board for moving-picture work made up by the same company. In this case resistances are provided for use when the arc lamps are operated from the converter. In case it is desired to run from the alternating-current mains, transformers or compensarcs are used. The emergency feature of these panel boards is highly to be recommended. It must be borne in mind that one may suddenly be forced to deal with an operator who has never seen a converter and knows nothing of its[205] operation; and there is also always the possibility of some trouble with the machine.
FIGURE 146.
A Martin rotary converter to be operated from a single-phase line is shown in Figure 147. This machine is started through the commutator side. In order to start this machine it is necessary first to[206] close the main switch. Next throw the switch 2 to the right and leave it there for about five seconds. It may then be thrown over to the running position at the left and allowed to remain in this position. If the polarity is not correct, the switch must be opened again for an instant and closed again; and this process must be repeated until the polarity comes in right. To stop the converter, first open the main switch and then the throw-over switch. The manner in which the above machines are preferably set up is shown in Figure 148.
FIGURE 147.
FIGURE 148.
The Mercury-Arc Rectifier Control.—The mercury-arc rectifier has three essential parts: the rectifier tube, the main reactance, and the panel. The rectifier tube, Figure 149, is a glass vessel from which the air has been exhausted and in which there are two graphite electrodes, A and A´, and one mercury electrode B. From the two upper electrodes current can[208] pass in the direction of the mercury only. They are always positive and the term anode is usually applied to them. B is always negative and the term cathode applies to it. Each anode is connected to a separate side of an alternating-current circuit and is thus subject alternately to positive or negative potential.
When current has once been started, the tube is filled with ionized mercury vapor through which the electricity can flow, from whichever of the two anodes is positive, toward the cathode B. Under no conditions, however, can electricity flow from the mercury in the tube toward the anodes. The action of the tube is started by tilting it sufficiently, so that the mercury in the bottom of it connects the starting anode C to A. This starts the current and when the tube is returned to its upright position, the mercury bridge from C to A is interrupted; but the current then continues from one or the other of the anodes.
Should the current be interrupted, even for an instant, the tube would cease to work until it had been tilted again. In order to provide that the current, which is alternating and comes to zero twice in every cycle, may never cease in the tube, it is necessary to provide some reactance. Such a reactance causes the current to lag behind the e.m.f. and in consequence lap over the time when it would otherwise fall to zero. While the current from the rectifier is always in the same direction, positive from B to the lamp, it is also a pulsating current changing in value to some extent.
In Figure 149 a complete diagram of the connections of the General Electric Company Mercury Arc Rectifier for moving-picture arcs is given. This type of rectifier is entirely automatic and is much used.[209] The front and back connections are shown in Figure 150. The following instructions are taken from a publication of the General Electric Company:
The leads marked A C should be connected to the lower side of a double-pole switch located near the moving-picture machine. The upper studs of the switch should be connected to the A C source of supply.
FIGURE 149.
The leads marked + and - should be connected, respectively, to the positive (upper) and negative (lower) electrodes of the moving-picture lamp.
If the A C supply voltage is 110 volts; then connect the flexible lead marked Z to stud marked 12; and flexible lead marked Y to stud marked 6[210].
If the A C supply voltage is 220 volts; then connect lead Z to stud 7, and lead Y to stud 1.
Note:—Do not disturb the other connections that are made on studs 1, 6, 7, and 12, but only place leads Y and Z as directed.
FIGURE 150.
The tube holder should be reversed so that the clip and support will be turned away from the panel instead of towards the panel, as it is when shipped.
Remove the tube from its box, being very careful not to handle it roughly and not to strain the seals[211] in any way whatever. Care must also be taken to prevent the mercury from suddenly flowing into any of the arms; otherwise the resultant pounding might damage them.
Examine the tube for vacuum by noting the sound the mercury makes when allowed to roll gently about in the large chamber. If it makes a clear, metallic click, the vacuum is good; but, if the sound is dull and the mercury sluggish in moving, the vacuum is either partially or wholly destroyed. If the vacuum is poor, the life of the tube may be short or it may not start at all. To insure careful handling and safe delivery, Mercury-Arc Rectifier tubes are always shipped by express in the special box as they come from the factory.
Place the tube in the holder by inserting the small part of the tube just above the anode arms in the upper clip; then gently lower it until it rests firmly on the lower support. Connect the tube and beaded leads according to the above diagram.
Adjustment of current (number of amperes) at the arc is obtained by connecting leads marked X to studs marked 11, 9, 7, 5, 3, or 1 of the regulating reactance. Stud 1 gives the maximum and stud 11 the minimum number of amperes. In starting up the first time it is best to start with lead X on stud 11 and move toward the maximum position by steps until the desired current is obtained, as indicated by the ammeter. For this adjustment it is advisable to connect an ammeter in series with the arc in the moving-picture machine.
With the above instructions carried out, all that is necessary to start is to close the switch in the A C line; then bring the electrodes of the arc together.[212] The automatic shaking device should then rock the tube until the arc in the tube starts; as soon as the arc in the tube starts separate the electrodes.
The best and whitest light can be obtained when a 5⁄8-inch cored-carbon electrode is used above and a 1⁄2-inch solid-carbon electrode below, care being taken not to get solid carbons too hard. The average current in the arc should not exceed 30 amperes and it will be found that excellent pictures can be obtained with 25 amperes or even less and the cost of energy, carbons, and condensers will be less.
Operation of Generators.—The generator should be located in a clean dry place. If it is belt driven, the belt should be run horizontal if possible and so that the slack side will be on top. This increases the arc of contact with the pulleys and allows the belt to run with less tightening. The frame should be provided with a slide for the purpose of adjusting and tightening. The proportion between the largest and the smallest pulleys used close together should not be greater than about 6 to 1.
To start a dynamo it is best first to disconnect it from the switchboard. Start it running and adjust the voltage by the field rheostat. When the voltage has arisen to its proper value and everything is running smoothly, the main switch may be closed. If there is much of a load, it will probably be found that the voltage has fallen off a little and it will be necessary to re-adjust it. Next, look carefully after the brushes and set them at the points where there will be the least sparking. A good modern generator should not spark at all. All of the bearings must be carefully looked after and watched for heating. If they are not properly oiled or in good condition, they may heat considerably. The armature should run with considerable end play as this helps to distribute the oil over the bearings and even up the wear on the commutator surface.
Small generators sometimes lose their residual magnetism and it is then impossible to start them[214] generating. In such a case the fields may be connected to a live-lighting circuit; or a small exciting current may be obtained from a battery. One should know which is the positive pole of the field and apply the battery or line current accordingly. A test for polarity may be made by placing the ends of wires of opposite polarity in a vessel with water and bringing them within an inch or so of each other. Under these conditions bubbles will be given off at the negative pole. The polarity of the generator will vary with the polarity of the field, the direction of rotation, and the connection of the brushes. By reversing any one of these we may reverse the polarity of the current delivered. Shunt dynamos cannot well be operated in parallel; where it is desired to operate several dynamos together, compound-wound machines are used.
Operation of Motors.—The speed of a direct-current motor is always such that the counter e.m.f. of the motor becomes nearly equal to the impressed e.m.f. of the line. In order to speed up a motor it is necessary to weaken the fields; and conversely, to slow it down we must strengthen the fields. The above methods are necessary if the motor is to run at a nearly fixed speed with a variable load. The speed can also be controlled by a variable resistance placed in the armature circuit. This method, however, does not result in a steady speed with a variable load. It has very little effect if the load is light, and very much if it is heavy.
In order to start a motor it is necessary to have some resistance in the armature circuit. In very small motors the armatures are usually wound with sufficient resistance so that no external resistance is[215] required. The larger motors are, however, equipped with starting boxes which limit the current through the armature until it has attained sufficient speed so that its counter e.m.f. will keep the current in check.
These starting boxes are usually wound with fine wire and cannot stand the starting current very long. The handle must be moved over steadily and slowly and not allowed to remain on an intermediate position unless it is known that the box is meant to be used as a speed controller as well as a starting box. The direction of rotation of a direct-current motor can be reversed by reversing either the field or the armature current. If both are reversed, it will continue to run in the same direction.
Alternating-Current Motors.—Synchronous alternating-current motors are not used in theater work but the rotary converter is frequently used and may be considered as such. This machine must run at a certain speed which depends upon the frequency of the current supplied and the number of poles on the machine.
Rotary converters are of different types and may be started either from the direct-current side or from the alternating-current side. Some of them are provided with connections so that the alternating current may be applied on the direct-current side of the armature. For starting and operating these converters, the instruction of the maker should be consulted.
For motor-generators where alternating current is used, the induction motor is generally employed. It may be either single-phase, two-phase, or three-phase. All of these are essentially constant-speed motors.[216] Simple repulsion motors and single-phase induction motors that start as repulsion motors are reversed by shifting the brushes.
Alternating-current series motors are reversed in the same manner as direct-current motors by reversing either field or armature. If both are reversed, the motor will continue to run in the same direction.
A three-phase induction motor will reverse its direction of rotation if any two of the line wires connected to the primary winding be reversed. If all three wires are changed in order, the direction of rotation will remain unchanged. Synchronous motors when started as induction motors are also governed in this way.
These motors of the larger size are generally started through an auto-transformer. For the smaller ones, it is customary to provide a throw-over switch, one side only of the switch being fused. The motor at starting takes very strong currents which would blow the running fuse. To reverse a two-phase induction motor the two wires of one phase must be reversed.
Be sure that all belts are sufficiently tight.
See that all bearings are well oiled.
Let all shafts have sufficient end play.
Use no oil cans of iron around dynamos or motors.
Keep files and other iron or steel away.
See that all connections are good and tight.
Allow no metal dust or gritty substances to accumulate at the insulation of exposed parts.
See that the brushes fit properly and do not cut or scratch.
Use no emery paper on commutators.
Lubricate the commutators very sparingly and wipe off as much of the lubricant as you can.
Keep everything about the machines clean and allow no oil drippings to accumulate.
Place the starting box for a motor so you can see the motor start from the box.
Always place a switch which will disconnect all of the wires close to the motor.
If possible arrange motors so they may start without load.
Allow no motor or generator to be placed in the operating room of a moving-picture theater.
The wireman should not fail to consult local rules or inspection departments as to whether any rules conflict with those given below. He must be warned to consult local authorities or rules, too, because safety rules are liable to change.
The purpose of this chapter is to furnish a ready reference work concerning questions of electrical construction in theaters which come up daily in all progressive play houses. To this end the subjects have been arranged in alphabetical order and the practical considerations, as well as extracts from the National Electrical Code governing construction, have been given together. The aim has been to enable the workman to find all information concerning construction work grouped together, so as to obviate the necessity of looking through various parts of the book for the information sought. This order of things will probably avoid the troubles now often caused by overlooking certain points that should be considered.
Aisle Light.—Figure 151 is an illustration of an aisle light. Such lights are often placed along steps and aisles. The light illuminates only the floor. Aisle lights should be arranged on a separate circuit and controlled by a switch at the door.
Alternating Current.—All wires of any circuit or mains or sub-mains of any system must be run in the same conduit. Failure to do this will cause an unnecessary drop in voltage and heating of the conduit.
Arc Lamps.—For treatment and construction of[219] portable arc lamps, see the chapter on “Portable Stage Equipment”.
Permanently located arc lamps are used about theaters mostly for out-door lighting. Very often, two or more lamps are arranged in front of the house. Such lamps are mostly of the flaming arc lamp type and are hung up high.
FIGURE 151.
In some of the cheaper theaters a pair of arc lamps is used on the stage, but they do not give satisfaction. The light is not even and steady enough and cannot be properly “dimmed”. Where arc lamps are to be arranged for stage illumination they must be suspended amid the scenery and enclosed with wire guards. In some cities the use of arc lamps suspended above the stage is prohibited.
In the auditorium, arc lamps are sometimes installed, but this practice can not be recommended and, with the present high efficiency incandescent lamps, there is but little excuse for it. The only advantage in using arc lamps lies in the first cost of[220] wiring, and this is more than balanced by the difficulties of trimming lamps located in such places. Wherever arc lamps are used it is essential that they be hung high and those that do not naturally throw the light downward must be equipped with suitable reflectors. The question of drop in voltage need not be considered with arc lamps unless runs are very long.
Must be provided with reliable stops to prevent carbons from falling out in case the clamps become loose.
All exposed parts must be carefully insulated from the circuit.
Must, for constant-current systems, be provided with an approved hand switch, and an automatic switch that will shunt the current around the carbons, should they fail to feed properly.
The hand switch to be approved, if placed anywhere except on the lamps itself, must comply with requirements for switches on hanger-boards.
Terminals must be designed to secure a thoroughly good and permanent contact with the supply wires, which contact must not become loosened by motion of the lamp during trimming.
Spark arresters must so close the upper orifice of the globe that it will be impossible for any sparks, thrown off by the carbons, to escape.
Must be carefully isolated from inflammable material.
Must be provided at all times with a glass globe[221] surrounding the arc, and securely fastened upon a closed base. Broken or cracked globes must not be used.
Must be provided with a wire netting (having a mesh not exceeding one and one-fourth inches) around the globe and an approved spark arrester, when readily inflammable material is in the vicinity of the lamps, to prevent escape of sparks of carbon or melted copper.
Outside arc lamps must be suspended at least eight feet above sidewalks. Inside arc lamps must be placed out of reach or suitably protected.
Arc lamps, when used in places where they are exposed to flyings of easily inflammable material, must have the electrodes enclosed completely in a tight globe in such manner as to avoid the necessity for spark arresters.
“Enclosed arc” lamps, having tight inner globes may be used, and the requirements of b and c above would, of course, not apply to them.
Where hanger-boards are not used, lamps must be hung from insulating supports other than their conductors.
Lamps when arranged to be raised and lowered either for carboning or other purposes, shall be connected up with stranded conductors from the last point of support to the lamp, when such conductor is larger than No. 14 B. & S. gauge.
Must have a cut-out for each lamp or each series of lamps.
The branch conductors must have a carrying capacity about fifty per cent in excess of the normal current required by the lamp.
Must only be furnished with such resistances or regulators as are enclosed in non-combustible material, such resistances being treated as sources of heat. Incandescent lamps must not be used for this purpose.
Must be constructed, so far as practicable, similar to arc lamps of theaters, and wiring to same must not be of less capacity than No. 6 B. & S. gauge. See “Portable Stage Equipment”.
Must be of approved type, insulated from ground and controlled from switchboard, each receptacle to be of not less than 35 ampere rating for arc lamps nor 15 amperes for incandescent lamps, and each receptacle to be wired to its full capacity. Arc pockets to be wired with wire not smaller than No. 6 B. & S. gauge and incandescent pockets with not less than No. 12 B. & S. gauge.
Plugs for arcs and incandescent pockets must not be interchangeable.
Armored Cable.—All wires in the stage part of theaters must be enclosed in conduit or armored cable. Armored cable is thus the only flexible conductor allowed for permanent work. This cable is very convenient where wires must be “fished”, or run around beams or other obstacles making many bends necessary. It should, however, be used only where the rigid conduit cannot well be installed and it is advisable to use the latter, even where the additional expense is considerable. Wires run in rigid conduit can be taken out and replaced by new ones at any[223] time, while this is not the case with armored cable. Should a wire incased in armored cable develop a serious fault, the old cable would have to be abandoned and a new circuit run, which in many cases would mean the tearing up of parts of the building.
FIGURE 152.
Where armored cable is to be used great care should be exercised to see that bends are not made too short, and that each length of cable is tested for grounds, short circuits, and open circuits. Special attention must be given to the wires at the place where the armor has been cut. Careless workmen can do great damage at this point. The manner of cutting the armor is shown in Figure 152. Each strand of the armor is partly cut with a saw and may then be broken off, taking care that no sharp edge is left in position to pierce the wire.
Installation rules are given below. Before installing any armored cable, be sure that it is of approved make and guaranteed to pass inspection.
Must be continuous from outlet to outlet or to junction boxes or cabinets, and the armor of the cable must properly enter and be secured to all fittings, and the entire system must be mechanically secured in position.
In case of service connections and main runs, this involves running such armored cable continuously into a main cut-out cabinet or gutter surrounding the panel board, as the case may be.
Must be equipped at every outlet with an approved outlet box or plate, as required in conduit work.
Outlet plates must not be used where it is practicable to install outlet boxes.
For concealed work in walls and ceilings composed of plaster on wooden joist or stud construction, outlet boxes or plates and also cut-out cabinets must be so installed that the front edge will not be more than one-fourth inch back of the finished surface of the plaster, and if this surface is broken or incomplete it shall be repaired so that it will not show any gaps or open spaces around the edges of the outlet box or plate or of the cut-out cabinet. On wooden walls or ceilings, outlet boxes or plates and cut-out cabinets must be so installed that the front edge will either be flush with the finished surface or project therefrom. This will not apply to concealed work in walls or ceilings composed of concrete, tile or other non-combustible material.
In buildings already constructed where the conditions are such that neither outlet box nor plate can be installed, these appliances may be omitted by special permission, provided the armored cable is firmly and rigidly secured in place.
Must have the metal armor of cables permanently and effectually grounded to water piping, gas piping, or other suitable grounds, provided that when connections are made to gas piping, they must be on the street side of the meter. If the armored cable system consists of several separate sections, the sections must be bonded to each other, and the system grounded, or each section may be separately grounded, as required above.
The armor of cables and gas pipes must be securely fastened in outlet boxes, junction boxes, and cabinets, so as to secure good electrical connection.
If armor of cables and metal of couplings, outlet boxes, junction boxes, cabinets, or fittings having protective coating of non-conducting material, such as enamel, are used, such coating must be thoroughly removed from threads of both couplings and the armor of cables, and from surfaces of the boxes, cabinets, and fittings where the armor of cables or ground clamp is secured in order to obtain the requisite good connection. Grounded pipes must be cleaned of rust, scale, etc., at place of attachment of ground clamp. Connections to grounded pipes and to armor of cables must be exposed to view or readily accessible, and must be made by means of approved ground clamps, to which the ground wires must be soldered.
Ground wires must be of copper, at least No. 10 B. & S. gauge (where largest wire contained in cable is not greater than No. 0 B. & S. gauge), and need not be greater than No. 4 B. & S. gauge (where largest wire contained in cable is greater than No. 0 B. & S. gauge). They must be protected from mechanical injury. The ground for the armored cable system is not to be considered as a ground for a secondary system.
When installed in so-called fireproof buildings in course of construction, or afterwards if exposed to moisture, or where it is exposed to the weather, or in damp places, such as breweries, stables, etc., the cable must have a lead covering placed between the outer braid of the conductors and the steel armor. The lead covering is not to be required when the[226] cable is run against brick walls, or laid in ordinary plaster walls unless same are continuously damp.
Where entering junction boxes, and at all other outlets, etc., must be provided with approved terminal fittings which will protect the insulation of the conductors from abrasion, unless such junction or outlet boxes are specially designed and approved for use with the cable.
Junction boxes must always be installed in such a manner as to be accessible.
For alternating-current systems must have the two or more conductors of the circuit enclosed in one metal armor.
All bends must be so made that the armor of the cable will not be injured. The radius of the curve of the inner edge of any bend not to be less than 11⁄2 inches.
Asbestos.—As all wiring in theaters is required to be run in conduit, and metal cabinets are compulsory in this connection, there is but little opportunity to use asbestos. Wherever the use of asbestos is advisable it must conform to the general requirements as given for wooden cutout cabinets, viz.: “for lining wooden cabinets, one-eighth inch rigid asbestos board may be used when firmly secured in place by screws or tacks”.
Attachment Plugs.—Attachment plugs should be used to connect all portable apparatus. All plugs should be of approved type and constructed so as to pull out in case strain is put on them. On the stage, pin-plug connectors should be used in place of attachment plugs, as none of the latter are sufficiently rugged to withstand the hard usage.
Link fuse attachment plugs of the types now on the market are considered unsafe, as under entirely possible conditions an arc may be produced when the fuses blow, damaging the plug and perhaps causing fire. Attachment plugs are not approved for more than six hundred and sixty watts or two hundred and fifty volts.
Auditorium.—Two separate systems of lighting are required: See emergency or exit lighting. Metal moulding, as well as armored cable or conduit, is permissible in wiring the auditorium part of the theater.
Auto-Starters.—Auto-starters perform the same service with alternating-current motors that resistances do with direct-current motors. They are used with motors from two or three horse power upward, and not generally with the smaller motors.
The following are extracts from the “National Electrical Code” concerning their use:
In all wet, dusty, or linty places, auto-starters, unless equipped with tight casings enclosing all current-carrying parts, must be enclosed in dust-tight fireproof cabinets. Where there is any liability of short circuits, caused by accidental contacts, across their exposed live parts a railing must be erected around them.
The switch on the auto-starter must provide an off position, a running position, and at least one starting position. It must be so arranged that it will be held in off and running position, but not in starting position or without the proper running overload-protection devices in the circuit.
For currents above 30 amperes, lugs, into which the connecting wires may be soldered, or approved solderless connectors must be used. Clamps or lugs[228] will not be required when leads are provided as a part of the device.
The following rules are drawn for rheostats but may also apply to auto-starters:
Where the circuit-breaking device on the motor-starting rheostat disconnects all of the wires of the circuit, the switch called for in this section (to disconnect all apparatus) may be omitted.
Overload-release devices on motor-starting rheostats will not be considered to take the place of the cutout required to protect the motor and the rheostat.
Balconies.—The illumination of balconies is a difficult matter. The ceilings under galleries above are always low, and to obtain even illumination requires the use of many small candle-power lamps. These should be set well back so as not to be visible too much to the audience.
Stage-pocket capacity for one or more arc lamps should always be provided. Where there are galleries above, the arc lamps used for stage illumination are generally placed there, but it often happens that a moving-picture machine must be installed and it is very disadvantageous if this must be located in the galleries. Balconies require the same exit and emergency light service as is required in the auditorium.
Batteries.—See Portable Stage Equipment.
Bells.—Systems of call bells are generally arranged between the box office or the manager’s office and the stage switch board; also from the stage switch board to the fly floor by which signals for raising and lowering the curtain may be given; also to the orchestra leader. In some cities all of this wiring is required to be in conduit. These signaling circuits[229] should be carefully installed, for they are as important as any part of the wiring. Only the very best bells and push buttons should be used, and it is advisable to avoid the use of the ordinary annunciator wire so often seen in connection with bell work. Numerous diagrams and much information concerning bell wiring is given in “Modern Wiring Diagrams and Descriptions”, which should be consulted in case some complicated annunciator system is to be installed. Figure 153 is a diagram of a simple call-and-return-call system.
FIGURE 153.
FIGURE 154.
Borders.—The number of borders used in theaters varies from one to six, the latter number being sufficient for almost any stage. They are generally made of a length about equal to the proscenium opening. The borders placed in the rear are of less importance than those in front and consequently are made shorter and are not provided with so many lights. Each border should have at least three circuits, one for each[230] color; each circuit being taken through a separate dimmer so that any color may be used alone and dimmed as desired.
Figures 154 and 155 show types of borders, and the method of wiring is shown in Figure 156.
FIGURE 155.
FIGURE 156.
Large borders are very heavy and are usually suspended by wire rope and provided with counterweights to make handling easy. The wire rope should be kept well protected by oiling; the moisture given off by fireproofed scenery is liable to rust them very fast, and as the ropes are made up of very fine strands the rust soon cuts entirely through them. The suspending ropes and also cables supplying lights must be long enough to admit of bringing the border within five or six feet of the stage floor for lamp renewals and cleaning. The cleaning is very important as the dust which accumulates may absorb a large part of the light.
Must be constructed of steel of a thickness not less than No. 20 U. S. sheet metal gauge; treated to prevent oxidation; be suitably stayed and supported; and so designed that flanges of reflectors will protect lamps.
Must be so wired that no set of lamps requiring more than 1,320 watts nor more than 26 receptacles shall be dependent upon one cut-out.
Must be wired in approved conduit or armored cable, each lamp receptacle to be enclosed within an approved outlet box, or the lamp receptacles may be mounted in an iron or steel box, metal to be of a thickness not less than No. 20 U. S. sheet metal gauge treated to prevent oxidation, so constructed as to enclose all wires. Wires to be soldered to lugs of receptacles.
Must be provided with suitable guards to prevent scenery or other combustible material coming in contact with lamps.
Cable for borders must be of approved type and suitably supported; conduit construction must be used from switchboard to point where cables must be flexible to permit of the raising and lowering of border.
For the wiring of the border proper, wire with approved slow-burning insulation must be used.
Borders must be suitably suspended, and if a wire rope is used same must be insulated by at least one strain insulator inserted at the border.
Box Office.—The box office is often a very stuffy place in summer and very cold in winter. There should be an outlet for a fan motor, and also one for[232] a heater. Very many box offices depend upon electric heating for comfort in winter. Plenty of light should be provided and the light should be at the ceiling, out of the way, and directly over the ticket window.
Brackets.—Any brackets used in theaters should be at least seven feet above the floor. Brackets used for emergency or exit lights must be fitted with keyless sockets. See “Fixtures”.
Branch Circuits.—The term, “branch circuit”, as here used refers to the wires leaving the last cut-outs and connecting directly to the lamps or other devices. Mains are often run from the switchboard to various parts of the building to feed cut-out centers, and the branch circuits are then run from these centers. This is often the cheapest method, but it is by no means the best. In a well designed theater all branch circuits lead out from the vicinity of the switchboard so that, in case of any trouble with fuses, they may be replaced without interfering with any part of the audience and in the shortest possible time. This method of wiring involves some long runs of branch circuit wires and Table V, which shows the drop in voltage, was prepared for the convenience of wiremen. If possible the circuits should be so arranged that the lamps fed are closely together so all may receive nearly the same voltage. The drop should not much exceed two per cent.
Table showing drop in voltage due to 6 amperes, with sizes of wire and distances given:
TABLE V.
DROP IN VOLTAGE DUE TO 6 AMPERES WITH SIZE OF WIRE
AND DISTANCE GIVEN.
| Distance in feet | 50 | 75 | 100 | 125 | 150 | 175 | 200 | 225 | 250 | 300 |
|---|---|---|---|---|---|---|---|---|---|---|
| Size of Wire No. 14 | 1.58 | 2.37 | 3.16 | 3.95 | 4.74 | 5.53 | 6.32 | 7.11 | 7.90 | 9.48 |
| Size of Wire No. 12 | 0.99 | 1.48 | 1.98 | 2.47 | 2.97 | 3.45 | 3.96 | 4.45 | 4.95 | 5.94 |
| Size of Wire No. 10 | 0.63 | 0.94 | 1.25 | 1.56 | 1.87 | 2.19 | 2.50 | 2.81 | 3.12 | 3.75 |
| Size of Wire No. 8 | 0.39 | 0.59 | 0.78 | 0.97 | 1.17 | 1.36 | 1.56 | 1.75 | 1.95 | 2.34 |
No wire smaller than No. 14 B. & S. gauge must be used.
Each branch circuit must be protected by fuses, which must be so placed that no set of small motors, small heating devices, or incandescent lamps, whether grouped on one fixture or on several fixtures or pendants (nor more than 16 sockets or receptacles) requiring more than 660 watts, will be dependent upon one cut-out.
By special permission, in cases where wiring equal in size and insulation to No. 14 B. & S. gauge approved rubber-covered wire is carried direct into keyless sockets or receptacles, and where the location of sockets and receptacles is such as to render unlikely the attachment of flexible cords thereto, the circuits may be so arranged that not more than 1,320 watts (or thirty-two sockets or receptacles) will be dependent upon the final cut-out.
Except for signs and outline lighting, sockets and receptacles will be considered as requiring not less than 40 watts each.
All branches or taps, from any three-wire system, which are directly connected to lamp sockets or other translating devices, must be run as two-wire circuits if the fuses are omitted in the neutral, or if the difference of potential between the two outside wires is over 250 volts, and both wires of such branch or tap circuits must be protected by proper fuses.
The above shall also apply to motors, except that small motors may be grouped under the protection of a single set of fuses, provided the rated capacity of the fuses does not exceed 10 amperes.
When 1,320 watts are dependent upon one fusible cut-out, as is allowed in theater wiring, outline lighting and large chandeliers, the fuses may be in accordance with the following:
| 125 volts or less | 20 amperes |
| 125 to 250 volts | 10 amperes |
Bus-Bars.—Bus-bars may be made of bare metal. They must, however, be protected against accidental contact. The metal should be ample so that it will not heat more than 50 degrees Fahrenheit above the surrounding air.
It is customary to calculate the metal needed, on the basis of 1,000 amperes per square-inch cross section. On this basis bars of the sizes given below would have the carrying capacities in amperes given in the body of the table.
TABLE VI.
CURRENT-CARRYING CAPACITY OF BUS-BARS.
| Thickness | 2⁄32 | 3⁄32 | 4⁄32 | 5⁄32 | 6⁄32 | 7⁄32 | 8⁄32 | 9⁄32 | 10⁄32 | 12⁄32 | 16⁄32 | ||
|---|---|---|---|---|---|---|---|---|---|---|---|---|---|
| Width in In- ches |
1⁄2 | 30 | 45 | 60 | 75 | 90 | 105 | 120 | 135 | 150 | 165 | 180 | |
| 5⁄8 | 37 | 57 | 75 | 94 | 108 | 132 | 150 | 168 | 188 | 206 | 225 | ||
| 6⁄8 | 45 | 68 | 90 | 112 | 135 | 158 | 180 | 202 | 225 | 248 | 270 | ||
| 7⁄8 | 53 | 79 | 105 | 130 | 158 | 184 | 210 | 236 | 263 | 289 | 315 | ||
| 1 | .0 | 60 | 90 | 120 | 150 | 180 | 210 | 240 | 270 | 300 | 330 | 360 | |
| 1 | 1⁄4 | 75 | 112 | 150 | 188 | 225 | 263 | 300 | 338 | 375 | 412 | 450 | |
| 1 | 1⁄2 | 90 | 135 | 180 | 225 | 270 | 315 | 360 | 405 | 450 | 495 | 540 | |
| 1 | 3⁄4 | 105 | 157 | 210 | 263 | 315 | 367 | 420 | 473 | 525 | 577 | 630 | |
| 2 | .00 | 120 | 180 | 240 | 300 | 360 | 420 | 480 | 540 | 600 | 660 | 720 | |
| 3 | .00 | 180 | 270 | 360 | 450 | 540 | 630 | 720 | 810 | 900 | 990 | 1080 | |
Cabinets.—Cabinets are required to enclose all fuses. It is advised that they be arranged so that it will not be necessary to open the fuse compartment to operate switches.
Care should be exercised in locating cut-out cabinets. They should be in a dry place, easily accessible to authorized persons, and not accessible to the general public or miscellaneous employes. If too accessible they are likely to be made receptacles for all sorts of rubbish. Wooden or composition cabinets must not be used in theaters. Use only approved cabinets.
In some cities special rules, governing the construction of cabinets for theaters, exist and these should be looked up.
Cables.—For construction rules, see “Stage Cables” in the chapter on “Portable Stage Equipment”. Cables are required to connect border lights.[236] The cable is usually run from an outlet on the grid floor above the center of the border. It must be long enough to allow the border to be lowered for the cleaning and renewal of lamps. The slack cable must be taken up when the border is raised and some provision must be made to support the cable without injury to the insulation. Wire ropes or cables are generally used to support the borders, but the lower end, which is handled by the stage crew, is of ordinary manilla rope. Wire cables must be insulated from the border by strain insulators.
Canopies.—Very many theaters are provided with canopies which extend over the street. Sometimes these are fitted out with glass signs behind which incandescent lamps are installed. Often, also, a row of lights is arranged around the bottom of the canopy ceiling. The number of lights to be used depends upon the design of the canopy, but the effect is best if a large number of small candle-power lamps are used. These lamps should be of low intrinsic brilliancy. If possible, the lamps and sockets should be arranged to be out of the weather. In addition to the small outline lamps, other lights are often placed under canopy to provide bright illumination. Each circuit may carry 1,320 watts.
Where insulating joints are required, fixture canopies of metal must be thoroughly and permanently insulated from metal walls or ceilings, or from plaster walls or ceilings on metal lathing, and from outlet boxes.
Canopy insulators must be securely fastened in place, so as to separate the canopies thoroughly and[237] permanently from the surfaces and outlet boxes from which they are designed to be insulated.
Carriage Call.—See “Program Board”.
Carrying Capacity of Wires.—Table VII is designed to help the wiremen select the proper size of wire to use in supplying a certain number of lights. The first column at the left gives the B. & S. gauge number. The second column gives the number of amperes allowed on each wire according to the National Electrical Code. The third column gives the distance in feet which will cause a loss of 2 volts with the current given; thus a current of 70 amperes in a No. 4 B. & S. gauge wire will lose 2 volts over a distance of 56 feet. The proper size of wire to be used can easily be determined from the table. The loss will always be in proportion to the product of distance and current. The balance of the table is devoted to showing the number of watts and lamps of various sizes the wires will be allowed to supply.
Ceiling Fans.—Must be hung from insulated hooks, or else there must be an insulator interposed between the motor and its support. Not more than 660 watts may be on one circuit.
Chandeliers.—Large and elaborate chandeliers are sometimes used in the center of the auditorium ceiling for purposes of illumination. Such chandeliers should be suspended in a manner which will admit of readily raising or lowering them for lamping up or repairs. For rules governing wiring, see “Fixtures”.
TABLE VII.
TABLE SHOWING CARRYING CAPACITY OF WIRES; DISTANCE TO WHICH FULL LOAD MAY BE CARRIED AT 2 VOLTS DROP AND NUMBER OF LIGHTS EQUIVALENT TO FULL CURRENT GIVEN.
| B. & S. Gage |
Rub- ber Insu- lation |
Dis- tance in Feet Caus- ing a Loss of 2 Volts |
Total Capacity in Watts |
Total Number of Lamps of Different Voltages and Wattages that may be supplied | ||||||||||||
|---|---|---|---|---|---|---|---|---|---|---|---|---|---|---|---|---|
| 25-Watt | 40-Watt | 60-Watt | 100-Watt | 150-Watt | 250-Watt | |||||||||||
| Am- peres |
110 V. | 220 V. | 110 V. | 220 V. | 110 V. | 220 V. | 110 V. | 220 V. | 110 V. | 220 V. | 110 V. | 220 V. | 110 V. | 220 V. | ||
| 14 | 15 | 26 | 1650 | 3300 | 66 | 132 | 41 | 82 | 27 | 54 | 16 | 33 | 11 | 22 | 6 | 13 |
| 12 | 20 | 30 | 2200 | 4400 | 88 | 176 | 55 | 110 | 36 | 73 | 22 | 44 | 14 | 29 | 8 | 17 |
| 10 | 25 | 38 | 2750 | 5500 | 110 | 220 | 68 | 137 | 46 | 91 | 27 | 55 | 18 | 36 | 11 | 22 |
| 8 | 35 | 43 | 3850 | 7700 | 154 | 308 | 96 | 192 | 64 | 128 | 38 | 77 | 25 | 61 | 15 | 30 |
| 6 | 50 | 50 | 5500 | 11000 | 220 | 440 | 137 | 275 | 91 | 183 | 55 | 110 | 36 | 73 | 22 | 44 |
| 5 | 55 | 56 | 6050 | 12100 | 242 | 484 | 151 | 302 | 100 | 201 | 60 | 121 | 40 | 80 | 24 | 48 |
| 4 | 70 | 56 | 7700 | 15400 | 308 | 616 | 192 | 385 | 128 | 256 | 77 | 154 | 49 | 99 | 30 | 61 |
| 3 | 80 | 61 | 8800 | 17600 | 352 | 704 | 220 | 440 | 146 | 292 | 88 | 176 | 58 | 117 | 35 | 70 |
| 2 | 90 | 68 | 9900 | 19800 | 396 | 792 | 247 | 494 | 165 | 330 | 99 | 198 | 66 | 132 | 39 | 78 |
| 1 | 100 | 67 | 11000 | 22000 | 440 | 880 | 275 | 550 | 183 | 366 | 110 | 220 | 73 | 146 | 44 | 88 |
| 0 | 125 | 78 | 13750 | 27500 | 550 | 1100 | 343 | 686 | 229 | 458 | 137 | 274 | 91 | 182 | 55 | 110 |
| 00 | 150 | 82 | 16500 | 33000 | 660 | 1320 | 412 | 824 | 275 | 550 | 165 | 330 | 110 | 220 | 66 | 132 |
| 000 | 175 | 89 | 19250 | 38500 | 770 | 1540 | 481 | 962 | 320 | 640 | 192 | 384 | 128 | 256 | 77 | 154 |
| 0000 | 225 | 87 | 24750 | 49500 | 990 | 1980 | 618 | 1236 | 412 | 824 | 247 | 404 | 165 | 330 | 99 | 198 |
| 200000 | 200 | 92 | 22000 | 44000 | 880 | 1760 | 550 | 1100 | 367 | 734 | 220 | 440 | 146 | 292 | 88 | 176 |
| 300000 | 275 | 101 | 30250 | 60500 | 1210 | 2420 | 756 | 1512 | 504 | 1008 | 302 | 604 | 201 | 402 | 121 | 242 |
| 400000 | 325 | 114 | 35750 | 71500 | 1430 | 2860 | 893 | 1786 | 596 | 1192 | 357 | 714 | 238 | 476 | 143 | 286 |
| 500000 | 400 | 117 | 44000 | 88000 | 1760 | 3520 | 1100 | 2200 | 733 | 1455 | 440 | 880 | 293 | 586 | 176 | 352 |
| 600000 | 450 | 123 | 49500 | 99000 | 1980 | 3960 | 1237 | 2474 | 825 | 1650 | 495 | 990 | 330 | 660 | 198 | 396 |
| 700000 | 500 | 130 | 55000 | 110000 | 2200 | 4400 | 1375 | 2750 | 916 | 1832 | 550 | 1100 | 366 | 732 | 220 | 440 |
| 800000 | 550 | 135 | 60500 | 121000 | 2420 | 4840 | 1512 | 3024 | 1008 | 2016 | 605 | 1210 | 403 | 806 | 242 | 484 |
| 900000 | 600 | 139 | 66000 | 132000 | 2640 | 5280 | 1650 | 3300 | 1100 | 2200 | 660 | 1320 | 440 | 880 | 264 | 528 |
| 1000000 | 650 | 143 | 71500 | 143000 | 2860 | 5720 | 1787 | 3574 | 1191 | 2382 | 715 | 1430 | 476 | 952 | 286 | 572 |
| 1100000 | 690 | 147 | 75900 | 151800 | 3036 | 6072 | 1897 | 3794 | 1264 | 2528 | 759 | 1518 | 506 | 1012 | 303 | 606 |
| 1200000 | 730 | 151 | 80300 | 160600 | 3212 | 6424 | 2007 | 4014 | 1338 | 2676 | 803 | 1606 | 535 | 1070 | 321 | 642 |
| 1300000 | 770 | 155 | 84700 | 169400 | 3388 | 6776 | 2117 | 4234 | 1412 | 2824 | 847 | 1694 | 564 | 1128 | 338 | 676 |
| 1400000 | 810 | 161 | 89100 | 178200 | 3564 | 7128 | 2227 | 4454 | 1485 | 2970 | 891 | 1782 | 594 | 1188 | 356 | 712 |
| 1500000 | 850 | 164 | 93500 | 187000 | 3740 | 7480 | 2337 | 4674 | 1558 | 3116 | 935 | 1870 | 623 | 1246 | 374 | 748 |
| B. & S. Gage |
Rub- ber Insu- lation |
Dis- tance in Feet Caus- ing a Loss of 2 Volts |
Total Capacity in Watts |
Total Number of Lamps of Different Voltages and Wattages that may be supplied |
||||||
|---|---|---|---|---|---|---|---|---|---|---|
| 25-Watt | 40-Watt | 60-Watt | ||||||||
| Am- peres |
110 V. | 220 V. | 110 V. | 220 V. | 110 V. | 220 V. | 110 V. | 220 V. | ||
| 14 | 15 | 26 | 1650 | 3300 | 66 | 132 | 41 | 82 | 27 | 54 |
| 12 | 20 | 30 | 2200 | 4400 | 88 | 176 | 55 | 110 | 36 | 73 |
| 10 | 25 | 38 | 2750 | 5500 | 110 | 220 | 68 | 137 | 46 | 91 |
| 8 | 35 | 43 | 3850 | 7700 | 154 | 308 | 96 | 192 | 64 | 128 |
| 6 | 50 | 50 | 5500 | 11000 | 220 | 440 | 137 | 275 | 91 | 183 |
| 5 | 55 | 56 | 6050 | 12100 | 242 | 484 | 151 | 302 | 100 | 201 |
| 4 | 70 | 56 | 7700 | 15400 | 308 | 616 | 192 | 385 | 128 | 256 |
| 3 | 80 | 61 | 8800 | 17600 | 352 | 704 | 220 | 440 | 146 | 292 |
| 2 | 90 | 68 | 9900 | 19800 | 396 | 792 | 247 | 494 | 165 | 330 |
| 1 | 100 | 67 | 11000 | 22000 | 440 | 880 | 275 | 550 | 183 | 366 |
| 0 | 125 | 78 | 13750 | 27500 | 550 | 1100 | 343 | 686 | 229 | 458 |
| 00 | 150 | 82 | 16500 | 33000 | 660 | 1320 | 412 | 824 | 275 | 550 |
| 000 | 175 | 89 | 19250 | 38500 | 770 | 1540 | 481 | 962 | 320 | 640 |
| 0000 | 225 | 87 | 24750 | 49500 | 990 | 1980 | 618 | 1236 | 412 | 824 |
| 200000 | 200 | 92 | 22000 | 44000 | 880 | 1760 | 550 | 1100 | 367 | 734 |
| 300000 | 275 | 101 | 30250 | 60500 | 1210 | 2420 | 756 | 1512 | 504 | 1008 |
| 400000 | 325 | 114 | 35750 | 71500 | 1430 | 2860 | 893 | 1786 | 596 | 1192 |
| 500000 | 400 | 117 | 44000 | 88000 | 1760 | 3520 | 1100 | 2200 | 733 | 1455 |
| 600000 | 450 | 123 | 49500 | 99000 | 1980 | 3960 | 1237 | 2474 | 825 | 1650 |
| 700000 | 500 | 130 | 55000 | 110000 | 2200 | 4400 | 1375 | 2750 | 916 | 1832 |
| 800000 | 550 | 135 | 60500 | 121000 | 2420 | 4840 | 1512 | 3024 | 1008 | 2016 |
| 900000 | 600 | 139 | 66000 | 132000 | 2640 | 5280 | 1650 | 3300 | 1100 | 2200 |
| 1000000 | 650 | 143 | 71500 | 143000 | 2860 | 5720 | 1787 | 3574 | 1191 | 2382 |
| 1100000 | 690 | 147 | 75900 | 151800 | 3036 | 6072 | 1897 | 3794 | 1264 | 2528 |
| 1200000 | 730 | 151 | 80300 | 160600 | 3212 | 6424 | 2007 | 4014 | 1338 | 2676 |
| 1300000 | 770 | 155 | 84700 | 169400 | 3388 | 6776 | 2117 | 4234 | 1412 | 2824 |
| 1400000 | 810 | 161 | 89100 | 178200 | 3564 | 7128 | 2227 | 4454 | 1485 | 2970 |
| 1500000 | 850 | 164 | 93500 | 187000 | 3740 | 7480 | 2337 | 4674 | 1558 | 3116 |
| B. & S. Gage |
Rub- ber Insu- lation |
Dis- tance in Feet Caus- ing a Loss of 2 Volts |
Total Capacity in Watts |
Total Number of Lamps of Different Voltages and Wattages that may be supplied |
||||||
|---|---|---|---|---|---|---|---|---|---|---|
| 100-Watt | 150-Watt | 250-Watt | ||||||||
| Am- peres |
110 V. | 220 V. | 110 V. | 220 V. | 110 V. | 220 V. | 110 V. | 220 V. | ||
| 14 | 15 | 26 | 1650 | 3300 | 16 | 33 | 11 | 22 | 6 | 13 |
| 12 | 20 | 30 | 2200 | 4400 | 22 | 44 | 14 | 29 | 8 | 17 |
| 10 | 25 | 38 | 2750 | 5500 | 27 | 55 | 18 | 36 | 11 | 22 |
| 8 | 35 | 43 | 3850 | 7700 | 38 | 77 | 25 | 61 | 15 | 30 |
| 6 | 50 | 50 | 5500 | 11000 | 55 | 110 | 36 | 73 | 22 | 44 |
| 5 | 55 | 56 | 6050 | 12100 | 60 | 121 | 40 | 80 | 24 | 48 |
| 4 | 70 | 56 | 7700 | 15400 | 77 | 154 | 49 | 99 | 30 | 61 |
| 3 | 80 | 61 | 8800 | 17600 | 88 | 176 | 58 | 117 | 35 | 70 |
| 2 | 90 | 68 | 9900 | 19800 | 99 | 198 | 66 | 132 | 39 | 78 |
| 1 | 100 | 67 | 11000 | 22000 | 110 | 220 | 73 | 146 | 44 | 88 |
| 0 | 125 | 78 | 13750 | 27500 | 137 | 274 | 91 | 182 | 55 | 110 |
| 00 | 150 | 82 | 16500 | 33000 | 165 | 330 | 110 | 220 | 66 | 132 |
| 000 | 175 | 89 | 19250 | 38500 | 192 | 384 | 128 | 256 | 77 | 154 |
| 0000 | 225 | 87 | 24750 | 49500 | 247 | 404 | 165 | 330 | 99 | 198 |
| 200000 | 200 | 92 | 22000 | 44000 | 220 | 440 | 146 | 292 | 88 | 176 |
| 300000 | 275 | 101 | 30250 | 60500 | 302 | 604 | 201 | 402 | 121 | 242 |
| 400000 | 325 | 114 | 35750 | 71500 | 357 | 714 | 238 | 476 | 143 | 286 |
| 500000 | 400 | 117 | 44000 | 88000 | 440 | 880 | 293 | 586 | 176 | 352 |
| 600000 | 450 | 123 | 49500 | 99000 | 495 | 990 | 330 | 660 | 198 | 396 |
| 700000 | 500 | 130 | 55000 | 110000 | 550 | 1100 | 366 | 732 | 220 | 440 |
| 800000 | 550 | 135 | 60500 | 121000 | 605 | 1210 | 403 | 806 | 242 | 484 |
| 900000 | 600 | 139 | 66000 | 132000 | 660 | 1320 | 440 | 880 | 264 | 528 |
| 1000000 | 650 | 143 | 71500 | 143000 | 715 | 1430 | 476 | 952 | 286 | 572 |
| 1100000 | 690 | 147 | 75900 | 151800 | 759 | 1518 | 506 | 1012 | 303 | 606 |
| 1200000 | 730 | 151 | 80300 | 160600 | 803 | 1606 | 535 | 1070 | 321 | 642 |
| 1300000 | 770 | 155 | 84700 | 169400 | 847 | 1694 | 564 | 1128 | 338 | 676 |
| 1400000 | 810 | 161 | 89100 | 178200 | 891 | 1782 | 594 | 1188 | 356 | 712 |
| 1500000 | 850 | 164 | 93500 | 187000 | 935 | 1870 | 623 | 1246 | 374 | 748 |
When 1,320 watts are dependent upon one cut-out, as is allowed in theater wiring, outline lighting, and large chandeliers, the fuse may be in accordance with the following:
| 125 volts or less | 20 amperes |
| 125 to 250 volts | 10 amperes |
Circuit Breakers.—Circuit breakers are not used much about theaters. They are used mostly in connection with motors and on switchboards of isolated plants. They are more sensitive and quicker to act than fuses and, in case of a blow-out, can be more easily replaced. Where circuit breakers are used it is good practice to set them for a higher amperage than the fuses so that, in case of a heavy short circuit, the breaker may act while the fuse will take care of an overload which comes on more gradually.
With motors an automatic circuit breaker, disconnecting all wires of the circuit, may serve as both switch and cut-out.
Where the circuit-breaking device on the motor-starting rheostat disconnects all wires of the circuit, the switch may be omitted.
Circuit breakers must not be set more than thirty per cent above the allowable carrying capacity of the wires, unless a fusible cut-out is also installed on the circuit.
When installed without other automatic overload protective devices, automatic overload circuit breakers must have the poles and trip coils so arranged as to afford complete protection against overloads and short circuits and, if also used in place of[240] the switch, must be so arranged that no one pole can be opened manually without disconnecting all the wires.
Concealed Work.—All concealed work must be in conduit or armored cable. Wherever possible, rigid conduit should be used. Armored cable should be used only where the whole cable may at any time be withdrawn, or where it is impracticable to use rigid conduit.
Conduit Work.—This is now considered the standard method of construction. It is, however, somewhat over-rated and, especially in wet places, has led to much disappointment. It is generally recognized that wires, placed in conduit, will cause more trouble than those placed in any other standard manner. The trouble is, however, confined to the interior of the conduit and, if the conduit system be kept in good order, and fuses at their proper limit, there is no chance of fire from the wire confined within the conduit.
There are three points which, if carefully observed, will avoid most, if not all, of the conduit troubles:
Avoid as far as possible locating conduit in wet or damp places.
Run all conduits so that they will drain.
Give particular attention to joints in outlet or junction boxes; tape them heavily; and arrange them so they are not pressed against metal more than is necessary; use large boxes.
Wires used in conduits must have approved rubber insulation and double braid.
Must have an approved rubber insulated covering (Type Letter R. D.), and must within the conduit tubing be without splices or taps.
Must not be drawn in until all mechanical work on the building has been, as far as possible, completed.
Conductors in vertical conduit risers must be supported within the conduit system in accordance with the following:
The following methods of supporting cables are recommended:
(1) A turn of 90 degrees in the conduit system will constitute a satisfactory support.
(2) Junction boxes may be inserted in the conduit system at the required intervals, in which insulating supports of approved type must be installed and secured in a satisfactory manner so as to withstand the weight of the conductors attached thereto, the boxes to be provided with proper covers.
(3) Cables may be supported in approved junction boxes on two or more insulating supports so placed that the conductors will be deflected at an angle of not less than 90 degrees, and carried a distance of not less than twice the diameter of the cable from[242] its vertical position. Cables so suspended may be additionally secured to these insulators by tie wires. Other methods may be used if specially approved.
Must, for alternating-current systems, have two or more wires of a circuit drawn in the same conduit. It is suggested that this be done for direct-current systems, also, so that they may be changed to alternating systems at any time, induction troubles preventing such a change if the wires are in separate conduits.
Except in the case of stage pocket and border circuits the same conduit must not contain more than four two-wire, or three three-wire circuits of the same system, except by special permission, and must never contain circuits of different systems.
No conduit smaller than one-half inch electrical-trade size shall be used.
Must be continuous from outlet to outlet or to junction boxes or cabinets, and the conduit must properly enter, and be secured to all fittings and the entire system must be mechanically secured in position. In case of service connections and main runs, this involves running each conduit continuously into a main cut-out cabinet or gutter surrounding the panel board, as the case may be. Departure from this rule may be authorized in case of underground services by special permission.
Must be first installed as a complete conduit system, without the conductors.
Must be equipped at every outlet with an approved outlet box or plate. At exposed ends of conduit (but not at fixture outlets), where wires pass[243] from the conduit system without splice, joint, or tap, an approved fitting, having separately bushed holes for each conductor, must be used. Departure from this rule may be authorized by special permission. Outlet plates must not be used where it is practicable to install outlet boxes.
For concealed work in walls and ceilings composed of plaster on wooden joist or stud construction, outlet boxes or plates, and also cut-out cabinets must be so installed that the front edge will not be more than one-fourth inch back of the finished surface of the plaster; and if this surface is broken or incomplete it shall be repaired so that it will not show any gaps or open spaces around the edges of the outlet box or plate or of the cut-out cabinet. On wooden walls or ceilings, outlet boxes or plates and cut-out cabinets must be so installed that the front edge will either be flush with the finished surface or project therefrom. This will not apply to concealed work in walls or ceilings composed of concrete, tile or other non-combustible material.
In buildings already constructed where the conditions are such that neither outlet box or plate can be installed, these appliances may be omitted, providing the conduit ends are bushed and secured.
It is suggested that outlet boxes and fittings, having conductive coatings, be used in order to secure better electrical contact at all points through the conduit system.
Metal conduits, where they enter junction boxes and at all other outlets, etc., must be provided with approved bushings or fastening plates fitted so as to protect wire from abrasion, except when such[244] protection is obtained by the use of approved nipples, properly fitted in boxes or devices.
Must have the metal of the conduit permanently and effectually grounded to water piping, gas piping, or other suitable grounds, provided that when connections are made to gas piping, they must be on the street side of the meter. If the conduit system consists of several separate sections, the sections must be bonded to each other, and the system grounded; or each section may be separately grounded, as required above. Where short sections of conduit (or pipe of equivalent strength) are used for the protection of exposed wiring on side walls, and such conduit or pipe and wiring is installed as required by the Code Rules, the conduit or pipe need not be grounded.
Conduits and gas pipes must be securely fastened in outlet boxes, junction boxes, and cabinets, so as to secure good electrical connections.
If conduits, couplings, outlet boxes, junction boxes, cabinets or fittings, having protective coating of non-conducting material such as enamel, are used, such coating must be thoroughly removed from threads of both couplings and conduit, and such surfaces of boxes, cabinets, and fittings, where the conduit or group clamp is secured, in order to obtain the requisite good connection. Grounded pipes must be cleaned of rust, scale, etc., at place of attachment of ground clamp.
Connections to grounded pipes and to conduits must be exposed to view or readily accessible, and must be made by means of approved ground clamps to which the ground wires must be soldered.
Ground wires must be of copper, at least No. 10 B.[245] & S. gauge (where largest wire contained in conduit is not greater than No. 0 B. & S. gauge), and need not be greater than No. 4 B. & S. gauge (where largest wire contained in conduit is greater than No. 0 B. & S. gauge). They shall be protected from mechanical injury. The ground on the conduit system is not to be considered as a ground for a secondary system.
Junction boxes must always be installed in such a manner as to be accessible.
All elbows or hands must be so made that the conduit will not be injured. The radius of the curve of the inner edge of any elbow must not be less than three and one-half inches, and must have not more than the equivalent of four quarter bends from outlet to outlet, the bends at the outlets not being counted.
Contacts.—Must be mounted on non-combustible non-absorption insulated bases. Other materials than slate, marble, or porcelain must be submitted for special examination before being used.
Cord.—The use of flexible cord should be reduced to a minimum. Wherever drop lights are necessary they should be wired with reinforced cord or stage cable.
Current Taps.—Must be of approved construction and may be used if properly installed.
Where, in addition to sockets or receptacles already installed, connections are desired to lighting circuits for portable lamps, for motors, or other special appliances requiring only small amounts of current, multiple-current taps may be used, provided the entire circuit does not require more than 660 watts, and[246] provided their use will not, under any conditions, involve a departure from the requirements of Rule 23-d of the National Electrical Code. Current taps must not be used in key or pull sockets if the device, controlled through such sockets, requires more than 250 watts.
Cut-Outs.—All cut-outs should be on the stage switchboard. This requires considerable extra wire, but it will be profitable in the end. Fuses should be inspected occasionally to see that contacts are bright and screws kept tight. There is everywhere a very strong tendency to over-fuse, and the principal reason for it is the failure to keep screws tightly fastened.
There is no fuse better than the plug fuse but it is not permitted with voltages higher than 125 or with more than 30 amperes. Refillable fuses must not be used. Cartridge fuses, especially, require to be kept clean. The spring contacts on these often grow weak and cause heating which helps to blow the fuse. The neutral fuse in three-wire installations should be larger than the outside fuses. Link fuses should be avoided on account of the delay that may be caused through difficulty of installing.
It is advisable not to place switches in the same cabinet with fuses.
Must be placed on all service wires, either overhead or underground, in the nearest accessible place to the point where they enter the building, inside the walls, and arranged to cut off the entire current from the building. Departure from this rule may be[247] authorized only under special permission in writing. Where the service switch is inside the building, the cut-out required by this section must be placed so as to protect it.
For three-wire (not three-phase) systems the fuse in the neutral wire may be omitted, provided the neutral wire is of equal carrying capacity to the larger of the outside wires and is grounded.
Must be placed at every point where a change is made in the size of wire (unless the cut-out in the larger wire will protect the smaller). For three-wire direct current or single-phase systems the fuse in the neutral wire, except that called for under Section d, may be omitted, provided the neutral wire is grounded.
Must be in plain sight, or enclosed in an approved cabinet, and readily accessible. They must not be placed in the canopies or shells of fixtures. Link fuses may be used only when mounted on approved bases and must be enclosed in dust-tight, fireproofed cabinets, except on switchboards.
Must be so placed that no set of small motors, small heating devices, or incandescent lamps, whether grouped on one fixture or on several fixtures or pendants (nor more than 16 sockets or receptacles) requiring more than 660 watts, will be dependent upon one cut-out.
By special permission, in cases where wiring equal in size and insulation to No. 14 B. & S. gauge approved rubber-covered wire is carried direct into keyless sockets or receptacles, and where the location of sockets and receptacles is such as to render unlikely the attachment of flexible cords thereto, the circuits[248] may be so arranged that not more than 1,320 watts (or thirty-two sockets or receptacles) will be dependent upon the final cut-out. Except for signs and outline lighting, sockets and receptacles will be considered as requiring not less than 40 watts each.
All branches or taps from any three-wire system which are directly connected to lamp sockets or other translating devices, must be run as two-wire circuits if the fuses are omitted in the neutral or if the difference of potential between the two outside wires is over 250 volts, and both wires of such branch or tap circuits must be protected by proper fuses.
The above shall also apply to motors, except that small motors may be grouped under the protection of a single set of fuses, provided the rated capacity of the fuses does not exceed 10 amperes. When 1,320 watts are dependent upon one fusible cut-out, as is allowed in theater wiring, outline lighting, and large chandeliers, the fuses may be in accordance with the following:
| 125 volts or less | 20 amperes |
| 125 to 250 volts | 10 amperes |
The rated capacity of fuses must not exceed the allowable carrying capacity of the wire. Circuit breakers must not be set more than 30 per cent above allowable carrying capacity of the wire, unless a fusible cut-out is also installed on the circuit. Fixture wire or flexible cord of No. 18 B. & S. gauge, will be considered as properly protected by 10-ampere fuses.
Each wire of motor circuits, except on main switchboard or when otherwise subject to competent supervision, must be protected by an approved fuse whether automatic overload circuit breakers are installed[249] or not. Single-phase motors may have one side protected by an approved automatic overload circuit breaker only if the other side is protected by an approved fuse.
For circuits having a maximum capacity greater than that for which enclosed fuses are approved, circuit breakers alone will be approved. The ordinary porcelain link fuse cut-out will not be approved. Link fuses may be used only when mounted on slate or marble bases conforming to the rules, and must be enclosed in dust-tight, fire-proofed cabinets, except on switchboards located well away from combustible material, as in the ordinary engine and dynamo room, and where these conditions will be maintained.
Damp Places.—It is best to avoid wiring in damp places if possible. If wires must be run in such places, they should be lead covered. If armored cable is used, the wires in cable must be incased in lead. Weatherproof sockets must be used and the use of cords should be avoided. Where cords must be used they should be of the brewery or packing-house type. If outside of the theater, proper open work may be used. Conduit work is permissible but not advisable, except where wires are subject to mechanical injury.
Decorative Lighting Systems.—The commercial decorative lighting systems are not suitable for use inside of theaters and should be used only outside.
Special permission may be given in writing for the temporary installation of approved systems of decorative lighting, provided the difference of[250] potential between the wires of any circuit shall not be over 150 volts and also provided that no group of lamps requiring more than 1,320 watts shall be dependent on one cut-out.
FIGURE 157.
Dimmers.—“Dimmer” is the name given to the resistances which are used to dim the electric lights on the stage. They are usually mounted at the top or bottom of the switchboard with the operating handles in easy reach of the operator. A dimmer should be provided for each color in every border light and also for the foot lights. In some cases the proscenium side lights are also arranged for several colors. The dimmers should be mounted so that each one is directly above the switch which controls the circuit to which it belongs. They should be protected by wire guards against rubbish, which is likely to accumulate among them if they are not enclosed. Good ventilation must be provided. A certain dimmer can be used only while the amperage remains within the proper limitations. If carbon lamps, for instance, are changed for tungsten, the amperage[251] will be much reduced and the dimmer may not work properly.
Modern dimmers are all of the interlocking type so that the whole bank may be worked together or any one singly. Figure 157 is an illustration of a small bank of dimmers.
Door Switches.—Door switches are used mostly in connection with dressing rooms. When the light in the room is burning, opening and closing the door will turn it out.
Dressing Rooms.—Many dressing rooms are wired with lights on pendant cords, but this method is not to be recommended. It is better to arrange the lights in sockets fitted into the outlet boxes. It will be well if each dressing room is provided with a circuit for flatirons. If this is considered too expensive, the fuses on circuits leading into dressing rooms must be kept small enough to blow in case a flatiron is connected. Many actors are in the habit of carrying flatirons and will use them on incandescent-light circuits if no other circuit is provided. If metal guards are fastened on securely, much of the trouble from flatirons will be avoided, but they must be fastened so that an ordinary screwdriver will not loosen the screws.
Dressing room illumination, if properly carried out, will save the proprietor much annoyance. Actors have ways of obtaining the light they want by fair means or foul, and it is much better to arrange the lighting so that it will be satisfactory to those using it, than to have it continually tampered with.
A bright illumination is essential for making up and both sides of the face should be fully illuminated. To accomplish this it is necessary to provide[252] at least two lights for each mirror. Every lamp should be provided with a substantial guard which may be securely fastened to the outlet box. This is especially necessary if small candle power lamps are furnished. For, if the light furnished is insufficient, there will be strong efforts made to replace the small lamps by larger ones. Guards are also necessary as a protection against fire. Actors are in the habit of drying small articles of clothing on the lamps, and fires have been known to start from this cause. The guards on the lamps throw shadows on the faces of the actors, and for this reason are not liked. In order to avoid the shadows, frosted lamps may be used, or two lamps on each side of the mirror. One lamp will then illuminate the shadows caused by the other. Where there are long dressing tables, as in rooms occupied by the chorus, mirrors may be placed between each two lamps on each side of the table and the lamps staggered vertically. In this way each party will receive the benefit of at least four lamps and the shadows will be less noticeable.
The color value of the lamps used in dressing rooms should match that of the lamps used on the stage. Some stages, for instance, are illuminated by flaming arcs which may give an altogether different effect to a “make up” than the tungsten lamps, for instance.
Where there are a large number of sockets without lamps in them, it is advisable to close the socket by a fuse plug from which the fuse has been removed, or in some similar manner in order to avoid the chance of short circuits from hat pins or similar objects used in dressing rooms.
Drop Lights.—Drop lights should be avoided as[253] much as possible. Where they must be installed reinforced cord, armored cable, or flexible steel armored cord should be used.
Emergency Lighting.—Every theater must have an emergency lighting system as outlined in the rules below. The object of this is to provide a double system of illumination so as to reduce the likelihood of the theater being left in total darkness. This is a frequent occurrence where the theater is supplied by an isolated plant, and may also occur where the supply is obtained from a large outside lighting system although the latter is usually more reliable.
Every unnecessary light that is added to an emergency system increases the likelihood of trouble. A sufficient number of lights added to it to illuminate the space used by the audience in getting out is, therefore, necessary but more than this is a detriment rather than a help. The practice of connecting all of the hall and lobby lights to the emergency system is to be condemned, since it defeats the purpose of the rule which provides a double illumination system for every part of the theater used by the audience. The two systems should be carried into the auditorium, all stairways, exits, and lobby clear to the street. They should, furthermore, be kept entirely separate, in separate conduits and using separate meters.
The rule does not specify the number of exit and emergency lights required. Good practice requires a light for every 400 square feet or so. If each of these outlets be fitted with a 50 watt lamp the illumination will interfere with many of the acts and so, smaller lamps are generally used. One emergency light for each 60 seats will fill the bill nicely.
FIGURE 158.
Over each exit, an exit light must be provided, but as these exit lights are usually incased in ruby glass such as shown in Figure 158 they cannot be counted as giving any illumination. In many theaters gas is used for emergency and exit lighting and in many respects this seems to be a good practice. In some quarters, however, it is believed that a fire in the scenery of a theater might create such an air pressure in the building as to overcome the low gas pressure and thus put out the gas at the very time when it is most needed. The very best suggestion that can be made is that of a storage battery to supply the emergency system. Where alternating current is used this, however, introduces some complications and becomes quite expensive. Avoid the use of key sockets, fan motors, or any unnecessary device on emergency or exit light circuits.
Where supply may be obtained from two separate street mains, two separate and distinct services must be installed, one service to be of sufficient capacity to supply current for the entire equipment of theater, while the other service must be at least of sufficient capacity to supply current for all emergency[255] lights. Where supply cannot be obtained from two separate sources, the feed for emergency lights must be taken from a point on the street side of main service fuses. By “emergency lights” are meant exit lights and all lights in lobbies, stairways, corridors, and other portions of theater to which the public have access, which are normally kept lighted during the performance. Where the source of supply is an isolated plant within the same building, an auxiliary service of at least sufficient capacity to supply all emergency lights must be installed from some outside source, or a suitable storage battery within the premises may be considered the equivalent of such service.
FIGURE 159.
Exit lights must not have more than one set of fuses between same and service fuses. Exit lights and all lights in halls, corridors, or any other part of the building used by audience, except the general auditorium lighting, must be fed independently of the stage lighting, and must be controlled only from the lobby or other convenient place in[256] front of the house. All fuses must be enclosed in approved cabinets.
Figure 159 shows a diagram of an emergency lighting system together with that of the house lighting system. The main house switch is sometimes arranged with two sets of fuses, so that it need only be thrown over when a fuse blows. See Figure 159 at the right.
Exit Lights.—Exit lights are usually required over all doors leading from any part of the auditorium to the lobby or outside of the theater. They are usually incased in ruby glass on which the word EXIT has been etched in large letters. See also Emergency Lighting.
Fan Motors.—In large theaters, sometimes as many as ten or twelve fan motors are arranged along the walls of the auditorium, to blow air toward the audience. In small theaters there is a strong temptation to connect these to the emergency circuit, but this should never be done. The motors are too noisy to be allowed to run during an act and must be wired so that they can all be thrown on or off together from the stage switchboard. Not more than 660 watts should be connected to any one circuit and the connection should be by means of attachment plugs and reinforced cord, a bracket for the motor being placed as near as possible to the outlet, so as to reduce the amount of cord required to a minimum.
Fire Alarm.—In some of the cities a special signal system between stage and box office is required and it is necessary to consult authorities about this. Ordinarily a bell circuit, such as shown under “Bells,” will answer.
Fish Work.—The fishing of wires incased in loom,[257] as is permitted in other places, is not permissible in theaters. If wires are to be “fished” they must be incased in metal armor.
Fixtures.—Fixtures require careful inspection before installing. It is seldom that the piping is properly reamed out as required by the rule. Chain fixtures especially, must be closely watched. There is little if any trouble to be expected from the wires laced among the chain links, but there is much trouble to be looked for from the wires at the points where they leave the chain support and where they enter the socket. The openings for the wires at these points are seldom large enough to admit of the proper wire being used, and they are not well reamed either. The result of these conditions is that the wire is very quickly abraded and short circuits are common.
Fixtures may be tested for short circuit by connecting a magneto at the feed end of the wires and turning it briskly. If a ring is obtained it is an indication that something in wrong. The test for open circuit may be made with the same connection. Insert a screw driver or a plug into each socket; if it is not possible to obtain a ring there must be an open circuit. The test for “ground” may be made by connecting both feed wires to one pole of the magneto, and the other pole to the metal of the fixture taking care that there is no lacquer on that part of the fixture. If a ring is obtained it is an indication that some bare spot on the wire is in contact with the fixture. Fixtures used for emergency lighting must carry no key sockets and must not feed fan motors.
Must not be smaller than No. 18 B. & S. gauge, and must have an approved rubber insulating covering. In wiring certain designs of show-case fixtures, ceiling bull-eyes, and similar appliances in which the wiring is exposed to temperature in excess of 120 degrees Fahrenheit (49 degrees centigrade), from the heat of the lamps, approved slow-burning wire must be used. All such forms of fixtures must be submitted for examination, test and approval before being introduced for use.
Supply conductors, and especially the splices to fixture wires, must be kept clear of the grounded part of gas pipes, and, where shells or outlet boxes are used, they must be made sufficiently large to allow the fulfillment of this requirement.
Must, when fixtures are wired outside, be so secured as not to be cut or abraded by the pressure of the fastenings or motion of the fixture.
Wires of different systems must never be contained in or attached to the same fixture, and under no circumstances must there be a difference of potential of more than 300 volts between wires contained in or attached to the same fixtures.
On chains of similar parts where conductors are not completely enclosed in metal, wires must be stranded and must have rubber insulation not less than one thirty-second of an inch in thickness; or approved pendant or portable cord may be used.
When supported at outlets in metal conduit, armored cable, or metal-molding systems, or from gas piping or any grounded metal work, or when installed on metal walls or ceilings, or on plaster walls or ceilings containing metal lath, or on walls or ceilings in fireproof buildings, fixtures must be insulated from such supports by approved insulating joints placed as close as possible to the ceilings or walls. The insulating joint may be omitted in conduit, armored cable, or metal-molding systems with straight electric fixtures in which the insulation of conductors is the equivalent of insulation in other parts of the system, and provided that approved sockets, receptacles, or wireless clusters are used of a type having porcelain or equivalent insulation between live metal parts and outer metal shells, if any.
Where insulating joints are required, fixture canopies of metal must be thoroughly and permanently insulated from metal walls or ceilings, or from plaster walls or ceilings on metal lathing, and from outlet boxes.
Canopy insulators must be securely fastened in place so as to separate the canopies thoroughly and permanently from the surfaces and outlet boxes from which they are designed to be insulated.
Fixtures having so-called flat canopies, tops, or backs, will not be approved for installation, except where outlet boxes are used.
In non-metallic fixtures wireways must be metal-lined unless approved armored conductors with suitable fittings are used.
Flashers.—Flashers are used to economize electrical energy in sign illumination. An electric sign[260] is often just as effective if only one side or one letter is in use at a time and in such a case there is considerable saving by the use of a flasher.
FIGURE 160.
Flashers are made up in a variety of forms, one of them being shown in Figure 160. The manner of wiring to the sign will be readily understood by reference to the figure. The neutral wire is carried direct to the sign and fuses for that wire are often installed up in the sign, while those for the other side of the circuits must be close to the flasher to comply with the rule which requires fuse protection where a small wire is tapped off from a larger one, unless the fuse in the larger wire is below the carrying capacity of the smaller.
Time switches, sign flashers, and similar appliances must be of approved design and enclosed in approved cabinets.
Flat Irons.—See Heaters.
Flexible Cord.—The ordinary flexible cord should not be used in any part of a theater. It is recommended that only those cords described below be used, each of course in its proper place. Approved reinforced cord for pendants. Approved asbestos-covered cord for portable heaters. Approved Stage and Border Cables on Stage.
See “Stage Cables.”
Flexible Tubing.—Flexible tubing is not permissible in theaters.
Floor Pockets.—These are always a source of trouble and their use should be avoided as much as possible. If it is necessary to use any they must be of a type approved by the inspection department having jurisdiction.
Fly Floor.—This is the name given to that part of the gallery above the stage upon which those employes, whose duty it is to raise and lower curtains and scenery, work. No great illumination is required, but the lights should be arranged so as to be convenient to the men for reading during long waits. If this is not done there will always be considerable objectionable cord wiring found in this place. Fly-floor and rigging-loft lights should be provided with three way switches so that lights may be turned on or off either at the stage switchboard or on the fly floor.
Footlights.—These form the most important and effective part of the permanently located stage lights. To locate them properly requires careful consideration. If they are brought too high they will obstruct the view of the audience; if located too low they will not illuminate the lower part of the stage.
Opinion is somewhat divided as to whether they ought to be arranged in circular form or be laid out straight across the stage. In large theaters there is a circular space between the front seats and the front of the stage. A circular stage will utilize this space and this form of stage with footlights arranged in a similar manner will also allow the actors to approach more closely to the audience and will procure for them some illumination from the side. The difficulty of making up a circular strip of footlights is somewhat greater than that of making them up in a straight line.
The footlights are generally made to extend nearly the full opening of the stage and the lights should be crowded into them as closely as possible. The lighting should be divided into three groups suitable for three colors. It is customary to have about half of the lights white and the remaining half divided into two equal parts for different colors. A small part of the white lights should be arranged upon a separate circuit so that they may be used for rehearsals or other purposes, when not very much light is needed.
No very definite recommendations concerning the type of lamp to be used can be given. In some theaters the stage is very solid and tungsten lamps are used to advantage; in others the jarring prevents[263] their use. The white lights should be arranged so that their light need not pass through the colored lamps. In vaudeville houses some protection in the form of chains or guards is often provided to prevent objects from being rolled or thrown against the lights. Figures 161 and 162 show types of footlights and the manner of installing the sockets.
Must be wired in approved conduit or armored cable, each lamp receptacle being enclosed within an approved outlet box, or the lamp receptacles may be mounted in an iron or steel box, metal to be of a thickness not less than No. 20 U. S. sheet metal gauge treated to prevent oxidation and so constructed as to enclose all the wires. Wires to be soldered to lugs of receptacles. Must be so wired that no set of lamps requiring more than 1,320 watts nor more than 26 receptacles shall be dependent upon one cut-out.
Fuses.—See “Cut-outs.”
Gallery Lighting.—The proper lighting of galleries is a difficult matter where there is another gallery above. In such a case the ceiling is always very low. An even distribution of light requires the use of many small incandescent lamps evenly distributed. This will make the wiring expensive. The light should be taken pretty well from the rear so as to avoid placing lights in the range of visions of the audience. Emergency lights should be provided here as well as in the main auditorium.
Gallery Pockets.—Pockets for arc lamps are often provided, as it often happens that a moving-picture[264] machine must be placed in the gallery. The stage pockets should be wired with number 6 B. & S. gauge wire, this being the smallest wire allowed to feed a moving-picture arc. The stage pocket should be controlled by a switch on the switchboard. It often happens that the operator at the lamp has a wrong cue and his light can then be controlled by the stage manager at the stage switchboard.
Gas Lighting.—Electric gas lighting is very little used at the present time, but in many theaters the emergency lighting is by gas and, in order to save the time necessary to light these by hand before every performance, an automatic gas lighting system has been installed in some theaters. A diagram of such a system is shown in Figure 163. A battery of considerable capacity is necessary and also a spark coil S. At each gas jet a magnet M is installed which, when energized, is capable of turning the gas on and at the same time producing a spark. This magnet is also capable of turning the gas off. Two buttons are provided, one to turn the gas on and the other to turn it off.
FIGURE 163.
As the wiring is always used in connection with gas piping, grounds are of frequent occurrence, and[265] in order to indicate a ground as soon as it comes on, the bell and battery shown are provided. If a ground causes a continuous current, the spark coil will attract the armature, thus causing the bell to ring continuously.
Electric gas lighting, unless it is the frictional system, must not be used on the same fixtures with the electric light.
Grid Floor.—This is the term given to the framework which supports the pulleys over which the cables for handling curtains and scenery run. It is usually made up of parallel iron slats or bars; hence the name. A fairly good illumination should be provided here and all of the lights should be arranged on three-way switches. One light for every 400 square feet will be sufficient.
Connections to grounded pipes and to conduit must be exposed to view or be readily accessible, and must be made by means of approved ground clamps to which the ground wire must be soldered.
The metal of conduit, armored cable, or metal molding must be permanently and effectually grounded to water piping, gas piping, or other suitable grounds, provided that, when connections are made to gas piping, they must be on the street side of the meter. If the conduit system consists of several separate sections, the sections must be bonded to each other, and the system grounded; or each section may be separately grounded, as required above.
Conduits and gas pipes must be securely fastened in outlet boxes, junction boxes, and cabinets, so as to secure good electrical connections.
If conduit, couplings, outlet boxes, junction boxes, cabinets, or fittings, having protective coating of non-conducting material such as enamel, are used, such coating must be thoroughly removed from threads of both couplings and conduit and such surfaces of boxes, cabinets and fittings where the conduit or ground clamp is secured in order to obtain the requisite good connection. Grounded pipes must be cleaned of rust, scale, etc., at place of attachment of ground clamp.
Connections to grounded pipes and to conduit must be exposed to view or readily accessible, and must be made by means of approved ground clamps to which the ground wires must be soldered.
Ground wires must be of copper, at least No. 10 B. & S. gauge (where largest wire contained in conduit is not greater than No. 0 B. & S. gauge), and need not be greater than No. 4 B. & S. gauge (where largest wire contained in conduit is greater than No. 0 B. & S. gauge). They shall be protected from mechanical injury.
The ground on the conduit system is not to be considered as a ground for a secondary system.
Guards.—A guard rail should be provided around the stage switchboard to prevent actors from coming in contact with any live part of the switchboard. All incandescent lamps about the stage, dressing rooms, fly-floor, grid-floor, etc., should be provided with guards.
Hanger-Boards.—Hanger-boards are not compulsory[267] but where not used, arc lamps must be hung from insulating supports other than their conductors.
Hanger-boards must be so constructed that all wires and current-carrying devices thereon will be exposed to view and thoroughly insulated by being mounted on a non-combustible, non-absorptive, insulating substance. All switches attached to the same must be so constructed that they shall be automatic in their action, cutting off both poles to the lamps, not stopping between points when started, and preventing an arc between points under all circumstances.
Heaters.—Heaters are used sometimes in cold dressing rooms, in box offices and in other small spaces where other adequate heating arrangements have not been made. The fire hazard incident to the use of electric heaters is considerable and they should be carefully installed according to the rules given below.
From one-half to three watts per cubic foot will be required to heat a room. The quantity of heat necessary to be supplied depends largely upon the ventilation. It will be small in closed dressing rooms and large, for instance, in the box office. Always place a heater where the air enters a room; never where it leaves.
Each heater of more than 6 amperes or 660 watts capacity must be protected by a cut-out, and controlled by a switch or plug connector plainly indicating whether “on” or “off” and located within[268] sight of the heater. Heaters of 6 amperes or 660 watts capacity, or less, may be grouped under the protection of a single set of fuses, provided the rated capacity of the fuses does not exceed 10 amperes; or may be connected individually to lighting circuits.
Flexible conductors for smoothing irons and sad irons, and for all devices requiring over 250 watts, must have an approved insulation and covering.
With portable heating devices, approved plug connectors must be used so arranged that the plug may be pulled out to open the circuit without leaving any live parts so exposed as to render likely accidental contact therewith. The connector may be located at either end of the flexible conductor or inserted in the conductor itself.
Smoothing irons, sad irons, and other heating devices that are intended to be applied to combustible articles, must be provided with approved stands.
Stationary heaters such as radiators, ranges, plate warmers, etc., must be so located as to furnish ample protection between the device and surrounding combustible material.
Must each be provided with a name-plate, giving the maker’s name and the normal capacity in volts and amperes.
High Potential.—The National Electrical Code classifies all voltages below 550 as low. Nevertheless voltages above 220 should not be considered in the auditorium, stage, or dressing rooms of any theater. And this voltage only in connection with a three-wire system where the high voltage exists only between the outside wires, and 110 volts are used for lamps and other devices. High potential systems should be used only on the outside.
Illumination.—Illumination is more an art than a science and the rules that can be given have only a very general application. The best practice, where really good illumination is desired, is to install a large number of circuits in proportion to the number of lights, so that lamps of large candle power may be used wherever desirable. The quantity of light needed in theaters varies greatly with the color of decorations and with their condition. Dust accumulates rapidly in theaters and may absorb half of the light. If there is plenty of capacity the candle power of lamps may be changed to suit conditions and obtain any result desired.
The number of sockets installed in the auditorium varies widely. In some of the cheaper theaters one light for each twenty seats is considered sufficient; while in elaborately lighted houses, there are cases where the number of sockets is equal to about half the number of seats. Good illumination requires that the light come from the back, but very often the purpose is to obtain a brilliant effect by placing lights in front of the audience. In such cases, however, the lamps are always of low candle power and should be frosted.
Incandescent Lamps.—Practically all incandescent lamps are now rated in watts. They can be obtained in voltages ranging from 2 to 250 and may be operated in series or in multiple. All but the tantalum lamp operates equally well on alternating or direct current. The tantalum cannot be recommended for alternating-current circuits. No incandescent lamps will operate well on frequencies lower than forty cycles. The natural distribution of light is mostly[270] in the horizontal plane and for good illumination reflectors should be provided.
The color value is in the following order: Tungsten, tantalum, graphitized filament, carbon filament. None are equal for color-matching purposes to the intensified arc or the Moore tube.
The life of all incandescent lamps varies inversely with the voltage. An increase in voltage will produce an increase in the efficiency of the lamp but shorten its life. The efficiency decreases with continued use, and it is generally considered that the useful life of a lamp is over when its efficiency has fallen to 80 per cent of its original value. Frosting or coloring shortens the life of lamps from 30 to 50 per cent and reduces the candle power from 3 to 10 per cent, but the lamp yields a more pleasing light. Frosting is ordinarily used only where lamps are placed so as to come in the line of vision. Bowl frosting does not materially reduce the life of a lamp.
With incandescent lamps the term “efficiency” has a meaning quite different from that usually given, it being the number of watts per candle power. The lower the efficiency of an incandescent lamp, the better it is and the more light it yields per watt consumed.
The Mazda lamp has an efficiency of about 1.25 and is the most efficient of all. It may be recommended in all places where lamps may be suspended vertically; where there is not too much jarring; where there is ordinary care in handling; and where the lamps are[271] burning a large part of the time. The operating expense of this lamp is low, but the initial cost is high and the breakage is likely to be considerable. If lamps are much handled and not burned much, the cost of broken lamps may exceed the saving in energy. It is best not to clean Mazda lamps when cold. Shock absorbers should be used where there is much jarring. The illumination should be laid out for the use of lamps not smaller than 60 watts. The lamps should not be used for temporary work or for coloring. Arrange lamps as far as possible to be controlled by switches. Broken filaments can often be united again by shaking the lamps gently until the broken ends come together. The current will then weld them. When a bank of Mazda lamps is turned on there is an excessive current for an instant.
The efficiency of this lamp is from 1.8 to 2 watts per candle power. This lamp is much used for street-car and similar illumination because it stands jarring very well. It should not be used on alternating-current circuits. The filament can often be united in the same manner as the Mazda.
This lamp has an efficiency of 2.5 watts per candle power.
This lamp used on 110-volt circuits has an efficiency of from 3 to 3.2 watts per candle power. The efficiency of the smaller sizes is from 4 to 5 watts per candle power. The carbon filament lamp is the most[272] expensive of all to operate, but on account of the strength and cheapness of the lamp it can be recommended in places where the breakage is liable to be great or where the light is used for comparatively brief periods.
Must be provided with guards when liable to come in contact with inflammable material or subject to rough usage. Must be protected by vapor-proof globes where inflammable gases exist.
When supported at outlets in metal conduit, armored cable, or metal molding systems, or from gas piping or any grounded metal work; or when installed on metal walls or ceilings, or on plaster walls or ceilings containing metal lath, or on walls or ceilings in fireproof buildings, fixtures must be insulated from such supports by approved insulating joints placed as close as possible to the ceilings or walls. The insulating joint may be omitted in conduit, armored cable, or metal molding systems with straight electric fixtures in which the insulation of conductors is the equivalent to insulation in other parts of the system, and provided that approved sockets, receptacles, or wireless clusters are used of a type having porcelain or equivalent insulation between live metal parts and outer metal shells, if any.
Where insulating joints are required, fixture canopies of metal must be thoroughly and permanently insulated from metal walls or ceilings, or from plaster[273] walls or ceilings on metal lathing, and from outlet boxes.
Canopy insulators must be securely fastened in place, so as to separate the canopies thoroughly and permanently from the surfaces and outlet boxes from which they are designed to be insulated.
Inverted Lighting.—In this method of lighting the light is first thrown upward against the ceiling and then reflected back. This method can be used to advantage with light colored ceilings only. It is especially suited for low ceilings and with high ceilings the advantage disappears. The light obtained in this manner is very even and almost shadowless. Much light is lost through absorption but, owing to the fact that the light is of such an even quality, the eye readily accommodates itself to a lower quantity and the net increase in energy required to illuminate suitable spaces is not so very great. Those who wish to go into the subject of illumination thoroughly will find it treated fully in “Modern Illumination Theory and Practice”.
Joints.—Methods of making joints are illustrated in Figure 164. Be careful not to overheat, especially at points where there is a strain on the wire.
Wires must be so spliced or joined as to be both mechanically and electrically secure without solder. The joints must then be soldered unless made with some form of approved splicing device, and covered with an insulation equal to that on the conductors.
FIGURE 164.
Stranded wires (except in flexible cords) must be
soldered before being fastened under clamps or binding
screws; and, whether stranded or solid, when they[274
275]
have a conductivity greater than that of No. 8 B. &
S. gauge they must be soldered into lugs for all
terminal connections, except where an approved solderless
terminal connector is used.
Junction Boxes.—Junction boxes are installed in conduit systems for the purpose of facilitating the drawing in of the wire or of branching off from a main run. See “Conduit Work.”
Lamps.—See “Incandescent Lamps.”
Lobby.—The lobby generally requires a number of lights and the aim often is to create a lavish display. Very often a cut-out center is arranged at some convenient place. The exit and emergency lights must be controlled from the lobby. Sometimes outlets are provided for electric bulletin boards or small signs.
Lugs.—For solderless lugs, such as are used on rheostats or for arc lamps, see “Portable Stage Equipment.”
For fuses rated over 30 amperes lugs, firmly screwed or bolted to the terminals and into which the conducting wires are soldered, must be used. On rheostats, resistances, etc., lugs will not be required when leads are provided as a part of the device.
Switches for current of over 30 amperes must be equipped with lugs, firmly screwed or bolted to the switch, and into which the conducting wires shall be soldered. For the smaller sized switches simple clamps can be employed, provided they are heavy enough to stand considerable hard usage.
Where lugs are not provided, a rugged double-V[276] groove clamp is advised. A set screw gives a contact at only one point, is more likely to become loosened, and is almost sure to cut into the wire. For the smaller sizes, a screw and washer connection with up-turned lugs on the switch terminal gives a satisfactory contact.
Must not be used on stage side of proscenium wall.
Must not be used for circuits carrying more than 1,320 watts.
Wire used must be standard rubber covered, but may be single braid.
Must never be concealed or run in damp places.
Must not be used where the difference of potential exceeds 300 volts.
Must be continuous from outlet to outlet, to junction boxes, or approved fittings designed especially for use with metal moldings, and must at all outlets be provided with approved terminal fittings which will protect the insulation of conductors from abrasion, unless such protection is afforded by the construction of the boxes or fittings.
Such molding where passing through a floor must be carried through an iron pipe extending from the ceiling below to a point five feet above the floor, which will serve as an additional mechanical protection and exclude the presence of moisture often prevalent in such locations.
Where the mechanical strength of the molding itself is adequate, this ruling may be modified to require the protecting piping from the ceiling below to a point at least three inches above the flooring.
Where such moldings pass through a partition the iron pipe, required for passing through floors, may be omitted and the molding passed directly through, providing the partition is dry and the molding is in a continuous length with no joint or coupling within the partition.
Backing must be secured in position by screws or bolts, the heads of which must be flush with the metal.
Must have the metal of molding permanently and effectually grounded to water piping, gas piping, or other suitable grounds, provided that when connections are made to gas piping, they must be on the street side of the meter. If the metal molding system consists of several separate sections, the sections must be bonded to each other and the system grounded, or each section may be separately grounded, as required above.
Metal moldings and gas pipes must be securely fastened to outlet boxes, junction boxes, and cabinets, so as to secure a good electrical connection. Molding must be so installed that adjacent lengths of molding will be mechanically and electrically secured at all points.
If metal molding, couplings, outlet boxes, junction boxes, cabinets, or fittings having protective coating of non-conducting material such as enamel are used, such coating must be thoroughly removed from threads of couplings and metal moldings, and from the surfaces of boxes, cabinets, and fittings, where the metal molding or ground clamp is secured in order to obtain the requisite good connection.[278] Grounded pipes must be cleaned of rust, scale, etc., at the place of attachment of the ground clamp.
Connection to grounded pipes and to metal moldings must be exposed to view, or readily accessible, and must be made by means of approved ground clamps, to which the wires must be soldered.
Ground wires must be of copper, at least No. 10 B. & S. gauge. They shall be protected from mechanical injury.
FIGURE 165.
Must be installed so that for alternating-current systems the two or more wires of a circuit will be in the same metal molding. It is suggested that this be done for direct-current systems also so that they may be changed to the alternating-current system at any time, induction troubles preventing such change if the wires are in separate moldings.
Meters.—A good job of meter setting requires that the meter fittings which are now on the market be used. Two separate meters will be required in each theater; one for the general lighting and one for the emergency system.
Meter Reading.—Meter readings are indicated by[279] pointers, arranged to move over dials as shown in Figure 165. The various pointers are connected together by gearing in such a manner, that alternate pointers move in opposite directions, as indicated by the figures on the dials. The gearing moving the pointers in Figure 165 is of such proportions that a total revolution of any pointer represents one-tenth of a revolution of the pointer to the left of it. Thus ten revolutions of one pointer causes one revolution of the one at the left.
FIGURE 166.
FIGURE 167.
At the top of each dial the value of the reading of that dial is shown. Where the figures given are followed by the letter “s”, as in Figures 167 and 168, it signifies that each division of the dial represents[280] the amount of energy indicated by the figures at the top. For instance, in Figure 168 each division of the dial at the right represents one-tenth of one kilowatt hour and a total revolution of the pointer ten-tenths, or one kilowatt hour.
If the figures given at the top of the dial are not followed by the letter “s”, or as shown in Figure 166, each division of the dial represents one-tenth of the amount shown at the top of the dial, the dial at the right of Figure 166 indicating nine-tenths of ten kilowatts or nine kilowatts.
FIGURE 168.
The meter must always be read from right to left, the lowest indicating dial being the one at the extreme right, and the lower reading ones always being used to check the higher ones just at the left. The following example will illustrate the manner of reading meters:
In Figure 165 the right-hand pointer registers nine-tenths of 1000, or 900 watt hours; the pointer next to it registers eight, since it cannot be considered as fully up to any number unless the pointer at the right of it has just arrived at or passed 0. By the same token the middle pointer also registers 8 and as the middle pointer has not reached 0 the one at[281] the left of it must be read as one, the last dial also indicates one and the total reading is 1,188,900. On some types of meters a multiplier is used. This is generally given on the meter dial and the readings given by the pointers must be multiplied by this number to obtain the correct reading of the meter.
Motors.—Motors are used in theaters for ventilation, for raising and lowering the steel curtain in cities where such are required, and also in some cases for operating drop curtains, but for this last purpose they have not found much favor. In some localities motors are required to keep up a certain water pressure to be used in case of fire. Voltages higher than 550 are not considered in theater work.
Motors operating at a potential of 550 volts or less must be thoroughly insulated from the ground wherever feasible. Wooden base frames used for this purpose, and wooden floors, which are depended upon for insulation where, for any reason, it is necessary to omit the base frames, must be kept filled to prevent absorption of moisture, and must be kept clean and dry. Where frame insulation is impracticable special permission in writing may be given for its omission, in which case the frame must be permanently and effectively grounded.
The motor leads or branch circuits must be designed to carry a current at least 25 per cent greater than that for which the motor is rated. Where the wires under this rule would be over-fused in order to provide for the starting current, as in the case of many of the alternating-current motors, the wires[282] must be of such size as to be properly protected by these larger fuses.
Each motor and resistance box must be protected by a cut-out and controlled by a switch; said switch plainly indicating whether “on” or “off”.
Small motors may be grouped under the protection of a single set of fuses, provided the rated capacity of the fuses does not exceed 6 amperes. With motors of one-fourth horse power or less, on circuits where the voltage does not exceed 300, single-pole switches may be used. The switch and rheostat must be located within sight of the motor, except in cases where special permission to locate them elsewhere is given, in writing.
Where the circuit-breaking device on the motor-starting rheostat disconnects all wires of the circuit, the switch called for in this section may be omitted. Overload-release devices on motor-starting rheostats will not be considered to take the place of the cut-out required by this section. An automatic circuit-breaker disconnecting all wires of the circuit may serve as both switch and cut-out.
Auto starters, unless equipped with tight casings enclosing all current-carrying parts, in all wet, dusty, or linty places, must be enclosed in dust-tight, fireproof cabinets. Where there is any liability of short circuits across their exposed live parts being caused by accidental contacts, a railing must be erected around them.
Must not be run in series-multiple or multiple-series, except on constant-potential systems, and then only by special permission.
Must, when combined with ceiling fans, be hung from insulated hooks, or else there must be an insulator[283] interposed between the motor and its support.
Must each be provided with a name-plate, giving the maker’s name, the capacity in volts and amperes, and the normal speed in revolutions per minute.
All varying (or variable) speed alternating-current motors except those used for railway service must be marked with the maximum current which they can safely carry for 30 minutes, starting cold.
Terminal blocks when used on motors must be made of approved non-combustible, non-absorptive, insulating material such as slate, marble, or porcelain.
Adjustable-speed motors, unless of special and appropriate design, if controlled by means of field regulation, must be so arranged and connected that they cannot be started under weakened field.
The use of soft rubber bushings to protect the lead wires coming through the frames of motors is permitted, except when installed where oils, grease, oily vapors, or other substances known to have rapid deleterious effect on rubber are present in such quantities and in such proximity to motors as may cause such bushings to be liable to rapid destruction. In such cases hardwood properly filled, or preferably porcelain or micanite bushings must be used.
The following table shows the sizes of wire recommended to be used with motors of the horsepower given. This table is an extract from the rules of the Department of Gas and Electricity of the City of Chicago. The column headed “Mains” may be used when there are a number of motors fed by a single line. For all lines which supply a single motor only,[284] the column headed “Branches” must be used.
The difference between the two is due to the fact that it is not believed that several motors fed by a single line will all be started at the same time; hence it is not necessary to provide the overload capacity for all of the motors as it is where but a single motor is installed.
Table VIII.
SIZE OF WIRES FOR MOTORS OF DIFFERENT HORSE POWER.
| DIRECT CURRENT | |||||||
|---|---|---|---|---|---|---|---|
| 110 Volts | 220 Volts | ||||||
| H. P. | Full- load Current |
Size of Wire Mains |
Size of Wire Branches |
Full- load Current |
Size of Wire Mains |
Size of Wire Branches |
|
| 1 | 8 | 14 | 14 | 4 | 14 | 14 | |
| 2 | 15 | 14 | 12 | 8 | 14 | 14 | |
| 3 | 23 | 10 | 8 | 12 | 14 | 14 | |
| 4 | 30 | 8 | 6 | 15 | 14 | 12 | |
| 5 | 38 | 6 | 6 | 19 | 12 | 10 | |
| 7 | .5 | 56 | 5 | 4 | 28 | 8 | 8 |
| 10 | 75 | 3 | 1 | 38 | 6 | 6 | |
| SINGLE-PHASE | |||||||
| 1 | 12 | ... | 12 | 6 | ... | 14 | |
| 2 | 23 | ... | 8 | 11 | ... | 12 | |
| 3 | 33 | ... | 6 | 16 | ... | 10 | |
| 4 | 44 | ... | 4 | 22 | ... | 8 | |
| 5 | 53 | ... | 3 | 26 | ... | 6 | |
| THREE-PHASE | |||||||
| 1 | ... | ... | ... | 3 | 14 | 14 | |
| 2 | ... | ... | ... | 5 | 14 | 14 | |
| 3 | ... | ... | ... | 8 | 14 | 14 | |
| 4 | ... | ... | ... | 10 | 14 | 14 | |
| 5 | ... | ... | ... | 13 | 14 | 12 | |
| 7 | .5 | ... | ... | ... | 19 | 12 | 8 |
| 10 | ... | ... | ... | 26 | 8 | 6 | |
Music Stands.—Music stands are used by the musicians and are generally placed between the first row of seats and the stage. Each musician should be provided with an individual stand, although if necessary, two or three can get along with one stand.
No first-class theater should be fitted up with less than twenty outlets for musicians’ lights. In the Metropolitan Opera House of New York there are one hundred. Houses used exclusively for vaudeville do not, however, need that many. In houses devoted to grand opera, often as many as one hundred or more musicians are employed at the same time. To take care of such a number, the music stands should be wired with pin-plug connectors so that connections may be made from one to the other. Long flexible connections are necessary for most music stands.
Sometimes it is necessary to crowd the orchestra under the stage and at other times, with musical comedies, for instance, they must be brought out where they can see the movements of the actors.
The more the circuits are subdivided, and the different lights made independent of each other, the better it will be and the less the annoyance in case a fuse blows. The fuses should always be arranged at the switchboard so that it will not be necessary for the electrician to work in front of the audience in cases of trouble. For this reason extra stands should also be kept on hand.
A main switch controlling the lights should be placed where one of the musicians can handle it. In dark scenes these lights must often be turned out. If these lights are left under the control of the stage electrician they will be more likely to be forgotten[286] at the critical moment than if under the control of the men who need them.
An eight candle-power lamp for each stand will be sufficient and this is usually placed inside a special reflector which allows the light to fall upon the music sheet only. Stage cable of good quality should be used for the connections; there is too much rough handling for reinforced cord. The use of the ordinary attachment plug should be avoided; use approved pin-plug connectors.
Open Work.—Open work is not allowed in theaters.
Operating Room.—See special chapter on “Operating Room.”
Panel Boards.—Panel boards are really small switchboards, the switches and cut-outs being mounted usually upon slate. The slate must be free of metal seams; these, if present, often manifest themselves by heating. Panel boards, unless located in the immediate vicinity of the main switchboard, and where they are enclosed in a compartment, must always be placed in standard metal cabinets.
The following specifications are intended to apply to all panel and distributing boards used for the control of light and power circuits, but not to such switchboards in central stations, sub-stations, or isolated plants as directly control energy derived from generators or transforming devices.
The specifications for construction of switches and cut-outs given in the following pages must be followed as far as they apply.
In the relative arrangement of fuses and switches, the fuses may be placed between the bus-bars and the switches, or between the switches and the circuits, except in the case of service switches. When the branch switches are between the fuses and the bus-bars, the connections must be so arranged that the blades will be dead when the switches are open.
When there are exposed live-metal parts on the back of a board, a space of at least one-half inch must be provided between such live metal parts and the cabinet in which the board is mounted.
Table IX.
THE MINIMUM DISTANCE THAT MUST BE MAINTAINED
BETWEEN
BARE LIVE METAL PARTS (BUS-BARS, ETC.)
| Between Parts of Opposite Polarity, Except at Switches and Link Fuses |
Between Parts of Same Polarity at Link Fuses |
||||||
|---|---|---|---|---|---|---|---|
| When Mounted on the Same Surface |
When Held Free in Air |
||||||
| Not over 125 volts | 3⁄4 inch | 1⁄2 inch | 1⁄2 inch | ||||
| Not over 250 volts | 1 | 1⁄4 inch | 3⁄4 inch | 3⁄4 inch | |||
| Not over 600 volts | 2 | 3⁄4 inch | 1 | 3⁄4 inch | |||
At switches or enclosed fuses, parts of the same polarity may be placed as close together as convenience in handling will allow. It should be noted that the above distances are the minimum allowable, and it is urged that greater distances be adopted wherever the conditions will permit.
The spacings given in the first column apply to the branch conductors where enclosed fuses are used.[288] Where link fuses or knife switches are used, the spacings must be at least as great as those given in the following section on fuse spacing. The spacings given in the second column above apply to the distance between the raised main bars and between these bars and the branch bars over which they pass. The spacings given in the third column are intended to prevent the melting of a link fuse by the blowing of an adjacent fuse of the same polarity.
Panel boards of special design, in which the insulation and separation between the bus-bars, and between the other current-carrying parts is secured by means of barriers or insulating materials instead of by the spacings given above, must be submitted for special examination and approved before being used.
Spacings must be at least as great as those given in Table X, which applies only to plain, open link fuses. The spaces given are correct for fuse blocks to be used on direct-current systems, and can therefore be safely followed in devices designed for alternating currents. If the copper fuse tips overhang the edges of the fuse block terminals, the spacings should be measured between the nearest edges of the tips.
A space must be maintained between fuse terminals of the same polarity of at least one-half of an inch for voltages up to 125 and of at least three-quarters of an inch for voltages from 125 to 250. This is the minimum distance allowable, and greater separation should be provided when practicable.
For 250 volts, boards, or blocks with the ordinary front-connected terminals, except where these have[289] a mass of compact form equivalent to the back-connected terminals usually found in switchboard work, a substantial barrier of insulating material, not less than one-eighth of an inch in thickness, must be placed in the “break” gap—this barrier to extend out from the base at least one-eighth of an inch farther than any bare live part of the fuse-block terminal, including binding screws, nuts and the like.
For three-wire systems cut-outs must have the break-distance required for circuits of the potential of the outside wires.
Table X.
FUSE SPACINGS.
| Not over 125 volts: | Minimum Separation of Nearest Metal Parts of Opposite Polarity |
Minimum Break Distance |
||
|---|---|---|---|---|
| 10 amperes or less | 3⁄4 inch | 3⁄4 inch | ||
| 11-100 amperes | 1 | 3⁄4 inch | 3⁄4 inch | |
| 101-300 amperes | 1 | 3⁄4 inch | 1 | 3⁄4 inch |
| 301-1,000 amperes | 1 | 1⁄4 inches | 1 | 1⁄4 inches |
| Not over 250 volts: | Minimum Separation of Nearest Metal Parts of Opposite Polarity |
Minimum Break Distance |
||
| 10 amperes or less | 1 | 1⁄2 inches | 1 | 1⁄4 inches |
| 11-100 amperes | 1 | 3⁄4 inches | 1 | 1⁄4 inches |
| 101-300 amperes | 2 | 3⁄4 inches | 1 | 1⁄2 inches |
| 301-1,000 amperes | 2 | 1⁄2 inches | 2 | 3⁄4 inches |
When designed with 250-volt spacings between adjacent blades, triple-pole switches must be marked 250 volts and may be used on 3-wire D. C. or single-phase systems having not more than 250 volts between adjacent wires and not more than 500 volts between the two outside wires.
Spacings and dimensions must be at least as great as those given below:
Table XI A.
SWITCH SPACINGS AND DIMENSIONS
FOR SWITCH-BOARDS
AND PANEL BOARDS.
| Not Over 125 Volts D. C. and A. C. | ||||||
|---|---|---|---|---|---|---|
| Current | Width and Thickness | Minimum Separation of Nearest Metal parts of Opposite Polarity |
Minimum Break Distance |
|||
| Blades | Clips and Hinges |
|||||
| 30 amp. | 1⁄2 inch by 5⁄64 inch |
1⁄2 inch by 3⁄64 inch |
1 | 1⁄4 inch | 3⁄4 inch | |
| 60 amp. | 1 | 1⁄4 inch | 1 | 3⁄4 inch | ||
Table XI B.
SWITCH SPACINGS AND DIMENSIONS
FOR INDIVIDUAL
SWITCHES.
| Not Over 125 Volts D. C. and A. C. | |||||||||
|---|---|---|---|---|---|---|---|---|---|
| Inch | Inch | Inch | Inch | ||||||
| 30 | amperes | 1⁄2 by 5⁄64 | 1⁄2 by 3⁄64 | 1 | 1⁄4 | 1 | |||
| 60 | and | 100 | amperes | 1 | 1⁄2 | 1 | 1⁄4 | ||
| 200 | amperes | 2 | 1⁄4 | 2 | |||||
| 400 | and | 600 | amperes | 2 | 3⁄4 | 2 | 1⁄2 | ||
| 800 | and | 1000 | amperes | 3 | 2 | 3⁄4 | |||
A 300-ampere switch with the spacings of the 200-ampere switch above may be used on switchboards.
Table XI C.
SWITCH SPACINGS AND DIMENSIONS FOR ALL SWITCHES.
| 250 Volts Only D. C. and A. C. | |||||||||
|---|---|---|---|---|---|---|---|---|---|
| Inch | Inch | Inch | Inch | ||||||
| 30 amperes | 1⁄2 by 5⁄64 | 1⁄2 by 3⁄64 | 1 | 3⁄4 | 1 | 1⁄2 | |||
Table XI D.
SWITCH SPACINGS AND DIMENSIONS FOR ALL SWITCHES.
| Not Over 250 Volts D. C. nor Over 500 Volts A. C. | |||||||||
|---|---|---|---|---|---|---|---|---|---|
| Inch | Inch | Inch | Inch | ||||||
| 30 | amperes | 5⁄8 by 1⁄8 | 5⁄8 by 1⁄16 | 2 | 1⁄4 | 2 | |||
| 60 | and | 100 | amperes | 2 | 1⁄4 | 2 | |||
| 200 | amperes | 2 | 1⁄2 | 2 | 1⁄4 | ||||
| 400 | and | 600 | amperes | 2 | 3⁄4 | 2 | 1⁄2 | ||
| 800 | and | 1000 | amperes | 3 | 2 | 3⁄4 | |||
A 300-ampere switch with the spacings of the 200-ampere switch above may be used on switchboards.
Cut-out terminals on switches for over 250 volts must be designed and spaced for 600-volt fuses.
Table XI E.
SWITCH SPACINGS AND DIMENSIONS FOR ALL SWITCHES.
| Not Over 600 Volts D. C. and A. C. | |||||||||
|---|---|---|---|---|---|---|---|---|---|
| Inch | Inch | Inch | Inch | ||||||
| 30 | amperes | 5⁄8 by 1⁄8 | 5⁄8 by 1⁄16 | 4 | 3 | 1⁄2 | |||
| 60 | amperes | 4 | 3 | 1⁄2 | |||||
| 100 | amperes | 4 | 1⁄2 | 4 | |||||
Paint Bridge.—The paint bridge is usually a scaffold which can be raised and lowered, and which serves the purpose of carrying scene painters at work on the curtains. A long strip is the best means of illumination and it must be connected with long stage cable so as to be portable.
Paint Room.—Rooms in which paints are stored should not contain switches or cut-outs. Lamps should be incased in vapor-tight globes.
Program Board.—A simple form of program board is shown in Figure 169. Except at the top and the bottom, where three lamps are shown together in one compartment, each lamp is incased by itself. In front of the lamps is usually colored glass, bearing numbers or letters. The lamp behind any number[292] being turned on, that number becomes visible. The top and bottom are usually labeled, “Special”, or “Extra”.
FIGURE 169.
Another form of program board is shown in Figure 170. This requires much more wiring. Each lamp on the board is connected to a plug or switch at the operator’s station. Whichever switch is closed on the small board at the right causes a corresponding light on the large board to appear.
FIGURE 170.
Two program boards are usually installed, one at each side of the stage, facing the audience at angles,[293] so that one can be seen from the extreme right, the other from the extreme left.
FIGURE 171.
A system that is often used for carriage call is shown in Figure 171. The lights are arranged on circuits as indicated by numbers. All lamps bearing the same number being connected to one wire leading to the controlling station. Thus there are eight controlling or switch wires and there is one wire common to all. A special switch is provided which has a contact point for each wire. Paper cards, perforated specially for the numbers they represent, are used. If a card bearing a certain number is inserted in the proper place and the switch closed, the number printed on the card will appear on the sign. If, for instance, the shaded circles in the card at the left of the figure allow contact to be made, the lights indicated by black circles will light up and make the figure “6”.
Another form of program or call board is shown in Figure 172. This requires more wires than the one just described, one wire being carried to the controlling board from each lamp. The connections may[294] be made in various ways. Sometimes they are made with knife switches. If it is desired to make the figure 1, for instance, only the three lights in a vertical row in the center need be lighted, and to do this the three wires from those lamps must be connected to one switch. To make the figure 2, seven lamps would have to be lit by another switch. It is capable of making any letter or number and when used as a program board only may be somewhat simplified.
FIGURE 172.
In connection with these signs a large number of wires may be required and attention should be given to the following rule:
Except in the case of stage pockets the same conduit must never contain more than four two-wire, or three three-wire circuits of the same system except by special permission, and must never contain circuits of different systems.
Proscenium Side Lights.—These lights are located on each side of the stage, as near as possible to the[295] edge of the proscenium opening and often in front of the steel curtain. They are of more use in musical productions, where choruses spread over the whole stage, than in dramatic productions where the interest is more in the center of the stage. In some theaters the proscenium side lights extend the full height of the opening and are arranged for three colors in the same manner as footlights and borders. Very often, however, only ten or twelve lights are arranged on each side of the stage.
The construction rules are the same as those governing foot-lights.
Lamps must be protected by strong wire mesh. This is essential as in many cases actors are very likely to back into them while passing off the stage. Portable strips are sometimes used as proscenium side lights.
Receptacles.—See “Stage Pockets”.
Retiring Rooms.—In these places a quiet subdued illumination is usually desired. There are also often quaint objects and effects to be illuminated. A large number of outlets conveniently located for the use of table lamps, fire places, and illumination of pictures, should be provided.
Rheostats.
Must be placed on a switchboard, or at a distance of at least one foot from combustible material, or separated therefrom by a slab or panel of non-combustible, non-absorptive, insulating material such as slate, soapstone, or marble, somewhat larger than the rheostat, which must be secured in position independently[296] of the rheostat supports. Bolts for supporting the rheostat shall be countersunk at least one-eighth inch below the surface at the back of the slab and the bolt heads shall be covered with insulating material. For proper mechanical strength, slab should be of a thickness consistent with the size and weight of the rheostat, and in no case to be less than one-half inch.
If resistance devices are installed in rooms where dust or combustible flyings would be liable to accumulate on them, they must be equipped with dust-proof face plates.
Must be made entirely of non-combustible materials, except such minor parts as handles, magnet insulation, etc. All segments, lever arms, etc., must be mounted on non-combustible, non-absorptive, insulating material.
Clamps for connecting wires to the terminals must be so designed as to insure a thoroughly good connection and must be sufficiently strong and heavy to withstand hard usage. For currents above 30 amperes, lugs into which the connecting wires may be soldered, or approved solderless connectors must be used. Clamps or lugs will not be required when leads are provided as a part of the device.
Motor-starting rheostats must be so designed that the contact arm cannot be left on intermediate segments, and for direct-current circuits must be provided with an automatic device which will interrupt[297] the supply circuit before the speed of the motor falls to less than one-third of its normal value. In motor-starting rheostats for alternating-current circuits the automatic interrupting device may be omitted.
Overload-release devices which are inoperative during the process of starting a motor will not be approved, unless other circuit-breakers or fuses are installed in connection with them.
Signals.—Signals are necessary between the manager’s office and the stage electrician’s station; for this purpose telephones are generally used. In many cities a fire-alarm signal system is also required and it is specified to what part of the house it shall lead. In addition to the above, a means of signalling the fly floor and the orchestra leader must be provided. Buzzers are used for these signals. It is best to use batteries for all these signals instead of attempting to run them from lighting circuits. Means of signalling the arc-lamp station in the gallery or the balcony should also be provided for use in connection with lantern slides, etc. Telephone connection to this point will also be very useful in order to give instructions to the lamp operator. Return-call systems are advisable in all places so that the electrician can be called from any point.
In some cities the local laws require these wires to be in conduit so as to preclude any possibility of their communicating fire to anything. At any rate the wires should be very carefully installed.
Signs.—In nearly all electric signs used about theaters the letters are outlined by incandescent lamps. Small candle-power lamps are always used.[298] They are not only economical but much more attractive because the glare from too much light is very annoying. Many signs are equipped with low candle-power tungsten lamps wired in series. In order that the letters should show to full advantage they should be glossy white and be kept clean. Such letters will show as bright as the lamps. It is best to wire the sign so that either side can be used independent of the other. In many cases, also, signs are wired so that each letter is independent of the others for use with flashers.
Attraction signs are used to advertise the attractions which appear from time to time. Independent portable letters are used and changed as often as the attractions change. Each letter must be fitted with cable and attachment plug of some kind and should have a separate circuit. Cut-outs are generally located on the frame and must be protected from the weather.
Sockets.—Sockets must be of approved construction. Key sockets must not be used for emergency or exit lighting. Sockets with fiber linings must not be used unless protected by insulating joints. In damp places weatherproof sockets must be used. Where inflammable gases exist, lamps must be incased in vapor-proof globes. Porcelain sockets should not be used in theaters. Weatherproof sockets are generally used for portable purposes because they have no screws, etc., to work loose.
Stage Cable.—Stage cables are allowed in theaters only where flexible conductors are absolutely necessary. All wiring that can possibly be installed in conduit or strip construction should be so arranged. By the use of plugging boxes the quantity of stage[299] cable necessary can be much reduced. Plugs for arc and incandescent lights must not be interchangeable.
Stage Flues.—In most cities stage flues, as described in the chapter on “Theater Buildings”, are required. The requirement is also, often, that they be released by electrical means. The rule below contemplates a circuit containing an electro-magnet and at least two switches in series. The magnet must be energized to hold the ventilator closed. If the current fails or a switch is opened the dampers must fly open at once. Where direct current is available the magnet is usually wound for 110 volts and connected to a circuit that is always alive. In case of an isolated plant which is shut down at night some arrangement for tying the dampers down should be made, but it is not always advisable, as once tied they are likely to remain so and sure to fail when needed. Magnets do not work well on alternating currents and in such cases the magnet should be wound for a small current to be obtained from a gravity battery which may be allowed to be always working. Locate the battery where it will not freeze.
In cases where dampers are released by an electric device, the electric circuit operating same must be normally closed. Magnet operating dampers must be wound to take full voltage of circuit by which it is supplied, using no resistance device, and must not heat more than normal for apparatus of similar construction. It must be located in loft above scenery, and be installed in a suitable iron box with a tight, self-closing door.
Such dampers must be controlled by at least two standard single-pole switches mounted within approved iron boxes provided with self-closing doors without lock or latch, and located, one at the electrician’s station and the others as designated.
Stage and Gallery Pockets.—Stage pockets are usually located on each side of the stage just far enough from the center to be safely back of the scenery. The more pockets there are the better it will be. Each pocket usually contains four circuits, and one of these at least should be for incandescent lights. It will be convenient if the stage pockets are divided into four groups, each group under control of a separate switch and the whole again under control of a main switch. This will enable the operator to throw off all of the pockets at once, if necessary, or to make any combination desired.
FIGURE 173.
Sometimes lights fed through stage pockets require to be dimmed; but it is hardly practicable to arrange dimmers for apparatus carried by traveling companies, since a dimmer must be selected with respect to the amperage it is to control.
In addition to the rules given below, some cities require the bottom of stage pockets to be open, so as[301] to avoid an accumulation of dust. This is a very essential precaution, as otherwise the pockets soon fill up or require very frequent cleaning. The covers must be substantial as heavy trucks are sometimes run over them. Two illustrations of stage pockets are given in Figures 173 and 174. The plugs used with these boxes are shown in Figure 175.
FIGURE 174.
FIGURE 175.
Gallery pockets are not usually laid in the floor but along the railing. The gallery pockets should be under separate control from the stage switchboard.
Must be of approved type, insulated from ground and controlled from switchboard, each receptacle to be of not less than 35-ampere rating for arc lamps nor 15-ampere for incandescent lamps, and each receptacle to be wired to its full capacity. Arc pockets to be wired with wire not smaller than No. 6 B. & S. gauge and incandescent pockets with not less than No. 12 B. & S. gauge. Plugs for arcs and incandescent pockets must not be interchangeable.
Switches.—All knife switches should be enclosed in[302] cabinets unless they are located on a switchboard. In exposed places, flush switches should be used. The usual height at which scattered switches are located is about four and one-half feet above floor. Door switches are of use principally in dressing rooms.
FIGURE 176.
Diagrams of three-way switches are given in Figures 176 and 177. In Figure 177, the wiring by which a light can be controlled from three different points is shown. The middle switch must be a pole-changing switch. In this case a throw-over knife switch is wired to perform this function. Omitting the knife switch we have two three-way switches controlling the light. When both switches (indicated by broken lines) connect to the same wire the light burns.
FIGURE 177.
In Figure 176, when both switches connect to the same polarity the light is out; when one of them is connected to the other pole the light burns. Under certain conditions this arrangement is more economical in wire but has the disadvantage which the other method avoids, of bringing both poles to each switch.[303] This method cannot be used with direct-current arc lamps. Three-way switches are useful on stairways, enabling one to turn on a light at the bottom of the stairway and turn it off when at the top or vice versa.
Must be placed on all service wires, either overhead or underground, in the nearest readily accessible place to the point where the wires enter the building, and arranged to cut off the entire current. Departure from this rule may be authorized only under special permission in writing. Switches controlling emergency lighting must be located only in the lobby.
Must when used for service switches, indicate, on inspection, whether the current be “on” or “off”. Switch cabinets must be deep enough to allow the door to be closed when 30 ampere branch-circuit switches are in any position, and when larger single-throw switches are thrown open as far as their construction and installation will permit.
Must, for constant-current systems, close the main circuit and disconnect the branch wires when turned “off”; must be so constructed that they shall be automatic in action, not stopping between points when started, and must prevent an arc between the points under all circumstances. They must indicate whether the current be “on” or “off”. Service cut-out and switch must be arranged to cut off current from all devices including meters.
Must always be placed in dry, accessible places, and be grouped as far as possible. Single-throw knife[304] switches must be so placed that gravity will not tend to close them. Double-throw knife switches may be mounted so that the throw will be either vertical or horizontal as preferred, but if the throw be vertical a locking device must be provided, so constructed as to insure the blades remaining in the open position when so set.
When practicable switches must be so wired that blades will be “dead” when the switch is open.
When switches are used in rooms where combustible flyings would be likely to accumulate around them, they must be enclosed in dust-tight cabinets.
Up to 250 volts and thirty amperes, approved indicating snap switches are suggested in preference to knife switches on lighting circuits.
Single-pole switches must never be used as service switches nor for the control of outdoor signs or circuits located in damp places, nor placed in the neutral wire of a three-wire system, except in the two-wire branch or tap circuit supplying not more than 660 watts.
Where flush switches or receptacles are used, whether with conduit systems or not, they must be enclosed in an approved box constructed of iron or steel, in addition to the porcelain enclosure of the switch or receptacle.
Hinges of knife switches must not be used to carry current unless they are equipped with spring washers, held by lock-nuts or pins, or their equivalent, so arranged that a firm and secure connection will be maintained at all positions of the switch blades.
Spring washers must be of sufficient strength to take up any wear in the hinge and maintain a good contact at all times.
Switches for currents of over thirty amperes must be equipped with lugs, firmly screwed or bolted to the switch, and into which the conducting wire shall be soldered. For the smaller sized switches simple clamps can be employed, provided they are heavy enough to stand considerable hard usage.
Where lugs are not provided, a rugged double-V groove clamp is advised. A set screw gives a contact at only one point, is more likely to become loosened, and is almost sure to cut into the wire. For the smaller sizes, a screw and washer connection with up-turned lugs on the switch terminal gives a satisfactory contact.
See “Panel Boards”.
Switchboards.—The stage switchboard is usually located on the right-hand side of the stage. This position enables the operator to watch cues easily and handle his switches with the right hand. This side is also the one from which the stage manager prefers to work. It is preferable to have the board raised high enough above stage level to allow all space on the stage to be used by actors. If the switchboard is located on stage level it takes up much room that is valuable and makes stage exits for actors difficult.
The wiring of a good switchboard should be divided into three parts, each part independent of the others, so that any one part can be entirely cut off without interfering with the other. All of the house lights should be fed through one main switch, and all of the stage light connected to another set of bus-bars, but it is best not to have the stage side of the[306] board as a whole controlled by a main switch. If the stage side of the board is controlled by a single switch there exists the possibility that this switch may be used to cut off everything for a dark scene and when light is again wanted a part of the lighting of the previous setting may be left on and possibly interfere with the new scene.
FIGURE 178.
The stage lighting is usually divided into four groups, viz.: three color groups and a group of stage[307] pockets. The number of white lights is usually equal to that of all of the colors.
Figure 178 shows a well laid out switchboard. All of the lights in the auditorium are controlled by switches shown in the upper right-hand corner and all of these are under the control of the main switch. The house lights are usually thrown on or off as a whole and this main switch must be convenient for the operator.
The stage pockets are controlled by the bank of switches shown at E. Lights burning off the stage pockets generally are controlled by special operators on the stage or by actors, and need not be so very convenient to the switchboard operator. They must, however, be under his control when necessary; but here also a main switch is not advisable.
In addition to the three groups of lights spoken of above, there are a number of lights which should be controlled from the switchboard but must be so connected that they will be left on, no matter what is done with either house or stage light.
In this group belong a few lights mounted at the top of the switchboard which enable the operator to see his switches when all else is dark. These lights are generally shielded so as to throw no light in the direction of the stage opening. The orchestra lights also belong in this group, but a special switch may, with advantage, be arranged on this circuit to bring it under the control of one of the musicians. In some dark scenes these lights are turned out for a short time, but it is very important that they be turned on again at the proper moment, and this is more certainly assured, by giving the musicians control, than by[308] leaving it to an electrician on the stage who may be very busy with other matters at the time.
The lights on the fly floor and in the rigging loft, as well as those in dressing rooms and basement, must also be independent. Fan motor circuits should also be independent of the house circuit. They are often needed when the house lights are thrown off.
With the switchboard illustrated in Figure 178 we have shown only the switches governing the house and stage proper. The switches governing the other lights are usually worked into the vacant spaces between the two groups. Each switch should be labeled in such a manner that a new operator can learn the board easily.
The most important part of the board is that part governing the stage lighting, and this should always be placed as conveniently as possible to the operator. A stage switchboard is like a house in that no one is wholly satisfied with the one he has, but thinks he could improve it a little if he could build it over again. The arrangement shown in Figure 178 is, however, quite satisfactory for general purposes. The white lights predominate in the ratio of two to one and are laid out in two groups A and B. Both groups are controlled by the switch C. The switches A and B do not control the lights at all if the smaller throw-over switches at the right are thrown downward. A diagram of these switch connections is given in Figure 179 where the switches B and C are indicated. The object of the switches A and B is to help in quickly increasing or decreasing the illumination on the stage. If in the beginning of a certain scene, for instance, only a small quantity of light is wanted, while a little later full illumination is desired, the low illumination[309] may be obtained by throwing the proper switches down; the additional illumination which will be needed a few minutes later may be prepared for by setting the other switches needed to the upward position and at the proper moment closing switch B; this will instantly produce the effect which otherwise would be possible only by operating a number of switches in succession. In the same way, by a reversal of this process, the illumination may be reduced in any amount. This feature is very valuable in many stage settings.
FIGURE 179.
To throw off all of the white lights the switch C must be opened. The switches D and F are main switches controlling colored lamps. All lamps of one color should be connected to one or the other of these groups unless some special color effect is desired.
From the three groups of switches, circuits extend into the foot lights, into every border, and into the proscenium side-light strips so that the color scheme may be carried out in any of these.
The handles of all switches in a row should be of the same height so that the operator may more readily accustom himself to catch them quickly. It is better to have switches of some excess capacity, as the heavy[310] metal stands the arcing much better.
A main switch by which the whole board may be cut off should be installed but this need not be on the front of the board.
The general rule is that all wires in theaters must be in conduit or armored cable. Metal molding is not considered suitable for the stage side of the theater. There are, however, stage requirements which make the use of some sort of flexible and portable connection necessary and for such purposes stage cables are allowed. All wiring that can be permanently fastened to battens or fastened in other ways; or that is run inside of posts or statuary, must be in conduit or armored cable.
The National Electrical Code Rules are quoted in this chapter wherever they apply and should be followed, not only because these rules outline the best practice but because, throughout the country, inspections will generally be governed by these requirements. Even where the local rules vary somewhat from these rules, it will be found that all apparatus constructed according to them will be favored to a considerable extent.
Anvil Sparks.—These are sometimes produced by arranging the anvil as one pole of a circuit and the hammer as the other. When the hammer leaves the anvil, the spark occurs. A resistance must always be inserted in the circuit if a light or power circuit is employed. One of the most successful methods of producing anvil sparks is shown in Figure 180. When the hammer strikes the anvil the spring follows and strikes the head of the hammer; and when it rebounds[312] the spark occurs. If it is not desired to use a power circuit the spark may be obtained from batteries by the use of a spark coil. Sparks in dueling scenes may be produced in much the same manner.
In some cities the inspection laws require all arcs or sparks, used on the stage, to be enclosed. So far as the authors are aware no really satisfactory method of enclosing anvil sparks has ever been made up. If such an enclosure is to be constructed it must be borne in mind that it must not spoil the illusion nor mar the tone in case the anvil is tuned for use in singing acts. A special combination of metals is on sale at stage-supply dealers by which sparks can be produced without the use of current.
FIGURE 180.
Arc Lamps.—In Figure 181, there is shown an open or flood lamp, also known as the “Olivet”. This style of lamp is used on the stage only for general illumination. As the light from this lamp spreads in all directions it must be brought close to the part to be illuminated and this usually brings it close to the scenery.
All portable stage lamps are hand feed and require close attention on the part of operators. While traveling it sometimes occurs that only high voltage such as 500 or 600 volts is available and in such a case a suitable number of lamps must be connected in series. Hand-feed arc lamps are difficult to start under such circumstances and the following method is often resorted to: Place the carbons of all the lamps connected[313] in series the proper distance apart and connect a small fuse across each gap. When the current is turned on it will melt the fuses and establish the arc.
In Figure 182 we have an illustration of what is known as the spot or lens lamp. This style of lamp is used on the stage, on bridges, or “in front” (in front being the term by which the balcony or galleries are designated in this case). In the figure a “Sciopticon” attachment is shown which is removable.[314] Even very unpretentious shows carry at least one spot lamp and the largest shows often carry 30 or 40 open and spot lamps. Arc lamps are often imitated by an incandescent lamp placed within a suitable globe with the hood made up in the shape of an arc lamp.
FIGURE 183.
Figure 183 is a cut of a stereopticon outfit. Dissolving views require at least two lamps and sometimes three, the third being for the purpose of providing a frame for the views or adding an extra effect, such as falling snow. Two lamps at least are always in use at the same time and it is necessary to provide cables of sufficient carrying capacity for two or three lamps, as the case may be.
Must be constructed entirely of metal except where the use of approved insulating material is necessary.
Must be substantially constructed, and so designed as to provide for proper ventilation, and to prevent sparks being emitted from lamps when same are in operation; and mica must be used for frame insulation.
Front opening must be provided with self-closing hinged door frame, in which wire gauze or glass must be inserted, except in the case of lens lamps, where the front may be stationary, and a solid door be provided on back or side.
Must be so constructed that neither carbons nor live parts will be brought into contact with metal of hood during operation, and arc-lamp frames and standards must be so installed and protected as to prevent the liability of their being grounded.
Switch on standard must be so constructed that accidental contact with any live portion of same will be impossible.
All stranded connections in lamp and at switch and rheostat must be provided with approved lugs.
Rheostats must be plainly marked with their rated capacity in volts and amperes, and, if mounted on a standard, must be raised to a height of at least three inches above the floor. Resistance must be enclosed in a substantial and properly ventilated metal case which affords a clearance of at least one inch between the case and the resistance element.
A competent operator must be in charge of each arc lamp, except that one operator may have charge[316] of two lamps, when they are not more than ten feet apart and are so located that he can properly watch and care for both lamps.
Each lamp should be provided with its own fuses and switch.
Baby Spot Lamp.—This is the name given to a small lens lamp in which an incandescent lamp is used instead of an arc lamp. Such a lamp cannot be used for projection very well but is well suited to illuminate parts of an act that do not require very bright illumination. It is sometimes used to take the place of proscenium side lights. In one well-known production twelve such lamps were used upon scaffolding directly above the proscenium opening. The incandescent lamp is movable for the purpose of focusing; but it not being a “point source”, no such accurate focusing is possible as with arc lamps.
Batteries.—Both primary and secondary, or storage, batteries are extensively used upon the stage. Small dry cells are often used to ring bells or light miniature lamps in the hair or clothes of the chorus. The electromotive force of a cell is independent of the size and depends only upon the materials used; but the current which a battery can deliver varies directly with its size. If we wish to increase the voltage we must connect several cells in series, as indicated in Figure 184; if we have sufficient voltage but lack current we must connect, as in Figure 185. As a general rule, in any circuit, we must connect the battery so that its resistances shall most nearly equal the resistance of the device which it feeds. This means that if the resistance of the device is greater than that of the battery we must connect our battery in series; if[317] it is less we must connect the cells in multiple, as indicated by Figure 185.
When connecting cells in multiple those of the same kind should always be selected. Any cell whose electromotive force is not fully equal to the others will absorb energy and be charged by the others. The resistance of small cells is high and it is best, where size is not objectionable, to use large cells. Storage, or secondary batteries, have low resistance and are capable of delivering very strong currents, even though the voltage be low. The heat is proportional to the square of the current and a certain amperage, with two volts back of it, will produce just as much heat in given resistance as the same amperage with several hundred volts. The sparking in case of a broken circuit or a fuse blowing would, however, be hardly noticeable with the low voltage.
FIGURE 184.
FIGURE 185.
No definite rule is given concerning the fusing of low-voltage storage batteries, but it is good practice to insert a double-pole fuse in each branch circuit; the fuse to be small enough to protect the smallest wire fed through it. The capacity of storage batteries is usually given in “ampere hours”. A 60-ampere-hour battery, for instance, can deliver three amperes for twenty hours or ten amperes for six hours. With every battery there is, however, a certain[318] maximum rate of discharge which should not be exceeded. The battery should not be allowed to run down too low and should be kept well charged. It is best to follow the instructions which the makers send out with them.
Bells.—Electric bells are used on the stage for many purposes. Sometimes they are used as musical instruments, the gongs being properly tuned; at other times they are provided to ring in connection with certain acts; and they are also used for the purpose of signaling. When signals are to be given, which the audience must not hear, it is better to provide buzzers.
FIGURE 186.
Bells can be arranged to operate from power circuits by placing an incandescent lamp, or some other suitable resistance, in series with them; but it is not advisable to do so. It is not safe from a fire-hazard point of view, and also not very practical, since in many places alternating current only can be had and the ordinary bell does not operate well with it. Batteries should always be used for bells and other low-voltage devices.
Where it is desired to operate a number of bells together, they may be arranged in series, as shown in Figure 186, in which the vibrator of one bell is[319] cut out of circuit so that the vibrations of this bell are governed by those of the other. Sets of bells properly tuned are often scattered about and controlled from a keyboard. There are usually eighteen bells in such a set.
Blinding Lights.—In certain acts it is necessary for the actor to work part of the time unseen by the audience. This may easily be arranged for by the use of a number of bright lights placed between him and the audience. These lights, when burning, blind the audience so that they cannot see beyond them. The lamps must be placed in reflectors which throw all light toward the audience. They are arranged either upon the floor of the stage or around cabinets or other devices. The blinding effect depends upon the contrast between the front and the rear of the lamps. Lights should be very bright but the quantity of light must not be sufficient to cause reflected light from the front to illuminate the back of the stage. Where emergency lights are kept burning during the performance it is quite difficult to carry out the blinding effect for any considerable length of time.
Brackets.—Brackets are made up in any of the three ways shown in Figure 187. If the stem is large enough to admit the cable, which should be used to the pin-plug connector, no splice of any kind will be necessary. If the bracket stem is too small for this, fixture wire must be used and a connection from it to the cable must be made. If this is made, as at the extreme right, the back of the canopy must be enclosed in substantial metal. On no account should fixture wire be allowed to extend outside of the stem. The bracket must have some provision by which it can be made to hold its proper position when in place.[320] Sometimes hooks are provided for this purpose and at other times it is held in place by screws in the scenery, as suggested by the back of the canopy shown at A.
Where brackets are used they must be wired entirely on the inside; fixture stem must come through to the back of the scenery and end of stem be properly bushed.
FIGURE 187.
Bunch Lights.—Bunch lights are made up according to the plans shown in Figure 188. They are used only on the stage. No very brilliant illumination can be obtained from them. In one well-known production a bunch light containing one hundred 32 c.-p. lamps was used without obtaining the result desired. The light cannot be concentrated as can that from arc lamps. Bunch lights, however, have the advantage of not requiring so much attention as arc lamps and can often be used on a shallow stage where arc lamps would be out of place. Bunch lights are sometimes[321] made double, two on one stand; two colors can thus be used at the same time and certain color changes facilitated. Color effects or changes in colors are brought about by inserting colored gelatine slides in front of the lights.
Must be substantially constructed of metal and must not contain any exposed wiring.
FIGURE 188.
The cable, feeding same, must be bushed in an approved manner where passing through the metal, and must be properly secured to prevent any mechanical strain on the connection.
Chandeliers.—The rule which requires all wiring about brackets to be enclosed, naturally would apply here also. In connection with chain fixtures, which[322] are at present very popular, this requirement is generally overlooked if good reinforced cord is used. Ordinary fixture wire or flexible cord should not be used. The weakest part of a chain fixture is indicated in Figure 189 by the arrow. The opening at this place is, as a rule, too small and not well reamed out. Fixtures used on the road are constantly giving way at this point. The opening should be large enough to pass reinforced cord and should be well reamed out. If the opening cannot be made large enough to give the wire a little free movement, it is advisable to wrap tape around the wire and the metal in such a way as to prevent all motion of the wire at this point. The same observations also apply to the other end where the cord enters the socket.
Another frequent source of trouble with chandeliers is found at the end of the stem where connection is made to the cable which feeds the fixture. See Figure 190. Very often fixture wire is brought out here, but this will soon break. The stage cable, or reinforced cord, should be run down to the bottom of the fixture and connections there made to the wires leading to the various arms. There are many fixture[323] hooks made up after the manner shown in Figure 191 which have a small opening for the wire at the point indicated by the arrow. This opening is always too small and in such a case it is best to arrange a tee as shown. A chandelier must always be hung in such a manner as to avoid strain coming on the electrical conductors.
FIGURE 192.
Colors.—Where a certain color is wanted, during the whole show, from a certain light source, the incandescent lamps themselves may be colored. Prepared colors for this purpose are on the market and it is best to use them. Where the colors in a scene change rapidly there must be some colored material available which can be quickly interposed between the light and the scene. The manner in which this is done for bunch lights is indicated in Figure 188. The same method is also used in connection with open-arc lamps, but for spot lights there is another method, shown in Figure 192. This is a so-called color wheel and the colors can be changed by simply revolving the wheel until the proper color is in front of the lens. An automatic color wheel is on the market which allows the operator to control colors at a distance by means of an electric circuit and magnet. This device cannot be used with flood lamps and has[324] the further disadvantage of casting unavoidable shadows during the change of colors. Where detachable color holders are used, it is possible to change from one color to another by almost imperceptible degrees by holding the frame in the hand and bringing it gradually from a distance to the front of the lamp. In this manner the shadows cast by the frame can be avoided and the color brought very gradually into the scene.
FIGURE 193.
Dimmer Box.—The dimmer box, as the name implies is a box which contains the resistances required for dimming lights used on the stage. It comes into service only with the more pretentious shows which carry foot-lights or border-lights. A typical wiring diagram is shown in Figure 193. This diagram supposes that not more than three colors are used. A small candle power incandescent lamp should always be installed in the box so that the operator may see what is necessary in dark scenes. This lamp should have its own fuse protection. This is a point very often overlooked by operators. The box is usually[325] made of wood and lined with metal. It should be deep and nearly square, so as to occupy a minimum of space. If a shallow box is used, it will be necessary to place the switches in a separate compartment from the fuses, so that the latter may be always enclosed, even while the dimmers and fuses are being operated.
FIGURE 194.
Provisions should be made for the cables to lead out through suitable bushings at the side instead of over the top of the box as is so often done. In some dimmer boxes the slip connectors are fitted into the side of a box so that the male end may be inserted from outside. This makes it unnecessary to bush the cables through the box.
Electric Sign Imitations.—These are used mostly in representations of city night scenes. A flasher sign can be imitated by cutting small round holes in the curtain to outline the reading matter on the sign. Behind these holes a moon box is placed, the lamps in it being on a flasher or controlled by “skeedoodle” sockets, thus giving the effect of an electric sign on[326] a flasher. In case the effect of a steady burning sign is wanted the flasher is omitted.
Electric signs imitating falling water have in turn been imitated according to the plan outlined in Figure 194. On the side nearest the audience is the curtain A, upon which the sign is painted and in which there are a number of holes representing the electric lamps in the original sign; behind this curtain is a grating B, also full of holes; and behind this revolves a spiral C, so arranged as to obstruct intermittently the light which is behind it. The object is to imitate, as nearly as possible, the action of the lights in the original sign.
Electric Stage Effects.—A large number of stage effects can be produced by properly painted mica discs which are caused to move in front of the lens of a spot light arranged for the purpose. A view of such a contrivance is given in Figure 182 and is known as the “Sciopticon”. The effects are changed by clockwork which is adjustable as to speed. The device is arranged to slip in front of the lenses and can be attached in a moment.
A list of some of the effects obtainable is given below:
The above list is given to illustrate the possibilities of this method of producing effects. They are, however,[327] rather expensive and some of them require several machines to be in operation at the same time.
Explosions.—Nearly all explosions are set off by the melting of a fuse through an electrical short circuit. The explosive powder is placed above, encloses the fuse, and is ignited when the fuse blows.
FIGURE 195.
Such explosions are often forbidden by inspectors but there is no danger from them if the powder, etc., is enclosed in a suitable wire mesh open on all sides. This will not interfere with the explosion and will prevent the flame, which lasts but an instant, from coming in contact with scenery or people. Where such explosions are used they are generally the most important part of the act, and every possible precaution must be taken to avoid the chance of failure. They are, therefore, often arranged on two circuits with a throw-over switch so that in case one fuse fails the circuit can be immediately closed on the other. See Figure 195. It requires some time to throw-over a switch, and in order to make doubly sure that the fuse will blow at the right time, two fuses and two separate wires may be used and connected at the same time by a simple double-pole switch. The latter arrangement has the disadvantage that one of the wires might be broken, or the contacts bad, without the defect ever being noticed until the other wire also fails and the explosion misses entirely.
It is best to use the throw-over switch and to use the wires for the first connection in alternation so that a defect may be noticed at once. If the same wire were used each time the throw-over switch would be open to the same objection as the double-pole switch. In selecting fuses for this work it must be borne in mind that the powder which is placed over the fuse has a certain cooling and conducting effect, and that often, therefore, a fuse which would readily blow if in the open would not blow if covered with metallic powder.
Face-O-Graph.—This is an arrangement of two powerful arc lamps with the necessary lenses and objective by which the face of an actor can be projected upon a screen. This effect is very trying to the face and eyes of the actor. The face must be brought very close to the arc lamps and must be held upside down during the performance. From forty to fifty amperes are used in each arc lamp. The optical principle is explained in another chapter.
Festoons.—Festoons should be made up as shown in Figure 196. Weatherproof sockets are generally used because the common brass shell sockets have too many parts that are liable to work loose on account of the constant handling the festoons are subjected to with traveling productions. The use of porcelain sockets, however, should be avoided; mica sockets seem to be generally preferred. The soldering also should be carefully done and only at the end, as indicated by the arrow in the cut. The branch wires are often taped to the main cable as indicated, but often also, circular loom is slipped over the cable in such a manner that the branch wires are supported by it. Short lengths of loom must be slipped[329] on the cable before the tapes are made. A really well made festoon will last a long time and give very little trouble; while a poorly made one will cause much annoyance and much unfavorable comment from inspectors. Most of the festoon troubles are due to poor support of the branch wires. A single festoon does not often carry more than ten or twelve lights and usually not more than six or eight.
FIGURE 196.
A certain style of shade is very much in vogue in connection with festoon lamps and this shade makes the use of lamp guards impossible. If the shade is made of gelatine there will be but little need for the guard, but celluloid shades should not be allowed. All combustible material that is to come near the lamp or the socket should be fireproofed.
Wiring of same must be of approved type; joints to be properly made, soldered, and taped, and staggered where practicable. Where lamps are used in[330] lanterns or similar devices, approved guards must be employed.
Fire Dance.—This effect is generally illuminated from below the stage, the light being thrown upward through glass. Special arc lamps, equipped with powerful reflectors, are often used and generally several of them are required to produce the proper effect. If spot lamps are to be used they should not be turned upward but instead reflectors placed at an angle of forty-five degrees, should be provided to throw the light upward. See Figure 197. If a spot lamp is turned upward, the heat of the arc rising will be great enough to make condenser breakage a very serious problem. It is also difficult to keep a horizontal arc working properly.
FIGURE 197.
Fireflies.—The “fireflies” are miniature incandescent lamps strung about among the scenery and on the clothing or in the hair of performers. No attempt should be made to operate these from any other source than a low-voltage, low-amperage battery. It is best to subdivide them as much as possible to avoid short circuits. A short circuit on one lamp would put out a group of one hundred as quickly as[331] it would ten. Such lamps are often arranged on a keyboard by which single lamps or small groups may be lighted intermittently, thus giving the effect of fireflies flitting about.
Fireplaces.—The commonest and best fireplace is made up of a few lights arranged in regular strip fashion, the strip being placed in a practical fireplace filled with coal or large pieces of glass, such as broken pieces of lenses. For a very simple effect, red colored globes are used. The effect can be enhanced by using lamps of amber, red, and white and connecting each lamp to a dimmer which can be worked off the stage. This is capable of producing a flaming effect. A further enhancement of the effect is sometimes produced by placing colored asbestos about the lights. This or other suitable material can be made to represent glowing ashes very nicely. Very often the illumination of the fireplace is by means of colored globes strung about among the logs. For this purpose they must be equipped with strong guards and wired with stage cable. Actual gas flames are also often mixed in with the electric illumination. In a mechanical way the effect of flame is often imitated by colored cloth so arranged that a small fan motor placed beneath it can blow it upward.
In a certain well-known production, an imitation of the crater of a volcano is made by arranging a number of fan motors under a large piece of silk which rests upon a frame and revolves over the motors. Parts of this silk are provided with pockets and are loose so that they may be blown upward to represent flame while the major portion only undulates, representing a sea of molten lava. Strips with red lights are used to intensify the effect.
A small motor operating a suitable ratchet has been used to imitate the sounds of wood crackling in the fire. “Chemical smoke” is also often used to enhance the effect. This can be purchased of supply houses.
Flat Irons.—See “Heaters”.
Flowers.—On the vaudeville stage, electrically lighted flowers are sometimes used. These are often wired by simply running fixture wire or flexible cord along a wire stem and fastening a small socket to it. Flowers lighted in this manner, however, will not be allowed in theaters where there is inspection. A better method is shown in Figure 198. Armored cord is used for the stem and a miniature socket is placed at the end. All splices are within the junction box which supports the stems. Instead of the armored cord ordinary fixture tubing may be used. Baskets of flowers and small bouquets are generally lighted from batteries.
FIGURE 198.
Fountains.—The illumination for electrically lighted fountains is sometimes obtained from incandescent lamps, but no very showy effects can be produced[333] with them. Where they are used in a manner which subjects them to moisture they must be wired in waterproof conduit and fittings and the lamps must be covered by a watertight globe. For brilliant effects arc-lamp illumination is necessary and the arc must of course be below the water. As arc lamps when tilted upward break condensers very rapidly, the light is usually reflected upward by means of mirrors set as indicated in Figure 197.
Fuses.—There is no part of the electrical equipment of a traveling production so much abused as the fuse. It is provided primarily for the protection of apparatus and should never be of greater capacity than is needed to carry the load put upon it. There is nothing whatever gained by the use of larger fuses. If the load is not in excess of six amperes, a six ampere fuse will carry it as readily as a twenty ampere fuse. If a short circuit occurs the twenty ampere fuse will blow as readily as the six ampere fuse and, in addition, will cause destruction of a socket or whatever may be the cause of the trouble as well as an increased fire hazard. Notwithstanding the above, it is a rare exception when one finds the circuits of a traveling outfit properly fused. For this there are two reasons. One is that, owing to frequent handling and moving, fuses work loose; and thus, to the natural heat produced by the load, there is added a certain amount of heat produced in the poor contacts. Trouble of such a nature can be lessened by the use of larger fuses, but only to a very small extent. It is far better to go over one’s fuses two or three times a week and tighten the screws and contacts to avoid this trouble than to use over-large fuses.
Another reason for the overfusing, of plugging[334] boxes especially, is found in the fact that arc and incandescent plugs are interchangeable. If, therefore, each circuit is fused at thirty amperes one need not worry about which pocket an arc lamp is connected to. This practice is, however, very bad, a table lamp, for instance, with a thirty-ampere fuse behind it would be likely to cause flash and smoke enough to alarm an audience. Some provisions should be made so that one can easily distinguish between arc and incandescent pockets or divisions in plugging boxes. The main requisite which determines the style of fuse to be installed for stage effects is that of quick renewal in case of blow-out.
FIGURE 199.
Gas Globes.—Electric light is so convenient on the stage that even gas light is imitated by it. In one production in which it was desirable to show the front of a theater illuminated by gas, the gas globes were made up of cloth cut as shown in Figure 199. Behind each imitation globe a small incandescent lamp was arranged.
Glass Shades.—An imitation of these for small desk or table lamps is often made by placing a strip of colored gelatine between two layers of wire mesh. The wire screen keeps the gelatine straight and the whole is more serviceable than glass and less liable to break.
Heaters.—Under this head come flatirons and water heaters. Flatirons are carried by many actors who cause much trouble by connecting them to lighting circuits. In many places the house electrician prevents their use by fusing his lighting circuits so low that the addition of a flatiron immediately blows the fuse. If used at all, the flatirons should be of the smaller kind. Small heaters are also extensively used upon the stage.
It is often desirable to connect in multiple with the heaters and between the heater and the switch controlling the same, an incandescent lamp of low-candle power, as this shows at a glance whether or not the switch is open, and tends to prevent its being left closed through oversight.
Must be protected by a cut-out and controlled by indicating switches. Switches must be double-pole except when the device controlled does not require more than 660 watts of energy.
Must never be concealed; but must at all times be in plain sight. Special permission may be given in writing, by the Inspection Department having jurisdiction, for departure from this rule.
Flexible conductors for smoothing irons and sadirons and for all devices requiring over 250 watts must have an approved insulation and covering.
For portable heating devices the flexible conductors must be connected to an approved plug device, so arranged that the plug will pull out and open the circuit in case any abnormal strain is put upon the flexible conductor. This device may be stationary, or it may be placed in the cord itself. The cable or[336] cord must be attached to the heating apparatus in such a manner that it will be protected from kinking, chafing, or like injury at or near the point of connection.
Smoothing irons, sadirons, and other heating appliances that are intended to be applied to inflammable articles, such as clothing, must conform to the above rules so far as they apply. They must also be provided with an approved stand, on which they should be placed when not in use.
Stationary electric heating apparatus, such as radiators, ranges, plate warmers, etc., must be placed in a safe location, isolated from inflammable materials, and be treated as sources of heat. Devices of this description will often require a suitable heat-resisting material placed between the device and its surroundings. Such protection may best be secured by installing two or more plates of tin or sheet steel with a one-inch air space between or by alternate layers of sheet steel and asbestos with a similar air space.
Must each be provided with name-plate, giving the maker’s name and the normal capacity in volts and amperes.
Lighthouse Effect.—To increase the effect of a lighthouse painted upon the scenery, a strip of suitable length with one light at each end is provided. The strip circuit contains a flasher so that both lights are turned on and off at regular intervals. One lamp must be behind the head of the lighthouse, the other where the reflection of the upper light would appear in the water.
Lightning.—The standard method of producing lightning effects upon the stage is by means of the[337] device shown in Figure 200. A magnet and the arc-striking carbons are arranged in series and take current through a resistance. Normally the carbons are in contact and when the switch is closed the current passes through the magnet and carbons. The current energizes the magnet and causes the upper carbon to separate from the lower, thus striking the arc. The arrangement must be such that the arc is immediately broken, thus de-energizing the magnet; this allows the movable carbon to close the circuit again, thus repeating the operation. This device if uninterrupted will give a rapid succession of lightning effects and it may be suspended in the wings as it is entirely automatic. At the right of Figure 200 is shown another lightning striker which is operated by hand.
FIGURE 200.
Where it is not prohibited, a very good lightning effect can be obtained by arranging a file and a piece of carbon as opposite poles of the circuit and scraping them together. It is a bad practice, however, to strike an open arc on any stage. There should always be wire mesh around it to prevent the escape of sparks.
Automatic strikers can be purchased which will[338] make an open arc lamp produce good lightning effects. Another method of producing lightning is that of flashing some of the border lights. This will do in an emergency but does not compare with the other methods. Sometimes the effect of a bolt of lightning striking a certain place is imitated by an arc sliding swiftly down a wire. In order to strike the arc at the proper moment, the apparatus being somewhere up in the flies, a small fuse is connected from one carbon to the other. The current when turned on passes through the fuse, melts it, and establishes the arc. The carbons are incased in a very small wire-mesh enclosure and the whole device is made to slide swiftly down a tight wire leading to the proper place. The more pretentious shows often use several lightning machines to avoid the monotonous effect of all lightning strokes coming from the same direction. One resistance may be made to serve for any number of lightning machines provided only one machine is used at a time.
FIGURE 201.
Lugs.—Lugs must be provided for all leads where more than 30 amperes are used. It is even more necessary to follow this rule in connection with portable theater equipment than with other wires because they are more apt to work loose.
For the connections to the arc lamp and rheostats it is not practicable to use soldered lugs because no solder will stand the heat. Two styles of lugs that may be used are shown in Figure 201. The cuts will also explain the manner of connecting the lugs. At the left, the bare lugs are shown; in the center the copper of the conductors is shown inserted into the lugs, and at the right the whole conductor is shown bent back, the metal of the lug catching over the insulation to keep it from fraying out. The wires feeding arc lamps are always asbestos covered and this covering fits loosely to the wire and must be held in some such manner. A stock of such lugs should always be carried, as the leading-in wires to arc lamps, using heavy currents, frequently burn off.
FIGURE 202.
Moon Boxes.—These boxes are generally made up as shown at the left in Figure 202. The opening is from twelve to fourteen inches in diameter. Four lamps give very good illumination. The frame must be provided with hooks so that it may be suspended at any desired part of the scenery. It is always hung close behind a curtain and must be so arranged that the lamps cannot touch the curtain. The wires should[340] be entirely enclosed in metal of No. 20 sheet metal gauge after the manner of strips. Very cheap productions often carry moon boxes made up of an incandescent lamp fastened in a tin dish, similar to the one shown at the right in Figure 202.
Moonlight on Water.—This and all similar effects can be produced through the “Sciopticon” but this requires the use of an arc lamp and is expensive. A cheap way of producing the effect is illustrated in Figure 203, which represents a metal cylinder, perforated as shown, inside of which there are a number of incandescent lamps colored to suit. The cylinder is slowly revolved and the moving shadows and streams of light thrown upon the scene produce the effect.
FIGURE 203.
FIGURE 204.
A somewhat similar method of producing this effect, as also that of a waterfall, is illustrated in Figure 204. In this case a spiral capable of being moved by clock work is revolved about an electric lamp and gives the effect of falling water. Both of these devices work behind curtains.
Musical Acts.—There are numerous musical acts upon the road in which the beat of the music is emphasized by lighting colored lamps in time with[341] the tunes. It is advisable to arrange all such acts to operate by batteries. In many places inspectors will not allow high-voltage contacts to be used open, and it is often difficult to enclose them in a practical manner. By using dry batteries the apparatus is taken out of the jurisdiction of inspectors and all danger of fire is also eliminated.
Musical Bells.—Sets of musical bells properly tuned and connected to a keyboard from which they can be operated electrically are carried in stock by dealers in theatrical supplies. Sets are usually made up of eighteen bells and they may be played from a distance.
Oil Lamps.—These have been imitated by arranging a small battery inside of the base of the lamp. This battery would supply current only during the short time that the lamp was being carried about. The base of the lamp is also fitted with electrical contacts which rest upon similar contacts fitted into the table, and through which the lamp is kept burning by a storage battery while it is resting upon the table. A small dry battery, such as is placed in the base of an oil lamp, would not keep the light burning for a long enough time.
Pin-Plug Connectors.—These are provided to connect cables to effects used on the stage. The essential points of a good connector are: It should grip the whole cable, thus making it unnecessary to strip the outer braid from any exposed part of the cable; and it should offer no live screws or contacts on the outside. These conditions are fulfilled by the connector shown in Figure 205. In some of these connectors, however, the part that grips the cable (indicated by the arrow) is made of metal, and this, if forced down[342] too tight, may cut into the cable and cause a short circuit. Several instances of this kind have been known to occur. Pin-plug connectors must always be connected so that the projecting pins are dead when the plug is disconnected.
FIGURE 205.
FIGURE 206.
A special warning against the use of such connectors as are illustrated at the right of Figure 205 is necessary. Their cheapness brings them into use very often, especially with acts that do not carry competent electricians. The wires are always working loose; projecting ends are bare, and if the connector is twisted, a short circuit results. Where they must be used in an emergency, they should be heavily taped, the tape being placed between the conductors and all around the plug, as shown in the figure.
Branch-off connectors such are shown in Figure 206 are often used to tap off lights from the main cable. Where plug connectors are used for arc lamps they must be made up as shown in Figure 207. The asbestos-covered wires necessary to be used with arc lamps cannot be used in cable but must be separately connected.
FIGURE 207.
Must be of an approved type, so installed that the female part of the plug will be on the live end of the cable, and must be so constructed that tension on the cable will not cause serious mechanical strain on the connections.
Plugging Boxes.—Plugging boxes are used to obviate the necessity of running a large number of wires over the stage to the different stage pockets. They are also a necessity because many theaters are not equipped with a sufficient number of stage pockets to accommodate all of the devices large productions carry. The plugging box should be fireproof; should have self-closing doors so that there may be no liability[344] of open fuses being left among the scenery where they are used. Most of the plugging boxes in use at the present time are arranged for link fuses. A link fuse, however, requires more time to install than a cartridge fuse and the latter would therefore seem much more desirable. A cut of a much-used plugging box is shown in Figure 208.
FIGURE 208.
Must be constructed so that no current-carrying part will be exposed, and each receptacle must be protected by approved fuses mounted on slate or marble bases and enclosed in a fireproof cabinet equipped with self-closing doors. Each receptacle must be constructed to carry thirty amperes without undue heating, and the bus-bars must have a carrying capacity equivalent to the current required for[345] the total number of receptacles, and approved lugs must be provided for the connection of the master cable.
Rheostats.—Portable stage equipment being intended for use in all parts of the country must be adjustable to all kinds of lighting systems. For this reason it is not practicable to use auto-transformers as is commonly the case where arc lamps are fed from alternating-current circuits. Simple rheostats or resistances are therefore always used. With these it is immaterial whether the current be alternating or direct except in so far as the quantity is concerned.
Alternating current being less efficient in the production of useful light than direct current, the amperage must be greater and this produces a greater loss in voltage, the loss being always proportional to the product of current times resistance. The drop in voltage over a certain resistance is therefore always greater, when an alternating-current arc is used, than it is with direct; but as the alternating-current arc operates at a lower voltage than the direct this is not objectionable and simple resistances give satisfactory results whether used with one kind of current or the other. The traveling show must also be prepared for different voltages and a suitably arranged group of resistances is very convenient in this respect.
Figure 209 shows a box made by the Chicago Stage Lighting Company containing a number of resistances which may be connected in various ways to obtain different results. In Figure 210 at A is given a diagram representing the wire in a single section. One such section placed in series with an arc lamp will give a certain current. If we connect two of[346] them in parallel, as in B, we shall obtain not quite double the current, since this arrangement does not affect the resistance of the arc which also influences the current strength. If the connections are made as in C, we shall have but half the current obtainable by the use of one section, or the same current in case we are dealing with double the voltage. If A is suitable for 110 volts, then C is suitable for 220 volts and D for 550. In E we have the connection which would give us, for 220 volts, the same current B would give with 110. It can thus be seen that a group of such resistances can be made to fit an arc lamp to almost any voltage that is likely to be met with.
FIGURE 209.
Nothing but metal and porcelain must be used in the construction of these resistances and they must be on stands which raise them well above the floor. The connections to the resistances should ordinarily[347] be made with asbestos cable. It is necessary to keep close watch of the wire used to make up the resistance especially if it becomes very hot during a run. A resistance in which the wire becomes red hot should not be used. There are productions in which it is necessary to place the arc lamps and their rheostats directly in the way of flying paper used to make “snow”. In such cases the resistances must be tightly enclosed. This destroys the ventilation and they will readily become overheated. For use with such productions resistances may be specially wound and arranged, or they may be made separate from the arc and placed in a safe location.
FIGURE 210.
Stage Cables.—Stage cables are subject to very rough usage, but there are some very good makes on the market, and by purchasing the best, one can expect long service. Cuts of various kinds of cable likely to be used upon the stage are given in Figure 211. A is the ordinary stage cable; B is used for heaters; C is reinforced cord; and D is the parallel cord. The last two must not be used on the floor.[348] The size of the wire to be used depends upon the apparatus which the cable must supply and can be determined from Table VII which gives the carrying capacities. Only approved cables should be used.
FIGURE 211.
Strips.—Strips are used for the illumination of special parts of the scenery. They usually contain from one to twelve lights. A strip is subject to rough usage and should be strongly made. Cuts of several kinds of strips are given in Figure 212. The chief trouble with strips is found to be in the working loose of screws which hold the sockets in place, and the connection at the point at which the cable leaves the strip.
Must be constructed of steel of a thickness not less than No. 20 U. S. sheet metal gauge, treated to prevent oxidation, and suitably stayed and supported and so designed that flanges will protect the lamps.
FIGURE 212.
Cables must be bushed in a suitable manner where passing through the metal, and must be properly secured to prevent serious mechanical strain on the connections.
Must be wired in approved conduit or armored cable, each lamp receptacle being enclosed within an approved outlet box, or the lamp receptacles may be mounted in an iron or steel box, metal to be of a thickness not less than No. 20 U. S. sheet metal gauge, treated to prevent oxidation, so constructed as to enclose all wires. Wires to be soldered to lugs of receptacles.
FIG. 213.
Sunrise.—Sunrise effects may be produced by means of the Sciopticon, but a cheaper method is often resorted to. This is illustrated in Figure 213 and consists of a roll of suitably colored silk which may be unrolled in front of an arc lamp. To produce sunrise it is unrolled in one direction, the darkest colors coming first and gradually giving way to lighter. For sunset it is worked the other way. In special cases a similar sheet of colored silk wide enough to cover open arcs has been stretched from the floor to the top of the scenery and several arc lamps arranged behind it in such a manner that they could be gradually raised, thus producing the same effect with more impressiveness, but with a much greater quantity of light.
Switches.—Knife switches on the stage are generally required to be enclosed. It is not sufficient to provide a box with a cover that can be closed, but the switch should be in a box which need not be opened to operate the switch. See Figure 214. Often it is necessary to install switches in a length of stage cable so that the switch may be portable. Such[351] switches should be installed as shown in Figure 215, in which a flush switch is shown in a regular metal enclosure.
FIGURE 216.
Table Lamps.—The table lamp is a small device, but it causes a great deal of annoyance and trouble. The bottom of the lamp should be enclosed with metal, especially if there are any splices. The stem where the wire enters should be well reamed out (see the arrow in Figure 216) and there should be a strong well-fastened bushing where the wire leaves the lamp. The hard-rubber bushings which come with the common table lamps do not remain in place very long and are frequently broken or lost. Stage cable is generally required upon the stage, but it is customary, in connection with these lamps, to allow a good grade of reinforced cord or even fine silk-covered cord, provided it is not long enough to trail on the floor where it might be stepped upon. The glass shades which are often called for in connection with[352] the lamps also cause much trouble; and to avoid this trouble, colored gelatine has been used, backed up with fine wire screen to keep it in place. This of course cannot always be done because many lamps are not suited to it.
Time Beaters.—This is a small keyboard located at the orchestra leader’s stand; it controls the light which may be back of the stage and indicates the time to the chorus behind scenes.
Water Falls.—The devices shown in Figure 204 for use as moonlight on the water can also be used to produce the effect of a waterfall or of water rippling downstream.
One turn of the crank runs off 1 foot of film.
One foot of film contains 16 pictures.
The audience sees about 960 different pictures in every minute that a film is being run.
The relative number of revolutions made by two pulleys connected together by belting or friction is in proportion to their diameters.
The relative number of revolutions made by two gears connected together is in proportion to their number of teeth.
A theater seat occupies from 4 to 5 square feet.
One 25-watt tungsten lamp or its equivalent provided for every 20 seats will give fairly good illumination in a small theater.
3 to 5 watts per cubic foot will be required to heat small spaces by electricity.
Direct current equals e.m.f. divided by resistance.
Alternating current equals e.m.f. divided by impedance.
Electromotive force, d.c., equals current time resistance.
Electromotive force, a.c., equals current time impedance.
Resistance equals e.m.f. divided by current.
Impedance equals e.m.f. divided by current.
The joint resistance of two conductors connected[354] in parallel is equal to the product of their resistances divided by their sum:
r = (r1 × r2) ÷ (r1 + r2)
The joint resistance of any number of resistances connected in parallel is the reciprocal of the sum of the reciprocals. The reciprocal of a number is 1 divided by that number:
r = 11r1 + 1r2 + 1r3 + . . . . .
The total resistance of a number of resistances in series is equal to the sum of all of them:
r = r1 + r2 + r3 + . . . . .
The heating of a rheostat is proportional to the square of the current it carries.
Drop in voltage is proportional to the product of the current and resistance for a direct-current circuit, and the product of current and impedance for an alternating-current circuit.
If a reactance is used in place of a rheostat in an alternating-current circuit, the loss of energy is greatly reduced.
If the same intensity of illumination is to be provided for pictures of different sizes, the amperage must vary about as:
(W × 1.2)2
where W is the width of picture on screen.
For a given power the current in conductors is:
| for direct current | I = WE |
| for single-phase a.c. | I = WE × p. f. |
| for two-phase a.c. | I = .5 × WE × p. f. |
| for three-phase a.c. | I = .58 × WE × p. f. |
in which I is the current in amperes, W is the watts, E is the voltage, and p. f. is the power factor.
To find the size of a picture obtainable under given conditions and lens: Multiply distance from center of lens to screen by one dimension of slide or film and divide by e.f. focal length of lens, taking all measurements in inches.
Example: Slide 23⁄4 inches. Length of throw 360 inches. e. f. 10 inches
23⁄4 × 360 ÷ 10 = 99 inches.
To find focal length needed for a given slide or film to produce a given size of picture: Multiply slide or film dimension by length of throw and divide by dimension of picture, taking all measurements in inches.
Example: Same dimensions as above:
23⁄4 × 360 ÷ 99 = 10 inches.
To find length of throw needed to obtain a certain[356] size of picture: Multiply required picture dimension by focal length of lens and divide by slide or film dimension.
Example: Same dimensions as above:
99 × 10 ÷ 23⁄4 = 360 inches.
To find slide size necessary to produce a certain size of picture under fixed conditions: Multiply focal length of lens by size of picture and divide by length of throw.
Example: Same dimensions as above:
10 × 99 ÷ 360 = 23⁄4 inches.
To find the area of a parallelogram: Multiply the base by the altitude.
To find the area of a triangle when base and altitude are given: Multiply the base by the altitude and take half the product.
To find the area of any angular surface: Divide it into triangles and find the area of the different triangles and add them together.
To find the circumference of a circle: Multiply the diameter by π, or 3.1416.
To find the diameter of a circle when the circumference is given: Divide the circumference by π, or 3.1416.
To find the area of a circle when the radius is given: Multiply the square of the radius by 3.1416. When diameter is given: Multiply the square of the diameter by .7854.
To find the radius of a circle when the area is given: Divide the area by 3.1416 and extract the square root of the quotient.
To find the lateral area of a right prism: Multiply the perimeter of the base by the altitude.
To find the lateral area of a right cylinder: Multiply the circumference of the base by the altitude.
To find the volume of a cylinder or prism: Multiply the area of the base by the altitude.
To find the lateral area of a right pyramid: Multiply the perimeter of the base by the slant height and take half the product.
To find the lateral area of a cone: Multiply the circumference of the base by the slant height and take half the product.
To find the volume of a pyramid or cone: Multiply the area of the base by the altitude and take one-third of the product.
To find the surface of a sphere: Multiply the square of the diameter by 3.1416.
To find the volume of a sphere: Multiply the cube of the diameter by one-sixth of 3.1416 or .5236.
In a right-angled triangle, the sum of the squares of the base and the perpendicular equals the square of the hypotenuse. To find the length of the hypotenuse: Extract the square root of the sum of the squares of the base and the perpendicular.
To find the base or the perpendicular: From the square of the hypotenuse subtract the square of the other given side and extract the square root of the remainder.
Aberration.—The convergence to different foci, by a lens or mirror, of rays of light emanating from one and the same point or the deviation of such from a single focus.
a. c.—An abbreviation for alternating current.
Accumulator.—A term often used to designate a storage battery.
Achromatic.—Free from false coloration.
Achromatic Lens.—A lens which does not show color in the light which it projects; usually a combination of lenses of different kinds of glass.
Actinic Rays.—The rays of light that cause chemical changes.
Airdome.—A theater arranged in the open air.
Alloy.—Any compound of two or more metals.
Alternating Current.—An electric current undergoing periodical changes in direction.
Amalgam.—A compound of mercury with other metals.
Ammeter.—An instrument used for measuring the value of an electric current.
Amperage.—The number of amperes; the current strength in the circuit; not the quantity but the rate of flow.
Ampere.—The unit of current strength. It is equal to a rate of flow of electricity of one coulomb per second.
Ampere Hour.—One ampere flowing for one hour; or its equivalent.
Anamorphosis.—A grossly distorted image, such as can be obtained from a curved mirror.
Angular Velocity.—The rate at which a body revolves around a fixed axis, usually measured in radians per second. The radian is equal to 360 ÷ 2 × π degrees.
Annular Space.—The space between an inner and an outer ring or cylinder.
Annunciator.—An electric device provided with one or more magnets and indicators, which serve to indicate the points at which one or more electric contacts have been closed.
Anode.—The positive pole; a term used mostly with electrolytic devices, also with the mercury arc rectifier and the electric arc.
Aplanatic.—Free from spherical aberration.
Apparent Power.—The product of volts and amperes in an alternating-current circuit. The true power in an alternating-current circuit is always less than the apparent power if pressure and current are not in phase.
Arbor.—An axle or spindle on which a wheel turns.
Arc, Electric.—The heated portion of an electric circuit between two electrodes where the current passes from one to the other; the source of light of the electric arc lamp.
Armature.—That part of a generator, in which the electrical pressure is generated, which causes a current if the armature winding forms part of a closed circuit.
Automatic.—A term applied to machinery in[360] which certain movements, usually made by hand, are made by the machine.
Auto-Transformer.—A transformer provided with only one winding; a part of the winding being traversed by both the primary and secondary currents.
Axis.—The straight line, real or imaginary, which passes through a body, and on which the body revolves, or may be supposed to revolve.
Axis of Lens.—The straight line passing through its center and perpendicular to its surface.
Axle.—A transverse bar connecting opposite wheels.
Babbitt Metal.—A soft white antifriction metal of varying composition; as 4 parts of copper, 8 of antimony, and 24 or 96 of tin. The larger the amount of tin, the harder the resultant alloy.
Baby Spot Lamp.—An incandescent lamp placed within a hood similar to that of a theater arc lamp; also usually provided with a lens.
Back Focus.—This term is used to designate the distance from the lens nearest the slide to the position of the slide when the picture is in focus on the screen. See also Equivalent Focus.
Balance Wheel.—A wheel added to machinery for the purpose of preventing too sudden variations in speed; also called fly wheel.
Ball Bearing.—A journal fitted with balls upon which the shaft turns.
Balsam, Canadian.—A cement used to cement lenses, etc.
Band.—A small belt passing over two pulleys.
Battery.—A term used to describe a number of[361] voltaic cells connected so as to act as a single cell; should never be used in reference to a single cell.
Bayonet.—A pin which plays in and out of holes made to receive it and serves to engage parts of machinery.
Bearing.—That part of a machine in contact with which a shaft moves; the journal boxes.
Bed.—The foundation or main fixed part of a machine.
Bell Crank.—A rectangular lever by which the direction of rotation is changed through an angle of ninety degrees.
Belt.—A strap or band of flexible material passing around two or more wheels and communicating motion to them.
Bevel Gear.—A gear in which the two wheels working together lie in planes that are not parallel.
Bifocal.—Having two foci.
Binocular.—Pertaining to both eyes, as binocular vision in microscope or telescope.
Blinding Lights.—Lights used on the stage in certain acts to blind the audience; thus allowing persons to work behind them unseen by the audience.
Boss.—The enlarged part of a shaft on which a wheel is keyed.
Brace.—A curved tool of iron or wood adapted to turn and hold bits.
Brake.—A piece of mechanism adapted to stop or hold parts of machinery.
Brushes.—That part of a dynamo by which the current is taken to or from the commutator.
Buffer.—A cushion, with springs or other material, arranged to deaden the blow of a moving body.
Buffing Wheel.—A rapidly revolving wheel adapted to buff or polish materials.
Burner; Automatic, Electric.—An electric device, for turning on and lighting gas, which may be operated from a distance by pressing a button.
Bushing.—The lining of a hole with a ring or a perforated substance of metal or other material.
Calipers.—A compass with curved legs; used for measuring round bars or openings, the thickness of objects, and the distance between two points.
Cam.—A projecting part of a wheel or other moving piece, so shaped as to give an alternating or variable motion to another piece pressing against it.
Cam Wheel.—A wheel, or part of a wheel, of irregular outline employed to produce a variable or alternating motion in machinery.
Canadian Balsam.—A cement used to cement lenses, etc.
Candle Power.—This term, as commonly used, denotes the light-giving power of a lamp in terms of a standard candle. Its meaning is not very definite unless qualified by some of the following terms: apparent candle power; equivalent candle power; mean horizontal candle power; mean lower hemispherical candle power; mean spherical candle power; maximum candle power; mean zonular candle power. All of these terms are fully explained in “Modern Electric Illumination, Theory and Practice.”
Carbons.—The rods of artificial carbon used as electrodes in arc lamps.
Carbons, Cored.—Carbons, as above, but provided with a core of softer material.
Case Hardening.—The act or process of converting[363] the surface of iron into steel while leaving the center soft and malleable.
Cathode.—The negative pole. A term usually used in connection with electrolytic apparatus, mercury arc rectifiers, and electric arcs.
Cell, Voltaic.—A cup or jar containing electrodes and an electrolyte either for producing an electromotive force or electrolysis. In the latter case it is called an electrolytic cell. A number of cells connected together make a battery.
Centi.—As a prefix it means the hundredth part; as centimeter.
Choke Coil.—A coil of wire wound upon an iron core in such a manner as to acquire a very high self-inductance; similar to a reactance.
Chuck.—A contrivance fixed to the mandril of a turning lathe for holding the material to be worked upon.
Clutch.—A projecting tooth, or other piece of machinery, for connecting shafts with each other or with wheels in such a manner as to be readily disengaged.
Cog Wheel.—A wheel with cogs or teeth.
Collar.—A ring-like part of a machine usually fastened to some part of it and used for keeping something in place.
Commutator.—That part of a dynamo-electric machine to which all of the armature wires are connected and in which the alternating-electromotive force, actually generated in the armature winding, is made to appear as a direct-electromotive force in the external circuit.
Compasses.—An instrument for describing circles, measuring, etc., consisting of two pointed branches[364] fastened together at the top by a rivet or screw.
Compensarc.—A trade term used to describe a transformer or an auto-transformer; used in connection with projection-arc lamps.
Compound Winding.—A generator, in which the fields are provided with a shunt winding and in addition with a series winding which carries all of the current around the fields; is said to be compound wound, and the winding is referred to as a compound winding.
Concave.—Curved and hollow; the inside of a hollow sphere or cylinder.
Concentric.—Having a common center.
Condenser.—A lens or a set of lenses, used to gather the divergent rays from a source of illumination and bring them to a focus.
Conductor.—Any substance used to carry electricity. Most of the commercial conductors are of copper.
Cone.—A solid body having a plane for its base and a point for its top, the surface being formed by line segments joining every point of the outline of the base to the point top.
Conical.—Approximating a cone in shape.
Conjugate Foci.—The two points in the principal axis of a lens and at opposite sides of it; one point being the light source and the other the point at which rays of light from this source are brought to a focus.
Controller.—A resistance used for controlling the speed of a motor or the field strength of a dynamo.
Converter.—Any apparatus used for changing from one form of current to another; generally used to indicate a synchronous or rotary converter.
Convex.—Rising or swelling; the outside of a sphere or cylinder.
Convexo-Plano.—Convex on one side and plane on the other; plano-convex is more often used.
Cooling Plate.—The metal around the projection aperture of a motion-picture machine which protects the film from the rays of light.
Cotter.—A wedge-shaped piece of wood, iron, or other material used for fastening the parts of a structure; a key.
Cotter Pin.—A pin made up of doubled wire expanded at top and bottom so as to hold its place when inserted in a hole.
Coulomb.—The unit of quantity of electricity. It is equal to the current multiplied by the time that it flows; viz., ampere times second.
Countershaft.—A secondary shaft driven from another shaft; not the main or driving shaft.
Countersink.—A drill or cutting tool used to enlarge the outer edges of a hole in countersinking.
Crown Wheel.—A wheel, with cogs or teeth set at right angles to its plane.
Cycle.—A complete recurrence of any periodic change. The two immediately succeeding half waves of an alternating current or e.m.f. constitute a cycle.
Damping Coils, Dampers.—Coils of wire or bars of copper placed on, or imbedded in, the pole pieces of a dynamo-electric machine; used mostly in connection with synchronous motors or rotary converters to prevent hunting.
Dead Center.—Either of the two opposite points, in the orbit of a crank, at which the crank and a driving rod lie in a straight line.
Diffusing Globes.—Globes of ground glass or other medium which causes diffusion of light. Used to reduce the intrinsic brilliancy of illuminants. The light is emitted from a larger surface and is less trying to the eyes.
Diffusion.—The scattering of light by diffuse reflection, as from an irregular surface such as ground glass.
Diffusion Projection.—A method of projection sometimes resorted to when condensers are broken. Ground glass is used in place of the condensers.
Direct Current.—A current of electricity maintained in one direction as distinguished from an alternating current which is regularly alternating in direction.
Dog.—A part of machinery acting as a catch or a clutch.
Dovetail.—To unite by a tenon, in the form of a pigeon’s tail spread out, let into a board or timber.
Dowel Pin.—A pin of wood or metal used for joining two pieces; part of its length entering one piece, and the rest entering a corresponding hole in the other.
Dowser.—A hand shutter arranged in front of the lens of an arc lamp by which the light may be shut off.
Drift.—A conical tool of steel for enlarging or shaping a hole in metal by being driven into or through it.
Drill.—A pointed instrument used for boring holes; especially in hard substances.
Drop in Potential.—A term often used to designate a loss of electrical pressure. In d.c. circuits[367] it is equal to current times resistance. In a.c. circuits it is equal to current times impedance.
Drum.—A short cylinder revolving on an axis.
Dynamo.—A dynamo electric machine for converting electrical energy into mechanical, or vice versa. When the transformation is from electrical to mechanical energy the machine is operating as a motor; and when the transformation is from mechanical to electrical energy the machine is operating as a generator.
e. f.—Abbreviation for equivalent focus.
e. m. f.—Abbreviation for electromotive force. The unit of electromotive force. The unit of electromotive force is the volt.
Eccentric.—A wheel or disc having its axis of revolution out of its center; used to convert circular motion into reciprocating.
Economizer.—A trade name applied to a transformer or auto-transformer, used in connection with projection-arc lamps.
Economy Coils.—An auto-transformer. This term is used very much in connection with auto-transformers, and also transformers used in connection with arc lamps.
Efficiency of Incandescent Lamps.—The efficiency of incandescent lamps is expressed in watts per candle power. The lower the numerical expression for efficiency, the greater is the light obtained per unit of energy.
Electrodes.—The terminals of an electric source; in an arc lamp, the two carbons.
Electrolysis.—Chemical decomposition by an electric current. The positive pole, or anode, is eaten[368] away with direct current; the effect with alternating current is very slight.
Emergency Lights.—Those lights arranged in theaters, the object of which is to furnish the necessary illumination by which the audience may leave the theater in case of a failure of the regular illumination. Emergency and exit lights are generally grouped together but must not be confused with each other.
Equivalent Focus.—The distance from the center of a set of lenses to the slide, when the picture on the slide is in focus on the screen.
Exit Lights.—The lights placed directly above exits; usually colored red.
Expansion Bolt.—A bolt adapted to be inserted into a socket which, expanded by the insertion, thus holds the bolt in place.
Face Plate.—The disc attached to the revolving spindle of a lathe to which the work is often fastened.
Feeders.—The main wires extending from the supply to the distributing center.
Field.—A term commonly used to designate the space traversed by the lines of the force of magnetism which is supposed to exist. The fields of a dynamo consist of the pole pieces around which the exciting current circulates.
Fire Trap.—The arrangement of rollers and their enclosure, usually placed on magazine or film tanks, through which the film is led, to prevent a flame from following the film in case of fire.
Flange.—A projecting edge or rim on a wheel or shaft by which it may be kept in place or fastened.
Flasher.—The term by which a contrivance for[369] regularly, and at frequent intervals, turning lights on and off is described; used mostly in connection with electric signs.
Flicker.—The unsteady illumination of a motion picture; caused mostly by insufficient speed of film or too brilliant illumination.
Fly Floor.—A floor above the stage upon which the scene shifters, whose duty it is to raise and lower the curtains, work.
Footlights.—A row of lights placed at the stage level and directly in front of the actors.
Forging.—A piece of metal shaped by hammering; not a casting.
Framing Device.—A device attached to every motion-picture machine by which the relative position of the film to the optical system may be adjusted to make the picture appear in its proper place on the screen.
Frequency.—The number of cycles per second; also spoken of as the periodicity. The most common frequencies are 25 and 60 cycles per second.
Gearing.—The parts by which motion given to one part of a machine is transmitted to other parts. In a narrower sense it refers only to cog wheels.
A spur gear is one in which the teeth are arranged either on the outside or inside of the rim in the direction of radii from the center of the wheel.
A bevel gear is one in which the shafts of the two gears are not parallel.
A friction gear is one in which friction takes the place of the teeth.
A worm gear is one in which one of the members is in the form of a screw. The pitch of the screw[370] may, or may not, be such as to prevent it from being turned by the other.
A herring-bone gear is one in which the teeth are cut across the face of the wheel at an angle. The teeth may be made to converge toward the center of the face or may be cut in a line across it. This gear is used where noiseless operation is required.
Generator.—A term frequently used to describe a dynamo-electric machine used in converting mechanical energy into electrical energy.
Geneva.—A form of intermittent movement first used in Geneva, Switzerland; hence the name. It is the form of intermittent mechanism most used.
Governor.—A contrivance used in connection with machinery to regulate the speed.
Grid, or Grid Floor.—This term refers to the topmost floor above the stage of a theater where the pulleys and the cables, by which scenery is raised and lowered, are placed. It is usually made up of iron bars with spaces between them; hence the name.
Ground.—-This term is used to describe any connection of an electrical conductor to any conducting medium, other than that to which it belongs, which may be common to other conductors or which may convey current to the opposite pole in a manner not desired.
Gudgeon.—The piece of iron in the end of a wooden shaft on which it turns in a collar or on a gudgeon block.
Heat Shield.—A part of a motion-picture machine which shields the film and adjacent parts from the heat of the light.
Helix.—See Solenoid.
Horsepower.—A unit or standard by which the capability of machinery is measured. Power sufficient to raise one pound 33,000 feet in one minute is called one horsepower. Electrically it is equal to 746 watts.
Hunting.—This term describes the regular and persistent changes in the speed of synchronous apparatus running in parallel, which are due to fluctuations in the load on the generators or in the speed of the prime mover; and causes cross currents. In theaters they would be noticeable only in connection with rotary converters which are sometimes used to convert a.c. into d.c. for arc lamps.
Idler.—A wheel placed between two other wheels to convey motion from one to the other without changing the direction of motion.
Impedance.—Impedance is to an alternating-current circuit what resistance is to a direct-current circuit. The e.m.f. divided by the impedance equals the current. The symbol for impedance is Z.
Impressed e.m.f.—The electromotive force brought to bear on any circuit to produce a current therein; the applied e.m.f.
Index of Refraction.—The index of refraction, or the refraction index, is the ratio the sine of the angle of incidence bears to the sine of the angle of refraction. For glass the index of refraction is about 1.5.
Indirect Lighting.—A system of illumination in which all of the light is first thrown to the ceiling and reflected therefrom.
Inductance.—That property of an electric circuit which causes a current in it to create lines of force[372] and thus generate a counter e.m.f. when the current changes in value.
Induction Motor.—A much used alternating-current motor in which there is no electrical connection between the primary and secondary or rotor and stator windings. It may be either single or polyphase.
Intermittent Movements.—There are numerous types of intermittent movements but the Geneva and the pin cross are the only ones used with the latest types of motion-picture projection machines. The other movements have mostly come into use in connection with cameras. The beater movement is one in which a certain length of film is pushed to one side at each movement. The claw movement is one in which claws reach up and pull down a fixed amount of film at each movement. Other intermittent movements are known as, the drunken screw; ratchet; pitman and grip. They have mostly only a historical interest.
Intrinsic Brilliancy.—This term refers to the candle power per unit area of a source of light. A light having a large candle power in proportion to its size is said to have a high intrinsic brilliancy. Lamps of high intrinsic brilliancy should never be placed in the line of vision.
Inverted Lighting.—Synonymous with indirect lighting.
Key.—A wedge-shaped piece of wood or metal used, to hold something in place; a cotter.
Key Seat.—A groove cut into a shaft to fit a similar groove in a wheel or flange, and into which a key may be fitted.
Key to Curtain.—A fictitious article, in quest of[373] which novices employed in theaters are often sent; a hoax.
Kilowatt.—1000 watts.
Lagging Current.—A current, the maximum value of which occurs later than that of the e.m.f. producing it.
Laminated.—Made up of sheets. All iron parts subject to the influence of alternating fields must be laminated to reduce the losses due to Foucault or eddy currents.
Leading Current.—A current, the maximum value of which occurs earlier than that of the e.m.f. producing it. In connection with synchronous converters the current may be made either lagging or leading by adjusting the field excitation.
Lens.—A piece of glass, or other transparent substance, ground with two opposite regular surfaces. In practice the curved surfaces are generally spherical but sometimes they are made cylindrical.
Of spherical lenses there are six varieties: plano-concave; double-concave; plano-convex; double-convex; meniscus; and concave-convex. A double-convex lens, with one radius six times that of the other, is called a crossed lens.
A multiplying lens or glass is one consisting of a number of plane faces on one side and a convex surface on the other. The plane faces are inclined to one another and each presents a different picture; thus giving the appearance of the multiplication of images.
A polyzonal lens is one that is made up of a large number of pieces arranged in zones or rings. This kind of lens is used only for sizes in which it is[374] difficult to use pieces large enough to have the lens in one piece.
Lime Light.—A light produced by means of a cylinder of lime which is subjected to a flame of gas or of oxygen and hydrogen.
Lines of Force.—Every magnetic field is supposed to be made up of imaginary lines called lines of force. The number of these lines per unit area perpendicular to the field is a measure of the strength of the field.
Lost Motion.—Refers to the loss or irregularity of motion caused by wear of machinery or poor adjustment.
Magic Pane.—This is a condenser formed of a sheet of glass, one side of which is covered by pieces of tin foil with spaces left between. The spaces between may be arranged to represent any design and on the discharge of the condenser the design is illuminated by the sparks which jump over the spaces.
Male Thread or Coupling.—In connection with piping, hose, etc., a coupling arranged to enter into another, is spoken of as “male”; that part which is entered into is known as “female.”
Mandrel.—A bar of metal inserted in the work to hold it, as in a lathe, during the process of manufacture. Also the spindle which carries the center chuck of a lathe, an arbor.
Matched Lenses.—The lenses in two stereopticon lamps to be used together must be matched to give the same size of picture.
Micrometer.—An instrument used for measuring very small diameters or thicknesses, the adjustments being made by a screw arranged to indicate very[375] slight changes in the opening in which the object is inserted.
Mil.—The one-thousandth part of an inch. The circular-mil area of a circular area, such as the cross section of a wire, can be found by squaring the diameter.
Mirage.—An optical illusion due to an unequal refraction in the lower atmosphere which causes remote objects to be seen double and suspended in the air. A mirage can be arranged for by a prism or by a piece of beveled glass.
Miter Wheels.—A pair of bevel wheels of equal diameter working together, usually with their axes at right angles.
Motion Head.—By this term the whole of the motion-picture machine is usually designated.
Motor.—See dynamo.
Motor Generator.—A generator driven by a motor.
Multiple Series.—A system of wiring in which several lamps are connected in series and a number of such series combinations connected in multiple.
Neutral Wire.—The wire of a three-wire system which ordinarily carries no current. In a three-wire system it is usually run in the center.
Ohm.—The ohm is the unit of electrical resistance.
Ohmic Drop.—This is the loss of potential due to the resistance, as distinguished from that due to the reactance. It is always equal to the current multiplied by the resistance, the current being measured in amperes and the resistance in ohms.
Ohm’s Law.—This is a statement defining the relations existing between electrical pressure, current, and resistance.
The current is equal to the electrical pressure divided by the resistance.
The resistance is equal to the electrical pressure divided by the current.
p. d.—An abbreviation for difference of potential.
Pawl.—A short movable piece or bar connected at one end, by a joint, with some part of a machine; while the other end falls into notches or teeth on another part, in such a manner as to permit motion in one direction only.
Period.—The time required for one complete cycle.
Photometer.—An instrument used for comparing or measuring the candle power of illuminants.
Pinion.—A small wheel with leaves or teeth working into the teeth of a larger wheel or rack; especially such a wheel having its leaves formed of the substance of the arbor or spindle on which it turns; a toothed arbor.
Pitch.—The distance from center to center of any two adjacent teeth of gearing measured on the pitch line. The distance measured on a line parallel to the axis between two adjacent threads or convolutions of a screw.
Pitch Line.—A circle concentric with the circumference of a toothed wheel and cutting its teeth at such a distance from their points as to touch the corresponding circle of the gear working with it. The two circles must have a common velocity.
Plunger.—A part of machinery which is subject to a plunging motion.
Polarity.—A difference of polarity exists between any two wires, or points in one wire, where there is any tendency to produce a current. In practice,[377] however, the term is used to designate wires pertaining to the two opposite poles of a system.
Polyphase.—Referring to more than one phase, multiphase.
Power.—This term designates the rate of doing work.
Power Factor.—This term expresses the ratio of the true power in an alternating-current circuit to the apparent power. It is always less than 1. The apparent power (product of volts and amperes measured by independent instruments) must be multiplied by the power factor to obtain the true power in alternating-current circuits.
Primary Battery.—A battery in which the p.d. is produced by primary action of the ingredients used, instead of by secondary action as in secondary batteries or accumulators.
Primary Coil.—That coil of a transformer, induction motor, or induction coil which is connected to the source of electrical energy.
Prism.—A transparent body usually having three rectangular faces and triangular ends. It is used in experiments on optics to show refraction and may also be made to produce total reflection.
Prismatic Colors.—The seven colors into which sunlight is resolved when passed through a prism.
An achromatic prism is one made up of two kinds of glass of different dispersive powers by which a ray of light may be refracted without showing color.
Pulley.—A broad-rimmed wheel used for transmitting power by means of a belt.
A narrow-rimmed wheel with a groove used for the same purpose is termed a sheave[378].
A cone pulley is a pulley made in the shape of a cone and used in conjunction with a similar pulley and a belt connecting them for the purpose of varying the velocity.
A fast pulley is one which is rigidly attached to the shaft.
A loose pulley is one which is used in conjunction with another pulley of the same size to carry the belt while the shaft attached to the other is still.
Pulsating Current.—A current of electricity varying regularly in strength but not in direction.
Rack and Pinion.—A straight bar with teeth on its edge to work with the teeth of a pinion which is to drive or follow it.
Ratchet.—A bar or piece of mechanism turning upon a pivot while the other end falls into the teeth of a wheel or rack allowing the latter to move in one direction only. It may be used for preventing backward motion in machinery or for converting reciprocating motion into forward motion.
Ratchet Drill.—A drill attached to a ratchet.
Ratchet Wheel.—A wheel having teeth by which it may be moved forward as by a lever and catch, or by a pawl arranged to engage the teeth. The pawl may also be arranged to engage the teeth for the purpose of preventing backward motion.
Reactance Coil.—See Choke Coil.
Reactive Drop.—The drop in potential caused through the presence of reactance in the circuit, as distinguished from that caused by ohmic resistance which is known as the ohmic drop.
Rectifier.—Any apparatus used to change an alternating current to a direct current by periodically interrupting or changing the direction of the alternating[379] current so that the derived current is always in the same direction.
Relay.—A device actuated by an electric current to open or close another circuit.
Rheostat.—An adjustable resistance.
Rock Shaft.—A shaft that vibrates or oscillates instead of making complete revolutions. Called also rocker or rocking shaft.
Rotary Converter.—A rotating machine having a field excited by a direct current and an armature winding connected to a commutator and a set of collector rings. It is used to convert alternating current into direct, or vice versa; also called synchronous converter.
Rotor.—The moving part of an alternating-current generator or motor.
Secondary Battery.—A storage battery; an accumulator.
Secondary Coil.—The coil of a transformer or an induction coil into which currents are induced; the coil which is not connected to the source of energy.
Series Connection.—A connection in which a number of devices are joined so that the same current passes through all of them.
Series Multiple.—A system of wiring in which a number of devices are connected in multiple and several of such groups then connected in series. The same current must pass through each group.
Shaking Coil.—A coil used in connection with a mercury-arc rectifier for tilting or shaking the tube and starting the apparatus.
Shunt.—A by-pass. A wire which carries part or all of the current in a circuit around some other device connected in the circuit.
Single-Phase.—An alternating-current system using only two wires and only one e.m.f. It is sometimes termed uniphase or monophase.
Slip of Induction Motor.—The difference in the number of revolutions made by the revolving field and the rotor of the motor. It is usually expressed in per cent of the synchronous speed which is that of the revolving field.
Solenoid.—A round coil of wire generally used to control an iron core; an electromagnetic helix.
Spider.—A casting or part of a machine having projections or arms radiating from it so as somewhat to resemble a spider.
Spindle.—The revolving arbor of a machine tool; an axis.
Spiral Gear or Gearing.—A gearing consisting of wheels working together with their axes at an angle to each other double that of the angle of the teeth with the axes. It is sometimes used in light machinery in place of bevel gearing.
Spiral Wheel.—A wheel having its teeth cut at an angle with its axis or so that they form small parts of screws or spirals.
Spline.—A rectangular piece fitting the key seats of a hub and shaft so that, while the one may slide endwise on the other, both must revolve together.
Spur Wheel.—A wheel in which the teeth are perpendicular to the axis and in the direction of the radii.
Static Electricity.—The name usually given to electricity generated by friction, as from belting in machine shops, etc.
Stator.—The stationary part of an alternating-current motor or generator.
Stay Bolt.—A bolt connecting opposite plates to keep them from bulging.
Stepdown Transformer.—A transformer used for reducing voltage.
Stepup Transformer.—A transformer used for increasing voltage.
Striking the Arc.—The act of bringing the carbons of an arc lamp together and immediately separating them and establishing the arc is called striking the arc.
Stud.—A projection of a bolt adapted to hold a lug or connection of some kind.
Stud Bolt.—A bolt with threads on both ends, to be screwed into a fixed part at one end and receive a nut upon the other.
Sustaining Coil.—The name sometimes given to a reactance used in connection with a mercury-arc rectifier to cause an overlapping of the two currents from the anodes.
Swivel or Swivel Joint.—A joint, the two pieces of which can be turned around independently of each other.
Synchronism.—Being in time or occurring at the same time in regular order with some other event.
Synchronous Converter.—See rotary converter.
Tap Bolt.—A bolt with a head on one end and a thread on the other to be screwed into some part instead of passing through and being fastened with a nut.
Three-Phase.—Refers to a system of electrical distribution making use of three separate currents. These currents may be superimposed and generally only three wires are used in the transmission.
Thumb Screw.—A screw arranged so that it can be set up with the fingers. Similar to a wing nut.
Thumb Spot.—A distinguishing mark usually placed on stereopticon slides so as to mark the spot at which the thumb of the right hand should be placed when inserting the slide to insure its proper placing in the holder.
Travel Ghost.—The peculiar hazy appearance often seen in a motion picture; it is produced by the improper setting of the revolving shutter.
Trunnion.—Projection lugs on the sides of some piece of machinery upon which it is supported and upon which it can move.
Two-Phase.—This term refers to an a.c. system of electrical distribution making use of two currents of different phase. It may be arranged with three or four wires.
Unbalanced.—This term is used in connection with three-wire and three-phase systems.
The three-wire system is said to be unbalanced when one of the outside wires is carrying more current than the other.
The three-phase system is said to be unbalanced when the load is unevenly distributed over the three-phase wires.
Universal Joint.—A contrivance used for joining two shafts or parts of machinery endwise so that one may give rotary motion to the other while at an angle.
Volt.—The unit of electromotive force.
Voltmeter.—An instrument used for measuring potential difference.
Water Rheostat.—A resistance in which water is used to carry the current. Plates of metal proportional[383] to the current to be used are inserted in the water and by inserting them to a greater extent or moving them closer together the current can be increased.
Watt.—The unit of power.
Wattless Current.—That part of an alternating current which is either ahead of or behind the e. m. f. of the circuit.
Watt Meter.—An instrument used for measuring electrical energy.
Yoke.—A clamp resembling an ox yoke somewhat and adapted to join two pieces of a machine.
| PAGE | |
| Aberration, chromatic, | 51 |
| Aberration, spherical, | 51 |
| Adjusting intermittent sprocket, | 100 |
| Aisle lights, | 218 |
| Aligning machine, | 96 |
| Alternating current, | 218 |
| Alternating current motor, | 215 |
| Amperage for projection, | 43, 44 |
| Amperage, determination of, | 45, 46 |
| Anchoring machine, | 97 |
| Anvil sparks, | 311 |
| Arc, color of, | 19, 20, 31 |
| Enclosed, | 23 |
| Form of carbons, | 22 |
| Length of, | 21 |
| Low tension, | 20 |
| Open, | 23 |
| Resistance of, | 20 |
| Upside down, | 22 |
| Arc lamps, | 19, 218, 312 |
| Automatic, | 25 |
| Edison, | 36 |
| Hand feed, | 25 |
| Kliegl, | 35, 36 |
| McIntosh, | 34 |
| Motiograph, | 37 |
| Operation of, | 25, 27 |
| Powers, | 37 |
| Testing of, | 28 |
| Arc light, injurious, | 21 |
| Armored cable, | 222 |
| Asbestos, | 226 |
| Attachment plugs, | 226 |
| Auto-starters, | 227 |
| Automatic fire shutter, | 62, 70, 71, 101 |
| Axis of lens, | 360 |
| Baby spot lamp, | 316 |
| Balconies, | 228 |
| Batteries[386], | 316 |
| Bells, | 228, 318 |
| Blinding lights, | 319 |
| Borders, | 229 |
| Brackets, | 232, 319 |
| Branch circuits, | 232 |
| Branch-off connectors, | 343 |
| Bunch lights, | 320 |
| Bus-bars, | 234 |
| Cabinets, | 235 |
| Cables, | 235 |
| Call-board, | 293 |
| Canopies, | 236 |
| Camera lucida, | 152 |
| Carbons, adjusting of, | 31 |
| Best to use, | 29 |
| Cored, | 53 |
| Setting of, | 31, 32, 34 |
| Testing of, | 28 |
| Care of sprockets, | 99 |
| Carriage call, | 293 |
| Carrying capacity, | 237 |
| Ceiling fans, | 237 |
| Chandeliers, | 237, 321, 322 |
| Chromatic aberration, | 51 |
| Cleaning machine, | 98 |
| Circuit breakers, | 239 |
| Colors for arc lamps, | 323 |
| Colored pictures, | 59 |
| Comparison of stereopticon and motion picture machine pictures, | 49 |
| Concavo-convex lens, | 146 |
| Concave meniscus lens, | 146 |
| Concealed work, | 240 |
| Condensers, | 38, 153 |
| Breakage, | 40 |
| Diameter of, | 51 |
| Focal length of, | 50 |
| Conduit work, | 240 |
| Conjugate foci of lens, | 143 |
| Conjugate foci of mirror, | 133 |
| Contacts, | 245 |
| Convexo-concave lens, | 146 |
| Convex meniscus lens, | 146 |
| Cord, | 245 |
| Corrected lenses, | 148 |
| Cover for machine, | 104 |
| Critical angle of refraction[387], | 140 |
| Current control for arc lamps, | 190 |
| Auto-transformer, | 195 |
| Mercury-arc rectifier, | 207 |
| Motor generators, | 198 |
| Reactances, | 193 |
| Resistances, | 190 |
| Rotary converters, | 202 |
| Transformation, | 194 |
| Current required for projection, | 43, 44 |
| Current taps, | 245 |
| Cut-outs, | 246 |
| Damp places, | 249 |
| Decorative lighting systems, | 249 |
| Dimmers, | 250 |
| Dimmer box, | 324 |
| Door switches, | 251 |
| Double concave lens, | 146 |
| Double convex lens, | 146 |
| Dressing rooms, | 168, 251 |
| Drop lights, | 252 |
| Edengraph motion head, | 83, 86 |
| Edison motion head, | 64, 84 |
| Efficiency of incandescent lamps, | 270 |
| Electric sign imitations, | 325 |
| Electric stage effects, | 326 |
| Emergency lighting system, | 253 |
| Equivalent focal length, | 50 |
| Exit lights, | 256 |
| Explosions, | 327 |
| Eye, the, | 124 |
| Mixing of impressions, | 125 |
| Regaining of vision by aged, | 125 |
| Face-o-graph, | 161, 328 |
| Fan motors, | 256 |
| Festoons, | 328 |
| Film, | 89 |
| Box for, | 108 |
| Burning of, | 90, 173, 177 |
| Emulsion on, | 89 |
| Fire, | 110 |
| Gate, | 62, 69, 70, 102 |
| Inspection of, | 105 |
| Leaders and tails, | 106, 107 |
| Mender, | 94 |
| Patching, | 91, 93 |
| Pictures, per foot, | 57 |
| Pinning of[388], | 110 |
| Receptacle for, | 106 |
| Rewinding, | 108 |
| Shields, | 62, 83 |
| Steadier drum, | 62, 69 |
| Fire alarm, | 256 |
| Fire dance, | 330 |
| Fire hazard, | 11 |
| Fire flies, | 330 |
| Fire places, | 331 |
| Fire proof film, | 90 |
| Fire traps, | 62, 67, 97 |
| Testing of, | 68 |
| Fish work, | 256 |
| Fixtures, | 257 |
| Flashers, | 259 |
| Flexible cord, | 261 |
| Flexible tubing, | 261 |
| Flood lamps, | 24 |
| Floor pockets, | 261 |
| Flowers, | 332 |
| Fly door, | 261 |
| Focal length of concave mirror, | 133 |
| Focusing, | 42 |
| Foot-lights, | 261, 262 |
| Formulas, | 353 |
| Fountains, | 332 |
| Framing, | 102 |
| Framing device, | 62, 82 |
| Friction rollers, | 62, 69 |
| Fuses, | 333 |
| Fuse spacings, | 288 |
| Gallery lighting, | 263 |
| Gallery pockets, | 263, 300 |
| Gas globes, | 334 |
| Gas lighting, | 264 |
| Generators, management of, | 213 |
| “Geneva” movement, | 76, 77 |
| Getting ready for the show, | 104 |
| “Ghost”, | 42 |
| Glass shades, | 334 |
| Glossary of mechanical, electrical and optical words, terms and phrases, | 358 |
| Grid floor, | 265 |
| Ground, | 11 |
| Grounding, | 265 |
| Guards, | 266 |
| Hanger boards[389], | 266 |
| Heat, | 115 |
| Heaters, | 267, 335 |
| High potential, | 268 |
| Hints on management of projecting arcs, | 52 |
| Hissing voltage of arc, | 29 |
| Illumination, | 269 |
| Illusions, optical, | 155 |
| Dissolving living pictures, | 157 |
| Face in clouds, | 161 |
| Figure floating in air, | 157 |
| Head resting on table, | 160 |
| Head suspended in air, | 158 |
| Magic cabinet, | 159 |
| Of motion, | 55 |
| Multiplication of images, | 160 |
| Trick mirror, | 160 |
| Seeing through a brick, | 161 |
| Image inversion, by lens, | 144 |
| By pin hole, | 123 |
| By prism, | 151 |
| Incandescent lamps, | 269 |
| Index of refraction, | 138 |
| Inspecting films, | 105 |
| Inspecting machine, | 97 |
| Inspection memoranda, | 112 |
| Insulating joints, | 272 |
| Interior conduit, | 242 |
| Intermittent sprocket, | 62, 75 |
| Inversion of images, | 123, 144, 151 |
| Inverted lighting, | 273 |
| Iris, the, | 124 |
| Joints, | 273 |
| Junction boxes, | 275 |
| Kinemacolor process, | 59 |
| Lens lamp, | 24 |
| Lenses, conjugate foci of, | 143 |
| Double concave, | 145 |
| Double convex, | 141, 142 |
| Focal length of, | 142 |
| Heating of, | 40 |
| Inversion of image by, | 144 |
| Measuring focal length, | 49 |
| Objective, | 149 |
| Principal focus of, | 142 |
| Selection of, | 46 |
| Tables of, | 47, 48 |
| Types of[390], | 146 |
| Life hazard, | 13 |
| Light, | 113 |
| Infra red rays of, | 117 |
| Intensity of, | 120 |
| Interference of, | 120 |
| Law of inverse squares, | 121 |
| Reflection of, | 121, 127 |
| Re-composition of, | 118, 148 |
| Source best for projection, | 39 |
| Ultra violet rays of, | 117 |
| Vibratory, theory of, | 114 |
| Waste of, in projection, | 45 |
| Wave lengths, | 116 |
| Lighthouse effect, | 336 |
| Lightning, | 336 |
| Lobby, | 275 |
| Lower feed loop, | 62, 79 |
| Lower magazine, | 62 |
| Lower steady feed sprocket, | 62, 79 |
| Lugs, | 275, 338 |
| Magnifying glass, | 145 |
| Metal molding, | 276 |
| Meters, | 278 |
| Meter reading, | 279 |
| Mirrors, | 128 |
| Concave, | 132 |
| Convex, | 132, 135 |
| Conjugate foci of, | 133 |
| Principal focus of, | 133 |
| Moon boxes, | 339 |
| Moonlight on water, | 340 |
| Motiograph motion head, | 85 |
| Motion pictures, | 55 |
| Motion picture machine, | 62 |
| Diagram of, | 63 |
| Discussion of parts of, | 66 |
| Gearing of, | 65 |
| Motors, | 281 |
| Operation of, | 214 |
| Starting boxes for, | 215 |
| Musical acts, | 340 |
| Musical bells, | 341 |
| Music stands, | 285 |
| Objective lenses, | 149 |
| Ohm’s law, | 353 |
| Oiling machine[391], | 98 |
| Oil lamps, imitation of, | 341 |
| Open work, | 286 |
| Opera glass, | 150 |
| Operating room, | 172 |
| Color of, | 180 |
| Construction of, | 176 |
| Entrance and exit, | 177 |
| Equipment of, | 176 |
| Fire shutters for, | 181 |
| Floor of, | 178, 179 |
| Shutter, strings for, | 183 |
| Tools for, | 185 |
| Ventilation of, | 176 |
| Wiring for, | 186, 189 |
| Operation of motors, | 214 |
| Operation of motion picture machines, | 96 |
| Optical illusions, | 155 |
| Optical instruments, | 147 |
| Optical system of projecting arcs, | 38 |
| Panel boards, | 286 |
| Paint bridge, | 291 |
| Paint room, | 291 |
| Persistence of vision, | 56, 124 |
| “Pin cross” movement, | 77, 78 |
| Pin plug connectors, | 341 |
| Plano-concave lens, | 146 |
| Plano-convex lens, | 146 |
| Plugging boxes, | 343 |
| Portable stage equipment, | 311 |
| Powers motion head, | 86 |
| Presser rollers, | 69 |
| Principles of vision, | 122 |
| Prisms, | 117, 118, 141, 147, 151 |
| Program board, | 291 |
| Projection, | 31 |
| Projecting arc lamps, | 38, 52 |
| Proscenium side lights, | 167, 294 |
| Reactances, | 193 |
| Reading glass, | 144, 145 |
| Reflection, | 126 |
| Inversion of image by, | 129, 130 |
| Multiplication of image by, | 130, 131 |
| Refraction, | 137 |
| Critical angle of, | 140 |
| Index of, | 138 |
| Paths of rays of light, | 139 |
| Refraction and reflection combined[392], | 140 |
| Retiring rooms, | 295 |
| Resistance, | 190 |
| Resuscitation, | 15 |
| Revolving shutter, | 62, 72, 101 |
| Setting of, | 75 |
| Rewinding, | 108 |
| Rheostats, | 295, 345 |
| Rigging loft, | 168 |
| Sciopticon, | 313 |
| Screens, | 173 |
| Signals, | 297 |
| Signs, | 297 |
| Size of picture, | 38 |
| Simplex motion head, | 87 |
| Slides, | 109 |
| Sockets, | 298 |
| Solar spectrum, | 118 |
| Spectrum analysis, | 118 |
| Spherical aberration, | 51 |
| Spot on gate, size of, | 41 |
| Stage cable, | 298, 347 |
| Stage flues, | 299 |
| Stage, plan of, | 167 |
| Pockets, | 168, 300 |
| Switchboard, | 167, 305 |
| Stereopticon lamps, | 314 |
| Stereoscope, reflecting, | 151 |
| Refracting, | 151 |
| Strips, | 348 |
| Sunrise, | 350 |
| Switch board, | 167 |
| Switches, | 301, 350 |
| Knife, | 301 |
| Spacings of, | 289 |
| Three way, | 302 |
| Table of amperage for projection, | 44 |
| Capacity of bus-bars, | 235 |
| Capacity of wires, | 238 |
| Drop due to 6 amperes, | 233 |
| Fuse spacings, | 289 |
| Motion picture lenses, | 47 |
| Of multiple reflections, | 132 |
| Panel board spacings, | 287 |
| Size of wire for motors, | 284 |
| Stereopticon lenses, | 48 |
| Waste of energy by resistance, | 191 |
| Table lamps[393], | 351 |
| Take up, | 62, 79, 103, 104 |
| Telescope, | 150 |
| Tension springs, | 62, 70, 103 |
| Testing arc lamps, | 28 |
| Carbons, | 28, 29 |
| Fire traps, | 68 |
| Theater buildings, | 163 |
| For motion pictures, | 171 |
| Wiring of, | 218 |
| Three-wire system, | 10 |
| Time beaters, | 352 |
| Tools for operating motion picture machine, | 96 |
| Transformers, | 194 |
| Trick mirror, | 160 |
| Two-wire system, | 9 |
| Upper feed reel, | 66 |
| Upper loop, | 62, 69 |
| Upper magazine, | 62, 66, 97 |
| Upper steady feed sprocket, | 62, 68 |
| Useful light of projecting arc, | 40 |
| Ventilating flues, | 178 |
| Vision, persistence of, | 56 |
| Visitors, | 110 |
| Water falls, | 352 |
| Waterproof film, | 90 |
| Wire systems, | 9 |
Books That Really Teach
you the things you want to know, and in a
simple, practical way that you can understand
Our illustrated catalogue, which will be sent you free upon request, tells all about the Practical Mechanical Books for Home Study that we publish. There are popular priced books on the operation of trains and station work, practical mechanical drawing and machine designing, pattern making, electrical railroading, power stations, automobiles, gas engines, electrical wiring, armature and magnet winding, dynamo tending, elementary electricity, wireless telegraphy and telephony, carpentry and architecture, concrete construction, plumbing and heating, sign and house painting, amusements, etc., etc.
No matter what your ambition or desire for knowledge may be, we publish books written by authorities in their different lines that will give you just the training and information that you want and need.
Write today for this up-to-date and complete illustrated catalogue and popular price list. It is free.
FREDERICK J. DRAKE & CO.
PUBLISHERS OF SELF-EDUCATIONAL BOOKS
1325 Michigan Avenue CHICAGO
FREDERICK J. DRAKE & CO.’S
PRACTICAL MECHANICAL BOOKS
FOR
HOME STUDY
| Price. | ||
|---|---|---|
| Titles. | Cloth. | Lea. |
| Air Brake Practice, Modern—Dukesmith. Illustrated | 1.50 | ... |
| Air Brake, Complete Examinations, Westinghouse and New York. | ... | 2.00 |
| Air Brake, Westinghouse System. | 2.00 | ... |
| Air Brake, New York System. | 2.00 | ... |
| American Homes, Low Cost—Hodgson. Illustrated | 1.00 | ... |
| Architectural Drawing, Self-Taught—Hodgson. Illustrated | 2.00 | ... |
| Architecture, Easy Steps to—Hodgson. Illustrated | 1.50 | ... |
| Architecture, Five Orders—Hodgson. Illustrated | 1.00 | ... |
| Armature and Magnet Winding—Horstmann & Tousley. | ... | 1.50 |
| Artist, The Amateur—Delamotte. | 1.00 | ... |
| Automobile Hand Book—Brookes. Illustrated | ... | 2.00 |
| Automobile, The Mechanician’s Catechism—Swingle | ... | 1.25 |
| Blacksmithing, Modern—Holmstrom. Illustrated | 1.00 | ... |
| Boat Building, for Amateurs—Nelson. Illustrated | 1.00 | ... |
| Bricklayers’ and Masons’ Assistant, The 20th Century—Hodgson. Illustrated | 1.50 | ... |
| Bricklaying, Practical, Self-Taught—Hodgson. Illustrated | 1.00 | ... |
| Bungalows and Low Priced Cottages—Hodgson | 1.00 | ... |
| Calculation of Horse Power Made Easy—Brookes. Illustrated | .75 | ... |
| Carpentry, Modern. Vol. I—Hodgson. Illustrated | 1.00 | ... |
| Carpentry, Modern. Vol. II—Hodgson. Illustrated | 1.00 | ... |
| Chemistry, Elementary, Self-Taught—Roscoe. Illustrated | 1.00 | ... |
| Concretes, Cements, Plasters, etc.—Hodgson. Illustrated | 1.50 | ... |
| Correct Measurements, Builders’ and Contractors’ Guide to—Hodgson. | 1.50 | ... |
| Catechism, Swingle’s Steam, Gas and Electrical Engineering | ... | 1.50 |
| Cabinet Maker, The Practical, and Furniture Designer—Hodgson. Illustrated | 2.00 | ... |
| Dynamo Tending for Engineers—Horstmann & Tousley. Illustrated | 1.50 | ... |
| Dynamo—Electric Machines—Swingle. Illustrated | 1.50 | ... |
| Electric Railway Troubles and How To Find Them—Lowe | 1.50 | ... |
| Electric Power Stations—Swingle | 2.50 | ... |
| Electrical Construction, Modern. Illustrated | ... | 1.50 |
| Electrical Dictionary. Handy, Weber. | .25 | .50 |
| Electrical Wiring and Construction Tables—Horstmann & Tousley. | ... | 1.50 |
| Electricity, Easy Experiments in—Dickinson. Illustrated | 1.00 | ... |
| Electricity Made Simple—Haskins. Illustrated | 1.00 | ... |
| Electric Railroading—Aylmer-Small. Illustrated | ... | 3.50 |
| Electro-Plating Hand Book—Weston. Illustrated | 1.00 | 1.50 |
| Elementary Electricity, Up To Date—Aylmer-Small | 1.25 | ... |
| Estimator, Modern, for Builders and Architects—Hodgson | 1.50 | ... |
| Examination Questions and Answers for Locomotive Firemen—Wallace. Illustrated | ... | 1.50 |
| Examination Questions and Answers for Marine and Stationary Engineers—Swingle. Illustrated | ... | 1.50 |
| Elevators, Hydraulic and Electric—Swingle. Illustrated | 1.00 | ... |
| Electrician’s Operating and Testing Manual—Horstmann & Tousley. Illustrated | ... | 1.50 |
| Farm Engines and How to Run Them—Stephenson. Illustrated | 1.00 | ... |
| Furniture Making, Home—Raeth. Illustrated | .60 | ... |
| First Steps in Electricity, or Electricity for Beginners—Harrison | 1.00 | ... |
| Gas and Oil Engine Hand Book—Brookes. Illustrated | 1.00 | 1.50 |
| Hand Book for Engineers and Electricians—Swingle. Illustrated. Pocket Book Style | ... | 3.00 |
| Hardwood Finishing, Up-to-date—Hodgson. Illustrated | 1.00 | ... |
| Horse Shoeing, Correct—Holmstrom. Illustrated | 1.00 | ... |
| Hot Water Heating, Steam and Gas Fitting—Donaldson. Illustrated | 1.50 | ... |
| Heating and Lighting Railway Passenger Cars—Prior | 1.25 | ... |
| Locomotive Breakdowns, with Questions and Answers—Wallace. Illustrated | ... | 1.50 |
| Locomotive Fireman’s Boiler Instructor—Swingle | ... | 1.50 |
| Locomotive Engineering—Swingle. Illustrated. Pocket Book Style. | ... | 3.00 |
| Machine Shop Practice—Brookes. Illustrated | 2.00 | ... |
| Mechanical Drawing and Machine Design—Westinghouse. Illustrated | 2.00 | ... |
| Motorman, How to Become a Successful. Aylmer-Small. Illustrated | ... | 1.50 |
| Motorman’s Practical Air Brake Instructor—Denehie. | ... | 1.50 |
| Modern Electric Illumination, Theory and Practice—Horstmann & Tousley. Illustrated | ... | 2.00 |
| Millwright’s Practical Hand Book—Swingle. Illustrated | 2.00 | ... |
| Modern American Telephony In All Its Branches—Smith. Illustrated | ... | 2.00 |
| Operation of Trains and Station Work—Prior. Illustrated | ... | 1.50 |
| Painting, Cyclopedia of—Maire. Illustrated | 1.50 | ... |
| Pattern Making and Foundry Practice—Hand. Illustrated | ... | 1.50 |
| Picture Making for Pleasure and Profit—Baldwin. Illustrated | 1.25 | ... |
| Plumbing, Practical, Up-to-Date—Clow. Illustrated | 1.50 | ... |
| Railway Roadbed and Track, Construction and Maintenance of—Prior. Illustrated | ... | 2.00 |
| Railway Shop Up-to-Date—Haig. Illustrated | 2.00 | ... |
| Sheet Metal Workers’ Instructor—Rose. Illustrated | 2.00 | ... |
| Signist’s Book of Modern Alphabets—Delamotte | 1.50 | ... |
| Sign Painting, The Art of—Atkinson | 3.00 | ... |
| Stair Building and Hand Railing—Hodgson. Illustrated | 1.00 | ... |
| Steam Boilers—Swingle. Illustrated | ... | 1.50 |
| Steel Square, A Key to—Woods. | 1.50 | ... |
| Steel Square, Vol. I—Hodgson. Illustrated | 1.00 | ... |
| Steel Square, Vol. II—Hodgson. Illustrated | 1.00 | ... |
| Steel Square, A B C—Hodgson. | .50 | ... |
| Steel Construction, Practical—Hodgson. Illustrated | .50 | ... |
| Storage Batteries—Niblett | .50 | ... |
| Sho’ Cards, A Show At—Atkinson and Atkinson | 3.00 | ... |
| Stonemasonry, Practical, Self-Taught—Hodgson. Illustrated | 1.00 | ... |
| Telegraphy Self-Taught—Edison. Illustrated | 1.00 | ... |
| Telephone Hand-Book—Baldwin. Illustrated | 1.00 | ... |
| Timber Framing, Light and Heavy—Hodgson | 2.00 | ... |
| Toolsmith and Steel Worker—Holford. Illustrated | 1.50 | ... |
| Turbine, The Steam—Swingle. Illustrated | 1.00 | ... |
| Walschaert Valve Gear Breakdowns and How to Adjust Them—Swingle. Illustrated | 1.00 | ... |
| Wiring Diagrams, Modern—Horstmann & Tousley. Illustrated | ... | 1.50 |
| Wireless Telegraphy and Telephony—V. H. Laughter | 1.00 | ... |
| Wood Carving, Practical—Hodgson. Illustrated | 1.50 | ... |
THE RED BOOK SERIES OF TRADE SCHOOL
MANUALS
By F. Maire
16 mo., Cloth, Illustrated.
Price, each, $0.60
Exterior Painting, Wood, Iron and Brick.
Interior Painting, Water and Oil Colors.
Colors, What They Are and What to Expect
from Them.
Graining and Marbling.
Carriage Painting.
The Wood Finisher.
THE AUTOMOBILE HAND-BOOK
OVER 200,000 SOLD
By ELLIOTT BROOKES, Assisted by Other Well-Known Experts
Revised and Enlarged New Edition—The largest and most practical
work published. Used by all up-to-date automobile schools as
their every-day text-book.over 720 pages and
over 329 illustrations. Full Leather Limp, Round
Corners, Red Edges. Price, $2.00.
At the present time nearly all automobile troubles or breakdowns may, in almost every case, be traced to the lack of knowledge or carelessness of the owner or operator of the car, rather than to the car itself.
The automobile hand book is a work of practical information for the use of owners, operators and automobile mechanics, giving full and concise information on all questions relating to the construction, care and operation of gasoline and electric automobiles, including road troubles, motor troubles, carburetor troubles, ignition troubles, battery troubles, clutch troubles, starting troubles. With numerous tables, useful rules and formulæ, wiring diagrams and over 329 illustrations.
Special efforts have been put forth to treat the subjects of ignition, and ignition devices, in a manner befitting their importance. A large section has been devoted to these subjects, including batteries, primary and secondary, magnetos, carburators, spark plugs, and in fact all devices used in connection with the production of the spark. Power transmission is thoroughly discussed, and the various systems of transmitting the power from the motor to the driving axle are analyzed and compared.
The perusal of this work for a few minutes when troubles occur, will often not only save time, money, and worry, but give greater confidence in the car, with regard to its going qualities on the road, when properly and intelligently cared for.
A WORD TO THE WISE
The time is at hand when any person caring for and operating any kind of self-propelling vehicle in a public or private capacity, will have to undergo a rigid examination before a state board of examiners and secure a license before they can collect their salary or get employment.
Already New York State has enacted such a law and before long, with a positive certainty every state in the Union will pass such an ordinance for the protection of life and property.
Remember this is a brand new book from cover to cover, just from the press—New Edition—and must not be confounded with any former editions of this popular work.
Sent prepaid to any address upon receipt of price
FREDERICK J. DRAKE & CO., Publishers
1325 Michigan Avenue···CHICAGO, U. S. A.
Complete Examination
Questions and Answers
for Marine and
Stationary Engineers
By Calvin F. Swingle, M. E. Author of Swingle’s Twentieth Century Hand Book for Steam Engineers and Electricians. Modern Locomotive Engineering Handy Book, and Steam Boilers—Their construction, care and management
This book is a compendium of useful knowledge, and practical pointers, for all engineers, whether in the marine, or stationary service. For busy men and for those who are not inclined to spend any more time at study than is absolutely necessary, the book will prove a rich mine from which they may draw nuggets of just the kind of information that they are looking for.
The method pursued by the author in the compilation of the work and in the arrangement of the subject matter, is such that a man in search of any particular item of information relative to the operation of his steam or electric plant, will experience no trouble in finding that particular item, and he will not be under the necessity of going over a couple of hundred pages, either, before he finds it because the matter is systematically arranged and classified.
The book will be a valuable addition to any engineer’s library, not alone as a convenient reference book, but also as a book for study. It also contains a complete chapter on refrigeration for engineers. 367 pages fully illustrated, durably bound in full Persian Morocco limp, round corners, red edges.
PRICE-----$1.50
Sold by Booksellers generally or sent postpaid to any address upon receipt of price by the Publishers
FREDERICK J. DRAKE & CO.
CHICAGO. U. S. A.
The structure of the printed book regarding headings, sections and (sub-)sub-sections was inconsistent and occasionally unclear.
As a consequence, there are some sub-sub-sections that are not part of sub-sections (for example, sub-sub-section national code rules
for grounding, where there is no sub-section grounding).
Inconsistent spacing of abbreviations, capitalisation, spelling and hyphenation have been retained.
The alphabetic order of sections in Chapters XVIII and XIX is not always correct, this has not been changed.
On various pages there are references to other sections and rules of the National Electric Code. These sections and rules are not
listed as such, and it is therefore unclear whether the section or rule referred to is given in this work.
Page 38, see Optics: it not clear to which chapter this refers, no link has been provided.
Page 319: ... which should be used to the pin-plug connector ...: there is probably a word missing (“connect” or similar).
Advertisement Automobile Hand-Book, ... over 720 pages: there is probably a word missing.
Changes made to the text:
Illustrations have been moved out of paragraphs; footnotes have been moved to directly below the paragraph they refer to.
Obvious minor typographical and punctuation errors have been corrected silently.
Other changes:
Page 10: ... lights turned on ... changed to ... lights be turned on ...
Page 25, footnote: author’s changed to authors’
Page 26: misplaced line moved to proper place on page
Page 193: author’s changed to authors’
Page 55: aperature changed to aperture (2x)
Page 209: “Y” changed to Y as other reference letters
Page 238, last row, column 25-Watt, 110 V.: 7430 changed to 3740
Page 373: misplaced line moved to proper place on page.
End of the Project Gutenberg EBook of Motion Picture Operation, Stage
Electrics and Illusions, by Henry C. Horstmann and Victor H. Tousley
*** END OF THIS PROJECT GUTENBERG EBOOK MOTION PICTURE OPERATION ***
***** This file should be named 45231-h.htm or 45231-h.zip *****
This and all associated files of various formats will be found in:
http://www.gutenberg.org/4/5/2/3/45231/
Produced by Chris Curnow, Harry Lamé and the Online
Distributed Proofreading Team at http://www.pgdp.net (This
file was produced from images generously made available
by The Internet Archive)
Updated editions will replace the previous one--the old editions
will be renamed.
Creating the works from public domain print editions means that no
one owns a United States copyright in these works, so the Foundation
(and you!) can copy and distribute it in the United States without
permission and without paying copyright royalties. Special rules,
set forth in the General Terms of Use part of this license, apply to
copying and distributing Project Gutenberg-tm electronic works to
protect the PROJECT GUTENBERG-tm concept and trademark. Project
Gutenberg is a registered trademark, and may not be used if you
charge for the eBooks, unless you receive specific permission. If you
do not charge anything for copies of this eBook, complying with the
rules is very easy. You may use this eBook for nearly any purpose
such as creation of derivative works, reports, performances and
research. They may be modified and printed and given away--you may do
practically ANYTHING with public domain eBooks. Redistribution is
subject to the trademark license, especially commercial
redistribution.
*** START: FULL LICENSE ***
THE FULL PROJECT GUTENBERG LICENSE
PLEASE READ THIS BEFORE YOU DISTRIBUTE OR USE THIS WORK
To protect the Project Gutenberg-tm mission of promoting the free
distribution of electronic works, by using or distributing this work
(or any other work associated in any way with the phrase "Project
Gutenberg"), you agree to comply with all the terms of the Full Project
Gutenberg-tm License available with this file or online at
www.gutenberg.org/license.
Section 1. General Terms of Use and Redistributing Project Gutenberg-tm
electronic works
1.A. By reading or using any part of this Project Gutenberg-tm
electronic work, you indicate that you have read, understand, agree to
and accept all the terms of this license and intellectual property
(trademark/copyright) agreement. If you do not agree to abide by all
the terms of this agreement, you must cease using and return or destroy
all copies of Project Gutenberg-tm electronic works in your possession.
If you paid a fee for obtaining a copy of or access to a Project
Gutenberg-tm electronic work and you do not agree to be bound by the
terms of this agreement, you may obtain a refund from the person or
entity to whom you paid the fee as set forth in paragraph 1.E.8.
1.B. "Project Gutenberg" is a registered trademark. It may only be
used on or associated in any way with an electronic work by people who
agree to be bound by the terms of this agreement. There are a few
things that you can do with most Project Gutenberg-tm electronic works
even without complying with the full terms of this agreement. See
paragraph 1.C below. There are a lot of things you can do with Project
Gutenberg-tm electronic works if you follow the terms of this agreement
and help preserve free future access to Project Gutenberg-tm electronic
works. See paragraph 1.E below.
1.C. The Project Gutenberg Literary Archive Foundation ("the Foundation"
or PGLAF), owns a compilation copyright in the collection of Project
Gutenberg-tm electronic works. Nearly all the individual works in the
collection are in the public domain in the United States. If an
individual work is in the public domain in the United States and you are
located in the United States, we do not claim a right to prevent you from
copying, distributing, performing, displaying or creating derivative
works based on the work as long as all references to Project Gutenberg
are removed. Of course, we hope that you will support the Project
Gutenberg-tm mission of promoting free access to electronic works by
freely sharing Project Gutenberg-tm works in compliance with the terms of
this agreement for keeping the Project Gutenberg-tm name associated with
the work. You can easily comply with the terms of this agreement by
keeping this work in the same format with its attached full Project
Gutenberg-tm License when you share it without charge with others.
1.D. The copyright laws of the place where you are located also govern
what you can do with this work. Copyright laws in most countries are in
a constant state of change. If you are outside the United States, check
the laws of your country in addition to the terms of this agreement
before downloading, copying, displaying, performing, distributing or
creating derivative works based on this work or any other Project
Gutenberg-tm work. The Foundation makes no representations concerning
the copyright status of any work in any country outside the United
States.
1.E. Unless you have removed all references to Project Gutenberg:
1.E.1. The following sentence, with active links to, or other immediate
access to, the full Project Gutenberg-tm License must appear prominently
whenever any copy of a Project Gutenberg-tm work (any work on which the
phrase "Project Gutenberg" appears, or with which the phrase "Project
Gutenberg" is associated) is accessed, displayed, performed, viewed,
copied or distributed:
This eBook is for the use of anyone anywhere at no cost and with
almost no restrictions whatsoever. You may copy it, give it away or
re-use it under the terms of the Project Gutenberg License included
with this eBook or online at www.gutenberg.org
1.E.2. If an individual Project Gutenberg-tm electronic work is derived
from the public domain (does not contain a notice indicating that it is
posted with permission of the copyright holder), the work can be copied
and distributed to anyone in the United States without paying any fees
or charges. If you are redistributing or providing access to a work
with the phrase "Project Gutenberg" associated with or appearing on the
work, you must comply either with the requirements of paragraphs 1.E.1
through 1.E.7 or obtain permission for the use of the work and the
Project Gutenberg-tm trademark as set forth in paragraphs 1.E.8 or
1.E.9.
1.E.3. If an individual Project Gutenberg-tm electronic work is posted
with the permission of the copyright holder, your use and distribution
must comply with both paragraphs 1.E.1 through 1.E.7 and any additional
terms imposed by the copyright holder. Additional terms will be linked
to the Project Gutenberg-tm License for all works posted with the
permission of the copyright holder found at the beginning of this work.
1.E.4. Do not unlink or detach or remove the full Project Gutenberg-tm
License terms from this work, or any files containing a part of this
work or any other work associated with Project Gutenberg-tm.
1.E.5. Do not copy, display, perform, distribute or redistribute this
electronic work, or any part of this electronic work, without
prominently displaying the sentence set forth in paragraph 1.E.1 with
active links or immediate access to the full terms of the Project
Gutenberg-tm License.
1.E.6. You may convert to and distribute this work in any binary,
compressed, marked up, nonproprietary or proprietary form, including any
word processing or hypertext form. However, if you provide access to or
distribute copies of a Project Gutenberg-tm work in a format other than
"Plain Vanilla ASCII" or other format used in the official version
posted on the official Project Gutenberg-tm web site (www.gutenberg.org),
you must, at no additional cost, fee or expense to the user, provide a
copy, a means of exporting a copy, or a means of obtaining a copy upon
request, of the work in its original "Plain Vanilla ASCII" or other
form. Any alternate format must include the full Project Gutenberg-tm
License as specified in paragraph 1.E.1.
1.E.7. Do not charge a fee for access to, viewing, displaying,
performing, copying or distributing any Project Gutenberg-tm works
unless you comply with paragraph 1.E.8 or 1.E.9.
1.E.8. You may charge a reasonable fee for copies of or providing
access to or distributing Project Gutenberg-tm electronic works provided
that
- You pay a royalty fee of 20% of the gross profits you derive from
the use of Project Gutenberg-tm works calculated using the method
you already use to calculate your applicable taxes. The fee is
owed to the owner of the Project Gutenberg-tm trademark, but he
has agreed to donate royalties under this paragraph to the
Project Gutenberg Literary Archive Foundation. Royalty payments
must be paid within 60 days following each date on which you
prepare (or are legally required to prepare) your periodic tax
returns. Royalty payments should be clearly marked as such and
sent to the Project Gutenberg Literary Archive Foundation at the
address specified in Section 4, "Information about donations to
the Project Gutenberg Literary Archive Foundation."
- You provide a full refund of any money paid by a user who notifies
you in writing (or by e-mail) within 30 days of receipt that s/he
does not agree to the terms of the full Project Gutenberg-tm
License. You must require such a user to return or
destroy all copies of the works possessed in a physical medium
and discontinue all use of and all access to other copies of
Project Gutenberg-tm works.
- You provide, in accordance with paragraph 1.F.3, a full refund of any
money paid for a work or a replacement copy, if a defect in the
electronic work is discovered and reported to you within 90 days
of receipt of the work.
- You comply with all other terms of this agreement for free
distribution of Project Gutenberg-tm works.
1.E.9. If you wish to charge a fee or distribute a Project Gutenberg-tm
electronic work or group of works on different terms than are set
forth in this agreement, you must obtain permission in writing from
both the Project Gutenberg Literary Archive Foundation and Michael
Hart, the owner of the Project Gutenberg-tm trademark. Contact the
Foundation as set forth in Section 3 below.
1.F.
1.F.1. Project Gutenberg volunteers and employees expend considerable
effort to identify, do copyright research on, transcribe and proofread
public domain works in creating the Project Gutenberg-tm
collection. Despite these efforts, Project Gutenberg-tm electronic
works, and the medium on which they may be stored, may contain
"Defects," such as, but not limited to, incomplete, inaccurate or
corrupt data, transcription errors, a copyright or other intellectual
property infringement, a defective or damaged disk or other medium, a
computer virus, or computer codes that damage or cannot be read by
your equipment.
1.F.2. LIMITED WARRANTY, DISCLAIMER OF DAMAGES - Except for the "Right
of Replacement or Refund" described in paragraph 1.F.3, the Project
Gutenberg Literary Archive Foundation, the owner of the Project
Gutenberg-tm trademark, and any other party distributing a Project
Gutenberg-tm electronic work under this agreement, disclaim all
liability to you for damages, costs and expenses, including legal
fees. YOU AGREE THAT YOU HAVE NO REMEDIES FOR NEGLIGENCE, STRICT
LIABILITY, BREACH OF WARRANTY OR BREACH OF CONTRACT EXCEPT THOSE
PROVIDED IN PARAGRAPH 1.F.3. YOU AGREE THAT THE FOUNDATION, THE
TRADEMARK OWNER, AND ANY DISTRIBUTOR UNDER THIS AGREEMENT WILL NOT BE
LIABLE TO YOU FOR ACTUAL, DIRECT, INDIRECT, CONSEQUENTIAL, PUNITIVE OR
INCIDENTAL DAMAGES EVEN IF YOU GIVE NOTICE OF THE POSSIBILITY OF SUCH
DAMAGE.
1.F.3. LIMITED RIGHT OF REPLACEMENT OR REFUND - If you discover a
defect in this electronic work within 90 days of receiving it, you can
receive a refund of the money (if any) you paid for it by sending a
written explanation to the person you received the work from. If you
received the work on a physical medium, you must return the medium with
your written explanation. The person or entity that provided you with
the defective work may elect to provide a replacement copy in lieu of a
refund. If you received the work electronically, the person or entity
providing it to you may choose to give you a second opportunity to
receive the work electronically in lieu of a refund. If the second copy
is also defective, you may demand a refund in writing without further
opportunities to fix the problem.
1.F.4. Except for the limited right of replacement or refund set forth
in paragraph 1.F.3, this work is provided to you 'AS-IS', WITH NO OTHER
WARRANTIES OF ANY KIND, EXPRESS OR IMPLIED, INCLUDING BUT NOT LIMITED TO
WARRANTIES OF MERCHANTABILITY OR FITNESS FOR ANY PURPOSE.
1.F.5. Some states do not allow disclaimers of certain implied
warranties or the exclusion or limitation of certain types of damages.
If any disclaimer or limitation set forth in this agreement violates the
law of the state applicable to this agreement, the agreement shall be
interpreted to make the maximum disclaimer or limitation permitted by
the applicable state law. The invalidity or unenforceability of any
provision of this agreement shall not void the remaining provisions.
1.F.6. INDEMNITY - You agree to indemnify and hold the Foundation, the
trademark owner, any agent or employee of the Foundation, anyone
providing copies of Project Gutenberg-tm electronic works in accordance
with this agreement, and any volunteers associated with the production,
promotion and distribution of Project Gutenberg-tm electronic works,
harmless from all liability, costs and expenses, including legal fees,
that arise directly or indirectly from any of the following which you do
or cause to occur: (a) distribution of this or any Project Gutenberg-tm
work, (b) alteration, modification, or additions or deletions to any
Project Gutenberg-tm work, and (c) any Defect you cause.
Section 2. Information about the Mission of Project Gutenberg-tm
Project Gutenberg-tm is synonymous with the free distribution of
electronic works in formats readable by the widest variety of computers
including obsolete, old, middle-aged and new computers. It exists
because of the efforts of hundreds of volunteers and donations from
people in all walks of life.
Volunteers and financial support to provide volunteers with the
assistance they need are critical to reaching Project Gutenberg-tm's
goals and ensuring that the Project Gutenberg-tm collection will
remain freely available for generations to come. In 2001, the Project
Gutenberg Literary Archive Foundation was created to provide a secure
and permanent future for Project Gutenberg-tm and future generations.
To learn more about the Project Gutenberg Literary Archive Foundation
and how your efforts and donations can help, see Sections 3 and 4
and the Foundation information page at www.gutenberg.org
Section 3. Information about the Project Gutenberg Literary Archive
Foundation
The Project Gutenberg Literary Archive Foundation is a non profit
501(c)(3) educational corporation organized under the laws of the
state of Mississippi and granted tax exempt status by the Internal
Revenue Service. The Foundation's EIN or federal tax identification
number is 64-6221541. Contributions to the Project Gutenberg
Literary Archive Foundation are tax deductible to the full extent
permitted by U.S. federal laws and your state's laws.
The Foundation's principal office is located at 4557 Melan Dr. S.
Fairbanks, AK, 99712., but its volunteers and employees are scattered
throughout numerous locations. Its business office is located at 809
North 1500 West, Salt Lake City, UT 84116, (801) 596-1887. Email
contact links and up to date contact information can be found at the
Foundation's web site and official page at www.gutenberg.org/contact
For additional contact information:
Dr. Gregory B. Newby
Chief Executive and Director
gbnewby@pglaf.org
Section 4. Information about Donations to the Project Gutenberg
Literary Archive Foundation
Project Gutenberg-tm depends upon and cannot survive without wide
spread public support and donations to carry out its mission of
increasing the number of public domain and licensed works that can be
freely distributed in machine readable form accessible by the widest
array of equipment including outdated equipment. Many small donations
($1 to $5,000) are particularly important to maintaining tax exempt
status with the IRS.
The Foundation is committed to complying with the laws regulating
charities and charitable donations in all 50 states of the United
States. Compliance requirements are not uniform and it takes a
considerable effort, much paperwork and many fees to meet and keep up
with these requirements. We do not solicit donations in locations
where we have not received written confirmation of compliance. To
SEND DONATIONS or determine the status of compliance for any
particular state visit www.gutenberg.org/donate
While we cannot and do not solicit contributions from states where we
have not met the solicitation requirements, we know of no prohibition
against accepting unsolicited donations from donors in such states who
approach us with offers to donate.
International donations are gratefully accepted, but we cannot make
any statements concerning tax treatment of donations received from
outside the United States. U.S. laws alone swamp our small staff.
Please check the Project Gutenberg Web pages for current donation
methods and addresses. Donations are accepted in a number of other
ways including checks, online payments and credit card donations.
To donate, please visit: www.gutenberg.org/donate
Section 5. General Information About Project Gutenberg-tm electronic
works.
Professor Michael S. Hart was the originator of the Project Gutenberg-tm
concept of a library of electronic works that could be freely shared
with anyone. For forty years, he produced and distributed Project
Gutenberg-tm eBooks with only a loose network of volunteer support.
Project Gutenberg-tm eBooks are often created from several printed
editions, all of which are confirmed as Public Domain in the U.S.
unless a copyright notice is included. Thus, we do not necessarily
keep eBooks in compliance with any particular paper edition.
Most people start at our Web site which has the main PG search facility:
www.gutenberg.org
This Web site includes information about Project Gutenberg-tm,
including how to make donations to the Project Gutenberg Literary
Archive Foundation, how to help produce our new eBooks, and how to
subscribe to our email newsletter to hear about new eBooks.