*** START OF THE PROJECT GUTENBERG EBOOK 73845 ***

Transcriber’s Note:

New original cover art included with this eBook is granted to the public domain.

RADIO PICTURES
[JENKINS]

Vision by Radio
Radio Photographs
Radio Photograms

C. FRANCIS JENKINS
Washington
Copyrighted, 1925, by
Jenkins Laboratories, Inc.
Washington, D. C.

3To the splendid young folks, Sybil L. Almand, Florence M. Anthony, John N. Ogle, James W. Robinson, Stuart W. Jenks, and Thornton P. Dewhirst, who so efficiently assisted in the attainment of Photographs by Radio, Radio Vision, and Radio Photograms, this book, in grateful appreciation, is dedicated.

4

Mr. C. Francis Jenkins

Born in the country, north of Dayton, Ohio, in 1868, of Quaker parents. Spent boyhood on farm near Richmond, Indiana. Attended country school; a nearby high school; and Earlham College. “Explored” wheatfields and timber regions of Northwest, and cattle ranges and mining camps of Southwest United States. Came to Washington, D. C., in 1890, and served as secretary to Sumner I. Kimball, U. S. Life Saving Service. Resigned in 1895 to take up inventing as a profession. Built the prototype of the motion picture projector now in every picture theatre the world over; developed the spiral-wound paraffined all-paper container; and produced the first photographs by radio, and mechanism for viewing distant scenes by radio. Has over three hundred patents; and maintains a private laboratory in Washington. He is a member of the Franklin Institute, the American Association for the Advancement of Science, and founder of the Society of Motion Picture Engineers. Has several times been honored by scientific and other bodies for original research and attainment.

5

Foreword

The rapid development of apparatus for the transmission of photographs by wire and by radio may now be confidently expected, because the public is ready for it. At this very moment it is going through the same empirical process by which motion pictures arrived, and out of which finally the long film strip was born.

In the motion picture development there appeared the spiral picture disc; the picture “thumb book”; picture cards radially mounted on drums and bands; and the picture film continuously moved and intermittently illuminated.

But finally the development resolved itself into a single, long, transparent picture film, intermittently moved in the exposure aperture of the projecting machine; and upon this has been built one of the large industries of the world.

Doubtless this will be the history of the development of electrically transmitted photographs, and of radio vision, for many schemes have already been tried and more may yet be seen before the final, practical form shall have been evolved, and this new aid to business and to entertainment shall have taken its place in human affairs.

The transmission of a photograph electrically, a portrait, for example, is not so much a matter of mechanism, once the tools are perfected and their operation understood; it is more a matter of blending of line and tone, just exactly as it is with the artist. The great portrait photographer uses the same tools the amateur uses, but an acquired technique of high order enables him to produce a superior portrait, 6free of chalky contrasts, and soft in tone and blending. Just so in radio photography, it is a matter of simple mechanism, and an acquired skill in its use.

The author expects to see, very soon, the radio amateurs using flash-light lamps and electric pens where they now use headphones; and halftones or potassium cells where they now use microphones, for the radio problem between the two is practically the same—if anything rather more simple with light than with sound. And new means for modulating electric current by changing light values may be expected when the American boy starts to play with this new toy.

There has been a veritable army of engineers engaged in the development of radio as a service to the ear, while relatively few engineers have been developing radio as a service to the eye.

It is believed that the distant electric modulation of light for many purposes will soon become a common phenomena and eventually of inestimable service in science, in engineering, in industry, and in the home.

Nor will this service be confined to radio. Present metallic channels now employed for other purposes, i. e., high tension power lines, railroad rails, city lighting wires, and water pipes, can be made a new source of revenue, and at a ridiculously insignificant cost.

Radio is none the less valuable by reason of its application as such a rider on the present metallic grids of every city, and of interurban connections. There are many channels where only space radio can be employed, but the neglect of the application of high frequency currents to metallic channels which lead into every place of business, and into every home, is unnecessary waste.

The author confidently believes the application of 7these several ideas to the control of light at distant points is the next great advance in electricity, and to hasten such development the information in the following pages is set down to assist the research worker and the application engineer. The mechanisms and circuits herein disclosed may be accepted with assurance.

With a radio photographic technique, the result of ten years of concentration on this subject, it may be asserted with confidence that the requirement of a particular application rather than a particular machine is the governing factor in each case; for with full working knowledge of the art, and the special application requirements known, the design of the machine best adapted to that service is a simple matter.

8

Contents

Page
Amstutz Machines 73
A. T. & T. Co. Pictures 85
Baker’s Scheme 77
Belin Machine 83
Braun Tube Receiver 91
Capillary Pen 46
Circuits, radio 117
Code Pictures 89
Color by Radio 93
Control Fork 29
Corona Lamp 51
Dot Pictures 88
Duplex Machine 105
Electrograph of 1900 75
Electrolytic Receivers 46
Engraving Receiver 73
Eye Radio Service 39
Filament Lamp 28, 50
First Radio Channel 67
First Picture Machine 120
Fournier and Rignoux 81
Galvanometer 48
Genesis of Radio 127
Glow Lamp 29
Halftone, filled in 41
High Speed Camera 125
Historical Sketch, Jenkins 118
Hook-ups—Jenkins 117
Initial Activities 25
Ink Pen Receivers 46
Korn, Dr., Machine 79
Lens Drum Machine 116
Lens Disc Machine 114, 115
Light Cell 42
Light Sources 112
Light Wedge 48
Mechanisms employed 40
Medals 121126
Motion Picture Projector 120
Multiple Signals 30
Nipkow & Sutton 71
Oscillograph Receiver 47
Patents, list of 132
Perforated Strips 43
Photographic Receiver 47
Pneumatic Valve 49
Prismatic Ring 25, 98, 110
Prismatic Ring Machines 95
Radio Circuits 117
Radio Corp. Pictures 87
Radio Motor 30
Radio Vision 33
Radio Vision Machines 109
Receiving Machines 45
Receiving Methods 26
Sending Machines 40
Sources of Light 112
Spark-Gap Source 50
Strip Machine 103
Stroboscopic Lamp 30
Sutton & Nipkow 71
Swelled Gelatin 41
Synchronizing Forks 101
Talking Machine 107
Transmitting Methods 25
Washington 133
Zinc Etching 40
9

Illustrations

Page
A. T. & T. Co. example 84
Amstutz Machine 72
Baker Machine 76
Belin Machine 82
Code Picture 89
Comments 5266
Control Fork 100
Dot Picture 88
Duplex Machine 104
Electrograph 74
Examples Photograms 3538
Examples Radio Photos 1723
Experimenter’s Machine 106
First Picture Projector 120
High Speed Camera 124
Korn Example 78
Light Sources 112
Loomis Wireless 68
Medals 121126
Photograms 3538
Prismatic Band Ring 99
Prismatic Disc Ring 97
Prism Combinations 110, 111
Radio Color Example 92
Radio Corp’n Picture 86
Radio Hook-up 117
Radio Photographs 1723
Radio Photo Camera 96
Radio Photo Transmitter 94
Radio Picture Scheme 113
Radio Vision Machines 108
R. V. Mechanisms 114116
Seeing by Radio 80
Seeing by Wire 70
Story World 122
Strip Machine 102
11

Vision by Radio

C. FRANCIS JENKINS

The earliest attempts to send pictures and to see electrically date back some fifty years, being practically coincident with efforts to transmit sound electrically.

At first a metallic circuit was employed to carry the impulses representing picture values, but when radio was available several workers immediately began the adaptation of their apparatus to radio circuits.

Some remarkably fine examples of pictures transmitted by both wire and radio have been produced in recent months; most of them showing the lines, but some of them without lines at all, i. e., true photographic results.

And as the transmission of images from living subjects in action differs from “still” pictures only in that they are more rapidly formed, it naturally followed that the solution of this problem should also be undertaken.

When radio service to the eye shall have a comparable development with radio service to the ear, a new era will indeed have been ushered in, when distance will no longer prevent our seeing our friend as easily as we hear him.

Our President may then look on the face of the King of England as he talks with him; or upon the countenance of the President of France when exchanging assurances of mutual esteem.

12The general staff of our Navy and Army may see at headquarters all that a lens looks upon as it is carried aloft in a scouting airplane over battle front or fleet maneuvers.

And from our easy chairs by the fireside, we stay-at-homes can watch the earth below as a great ship, like the Shenandoah, carries our flag and a broadcasting lens, over the mountains and plains, the cities and farms, the lakes and forests, of our wonderful country.

In due course, then, folks in California and in Maine, and all the way between, will be able to see the inaugural ceremonies of their President, in Washington; the Army and Navy football games at Franklin Field, Philadelphia; and the struggle for supremacy in our national sport, baseball.

The new machine will come to the fireside as a fascinating teacher and entertainer, without language, literacy, or age limitation; a visitor to the old homestead with photoplays, the opera, and a direct vision of world activities, without the hindrance of muddy roads or snow blockades, making farm life still more attractive to the clever country-bred boys and girls.

Already audible radio is rapidly changing our social order; those who may now listen to a great man or woman are numbered in the millions. Our President recently talked to practically the whole citizenship of the United States at the same time.

When to this audible radio we add visible radio, we may both hear and see great events; inaugural ceremonies, a football, polo, or baseball game; a regatta, mardi gras, flower festival, or baby parade; and an entire opera in both action and music.

Educationally, the extension worker in our great universities may then illustrate his lecture, for the distant student can see as well as hear him by radio.

13It is not a visionary, or even a very difficult thing to do; speech and music are carried by radio, and sight can just as easily be so carried.

To get music by radio, a microphone converts sound into electrical modulation, which, carried by radio to distant places, is then changed back into sound and we hear the music.

To get pictures by radio, a sensitive cell converts light into electrical current, and at radio distances changes these currents back into light values, and one may see the distant scene; for light is the thing of which pictures are made, as music is made of sound.

To further show the close relation, it might be added that in receiving sets these same electrical values can be put back either into sound with headphones or into light with a radio camera; although it may be admitted that such radio signals do not make much sense when with headphones one listens to the pictures.

Already radio vision is a laboratory demonstration, and while it is not yet finished and ready for general public introduction, it soon will be, for it should be borne in mind that animated pictures differ from still pictures only in the speed of presentation, and the sending of “still” pictures by radio is now an accomplished fact, radio photographs of no mean quality, examples of which appear as illustrations in this volume.

Just as is done in radio photographs the picture surface is traversed by a small spot of light moving over the picture surface in successive parallel adjacent lines, with the value of the lines changed by the incoming radio signals to conform to a given order, the order being controlled by the light values of the scene at the distant sending station.

14In sending pictures electrically, there have been but two methods employed, perhaps the only methods possible; namely (a) a cylinder mechanism; and (b) a flat surface.

Without exception, every scheme which had attained any degree of success, before the author adopted flat surfaces, has depended upon synchronous rotation of two cylinders, one at the sending station with the picture thereon to be sent; and the other at the receiving station where the picture is to be put.

Perhaps the very obviousness of the cylinder scheme, and that there are no patents to prevent, explains why it has been employed by so many. And there have been many workers in this line of endeavor; for example, in England, Lord Northcliff, Sir Thompson, Mr. Evans and Mr. Baker; in France, MM. Armengaud, Ruhmer, Rignoux, Fournier, and Belin; in Germany, Paul Nipkow, Dr. Anchutz, and Dr. Korn.

In America, Mr. Ballard, Mr. Brown, and Mr. Amstutz, the latter deserving particular mention, for, from a distant picture, a swelled gelatine print, he engraved a printing plate which could be put directly on a printing press for reproduction.

All these many workers have adopted the cylinder method of sending and receiving, and all have arrived at approximately the final stage of development permitted by concurrent science.

It may be well to explain that, in these older schemes, the picture to be sent is wrapped around the cylinder, usually a cylinder of glass where light sensitive cells are employed, mounted on a rotating shaft, which also has longitudinal displacement.

The light values which make up the picture are converted into electric current of corresponding 15values and put upon a wire or other channel which delivers them to the distant receiving station.

At the receiving station a suitable film-like sheet (paper, for example) is wrapped around a cylinder similar to that at the sending station. As this cylinder is rotated and longitudinally advanced under a stationary point in contact with the paper on the cylinder, a spiral is traced thereon. As the incoming electrical current represents picture values, and as the two cylinders are turning in exact synchronism, a picture duplicate of that at the sending station appears thereon. After the picture is completed the paper sheet can then be taken off the cylinder and flattened out for such use as may be desired.

It is quite obvious that vision by radio and radio movies can never be attained by a cylinder method, for as the picture must appear to the eye complete, by reason of persistence of vision, it naturally follows that the eye must make up the whole picture from a single focal plane.

The attainment of “television” or Radio Vision, as it is now coming more commonly to be called, requires that the sending shall be from a flat plane, and reception on a flat plane, and a modulation which will give not only the high-lights and shadows but the halftones as well.

These “flat planes” may, of course, be the focal planes of the lenses employed at the receiving station, and from the focal depth of the lens at the sending station where the picture may perhaps be taken from living actors in the studio or from an outdoor scene.

At the receiving station the “flat surface” may be a photographic plate, a white wall, or a miniature of the usual “silver sheet” of the motion picture theatre.

It may aid in a clearer and quicker understanding 16of the text if the words telephone and television be limited to metallic circuit service, while radio phone and radio vision is applied to radio carried signals, and this designation will be employed in the following pages.

[Projector]
17 [Photographs]

This and succeeding pages are examples of photographs received by radio from a distance, by the Jenkins system, some of them from Washington to Philadelphia, and represent the best work done in 1922, 1923, and 1924.

18 [Photographs]
19 [Photographs]
20 [Photographs]
21 [Photographs]
22 [Photographs]
23 [Photographs]
25

INITIAL ACTIVITIES:

The author’s work began with the publication in the Motion Picture News, of October 4, 1913, of an article entitled “Motion Pictures by Wireless.” This contemplated the employment of a flat receiving surface, but in the light of subsequent experience the scheme proposed therein is believed to be impractical. It did, however, provoke discussion of the subject and initiated the work which was thereafter rather continuously prosecuted, except for interruption to aid in the great World War.

After failure to find a practical, workable mechanism made up of devices already in use in applied science, diligent effort was made to discover the necessary, missing part.

PRISMATIC RING:

At length a device described as a prismatic ring was developed, a new contribution to optical science. In use it is comparable to a solid glass prism which changes the angle between its sides, giving to a beam of light passing therethrough a hinged or oscillating action on one side of the prism while maintaining a fixed axis of the beam on the other side of the prism.

As a convenience in fabrication this prismatic ring is ground into the face of a glass disc of suitable size, of selected mirror plate, which gives the ring its own support on the rotating shaft upon which it is mounted.

TRANSMITTING METHODS:

Success in sending pictures by radio from flat photographs and receiving them on flat photo negative 26plates (and subsequently of radio vision), really began with the perfection of automatic machines for the making of these prismatic rings, for by means of these prisms and a light sensitive cell at the sending station the light values which make up the picture are converted into electrical values, and broadcast.

So to put this picture on a radio carrier wave we simply slice up the picture (figuratively) into slices one-hundredth of an inch in width, in the best pictures, by sweeping the picture across the light sensitive cell by means of these rotating prismatic rings. With each downward sweep the picture is moved one-hundredth of an inch to the right until the whole picture has crossed the cell, the cell converting the light strengths of the different parts of each such slice into corresponding electrical values.

The process very much resembles a bacon slicer in the market, each slice showing fat and lean. Similarly these imaginary slices of our picture show light and dark parts, and these lights and shadows moving across the sensitive cell produce corresponding strength of electric current, modulating the radio carrier wave of the broadcasting set accordingly.

Further, of course, it is immaterial whether the current modulation is taken directly from a flat photograph, from a solid object, or from an outdoor scene at which the transmitter is pointed.

RECEIVING METHODS:

To put these light values back together again at the distant receiving station to make up a negative of the picture being broadcast from the sending station, it is only necessary to reverse the process; first, with a point of light to draw lines across a photographic plate, which the rotating prismatic 27rings do; and, second, to vary the density of the different parts of the successive lines corresponding to lights and shadows of the picture at the sending station, and this the varying strength of the incoming radio signal does by varying the intensity of the light.

Dense areas in the negative are built up where the light is successively very bright at the same place in adjacent lines; halftones where the light is less intense; while where the light is very faint, little or no exposure occurs, and shadows will result.

It is thus the lights and shadows which make the picture are built up, line by line, for when this negative is developed, and paper prints made therefrom, the dense areas produce high-lights in the picture; the less dense areas the halftones; and the thin areas the shadows of the picture, person or scene broadcast at the sending station. It is simply that a photographic negative has been made of what the lens at the sending station is looking at.

So, then, to receive pictures by radio, it is only necessary (1) to cover a photographic plate in parallel adjacent lines, and (2) to vary the density of the lines, to build up the shadows, the halftones, and the high-lights of the picture.

If one puts a nickel under a piece of paper and draws straight lines across it with a dull pencil, a picture of the Indian appears. And that is exactly the way photographs by radio are received, except that a photographic plate is used instead of a piece of white paper, and a pencil of light instead of the pencil of lead, the light pencil changing the exposure in various parts of the successive adjacent parallel lines by reason of the variation of the incoming radio signals.

The scheme is just a long camera with miles instead 28of inches between lens and plate. For example, the lens in Washington and its photographic plate in Boston; with this exception, that the one lens in Washington can put a negative on one, ten or one hundred photographic plates in as many different cities at the same time, and at distances limited only by the power of the broadcasting station, radio instead of light carrying the image from lens to plate.

The time for transmitting a picture depends upon the size of the picture and strength of light, say, from three to six minutes, using a filament lamp as a source.

The radio photograph receiving instruments are rather simple and inexpensive and, like a loudspeaker, can be attached to any standard amplifying audio-radio receiving set.

FILAMENT LAMP:

For the light source for radio photographs a filament lamp is employed, and in a single turn coil enclosed in a hydrogen atmosphere. This miniature filament coil is imaged on a photo negative plate, and the variation in the light is caused by putting the incoming radio signals through this lamp, perhaps after the filament has been brought to a red glow by a battery current. By adjusting the speed of the motor to the temperature change of this filament soft gradations of light and shade are obtained which probably can never be equaled by any other device, a photograph of true photographic value, entirely free of lines.

The author wishes to take this occasion to express his appreciation of the splendid assistance of the General Electric Company, under the personal supervision and hearty cooperation of Mr. L. C. Porter, who from the very first has shown his confidence 29in the ultimate successful conclusion of this development.

GLOW LAMP:

For the high speed radio photograms, where only blacks and whites are needed, a corona glow lamp of very high frequency has been developed. This lamp is lighted by the plate current of the last tube of the amplifier; and as the lamp can be lighted and extinguished a million times a second, it is obvious that the permissible speed is almost limitless, and a thousand words per minute is believed ultimately possible.

This lamp has been developed for the author by Professor D. McFarlan Moore, an expert in lamps incorporating this phenomena, and who some years ago, it may be remembered, produced a lamp of this type more than two hundred feet long. It is probably safe to predict that no other lamp will ever be able to compete in speed.

As photography is the quickest means of copying anything; and radio the swiftest in travel, it seemed logical that the two hitched together should constitute the most rapid means of communication possible.

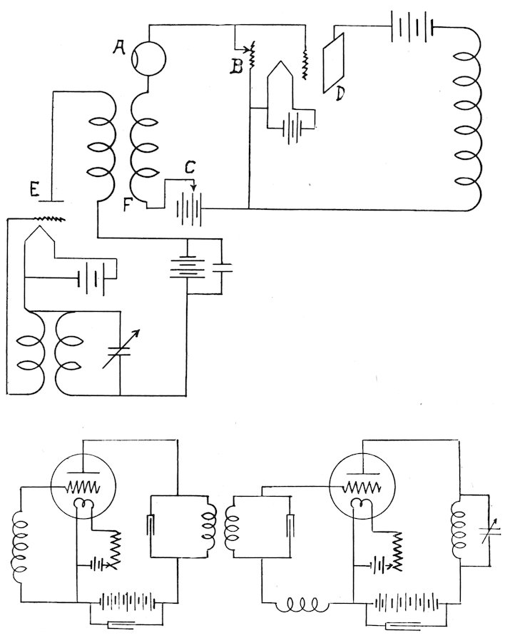
CONTROL FORK:

Of course, the sending machine and the receiving machines must run in exact synchronism. This synchronous control of the sending and receiving motors is maintained by the vibration of a rather heavy fork at each station, and adjusted to beat together, with such slight automatic correction by radio as may be required to keep all receiving forks in step with the fork of the station which at the moment is sending. It is a very simple and dependable 30mechanism, by which any number of motors, of any size, separated by any distance, can be made to run in synchronism.

RADIO MOTOR:

Another scheme of the rotary type, perhaps even better adapted to the distant control of large motors, is a small synchronous radio motor driven by power carried by radio from the broadcasting station to the receiving stations. It is, of course, rotated partly by radio power from the distant station, and partly by local current, just as a loudspeaker is operated. These small motors, rotating in synchronism with the motor at the sending station, control the rotation of a larger motor in each receiving camera, and so all stations keep in step.

STROBOSCOPIC LAMP:

Of course, it would be fatal if it were necessary to wait until the picture was developed before it could be discovered that the receiving camera was getting out of control. So a special “neon” lamp is located to shine on a revolving marker on the motor shaft of the receiving instrument, and flashed by the incoming radio signals, which latter bear a definite relation to the rotation of the sending station motor.

SAME WAVE:

It should be noted that the same radio wave carries both the picture frequency which builds up the photograph and the synchronism frequency which controls the motors, and also that it lights the stroboscopic lamp.

MULTIPLE-SIGNAL RADIO:

A further advance step was made when an audible message was added to the same radio wave which 31carried the picture. This is done by modulating the carrier wave to give audibility, while interrupting the same carrier wave at a frequency far above the audible range, say, two hundred thousand cycles, to make our picture.

By means of this duplex employment of the same radio wave, it is possible to get, for example, both the gesture and the voice of an inaugural address; the play and the cheers of a national sport; or the acting and song of grand opera.

Perhaps it might be explained that synchronism in visual-audible radio reception is accomplished by the simple expedient of keeping the radio picture “framed,” exactly as this is done in the motion picture theatre.

But continuing the description of the still picture processes a little further, before taking up Radio Vision and Radio Movies, it might be added that while photographs by radio is the more interesting and impressive process, there is little doubt but that radio photo letters will be of much greater immediate service in business.

Commerce, like an army, can go forward no faster than its means of communication. The history of industrial advance in all ages shows that with every addition to communication facilities the volume of business has increased. Obviously a third electrical means of communication will enlarge business, and speed up commerce and industry.

As an aid in national defense the chief of staff of the Signal Corps of the Army, in a recently published report to the Secretary of War, said (Washington Star, November 22, 1924):

“Looking into the future of signal communication for a moment, it appears that the basic method of breaking messages up into words, words into letters, 32letters into dots-and-dashes, and then passing these through the wrist of an operator, as has been the practice since Morse’s fundamental invention of the electric telegraph, seems to be nearing the end of a cycle. Mechanical transmitters with higher speed qualities are becoming stabilized and American invention seems to be making further and rapid progress in associating photography with radio, which bids fair to revolutionize fundamental methods of transmission.

“The message of the future, whether it be written, printed, of mixed with diagrams and photographs, including the signature of the sender, will, it seems certain, soon be transmitted photographically by radio frequency at a rate tens of times faster than was ever possible by the dot-and-dash methods of hand transmission.

“Military messages of the future, particularly in active operations, may contain diagrams and sketches, or even entire sheets of maps, all transmitted as part of the same message and by means of which detection or listening-in will be reduced to a very low minimum.”

The author suggests that it might be added that the newcomer, the radio photogram, has merits distinctly its own, e. g.:

(1) It is autographically authentic; (2) it is photographically accurate; (3) it is potentially very rapid; (4) it is little effected by static; (5) it is not effected by storms; and (6) it is automatic and tireless.

It can also be used to enlarge the individual newspaper’s influence and prestige by the establishment of photostat branch printing plants at strategic points, like summer camps, and winter resorts, and at ridiculously little cost.

Such copies of the news, financial and market report pages of the paper could be distributed in these distant places before they could possibly appear on the streets of the home city of the paper.

33Of course, produce market reports, stock market news, and similar matter could be so distributed very much quicker than could be done by any other system, certainly so to the farmer and gardener.

RADIO VISION:

Radio Photographs and Radio Vision, when both are done by the flat-plate method, are identical in principle, the difference being only in the speed of the apparatus, with such modification in the apparatus as will permit of the required speed.

Just as in the Radio Photograph the picture surface of the Radio Vision is covered with a small spot of light moving over the picture surface in successive parallel lines, with the light value of the lines changed by the incoming radio signals to conform to a given order, the order being controlled by the distant scene at the sending station.

And as the whole picture surface is covered in one-twelfth to one-sixteenth of a second, persistence of vision of the human eye is sufficient to get the picture from the white receiving screen—a photographic plate is not necessary.

When the machine of Radio Vision is turned over slowly, the little spot of light on the screen which makes up the picture looks for all the world like a tiny, twinkling star as it travels across the white surface of the screen in adjacent parallel lines, changing in light value to correspond in position and intensity to the light values of the scene before the lens at the broadcasting station.

But when the machine is speeded up until the succession of lines recur with a frequency which deceives the eye into the belief that it sees all these lines all the time, then a picture suddenly flashes out on the white screen in all the glory of its pantomime mystery.

34To accomplish this, the apparatus must be speeded up until a whole picture can be assembled on the screen, say, in one-sixteenth of a second, to be seen by the eye directly.

It was necessary to modify the Radio Photo apparatus to permit this increase in speed. So a lens disc is substituted for the fast pair of prismatic plates. Each lens draws a line while the relatively slow rotation of the prismatic plates distributes the lines over the whole picture surface, just exactly as the plates do in the Radio Photo Camera.

The Radio Vision receiving set and the Radio Movies set are identical, and one may, therefore, see in one’s home what is happening in a distant place, an inaugural parade, football, baseball, or polo game (and we call it Radio Vision); or one may see the motion picture taken from the screen of a distant theatre (and we call it Radio Movies).

The Radio Vision receiving set, as now designed, is very simple; namely, a mahogany box, or small lidded cabinet, containing, beside the radio receiving set and a loudspeaker, only a small motor rotating a pair of glass discs, and a miniature, high frequency lamp for outlining the pantomime picture on a small motion picture screen in the raised lid of the cabinet, synchronism being maintained by the simple expedient of “framing” the picture on the screen exactly as this is done in a moving picture theatre.

The author wishes to acknowledge his indebtedness to his friend, Professor D. McFarlan Moore, for a word name for this new device, i.e., “telorama” for the radio vision instrument, and “teloramaphone” for the instrument when it includes simultaneous reproduction of the music or sound accompanying the living scene.

35 COL. PAUL HENDERSON,      OCTOBER 1, 1924. ASSISTANT POSTMASTER GENERAL, WASHINGTON, D.C. MY DEAR COL. HENDERSON:—THIS IS AN EXAMPLE OF OUR NEW RADIO-PHOTO LETTER, A METHOD OF TRANSMITTING MESSAGES BY RADIO INSTEAD OF BY STEAMSHIP. WASHINGTON TO PANAMA IN FIVE MINUTES. IT HAS THE AUTHENTIC CHARACTER OF AN AUTOGRAPHED LETTER, AND THE SPEED OF RADIO. IT IS THE BEGINNING OF A RADIO SERVICE TO THE EYE, WHERE HERETOFORE RADIO HAS BEEN AN ADDRESS TO THE EAR ONLY. WILL THE TIME SOON COME WHEN THE POST OFFICE DEPARTMENT WILL DELIVER BY RADIO PHOTOGRAPHIC COPIES OF OUR BUSINESS LETTERS AT THE SPEED OF LIGHT RATHER THAN THE LAGGARD DELIVERY OF THE ORIGINALS BY MAIL-PLANE. SUCH AN EXCHANGE OF INTELLIGENCE WOULD WONDERFULLY SPEED UP INDUSTRY BECAUSE, LIKE AN ARMY, INDUSTRY CAN GO NO FASTER THAN ITS MEANS OF COMMUNICATION. Jenkins
36 Maj. Mauborgne, Washington When a radio message is received as a photo copy of an autographed order, it is known to be authentic and can be obeyed at once. In war this is vital. Combined with simplicity, ruggedness and speed the radio photo deserves attention. Jenkins Oct. 20, 1924.
37 [Photographs]
38 [Photographs]
39

RADIO SERVICE TO THE EYE:

Since the initiation of broadcasting, a veritable army of engineers have been devoting themselves to the development of radio as a service to the ear.

The author for several years has been, rather lonesomely, devoting his efforts to the development of radio as a service to the eye.

Incidentally it is suggested that there are undreamed of possibilities in radio in the unlimited frequencies above audibility, in which speed transmission is greatly accelerated by the tolerance of eyesight, not possible in an appeal to the ear. Witness, the motion picture theatre screen upon which a picture is taken off and put back again forty-eight times per second without discovery by the eye; while the slightest error in a note in the orchestra is detected at once and grates harshly on the ear.

Just as the motion picture depends for success on the fact that the eye is easily deceived, so in Radio Vision the eye is fooled into the belief that it sees the radio picture as a whole, though in fact the eye sees at any one moment only the tiny spot of light by which, with almost lightning like speed, the picture is made up.

Audio radio engineers have been working in the very limited audio-frequency band below, say, ten thousand cycles, whereas the workable range where light instead of sound is employed goes away up to millions of cycles. It is confidently predicted that the next great development in radio is in this area.

When the “teloramaphone” is made generally available, then pictures at the fireside sent from distant world points will be the daily source of news; the daily instructional class; and the evening’s entertainment; and equally the long day of the sick and shut-ins will be more endurable, and life in the 40far places less lonely, for the flight of radio is not hindered by rain, or storm, or snow blockades.

MECHANISMS EMPLOYED:

The successful study of the problem of the transmission of light effects electrically (vision, pictures, light signals, etc.) might well begin with the division of the subject into its elements and sub-elements.

The major division is, naturally, into (a) the sending station apparatus; and (b) the receiving station apparatus. A great variety of devices have been invented for analysis of the picture at the sending station, and the translation of the light values (which make up the picture) into electrical modulation; and likewise a variety of methods for receiving these electrical signals at a distant place (or places) and there changing the electrical modulations back into light values with which the picture is built up.

SENDING MACHINES—ZINC ETCHING:

Before the refinement of light sensitive cells, actual electrical contact was oftenest employed in sending the impulses which represented light gradations in the picture.

Usually, therefore, a zinc etching of a pen and ink picture was made, and curved into a cylinder. This picture cylinder was then slipped onto a rotating mandril, which was also moved axially by a screw thread on the mandril shaft; or the cylinder rotated and a contact arm moved along by the screw, like the old wax cylinder phonograph.

A delicately suspended arm, moved along by the screw as just described and carrying, instead of the phonograph sound box, a very small and smooth point which was lifted by the high parts of the zinc etched picture. When so lifted the arm makes 41electrical contact with an adjustable point and current is put into the inter-station wire circuit.

By this means the values of the picture are converted into corresponding duration values of an electric current, and put onto a wire connecting the sending machine with a distant receiving machine (described in detail later in the text).

It will thus be seen that the electric impulses sent out over a wire attached to the contact point represent the value of the light and dark portions of the picture.

The electric impulses are similar to letter-code dots-and-dashes, for the picture actually opens and closes the circuit, like a telegraph key, the dark portions of the picture sending dashes and the light portions of the picture sending dots. With the point set at one end of the cylinder, and the contact arm advancing longitudinally by reason of the thread on the shaft, the point traverses a spiral around the cylinder until the whole picture is covered.

SWELLED GELATINE PRINT:

In another process a swelled gelatine picture print was used to raise and lower the contact-making arm, and a carbon contact button was employed, but otherwise the sending machine was much the same.

FILLED-IN HALFTONES:

Somewhat later halftones of photos were available, and these were similarly bent into cylinders. The interstices between the metal points of the halftones were filled with an insulating wax, and the whole smoothed off until the bright metal points (of different size and representing the different values of the picture) were exposed.

When this picture cylinder was rotated under a 42contact point, the cylinder and the point being parts of an electric circuit, current flowed in the circuit whenever the point touched the metal parts of the picture, but no current flowed when the insulation passed under the point.

Because the point does not jump up and down, but has a smooth surface to ride on, greater speed and accuracy is possible with the filled-in etching.

LIGHT SENSITIVE CELLS:

As is quite generally known there are certain “semi-metals” which have the property of changing their resistence to an electric current when light falls thereon.

Of this group selenium is typical, although there are several others, thallium, strontium, barium, etc.

More recently it was discovered that some of the rarer alkali metals had the property, under certain conditions, of actually converting light into electric current. In this group are potassium, sodium, caesium, rubidium, etc.

These light sensitive cells vary the electric current quite accurately in proportion to the intensity of the light falling thereon, and when available were quickly seized upon by the workers in “pictures-by-electricity.”

When these light sensitive cells were employed, a modification of the previous picture-translating methods and mechanisms was made, for now a modulation instead of an interruption of the electric current was possible, the modulation representing the values of the halftones of a picture transparency as well as its blacks and whites.

The rotating cylinder now employed was of glass, around which the picture, on transparent film, was wrapped. Inside the cylinder a light was put to 43shine through the passing picture film as a minute point of light falling on the light sensitive cell located in a dark box.

Just as in the other cylinder schemes the picture is made to traverse this point of light until the whole picture is converted into electric current of corresponding values, which, as before, can be put on a wire, or can be made to modulate a radio wave.

PERFORATED PAPER STRIPS:

One of the oddities of picture analytical translation consists of running a perforated paper strip between a source of light and a light sensitive cell, the paper ribbon perforated with a series of groups of holes.

It is intended that the number of holes in successive groups along the ribbon shall represent successive values of light in the different parts of the picture to be transmitted.

While it is possible to perforate such a ribbon it is quite likely that the experienced engineer would adopt some of the simpler forms of picture translation, for there are enough of them which may be used without hesitation, such basic patents as have ever existed having long since expired.

An unusual scheme consists in writing the message in ink made of saltpeter, and then setting fire to the ink line. The ink line of the message burns itself out leaving the paper intact. Thereupon the paper is carefully laid on the metal cylinder of the sending machine, or on “silver paper” which is put on the sending cylinder. The contact point drops through the burnt lines making contact, and the out-going signals, received on a like cylinder at a distant station, make a duplicate of the original message.

A more satisfactory scheme is to put a thin coating of hard wax on a thin sheet of metal, or metal coated 44papers. These sheets as wanted are laid on an electric hot-plate and the message, picture, or sketch, is written through the warm wax coating with a lead pencil or stylus. Then the paper with its message etched therein, is wrapped around the sending cylinder and rotated under the contact-making finger, which sends out the electrical impulses.

One may also take the sketch, line drawing, or pen picture, to the zinc etcher (halftone engraving plant), and have him make a print on very thin metal, and develop and harden it, but not etch it. This will give a photographically accurate copy. This copy on the metal sheet can then be bent around the cylinder of your sending machine, and sent out by wire or radio, to be received at all stations tuned in. If etched the etching may be filled in with hard wax and this put on the cylinder, and run under the contact finger.

It is possible to write on paper with copper sulphate (blue vitral) solution, for the acidulated line carries the current through the paper to the metal cylinder beneath, and completes the circuit. The acid may even be strong enough to eat through the paper exposing the metal cylinder underneath.

Salt water with a little glycerine to keep it from drying up too fast will also perform.

Another method which has been proposed is to print or write on paper with sticky material, like Japan drier, and sprinkle thereon a fine powdered wax, battery sealing wax, for example. This will stick to the tacky lines and can be melted over a hot plate or in an oven. The melted wax leaves standing lines which will raise a contact-closing pen passing over it. If the lines are sprinkled with metallic powder a double contact pen can be used 45and the mechanism is still simpler, less delicate, and more dependable.

One of the newer methods of photogram transmission is to use a rotating table, like a talking machine table, with a rectangular piece of paper thereon (tucked under at the corners), from which to send a communication; market bulletins, for example, broadcast by a progressive newspaper to the farmers and truck gardener patrons in their vicinity.

The contact point is advanced from the outer edge to the centre by a spiral cut on the under side of the table; or by a threaded edge of a detachable tabletop and a reducing gear to move the contact arm across the message, or other scheme.

(Of course, the receiving machine should be a duplicate of the sending machine, with suitable receiving surface.)

The bulletin sheet can not be advantageously used to the very centre, any more than a music record can, but this space can be employed by the broadcaster for printed announcements (as music disc records are so used), the receiving paper being furnished by the broadcaster.

But of all the schemes it is very doubtful if any will ever equal the writing of the message or sketch in lead pencil on paper, and rotate it under a two-contact collector. The graphite of the lines makes contact across the twin-blade terminals, effecting the transmitter as would a telegraph key in the circuit.

RECEIVING MACHINES:

Coming now to the design of a suitable receiving machine, it will be found that an even greater variety of schemes have been tried.

46

INK PEN RECEIVERS:

Upon a rotating and longitudinally moving cylinder, similar to that of the sending machine first described, a paper is put, and upon this paper, as the cylinder rotates, an ink pen, mounted on a pivoted arm, touches intermittently, being drawn down to ink the paper with every incoming electrical impulse, and lifted off the paper by a gentle spring.

CAPILLARY PEN:

In another ink and pen scheme the electric current is passed through a capillary ink tube to make it flow and black the paper; no lifting of the pen arm is necessary.

As the order of these dots-and-dashes is controlled by the impulses put into the line by the picture at the sending station, a picture is built up on the paper on the receiving machine cylinder, a copy of the picture on the cylinder of the sending machine.

ELECTROLYTIC RECEIVERS:

In another and similar scheme a chemically treated paper is put on the cylinder, and upon this, as it rotates, a metallic point is gently pressed.

When the incoming electric current from the sending station passes through the paper under the contact point an electrolysis occurs which appears as a discoloration of the paper.

And as these discolored dots-and-dashes appear, as before, in an order controlled by the distant station, a picture is again built up on the paper, a copy of the picture at the sending station.

One of the best solutions for the purpose is made up of Iodide of Potassium one-half pound; Bromide of Potassium two pounds; Dextrine or Starch one ounce; and Distilled Water one gallon. (Use an 47iron contact needle). There are other solutions made of Ferricyanide, but are not so satisfactory.

Still another scheme, the simplest of mechanisms, consists of a metal disc upon which electrolytic paper is clipped. This plate is then put on the rotating table of a talking machine. A rubbing electrical contact is made with the disc, and the other wire attached to the tone arm to complete the circuit through the steel needle of the sound box.

As no groove is available to carry the arm toward the centre of the disc, a spurred-wheel is attached thereto, so as to engage the paper on the disc. The wheel can be adjusted diagonally of the tone arm to give any separation required in the convolutions of the spiral line.

One of the schemes employed, and with considerable success for its time, consisted of an engraving tool, moved up and down radially of a coated cylinder, cutting a groove of varying width in the soft coating of the cylinder.

When this coating was stripped off the cylinder, laid out flat and hardened, it was mounted on a printing block, inked, and impressions taken therefrom on a suitable printing press.

PHOTOGRAPHIC RECEIVERS:

But doubtless photographic paper, wrapped around the cylinder, has been used oftener than any other medium. With photo paper or film a point of light is usually employed to expose the film.

OSCILLOGRAPH RECEIVERS:

The point sources of light used and methods of modulation have been almost as varied as the temperaments of the several workers. One of the first was the employment of a steady light source which, reflected in the tiny mirror of an oscillograph, 48is caused to vibrate at a high frequency across a minute aperture which in turn is imaged on the film on the cylinder. As the amplitude of vibration of the mirror determines the amount of light passing through the aperture and falling on the film, it will readily be understood that the strength of the incoming electric signals, representing light values of the picture at the distant station, reproduce duplicate values on the exposed film. When this film is developed a copy of the picture on the cylinder of the sending machine is obtained.

LIGHT WEDGE MODULATION:

Another scheme for modulating the light falling on the film on the cylinder, consists in placing a light wedge against the face of a lens which images the vibrating mirror (or light source) on the film.

As the light is constantly imaged on the film by the lens its slight displacement toward the dark end of the light wedge by the vibration of the mirror decreases the strength of the light falling on the film, while displacement toward the thin edge of the light wedge gives greater exposure on the film.

It is obvious, therefore, that the vibration of the mirror determines the exposure at successive positions on the film; and as these displacements follow the varying strength of the incoming electric current, and the latter in turn is determined by the light values of the picture at the sending station, it naturally follows that when the film is developed a duplicate of the distant picture results.

SILVER WIRE GALVANOMETER:

Another method of varying the light falling on the photo film on the cylinder consists in mounting two very minute overlapping shutters one on each 49of the two wires of an electric circuit suspended in a strong magnetic field. On these overlapping shutters a light source is focused, so that greater or lesser displacement of the shutters, by reason of varying strengths of current in the adjacent runs of the wire, allows more or less light to pass there between.

Another lens images these tiny shutters onto the film covered cylinder, so that when the shutters are opened by the incoming currents in the two wires, the light is concentrated on the film.

As the exposure depends on (a) the shutter openings, and the shutter opening on (b) the incoming current strength, and the incoming current strength on (c) the light values at the sending station, development of the film again gives a duplicate of the picture at the sending station.

PNEUMATIC VALVE:

An interesting scheme of picture reception is known as the pneumatic light valve, the vibration of which causes a shadow band to oscillate across a lens opening into the camera.

In a circular center opening in a magnetized iron diaphragm is suspended an iron disc somewhat smaller than the opening. This small disc is magnetically held by its edge to the inside edge of the opening in the diaphragm, with its plane in the plane of the magnetic field of the diaphragm.

Upon the disc is mounted a tiny mirror, and as the suspension of the disc is in the magnetic field held there by the strength of the field itself, it is extremely easily disturbed, so that a small beam of light reflected from the mirror can be vibrated with a very little current through great amplitude.

As the beam of light has a transverse shadow band therein of a width to normally close the lens 50opening into the camera, the varying amplification of the vibration of the mirror, and therefore, of the shadow, admits a proportional amount of light.

SPARK GAP:

One of the very simplest light sources for exposing the film on the receiving cylinder consists of a minute spark-gap located in contact with the moving film.

The strength of the incoming current charges a small condenser until the gap breaks down and the passing spark exposes the film (or perhaps perforates it). If the current is strong the sparks pass the gap at a high frequency, while if the current is weak the frequency is less. The range may be from 500 to 5,000 per second perhaps, depending on the current strength, and, of course, the film exposure correspondingly varies, and the different degrees of density of the picture results.

This scheme requires about as small current as is likely to be practical, perhaps, especially when the spark is in a suitable degree of vacuum, and, of course, the incoming radio signals require correspondingly small amplification.

FILAMENT LAMP:

The direct source of light which in the author’s laboratory has produced the most perfect photographic effects, i. e., photographs absolutely without lines, consists of a lamp about an inch in diameter and two inches long, fitted with a standard screw base. The tube contains a .6 mil filament with a small single turn coil in a hydrogen atmosphere.

The coil is offset until it almost touches the glass wall. Such location of the coiled filament permits the effective placing of a minute aperture in very 51close relation to the filament; whereas an aperture on the outside of a bulb with the light source in the centre of the bulb acts like a pin-hole camera, and sharpness of image is practically impossible (unless a lens is used).

The lamp described above will respond to fluctuations in current well above a thousand times per second, but requires voltages about four times normal. It was made for the author by courtesy of the General Electric Company, under the direction of Mr. L. C. Porter, of Harrison, N. J.

CORONA LAMP:

But the lamp that really elicits the author’s unqualified admiration is the corona glow lamp made for the author by Professor D. McFarlan Moore. It consists of a small glass bulb containing a neat-fitting metallic cylinder, one terminal of an attached circuit. Inside and concentric with the cylinder is a second cylindrical capsule made of a solid rod drilled to a predetermined depth.

The electron stream from the outside cylinder to the capsule naturally takes the long path, and as the longest path is down into the capsule, the result is that the small central opening of the capsule glows with great intensity while the other parts of the lamp remain dark. This lamp, Professor Moore advises, has a light and dark frequency of a million per second.

52 WESTERN UNION TELEGRAM NEWCOMB CARLTON, PRESIDENT      GEORGE W. E. ATKINS, FIRST VICE-PRESIDENT 153W 1W 1 EXTRA OF TELEPHONED MESSAGE P ROCHESTER NY 114P OCT 12 1922 C FRANCIS JENKINS 1519 CONN AVENUE NW WASHINGTON DC SOCIETY MOTION PICTURE ENGINEERS REGRETS YOUR ABSENCE FROM THE CONVENTION BEST WISHES FOR YOUR SUCCESS IN RADIO TRANSMISSION OF PICTURES A R DENNINGTON SECY 225P
53 GENERAL ELECTRIC COMPANY In Reply Refer to WEST LYNN, MASS. November 28, 1922. Mr. C. Francis Jenkins, 1519 Connecticut Ave., Washington, D.C. Dear Mr. Jenkins: I am in receipt of yours of November 25th, enclosing the radio picture, for which I thank you. It certainly shows a successful result. When I first read of your prismatic ring arrangement in the “Scientific American”, I recognized that it was the solution of a problem which I had often thought of as possible, and I can well understand that it may have applications which we do not even now think of. It is perfectly possible, as you say, to employ the method of radio transmission of pictures on a very considerable scale, which would hardly be possible in transmitting them by the ordinary telegraph. With best regards, and gratification to know that you are progressing, I am, Very truly yours, Elihu Thomson
54 THE WHITE HOUSE WASHINGTON December 5, 1922. Dear Mr. Jenkins: Please accept my thanks for the radio photograph which you were good enough to send to me. The production of a picture in this fashion is certainly one of the marvels of our time and I am under obligation to you for sending me this handsomely mounted copy which will be preserved as a very much prized souvenir. Gratefully yours, Warren G Harding Mr. C. Francis Jenkins 1519 Connecticut Avenue, Washington, D.C.
55 Westinghouse Electric & Manufacturing Company East Pittsburgh, Pa. Mr. C. Francis Jenkins, 1519 Connecticut Ave., Washington, D.C. March 7, 1923. My dear Jenkins: I have been reading with much interest the newspapers giving an account of your success in sending photographs by Radio from Washington to Philadelphia. After my visit to your laboratory a few weeks ago when you told me of this proposed transmission, I have been looking forward to it feeling assured it would be fully as successful as the papers have related, and I want to add my congratulations to the many you must have already received, and which you so well deserve. May your success continue. With kindest regards, I am, Yours very sincerely, John
56 THE FRANKLIN INSTITUTE OF THE STATE OF PENNSYLVANIA PHILADELPHIA March 8, 1923. Mr. Francis Jenkins, 5502 Sixteenth Street,N.W., Washington, D.C. My dear Mr. Jenkins: I want to say to you how delighted I was to receive your letter of March 6th, accompanied by the beautiful examples of your success in transmitting photographs by radio. I enjoyed very decidedly the opportunity that you gave me of seeing the process of receiving these pictures and have found since that a number of those whose attention I called to your work, took advantage of the opportunity and were greatly pleased with the results. I can only say that I appreciate to a certain extent, at least, the tremendous energy and persistence that you have put into the development of this new art and most heartily congratulate you on the success that you have obtained. I am promising myself that if I come to Washington at any time in the near future to make a visit to your laboratory and see you in your own private lair. Hoping that such an opportunity will not be too long delayed. I am, Sincerely yours, Geo. A. Hoadley. S. and A. Assistant.
57 CHARLES FRANCIS JENKINS 232 SOUTH 7TH STREET PHILADELPHIA, PENNA. March 12th, 1923. Charles Francis Jenkins, Washington, D.C. Dear Friend: The receipt of the Journal of the English Historical Society a few days ago, in which is given a list of Friends who have achieved distinction through inventions and in which your name is given, shows that we have another point of contact in addition to our exactly similar names, and that is, we are both Members of the Society of Friends. If you ever get to Philadelphia, I hope you will stop in and see me and arrange to have lunch with me, if possible. I have been much interested in the considerable amount of publicity given your work lately and I enclose a page from the Evening Bulletin, although I think it more than likely you have seen it. With best wishes, Very truly, Charles Francis Jenkins
58 NAVAL RESEARCH LABORATORY “BELLEVUE,” ANACOSTIA, D. C. 21 August 1923. Mr. C. F. Jenkins, 1519 Connecticut Ave., Washington, D.C. My dear Jenkins: Thanks very much for the samples of your recent work. They look very good. I was particularly interested in what you said concerning the Chinese and Japanese methods of transmitting telegraphy. I had heard something of this before but never realized how complicated it would make the process for them. As soon as I can get this laboratory well started I will certainly find time to look in on you and I hope arrangements may be made for continuing some cooperative work with you. We have designated a section of our organization to work on methods of secret communication but just now we are unable to put anyone on that work. I hope you will keep me in touch with your developments and let me know in particular what progress you are making towards high speed work. One of the best arguments that I can make for the Navy taking up such work will be the matter of saving time in handling coded messages. With best regards, I am, Very truly yours, A. Hoyt Taylor Physicist, USN
59 POPULAR RADIO 9 EAST 40TH STREET, NEW YORK KENDALL BANNING, _Editor_      _Vanderbilt 9985_ September 11, 1923. C. Francis Jenkins,Esq., 1519 Connecticut Avenue, Washington, D.C. My dear Mr. Jenkins: I certainly appreciate your interesting letter of September 10th, as well as the three photographic enclosures. I am tremendously impressed, not only with what you have accomplished in the transmission of pictures by radio, but also with the limitless possibilities that you are opening up. It is entirely conceivable that the work you are doing right now may have an effect upon civilization that will be almost revolutionary. You must have had a corking good time on your airplane trip from Omaha to Chicago. Yes, we have been, undoubtedly backward in the development of our airplane commercial traffic. Some day we will make up for lost time. Cordially, Kendall Banning
60 IMPERIAL JAPANESE NAVY INSPECTORS’ OFFICE ONE MADISON AVENUE New York City October 6, 1923. Dr. C. Francis Jenkins, Radio Pictures Corporation, Washington, D.C. Dear Dr. Jenkins: Thank you for your kind note of October 4th enclosing some splendid reproductions of the message I wrote when I called upon you at your Laboratory. Upon my return to Japan, I shall inform our Home authorities about the merits of your high speed camera and radio apparatus and will also present the fine samples you sent me. By the way, kindly accept this expression of gratitude for the courtesies you extended to me and my associates during our recent visit to Washington. Very truly yours, T. Kuroda ENGINEER_CAPTAIN, I. J. N.
61 Commonwealth of Pennsylvania Governor’s Office HARRISBURG October 23, 1923. Mr. C. Francis Jenkins, 5502 Sixteenth Street, Washington, D.C. Dear Mr. Jenkins: My heartiest thanks for your letter of October 17th and for the copy of my first photograph by radio. I appreciate it more than I can easily say, and think it is a perfectly marvelous piece of work under the circumstances. Also it is more than pleasant to have it from you, in view of our long association, and so beautifully mounted. With renewed appreciation, and heartiest thanks for all the trouble you took in getting it up. Sincerely yours, Gifford Pinchot
62 1339–1351 DIVERSEY PARKWAY CHICAGO December 21, 1923. Mr. C. Francis Jenkins, Radio Pictures Corporation, Washington, D.C. Dear Mr. Jenkins: I was delighted to receive your letter of the 19th. Heartiest congratulations on making such wonderful progress with the Radio Pictures. I am sure that I am going to be one of those fellows who can proudly say “I knew him when—”. With all good wishes for a Merry Christmas and a Happy New Year, I am, Sincerely, Rothacker Film Mfg. Co. W. R. Rothacker WRR:GLD
63 EASTMAN KODAK COMPANY ROCHESTER, N.Y. February 18, 1924. Mr. C. Francis Jenkins, Washington, D.C. Dear Mr. Jenkins: I am in receipt of your letter of February 6th enclosing the copies of photographs sent by radio. Your feat seems marvelous to me and I heartily congratulate you upon its accomplishment. With kindest regards, I am, Sincerely yours, Geo Eastman
64 'WILLIAM

W. J. Bryan'

65 Department of Commerce OFFICE OF THE SECRETARY WASHINGTON February 1, 1924. Mr. C. Francis Jenkins, 1519 Connecticut Avenue, Washington, D.C. Dear Mr. Jenkins: I wish to express my appreciation for the photograph which you so kindly sent me. It represents a very startling development in radio and sometime when I have some leisure I would be interested in discussing the method with you. Yours faithfully, Herbert Hoover
66 CARL AKELEY 77TH STREET AND CENTRAL PARK WEST NEW YORK CITY March 16, 1925. Dear Mr. Jenkins: You are perfectly welcome to publish anything I may have written you. I think few people realize or appreciate the practical possibilities of the transmission of radio photographs and the high development to which you have brought this art. I congratulate you on your success and wish a speedy realization of your dreams. Sincerely yours, Carl Akeley Mr. C. Francis Jenkins Jenkins Laboratories 1519 Connecticut Avenue, Washington D C
67

The First Radio Channel

While perhaps not singly applicable to the subject of pictures by radio, it is certain that without the discovery that signals could be transmitted through the air without wires, we should not now have either audible or visual radio.

While in 1832 Professor Joseph Henry discovered that electrical oscillations could be detected a considerable distance from the oscillator, it remained for a dentist, Dr. Mahlon Loomis, of Washington, D. C., to actually send the first radio messages. In 1865 he built an oscillating circuit, and connected it to a wire aerial supported in the air by a kite. One station was set up on the top of Bear Den Mountain, in Virginia, not very far from Washington; a duplicate station being set up on top of Catoctin Spur, some fifteen miles distant.

Messages were sent alternately from one station to the other station, by dot-and-dash interruption of a buzzer spark circuit; while reception was attained by deflecting a galvanometer needle at the station which was at the moment receiving.

In Leslie’s Weekly (1868) Frank Leslie personally describes these “successful experiments in communication without the aid of wires.”

Later (1869) a bill was introduced in the U. S. Congress to incorporate the Loomis Aerial Telegraph Company (though nobody would buy the stock, and it remained for others, years later, to reap the reward of radio broadcasting).

In speaking on the bill, Senator Conger repeated, he said, the explanation that Dr. Loomis made to him, that—

68

This Illustration of Dr. Mahlon Loomis’s Wireless Telegraph Set Was Made from His Original Drawings of His Invention Which Are on File in the United States Patent Office at Washington.

69“The system consists of causing electrical vibrations, or waves (from the kite wire aerial) to pass around the world, as upon the surface of some quiet lake into which a stone is cast one wave circlet follows another from the point of disturbance to the remotest shores; so that from any other mountain top upon the globe another conductor which shall receive the impressed vibrations may be connected to an inductor which will mark the duration of such vibration, and indicate by an agreed system of notation, convertible into human language, the message of the operator at the point of first disturbance.”—From Congressional Globe, Library of Congress.

Perhaps it may be a coincidence, or perhaps a blood strain of the pioneer, that the first radio school ever set up by a woman should have been founded by his granddaughter, Miss Mary Texanna Loomis, Washington, D. C.

70 [Photographs]
71

Nipkow and Sutton

One of the most interesting examples of the attempts to see by radio was made the subject of a patent by Nipkow in 1884. The proposed transmitter consisted of a selenium cell and an objective lens, with a spirally perforated disc rotating between the cell and lens “to dissect the scene.”

The receiving device employed the polarizing light valve used by Major George O. Squire, and Professor A. C. Crehore, to measure the flight of gun shells at Fort Monroe, Virginia, in 1895.

The Nipkow scheme was preceded by Shelford Bidwell’s device for “the telegraphic transmission of pictures of natural objects,” described in Telegraphic Journal 1881, Vol. 9, page 83; and later almost exactly duplicated by M. Henri Sutton, and rather fully described in Lumiere Electrique, Vol. 38, page 538, 1890.

72 [Machines]
73

The Amstutz System

Of all the mechanisms which have been designed for the transmission of pictures electrically, that of N. S. Amstutz, of Valparaiso, Indiana, U. S. A., in the author’s opinion, stands out as the most conspicuous, not only for fine work, but for the cleverness of its accomplishment, the first successful picture being sent in May, 1891, over a 25-mile wire in eight minutes.

“Mr. Amstutz was not the first to send pictures over wire, but he was the first to send pictures with halftones, the others were simply line drawings. In this first method Mr. Amstutz used a relief photograph. The amount of relief was in direct proportion to the amount of light which had acted on the sensitive gelatine, resulting in an irregular surface, representing in elevation all the variations of light and shade in a regular picture.

“The picture received is actually a phonographic spiral around the receiving drum carrying the celluloid sheet. When finished it is removed from the cylinder and flattened out and a stereotype or electrotype made from it for relief printing; or the engraved celluloid sheet can be inked and printed immediately on the intaglio press.” (From exhibit in U. S. National Museum.)

74 THIS PICTURE WAS TAKEN FROM THE RECEIVING MACHINE AFTER HAVING BEEN TRANSMITTED EIGHT HUNDRED MILES OVER A TELEGRAPH WIRE. THE INTERNATIONAL ELECTRO-GRAPH CO. NOV. 1ST, 1900.      CLEVELAND, O.
75

The Electrograph

From the accompanying illustration and title it will readily be seen that rather good pictures were reproduced with pen and ink method in 1890.

The original of this picture was given the author by Mr. T. A. Witherspoon, who at the time of the experiment (1900) was a principal examiner in the U. S. Patent Office, and detailed in charge of the Patent Office Exhibit at the Buffalo Exposition, where, also, these machines were on exhibition.

It may be a coincidence of passing interest that from Cleveland twenty-four years later the American Telephone and Telegraph Company sent their first wire pictures.

76 1910.—Baker. 1. PHOTOGRAPH WIRED FROM PARIS TO LONDON
77

The Baker Machine

The machine of the opposite illustration, “the telestereograph,” is the invention of T. Thorn Baker, Esq., of England, and “was used by the London Daily Mirror in July, 1909, and was worked by wire rather regularly between London and Paris, and London and Manchester.” The picture to be sent was “a halftone photograph printed in fish glue on lead foil, and wrapped on a sending cylinder, rotating once every two seconds with a metal point riding on it.”

The receiving cylinder carried “an absorbent paper impregnated with a colorless solution which turns black or brown when decomposed by the incoming electric current.”

What electrolytic solution was employed is not stated in the report, but was probably sodium iodide or potassium bromide judging from the description of its color and behavior.

To synchronize, the receiving drum turns faster than the sending drum, and is caught each revolution until the other catches up. (Smithsonian Report, 1910.)

78 2. FASHION PLATE TRANSMITTED BY PROFESSOR KORN’S TELAUTOGRAPH.
79

The Dr. Korn Machine

The accompanying illustration shows the work of a machine developed by Dr. Korn, of Germany, and first used by the Daily Mirror between London and Paris in 1907. “On a revolving glass cylinder” a transparent picture was put. He used a Nernst lamp and “selenium cells on opposite sides of a Wheatstone bridge” to overcome the inherent lag of the selenium cell.

Signals were sent over a wire and received on photographic film on a cylinder, using “two fine silver strings free to move laterally in a strong magnetic field.” A light was focused on the obstructing “silver strings,” which the incoming electric signals, passing through the “strings,” separated to a greater or lesser degree “to widen or thin the photographed line.”

“When the film is developed it is laid out flat, and the spiral line becomes resolved into so many parallel lines.” The sending and the receiving machines were synchronized by “well calibrated clocks which released the cylinders at end of every five seconds.” (Mr. Baker in Smithsonian Report, 1910.)

80 [Machines]
81

Rignoux and Fournier Scheme

One of the early suggestions had for its fundamental principle a surface studded with thousands of “selenium cells” each a part of an individual circuit, and upon which a picture was projected. The idea was that the different cells would transmit a different value of current with each different intensity of light which made up the picture.

At the distant station a given surface had a corresponding number of tiny lamps, each attached to its respective cell at the sending station, and being lighted thereby the ensemble would reproduce the distant picture.

The scheme is possible but hardly practical, for if only fifty lines per inch each way were sufficient on a picture but one foot square, there would have to be three hundred and sixty thousand cells at the sending end, and a like number of lamps at the receiving end, each but one-fiftieth of an inch in diameter. Such a problem would seem to present difficulties, though the author himself in the bravery of ignorance suggested this very scheme in the Electrical Engineer, of July 25, 1894. (Illustration by courtesy of Science and Invention.)

82 [Machines]
83

The Belin Machine

The “Belinograph” is the invention of Edouard Belin, of Paris. With these machines “the first step in transmitting a picture is to convert the latter into a bas-relief. Or a drawing can be made in a special ink, which, when dry, leaves the lines in relief. The picture when ready for transmission has an uneven surface, the irregularities of which correspond with the pictorial details. The transmitter resembles the cylinder of a phonograph. The picture is wrapped around this metal cylinder, and a style presses down on the picture cylinder as it is rotated by clockwork. As the style moves up and down over the irregularities of the picture, a microphone varies the strength of an electric transmitting current.

“At the receiving end another cylinder in a light-tight box carries a sensitized paper upon which a point of light is reflected from the mirror of a galvanometer actuated by the incoming current from the distant station.”

Two very accurately regulated chronometers are employed to keep the machines in synchronism, one chronometer for the sending machine and one for the distant receiving machine. (From Review of Reviews, 1922.)

84 [Photographs]
85

American Telephone & Telegraph Company Machine

The picture opposite is one of those sent by the A. T. & T. Company on May 20, 1924, by wire from Cleveland to New York. Some of the pictures sent were from photographs taken earlier, and some were taken only a few minutes before being transmitted.

In the sending machine, “the film picture is inserted in the machine simply by rolling it up in a cylindrical form and slipped into the drum. During operation a very small and intense beam of light shines through the film upon a photo-electric cell within.”

In the receiving machine, “the sensitive film is put on a rotating cylinder and turns like the cylinder record on a phonograph. On this film falls a point of intense white light varied constantly.”

For synchronizing “two separate currents were sent over the wires, one is called the picture channel, the other the synchronizing channel.”

“Forty-four minutes elapsed from the time the picture was taken in Cleveland until it was reproduced in New York.” (New York Times, May 20, 1924.)

It seems unlikely that returns from the daily wire transmission of pictures can equal the day-by-day revenue from the wires used for the transmission of speech when balanced up for the principal circuit, phantom circuits, and carrier circuits.

86 [Photographs]
87

Radio Corporation Machine

The accompanying “photoradiogram” is a development by the Radio Corporation of America, and was transmitted from London to New York on November 30, 1924.

“The transparent picture film is placed on a glass cylinder. An incandescent lamp inside the cylinder is focused in a minute beam onto the film as the cylinder rotates, and this transfers the light values of the picture into electrical impulses, in a General Electric Company photo-electric cell.

“The receiving cylinder has white paper placed thereon, and the incoming dots-and-dashes, amplified in passing through a bank of vacuum tubes, are recorded in ink on this paper with a special vibrating fountain pen, drawn down by magnet coils to record the picture much in the style of an artistic stippled engraving.” The cylinders of both the sending and the receiving machines are “rotated back and forth, the electric camera itself advancing down the length of the picture one notch at a time.”

“The necessary synchronism of the two machines is maintained by the use of special driving motors, and a special controlling mechanism based on the constant pitch of a tuning fork.” (See Radio News, February, 1925.)

88

By courtesy of “The World,” New York.

A RADIO CODED PHOTOGRAPH.

How the picture looked after being sent from Rome by radio and decoded on Professor Korn’s machine.

The above is an example of one of the rather odd methods of “sending pictures by radio.” The picture to be sent is divided into many small squares with varying values of dark in the squares. Seventeen different grades of light in these squares are translated into seventeen letters printed on a tape.

This coded picture is transmitted to a distant place and there decoded into dots of sizes corresponding to the seventeen values, and each dot placed in its corresponding square on a white paper. The collection of large dots builds up the dark areas; a similar collection of smaller dots makes up the halftones; and still other collections of very minute dots make up the light areas. (From the New York World.)

89 [Photographs]

A telegraphic code scheme in which points in a picture are determined by the crossing of straight lines, ordinates and abscissas, and in which the shades of light, of gray, and of black which make up the picture are also indicated by letters.

This coded information is telegraphed to the distant stations where the receiving artist determines the location of these points and shades by (1) a similar pair of crossed straight lines, and (2) letters indicating the light values to be washed in on paper.

The process depends for its success largely on the skill and cleverness of the receiving artist, and is hardly more than a “filler-in” pending the adaption of the directly photographic process. (Courtesy Science and Invention.)

90 [Schematic]
91

The Braun Tube Receiver

One of the theoretically attractive forms of receivers is the Braun oscillograph tube, for it is so very easy to wobble the cathode ray spot about over the fluorescent screen, to form figures. It has an imponderable pencil of light which can be moved over the picture screen with very little electrical energy. Its use has been proposed by many.

But the feature of the system which is most often overlooked in this scheme is the necessity for an analytical picture machine at the sending station, and no such device in satisfactory workable form has yet been suggested.

The Braun tube system awaits, therefore, the attention of the practical-application engineer before it can compete with other forms of receivers.

92 [Photographs]
93

Pictures by Radio in Natural Colors

It is well known that pictures in color are in common use in magazine printing, in window transparencies, decorations, etc. The process consisting in making three negatives, one through a red screen, a second through a green screen, and a third through a blue screen. When transparencies from these three negatives, each stained in its complementary color, red, green and blue, are superimposed and viewed by transmitted light, the resultant picture is seen in its natural colors.

With this process generally well known, it is obvious that three such negatives transmitted by radio or wire could be colored and combined to make a “picture sent by radio in natural colors.” Of course, the picture is not sent in color at all, and the author hesitates to claim for such a feat more than that the resultant picture proves the excellence of the synchronism of the machines employed in the transmission of the three successive pictures which after their reception are to be colored and combined into one.

94 [Photographs]
95

Prismatic Disc Machines

These machines are principally used in radio transmission of photographs; employ four overlapping prismatic discs or “rings” in both the sending and the receiving machines. Either a transparent or an opaque picture is used in the sending instrument; and in the receiving camera a filament lamp, modulated by the incoming radio signals, recorded on a photographic negative plate.

In the sending machine (first illustration) the picture is projected with a magic lantern (1) through four overlapping prismatic rings, (2) two of which in rotation sweep the picture vertically across the light sensitive cell, at the same time the image is moved laterally by the other pair of prisms. The different light values of the picture are changed into electric values in light cell 4, and broadcast. A rotating perforated disc, (3) interposed between the lens and light cell, produces a pulsating direct current which can immediately be amplified through the usual radio transformers, on its way to the broadcasting set.

In the radio camera (second illustration) a photographic negative (1) is used and a pencil of light from lamp 2. The rotating plates (3) draw the lines and the radio signals vary the light intensities of the lamp to give gradations of exposure on the negative plate. (See next page.)

96 [Photographs]
97 [Photographs]
98

The Jenkins Prismatic Ring

The prismatic ring or plate is a new contribution to optical science, and was designed for use in a machine for the transmission of radio pictures from a flat surface, and for recording them on a flat surface, the only way in which radio vision and radio movies will ever be produced; and a method which permits of the reception of portraits having true photographic value, without lines, and having tone and shading unequaled by any other known process to date.

The prismatic ring section is ground into the face of a glass disc, and from one end to a point half around it has its base outward, and from this midway point around to the other end having its base inward. The warp from one end to the other is gradual.

A beam of light passing through this ring, in rotation, is caused to oscillate, having its hinged action fulcrumed in the plane of rotation of the prism ring. The oscillation is always in the plane of the diameter of the disc from the point where the light passes through the prismatic ring section.

The plates (made with the initial grinding machine) may have one, two, or four prismatic sections to the ring, and may be made right or left hand, and in 10 inch and in 7 inch sizes, and also in disc ring (first illustration) or band ring form (second illustration).

99 [Photographs]
100 [Photographs]
101

Jenkins Synchronizing Forks

The accompanying photographs show a vibrating-fork-control employed to keep distantly separated motors in synchronism. This is the motor control employed in the system developed by the author for the sending and receiving of photographs and photograms, by radio and by wire.

The control unit is surprisingly simple and dependable, and is believed might be found useful for many other purposes where it is desired to keep motors in step with each other which are separated by long distances, the control signals being sent by wire or by radio, and from fixed or moveable stations, on land, on water, or in the air.

The fork illustrated is about fifteen inches long, mounted on a cast brass frame with a bakelite cover plate upon which the fork, motor coil, and binding posts are mounted. A single cell of dry battery keeps the fork in vibration.

The device is designed on a new principle, and has a very sharp control of the motor revolutions. Simple means are provided for easily verifying the continuity of the motor control.

These fork motor units will control any number of motors of any size, at any distance, and on moveable or stationary platforms.

102 [Photographs]
103

The Jenkins Picture-Strip Machine

In the transmission of news, market reports, etc., as a continuous process a long strip of paper of typewritten copy is put into this machine, and the blacks and whites of the letters and figures falling on the light sensitive cell open and close a C. W. broadcast or wire circuit; which at distant points is translated back into light and recorded on a long strip of photographic paper.

This can be a continuous process if the sending strip is added too from time to time, and the receiving photographic strip of paper, as it is exposed, passes continuously through a developing, fixing, washing and drying bath. This process might be required by the conditions of service. A white strip and an electric pen may be used instead of photo paper.

In the sending machine the rotating prisms sweep the image of the typewriter line across the light sensitive cell; and the strip is moved longitudinally by winding on a drum.

In the receiving machine the strip is drawn along while it is curved around a rotating cylinder inside which the modulating light is located, turned off and on by radio. A corona glow lamp is preferably employed with the photographic paper.

104 [Photographs]
105

Jenkins Duplex Machine

The Jenkins duplex cylinder type of machine was designed for simultaneously sending and receiving photograms, letters, maps, drawings, etc. The motor runs all day long, like an electric fan, in control of the vibrating fork. The right hand (glass) cylinder sends; and the left hand cylinder receives. The messages are put on and taken off without stopping the machine, and without one function interfering with the other.

The machine may be used on radio or on wire, and is an easily operated machine, the perfect functioning of which can be determined by a glance at the perforated rotating disc illuminated by the synchronizing signal lamp.

It is believed to be the first duplex two-way service machine ever built, and is complete as shown, except for the batteries and the radio receiving set, which latter may be any standard set which will operate a loudspeaker.

The illustration shows a machine in which a picture transparency and a sensitive cell is used at the sending cylinder; and a high speed lamp and photographic paper at the receiving cylinder.

106 [Photographs]
107

“Talking Machine” Photograms

The spring driven machine illustrated is probably the simplest device possible for the experimental study of transmission of pictures and picture messages by radio or by wire. A conducting ink or pencil line on paper and put on one cylinder (or an insulating coating cut through with a stylus) over which the sending point rides for sending; and an electrolytic bromide (or photo) paper on the other cylinder under the receiving pen for receiving; the contact points being attached to the sending and the receiving sets respectively.

The upper illustration shows a machine electrically driven and equipped to transmit and receive handwritings, maps, sketches, pictures, etc., of an area of about 5 × 7 inches. The sending is from pencil lines on paper, the reception on electrolytic paper.

The machine is also made with a glass cylinder to send from a picture transparency, and to receive on photographic paper. It must, therefore, be used in a dark or subdued lighted room to receive.

Each machine is capable of the very highest quality of work of its particular kind, and is simple and easy to operate.

108 [Photographs]
109

Radio Vision

The machines here shown are the laboratory models used in the development of Radio Vision and Radio Movies for the reception in the home of broadcast studio performances, i. e., dancing girls, public speakers, pantomime, marionettes, motion pictures; and, by remote control, outdoor events, sports, etc.

The lower illustration shows a 10″ disc rotating in front of a prismatic ring, synchronized by a variable speed of the motor. The light is in the round box at the top of the standard behind the lens carrier, and shines through lenses and prism (onto a picture screen) as they pass, the light fluctuating in value with the incoming radio signals to make up a complete picture every one-sixteenth of a second.

The upper illustrated mechanism differs from the lower one in that it has a second overlapping prism for optical correction.

The casing enclosing the mechanism is not very large, and contains, besides the radio vision mechanism, the radio receiving set, and a loudspeaker, so that an entire opera in both action and music may be received.

110

The prismatic ring can be rotated to follow any moving object; e.g., a motion picture film; or if fitted with a high-reading automobile speedometer the speed of an airplane or dirigible can be read directly off a dial by the navigating officer.

111 [Photographs]
112 glowing filament offset hollow cylinder filled with light NEW LIGHT SOURCES FOR RADIO vibrating gold leaf electroscope for blinking a constant light source spark plug light source
113 [Drawing]
114 _Fig. 1._ _Fig. 2._

The rotation of the disc A carrying lenses b, c, d, etc., sweeps
the image of the light source C across the screen F in a horizontal
direction, while line displacement in a vertical direction
is effected by reason of the changing angle of successive prism
elements.

115 _Fig. 1._ _Fig. 2._

The rotation of the disc A carrying lenses arranged in a spiral causes the light L to sweep across the screen M. A revolution every sixteenth second gives a motion picture screen effect.

116 _Fig. 1._ _Fig. 2._

Radio Motion Picture Mechanism

The rotation of the drum A carrying the lenses b, b′, b″, etc., causes the image of the light source S to sweep across the screen Y in two directions. A complete rotation every sixteenth of a second is motion picture speed.

117

Radio Vision hook-up circuits. A is the light cell. The upper circuit puts a “chopper” frequency onto the radio carrier wave by the inductive coupling.

The lower diagram shows an intermediate frequency oscillator to be controlled by a light cell (not shown), the intermediate being put on the carrier wave.

118

Historical Sketch of Jenkins Radio Photography

1894. Jenkins publishes article on transmission of pictures electrically with illustration of proposed apparatus.—Electrical Engineer, July 25, 1894.

1913. Proposes another mechanism, for “Motion Pictures by Wireless.”—Motion Picture News, September 27, 1913.

1920. Reads paper on the Prismatic Ring, a new contribution to optical science (an essential element in transmission of radio pictures).—Transactions Society Motion Picture Engineers, Toronto Meeting, May, 1920.

1922. Sends first radio photograph; sent from a photograph, and received photographically; and predicts motion pictures by radio in the home.—Washington Evening Star, May 19, 1922.

1922. Sends photographs by telephone wire of American Telephone & Telegraph Company, through his desk telephone, from 1519 Connecticut Avenue (Washington) to Navy Radio Station, NOF, at Anacostia, D. C., and there broadcast. The signals were picked up and recorded on a photographic plate at 5502 Sixteenth Street N.W., Washington, D. C., in presence of Commander A. Hoyt Taylor, of the U. S. Navy, and J. C. Edgerton, of the Post Office; October 3, 1922.

1922. Makes official demonstration of his radio transmission of photographs for Navy officials December 12, 1922, in presence of Admirals S. S. Robison and H. J. Ziegemeier, Captain J. T. Tompkins, Commander S. C. Hooper, Lt. Commanders E. H. Loftin and H. P. LeClair; the report of which was later released for publication.—Washington Evening Star, January 14, 1923.

1191923. Sends radio photographs of President Warren G. Harding, Secretary Herbert Hoover, Governor Gifford Pinchot, and others, from U. S. Navy Radio Station, NOF, Washington, to Evening Bulletin Building, Philadelphia, by courtesy of Robt. McLean, Jr., March 2, 1923.—Reproduced in the Bulletin, and in the Washington Star, March 3, 1923.

1923. Makes his first laboratory demonstration of Radio Vision (the instantaneous reproduction on a small picture screen of a distant performer or a distant scene), and of Radio Movies (the transmission of pictures from a theatre screen to a small screen in the home), June 14, 1923. See Visitor’s Register.

1924. Makes his first hundred-line photograph, June 15, 1924, portraits of true photographic values in which no lines appear. Photographs of President Calvin Coolidge, Dr. J. S. Montgomery, Chaplain of the House, William Jennings Bryan, etc. See letters of congratulations from subjects of these photographic tests.

1924. Sends message, in Japanese characters, from Charge d’Affairs, I. Yoshida, of the Japanese Embassy, Washington, i.e., sending from the old Navy Station, NOF, to Amrad Station, WGI, Medford Hillside, Massachusetts; reported and reproduced in Boston Traveler, December 4, 1924.

1924. Apparatus bought and used experimentally by U. S. Post Office Department, on night-flying section, Air Mail route, New York-San Francisco, first message night of December 3, 1924. See James W. Robinson’s telegram, December 15, 1924.

1925. Transmits Motion Pictures by Radio from standard motion picture film to be looked at directly on a small motion picture screen in the distant radio receiving set; Tuesday, March 31, 1925. S.L.A., F.M.A., J.N.O., J.W.R., T.P.D.

120

This machine is the prototype of the motion picture projector in universal use the world over, the result of experimentation begun by Mr. Jenkins in 1890; the machine finished and publicly exhibited in 1893 and 1894. Later shown before the Franklin Institute, and thereafter in the U. S. National Museum. When it has completed its service in the Laboratory office, the Franklin Institute Museum will be the final depository.

121

The accompanying cuts show the Elliott Cresson Gold Medal, awarded by the Franklin Institute, of Philadelphia, for a machine exhibited before the Institute in 1895 by Mr. C. Francis Jenkins.

Later, in making a second award, that of the John Scott Medal, “in recognition of the value of this invention,” the Institute Committee said: “Eighteen years ago the applicant exhibited a commercial motion picture projecting machine which he termed the ‘Plantoscope.’ This was recognized by the Institute and subsequently proved to be the first successful form of projecting machine for the production of life-size motion pictures from a narrow strip of film containing successive phases of motion.”

122 ANNO DOMINI MDCCCCXXIV In recognition of services rendered to the screen by =C. Francis Jenkins——= as inventor of the motion picture projector—— =S=tory =W=orld =M=agazine of =H=ollywood, in a series of articles published in 1923–24 names =M=r. =J=enkins as one of— =T=he =T=en =G=reatest =F=igures in— =M=otion =P=ictures—=I=t now takes pleasure in making this formal acknowledgment of its judgment— =S=tory =W=orld——Jay Brien Chapman September _First_      _Editor_
123 American Projection Society INCORPORATED ABILITY PROGRESS SCIENCE MEMBERSHIP CERTIFICATE This is to certify that C. F. Jenkins having proved his fitness has been duly received into The American Projection Society Inc. as a Honorary Member, and is entitled to all rights and privileges as such. In Witness thereof the Executive Officers of the Chapter have hereunto affixed their signatures. President Secretary Treasurer Date June 12, 1924
124 [Photographs]
125

The Jenkins High Speed Camera

This camera was designed for the study of high speed motions; i.e., the flight of birds, recoil of guns, the impact of shell on plate, muscular activity of athletes, airplane behavior, mechanical motions, etc.

The normal rate of exposures is 1,000 to 3,000 pictures per second (4,000 pictures per second have been made).

It uses standard motion picture super-speed negative film. Prints from these negatives are made in any standard motion picture printer, and developed in the usual way.

The prints may then be projected in any standard motion picture projecting machine, giving an apparent reduction of 100 to 200 times in the speed of movement of the object photographed, and therefore easily studied.

The camera is fitted with 48 Zeiss Tessar lenses, F-3.5 and 2″ focus, and is driven by an automobile starting motor.

It weighs approximately 100 pounds, and therefore easily moved from place to place. (Weight of two 6-volt automobile batteries additional.)

Sunshine is adequate for illumination. If artificial illumination is employed, it should be equal to sunshine.

(Note: The explanation of the unusual speed possible with this camera lies in its lens system, for each lens may work as much as 150 per cent of the time; that is, the exposures overlap.)

126 [Photographs]
127

The Genesis of Radio

A Broadcast from WRC, November 20, 1924
C. Francis Jenkins

The history of radio is unique—at first only a scientific curiosity, and for years thereafter a boy’s plaything; when, all at once, without warning, the public takes it up with a suddenness no one foresaw, and for which no one was prepared.

An invention which behaves so peculiarly excites one’s curiosity to a study of its strange attraction; and of the beginnings of the scientific principles involved, now so knowingly discussed by mere youngsters.

Why, boys in the whole range of their ’teens discourse with fluency and understanding such mysteries as inductance, impedence and capacities; reactance, reluctance and rotors; harmonics, aerials, and mush; choppers, chokes and cheese; heterodyne, neutrodyne, and iodine; and we oldsters don’t know whether they are talking of medicine, music or food.

The only thing that saves us from everlasting embarrassment is that we have the gumption to keep our mouths shut.

So, determined to be ready for these “kids” the next time they come into my august presence, I start in to “bone up” on some of these funny words, and for a start I turn to a musty volume printed by Congress in 1879.

It appears that on January 16 of that year the business of Congress was stopped, and, in solemn procession, led by the Sergeant-at-Arms, the Chaplain, and the Vice-President, the Senate proceeded to the House chamber, where the Speaker handed 128his official gavel to the Vice-President, who said: “The Senators and Members of the Congress of The United States are here assembled to take part in services to be observed in memory of the late Joseph Henry.”

And, as I read the addresses made on that memorable occasion, and look up the references cited, I get the solution to my problem.

I find it was Joseph Henry who first discovered that breaking the circuit in a coiled wire “gives a more intense spark than the same wire uncoiled.” And so inductance was born, and later in his honor we name its unit of measure a “henry.”

Then he put iron inside the coil and got the first magnetic field; next he found that when he arranged a second similar coil near the first, the spark appeared in a gap of the second circuit, and so we have the first transformer.

He put parallel metal plates across the circuit, and he had a condenser; and finally he separated the circuits by many hundred feet, and the first radio signals were broadcast and picked up.

So we learn that to this modest but remarkable man we owe the simple coupling coil that the boys of the past twenty-five years have been using to telegraph to each other wirelessly.

And it is these American youngsters who have developed radio; who first set up two-way communication half-way around the world; who, through their Radio Relay League, kept Captain McMillan in touch with home during his long winter night in the Arctic ice; who kept the Shenandoah in constant contact with headquarters in Washington during her recent transcontinental trip, official acknowledgment of which was publicly made by the Secretary of the Navy.

129Radio eventually will touch our lives at more points directly and indirectly than any other discovery in the history of mankind, unless, perhaps, I should make an exception in favor of fire.

And the delightful thing about it all is that the inaccessible places are benefited the most by radio, those in the out-of-the way places are less lonesome, and the long day of the sick and shut-in is more endurable.

The farmer has his market reports on the minute, his weather forecasts in time for action, and he sets his clock by radio and gets his entertainment from the air.

Dispatched and guided by radio, the flying mail goes day and night with such clocklike regularity that its remarkable performance is no longer “news,” although industry has not yet waked up to the advantage and economy which can be effected by a larger use of the airmail.

Ships are guided into harbor through fog by wireless direction, and the captain was guided thereto by radio compass and radio beacon, and at sea summons aid in case of mishap or danger.

In commerce one may send letters, telegrams, bank drafts, or engineer’s drawings, as radio photographs of the originals, with photographic accuracy and autographic authenticity.

Men on the ground talk with men in a flying machine out of sight in the sky, an almost inconceivable fact.

This reason alone would warrant one in predicting that the defense of our country is definitely going to pass from the limited activities of the Army and Navy to an Air Department, for the plane has no boundary or limit of range in offense or defense.

And in addition there is the wireless direction of 130bomb-dropping airplanes, torpedo submarines, and floating mines, inanimate agencies obeying the distant, unseen hand.

And ultimately power will be transmitted to populous areas, over wireless channels, from the enormous unworked coal fields away up in the Arctic Circle.

The applications of radio are coming so fast in industry that it is hard to keep informed, but doubtless its most extended use will be in the home.

The use of microphone modulated radio to carry music and speech to our homes celebrated its fourth anniversary only two weeks ago.

And yet in this brief space (1) millions on millions have been entertained with the very best the artist has to offer; (2) a singer has been heard around the world; (3) and our President has addressed his fellow Americans as a single audience.

When onto the boundless range of audible radio is grafted the world-wide appeal of the picture, the ideal means of entertainment would seem to have been attained, for the picture is without language, literacy or age limitation.

By radio we shall see what is happening in a distant place; inaugural ceremonies, football, baseball or polo games; flower festival, mardi gras, or baby parade.

So when the development of radio as a service to the eye has progressed to a like extent with ear-service radio, we will bring the entire opera to your home in both acting and music, or even the Olympic games from across the sea.

It has been most satisfying to have had a part in the development of this wonderful medium of contact between individuals and between nations. My part being principally visual radio, I expect great things from Radio Vision.

131And did you ever notice the curious fact that a great laboratory, despite its inestimable contributions to science and engineering, has never yet brought forth a great, revolutionary invention which has subsequently started a new industry, like the telegraph, telephone, and telescope; motion picture, typecasting and talking machines; typewriter, bicycle and locomotive; automobile, flying machine, and radio vision.

It has always been a poor man to first see these things, and as a rule the bigger the vision the poorer the man.

And, do you know, that is right comforting, too; for I sometimes think that perhaps I myself may yet do something worth while if I only stay poor enough, long enough.

132

Radio Patents of Interest

129,971 Loomis
235,469 Bell
571,463 Thompson
653,881 Pollack
660,199 Pollack
714,577 Gruhn
725,140 Roberts
841,387 DeForest
867,877 DeForest
879,532 DeForest
884,110 Stone-Cabot
929,930 Latour
934,969 DeForest
968,484 Kruh
980,356 Squire
980,357 Squire
980,358 Squire
980,359 Squire
1,015,881 Fessenden
1,030,240 Hoglund
1,059,763 Reisz
1,069,535 DeBernochi
1,097,871 Murphy
1,135,624 Rosing
1,141,850 Stille
1,161,734 Rosing
1,316,967 Moore
1,329,688 Voulgre
1,356,763 Hartley
1,370,504 Hammond
1,385,325 Jenkins
1,390,445 Jenkins
1,406,445 Culver
1,413,333 Jenkins
1,423,737 Sandell
1,434,064 Montielhet
1,436,676 Peterson
1,440,466 Jenkins
1,444,605 Heising
1,450,080 Hazeltine
1,454,532 Beatty
1,467,988 Hoxie
1,470,696 Nicholson
1,475,583 Hoxie
1,484,648 Jenkins
1,485,773 Espenshied
1,489,228 Hazeltine
1,505,158 Martin
1,521,188 Jenkins
1,521,189 Jenkins
1,521,190 Jenkins
1,521,191 Jenkins
1,521,192 Jenkins
1,521,205 Stephenson
1,522,305 Latour
1,525,548 Jenkins
1,525,549 Jenkins
1,525,550 Jenkins
1,525,551 Jenkins
1,525,552 Jenkins
1,525,553 Jenkins
1,530,463 Jenkins
133

Note: As Washington is the birthplace of radio, and has been the birthplace of more revolutionary inventions, upon which great industries have been built, than any other ten-mile territory, it may be interesting, and appropriate, to add here a recount by Mr. Jenkins of Washington’s claims to intellectual stimulus.—Editor.

Washington, the City of Enchantment

Broadcast from WCAP, September 26, 1924
C. Francis Jenkins

Washington is the home of our Federal Government; but it is more than that—it is a delightful place to work, a stimulus to excellence in mental activity. Those of us who had wandered about more or less aimlessly before we discovered Washington well understand how its genial climate called forth the Presidential praise of our honor guest from the cool, green hills of Vermont.

Add to the delight of the climate, the charm of Washington’s setting, and one appreciates why, from the Executive Mansion outward to the very rim of federal activity, all remain, if they can, after leaving office. Woodrow Wilson stayed here, until he passed away. President Harding was hurrying 134home when his end came. The only living ex-president resides in the District.

Abraham Lincoln was loath to leave Washington, it is said, and so preferred a summer cottage in the Soldier’s Home Grounds, as did many of his successors, rather than a more elaborate executive residence elsewhere, while the White House was getting its annual dressing.

In the house now occupied by the Cosmos Club, Dolly Madison ruled social Washington in such a scintillating setting that even the widows of presidents, with few exceptions, have made their later homes here.

Nor is it strange, for this is the city the unequaled plan of which was worked out with such loving care by Major Charles L’Enfant, as he leaned over a drawing board in his home near the old Tudor Mansion; the parks of the plan later beautified by the landscape gardener, Andrew J. Downing.

And this magnificent dream city had the proper antecedents, too, for it was from this very site the old Indian chief Powhatan ruled his own vast territory before ever the white man had set up the capital of a nation dedicated to peace and opportunity.

Many eminent statesmen and great orators have found Washington environs so satisfying that they have spent their last years within this forest-like city. The inimitable Henry Clay was buried here in 1852; Elbridge Gerry, a signer of the Declaration of Independence, lies in the Congressional Cemetery; and John Lee Carroll, a former Governor of Maryland, found his last resting place in a local graveyard.

It was in Washington as the head of the Federal Party that that distinguished orator, Daniel Webster, made his indelible impress on American history.

In the old “Union Tavern” on a site now occupied 135by a large apartment building one could have found hobnobbing with resident genius, in that early yesterday, such guests as Louis Phillipe, Count Valney, Lord Lyons, Baron Humboldt, Charles Talleyrand, Jerome Bonaparte, Washington Irving, Charles Dickens, General St. Clair, Lorenzo Dow, John Randolph, and perhaps Charles Goodyear, when he was asking for a patent for vulcanizing rubber.

Even the dashing Robert E. Lee, leaving his ancestral home overlooking Washington, rode regretfully away to duty in his beloved south.

One may perhaps concede that associations would attract retired admirals and generals to a residence here—Admirals Evans, Dewey, Schley, Sampson, Peary, and Generals Greely, Crook, Wheeler, Miles and Pershing, within my own unprompted memory, but what is the secret which brings back to Washington those who have looked upon the enchanting spots of our wonderful country; the three Johns, for example, John C. Freemont, the great northwest pathfinder; John W. Powell, explorer of the Grand Canon of the Colorado; John A. Sutter, discoverer of gold in California.

Even Governor Shepherd, who made Washington, and afterward was practically banished to Mexico, prayed that he might be brought back to the city of his dreams, and his wish gratified, he lies at rest amid the grassy slopes of Rock Creek Cemetery.

It was ever thus; even stubborn old Davy Burns must have thought well of Washington for he brought from his native land not only a charming daughter but the bricks with which he builded a cottage for her, and from whose humble door this Scottish lassie later went to a haughty family and a mansion as the wife of Major General Van Ness.

136Not only from official life, but from all fields of activity, the capital city attracts to itself an unusual aggregation of mentality—scientific and literary and industrial.

Poets and great writers, noted scientists and renowned inventors have done their best work in the invigorating atmosphere of the capital, washed clear by the mist of the Great Falls of the Potomac.

It was here Francis Scott Key lived when he wrote “The Star Spangled Banner,” a spot marked by the new memorial bridge just completed; here Harriet Beecher Stowe wrote that immortal story, “Uncle Tom’s Cabin”; Walt Whitman the first edition of his “Leaves of Grass”; James Bryce “The American Commonwealth”; and Owen Meredith his “Lucile.”

In a rose-covered cottage on the heights overlooking the river, across from the Arlington National Cemetery, Mrs. E. D. E. N. Southworth wrought; and in a less flowery abode impecunious Edgar Allan Poe wrote much of his “spooky stuff.”

Looking down upon the city from the east, John Howard Payne, in tranquil contentment, on his return from a sojourn in a foreign land, wrote the one song which will never die, “Home, Sweet Home.”

In isolated serenity in Rock Creek Park stands the cabin of Joaquin Miller, “the poet of the Sierras,” now the shrine of the artist as well as the writer.

Across Lafayette Park, opposite the White House, George Bancroft, the great historian, calmly laid down his pen in his 91st year and passed to his great reward.

And it was here that the painter James McNeill Whistler began his climb to an artistic, world-renowned fame.

As for science, why Washington is the scientific 137center of the world. More revolutionary discoveries which have been the foundations of great industries have been made in the District of Columbia than any other ten miles square in all the world.

It was here that the great Joseph Henry spent the most prolific period of his sixty years of usefulness.

On the bosom of Rock Creek, Fulton first floated the model of his steamboat, the Clermont; and on the Potomac River, Professor Langley tested out the aerodynamic principles upon which all airplanes are built, and at a time when the “flying machine” was a subject not mentioned in elite scientific circles.

In the observatory on Cathedral Heights, that great astronomer, Simon Newcomb, worked; and nearby Cleveland Abbe, the famous meteorologist, published the first daily weather reports.

Between Washington and Baltimore, Professor S. F. B. Morse, in 1844, put his telegraph to work, the first telegraph operator being Theodore N. Vail, late president of the A. T. & T. Company. Dr. Graham Bell perfected his telephone here, Professor Tainter the wax cylinder phonograph, and Mr. Berliner the talking machine.

Both the typecasting machines, the linotype and monotype, were invented in the District; and here a stenographer in the Life Saving Service invented the first motion picture machine, the prototype of the projector used in every picture theatre the world over to this very day.

From the hills of Virginia, across the river, the first wireless message ever transmitted was sent into Washington; and from Washington to Philadelphia the first photographs by radio were sent.

When the Daughters of the American Revolution sought a permanent home no place could successfully compete with the charm of Washington; and here 138also the American Red Cross and the Pan American Union set up their respective domiciles.

In Kendall Green Park, in the northeast section of the city, the Columbia Institute for the Deaf was set up, the only Institution of its kind in the world, the gift of Gallaudet to the afflicted.

It was in Washington that another philanthropist, William W. Corcoran, built the Louise Home for Southern gentlewomen, as well as the Corcoran Art Gallery, the latter a gift to the city. He was laid away in Oak Hill Cemetery, the resting place of an unequaled gathering of distinguished Americans.

In the north of the city is the Walter Reed Hospital, named in honor of Dr. Walter Reed, who heroically risked his life to prove that yellow fever germs were communicated by mosquitos.

The Carnegie Institute “for the encouragement of investigation, research and discovery,” and the Carnegie Geophysical Laboratory are both located here.

In Washington the Geographic Society was established, and the unique Geographic Magazine is published; and here the beautiful home for the National Academy of Science has just been dedicated.

So the atmosphere of Washington works its witchery on resident as well as those who stop here but briefly, a mental stimulus of no uncertain potency; and as for scenic beauty, it is unequaled and getting more beautiful and more attractive all the time.

As I fly above the city its streets are hidden under a criss-cross of green trees, with the superb white dome of the Capitol standing out above the verdure in majestic splendor; and over to the west the Lincoln Memorial, looking for all the world like a jewel box of alabaster. And on the rim of the mist beyond 139stands a bowl-like marble amphitheatre keeping watch over the grave of the Unknown Soldier, while still farther around to the north looms the great National Cathedral on Mount St. Albans, where lies “the man of peace.”

And it was this inspiring sight that greeted the homeward bound, round-the-world flyers as they glided over the city to a landing in Boiling Field.

An annual pilgrimage to this mecca of glorious past and wondrous present, with its wealth of white buildings, its miles of park roads, its spring cherry blossoms and autumn colors is always inspiring.

From whatever point of view, Washington well deserves the pride of possession of all worthy Americans.

140

Every normal man instinctively seeks a recreational activity—hunting, fishing, riding, tennis, golf. The author’s relaxation from research work is flying an airplane—and it’s delightful sport.


TRANSCRIBER’S NOTES
*** END OF THE PROJECT GUTENBERG EBOOK 73845 ***